RESOLUCIÓN 4262 DE 2013
(julio 15)
Diario Oficial No. 48.854 de 17 de julio de 2013
<Ver Fecha de entrada en vigencia en el artículo 3>
<Resolución derogada por el artículo 3 de la Resolución 5405 de 2018>
COMISIÓN DE REGULACIÓN DE COMUNICACIONES
Por la cual se expide el Reglamento Técnico para Redes Internas de Telecomunicaciones (Ritel), que establece las medidas relacionadas con el diseño, construcción y puesta en servicio de las redes internas de telecomunicaciones en la República de Colombia y se dictan otras disposiciones.
LA COMISIÓN DE REGULACIÓN DE COMUNICACIONES,
en ejercicio de las facultades conferidas en el artículo 54 de la Ley 1450 de 2011, el artículo 22 numeral 8 de la Ley 1341 de 2009, y
CONSIDERANDO:
Que según lo establecido en el artículo 334 de la Constitución Política, el Estado intervendrá por mandato de la ley, entre otros, en los servicios públicos, con el fin de conseguir el mejoramiento de la calidad de vida de los habitantes, la distribución equitativa de las oportunidades y los beneficios del desarrollo.
Que de conformidad con lo previsto en el artículo 365 de la Constitución Política, los servicios públicos al ser inherentes a la función social del Estado, deben ser prestados de manera eficiente a todos los habitantes del territorio nacional, razón por la cual le corresponde al Estado colombiano la regulación, control y vigilancia de dichos servicios, en procura de garantizar el mejoramiento continuo relativo a su prestación y la satisfacción del interés social.
Que la Ley 1341 de 2009 por medio de la cual se definen, entre otros aspectos, principios y conceptos sobre la sociedad de la información y la organización de las Tecnologías de la Información y las Comunicaciones (TIC), concibe la provisión de redes y servicios de telecomunicaciones como un servicio público bajo la titularidad del Estado.
Que de acuerdo con el numeral 2 del artículo 2o de la Ley 1341 de 2009, el Estado propiciará escenarios de libre y leal competencia que incentiven la inversión actual y futura en el sector de las TIC y que permitan la concurrencia al mercado, con observancia del régimen de competencia, bajo precios de mercado y en condiciones de igualdad.
Que de conformidad con lo previsto en el numeral 3 del artículo 2o de la Ley 1341 de 2009, es deber del estado fomentar, el despliegue y uso eficiente de la infraestructura para la provisión de redes de telecomunicaciones y los servicios que sobre ellas se puedan prestar, promoviendo de esta forma el óptimo aprovechamiento de los recursos escasos con el ánimo de generar competencia, calidad y eficiencia, en beneficio de los usuarios.
Que en atención a lo anteriormente expuesto, el numeral 6 del artículo 4o de la Ley 1341 de 2009 prevé como uno de los fines de la intervención del Estado el ofrecer garantías para el despliegue y el uso eficiente de la infraestructura y la igualdad de oportunidades en el acceso a los recursos escasos, con el objeto de buscar la expansión y cobertura para zonas de difícil acceso, en especial beneficiando a poblaciones vulnerables.
Que conforme al artículo 19 de la Ley 1341 de 2009, la Comisión de Regulación de Comunicaciones (CRC) es el órgano encargado de promover la competencia, evitar el abuso de posición dominante y regular los mercados de las redes y los servicios de comunicaciones, con el fin de que la prestación de los servicios sea económicamente eficiente, y refleje altos niveles de calidad, para lo cual la entidad deberá adoptar una regulación que incentive la construcción de un mercado competitivo que desarrolle los principios orientadores de la ley.
Que de acuerdo con el numeral 2 del artículo 22 de la Ley 1341 de 2009, corresponde a la CRC “[p]romover y regular la libre competencia para la provisión de redes y servicios de telecomunicaciones, y prevenir conductas desleales y prácticas comerciales restrictivas, mediante regulaciones de carácter general o medidas particulares, pudiendo proponer reglas de comportamiento diferenciales según la posición de los proveedores, previamente se haya determinado la existencia de una falla en el mercado”.
Que de conformidad con lo previsto en el numeral 4 del artículo 22 de la Ley 1341 de 2009 y el artículo 12 de la Ley 1507 de 2012, corresponde a la CRC regular el acceso y uso de todas las redes y el acceso a los mercados de los servicios de telecomunicaciones, con excepción de las redes destinadas para servicios de radiodifusión sonora, hacia una regulación por mercados.
Que de conformidad con lo establecido en el numeral 8 del artículo 22 de la Ley 1341 de 2009, corresponde a esta Entidad determinar los estándares y certificados, entre otras, de bienes y otros elementos técnicos indispensables para el establecimiento de redes y la prestación de servicios de telecomunicaciones.
Que el artículo 54 de la Ley 1450 de 2011, por medio de la cual se expide el Plan Nacional de Desarrollo 2010-2014, dispone que la CRC deberá expedir el reglamento técnico en materia de instalación de redes de telecomunicaciones en los inmuebles que tengan un régimen de copropiedad o propiedad horizontal.
Que para el desarrollo de los estudios relacionados con la elaboración de Reglamento Técnico para Redes Internas de Telecomunicaciones (Ritel), la CRC contrató a la Asociación Colombiana de Ingenieros (Aciem), gremio que apoyó a la Comisión en el desarrollo del mismo con aplicación a infraestructuras comunes de telecomunicaciones al interior de los inmuebles.
Que de conformidad con lo dispuesto en el artículo 54 de la Ley 1450 de 2011, la CRC posee plenas competencias para la expedición de un reglamento técnico que defina las condiciones relativas al diseño y puesta en funcionamiento de una red interna de telecomunicaciones destinada para su utilización por los diferentes proveedores de redes y servicios, cuya implementación deberá llevarse a cabo en aquellos inmuebles sometidos al régimen de propiedad horizontal previsto en la Ley 675 de 2001, así como en aquellos edificios o conjuntos destinados al uso residencial, comercial y/o mixto, lo cual permitirá y facilitará el acceso por parte de los usuarios de esta clase de servicios, entre los cuales se comprenden la telefonía, el acceso a Internet y la televisión, a una pluralidad de oferentes en esta clase de bienes inmuebles.
Que con ocasión de lo previsto en el numeral 11 del artículo 18 de la Ley 1341 de 2009, el Ministerio de Tecnologías de la Información y las Comunicaciones es la entidad competente para ejercer, frente a los proveedores de redes y servicios de telecomunicaciones, funciones de vigilancia y control.
Que le corresponde a la Superintendencia de Industria y Comercio, conforme lo dispuesto en el artículo 1o del Decreto número 4886 de 2011, controlar y vigilar aquellos reglamentos técnicos cuya vigilancia se le haya asignado expresamente.
Que la expedición de Reglamentos Técnicos en Colombia debe atender lo dispuesto en la Ley 170 de 1994, por la cual Colombia adhirió a la Organización Mundial del Comercio, cuyo Anexo sobre Obstáculos Técnicos al Comercio establece que los países miembros de dicha Organización expedirán Reglamentos Técnicos con la finalidad de evitar, entre otras, prácticas restrictivas al comercio.
Que el numeral 2.4 del artículo 2o del citado Anexo señala que cuando sean necesarios Reglamentos Técnicos y existan normas internacionales pertinentes o sea inminente su formulación definitiva, los Miembros utilizarán como base esas normas internacionales o sus elementos pertinentes.
Que el artículo 8o de la Decisión 562 de la Comunidad Andina, por la que se establecen directrices para la elaboración, adopción y aplicación de Reglamentos Técnicos en los Países Miembros de la Comunidad Andina y a nivel comunitario, señala que en el proceso de elaboración y adopción de Reglamentos Técnicos, los Países Miembros utilizarán como base las normas internacionales o sus elementos pertinentes o aquellas normas internacionales cuya aprobación sea inminente.
Que la ISO (International Standard Organization) es la entidad internacional que rige a los países miembros de la OMC, y es responsable de la estandarización de normas técnicas. Para el caso de la electrotecnia, la ISO cuenta con la IEC (International Electrotechnical Commission), responsable de expedir las normas técnicas del sector de la electrotecnia que deberán contemplar los Reglamentos Técnicos a expedir por los países miembros.
Que como consecuencia de lo anterior, en el presente Reglamento Técnico se adoptan las normas internacionales expedidas por la ISO, y en caso de que estas no existan o no contemplen todos los aspectos necesarios, se adoptarán las normas técnicas expedidas por el Instituto Colombiano de Normas Técnicas y Certificación (Icontec).
Que de conformidad con lo previsto en el artículo 10 del Decreto número 2696 de 2004, con el fin de socializar la propuesta regulatoria sobre la materia, el 18 de octubre de 2011 la Comisión de Regulación de Comunicaciones publicó el proyecto regulatorio, “por la cual se expide el Reglamento Técnico para Redes Internas de Telecomunicaciones (Ritel), que establece las medidas técnicas relacionadas con el diseño, construcción y puesta en servicio de las redes internas de telecomunicaciones en la República de Colombia y se dictan otras disposiciones”, respecto del cual se recibieron comentarios por parte de diferentes agentes hasta el 15 de diciembre de 2011.
Que coetáneamente a lo anterior, y en atención a lo dispuesto en la normativa mencionada en el párrafo anterior, durante los días 30 de octubre, 1o y 2 de noviembre de 2011, la CRC celebró mesas de trabajo con los diferentes agentes interesados en la adopción de esta propuesta, entre ellos la Asociación Nacional de Empresas de Servicios Públicos y Comunicaciones y sus empresas agremiadas, la Cámara Colombiana de la Construcción, la Cámara Colombiana de Informática y Telecomunicaciones y el Ministerio de Ambiente, Vivienda y Desarrollo Territorial, de tal suerte que los diferentes participantes de estas discusiones aportaron elementos adicionales para el análisis que enriquecieron la propuesta regulatoria en discusión.
Que esta Comisión una vez efectuado el cuestionario expedido por la SIC mediante Resolución número 44649 del 25 de agosto de 2010, para verificar si las disposiciones contempladas en el presente acto administrativo restringen indebidamente la competencia, encontró que todas las respuestas a las preguntas fueron negativas. No obstante lo anterior, mediante Oficio número 201121818 del 15 noviembre de 2011 la CRC remitió a la SIC el contenido de la propuesta regulatoria así como su respectivo documento soporte, frente a la cual la Superintendencia Delegada para la Promoción de la Competencia a través del Escrito número 11-155430-2-0 conceptuó, entre otros aspectos, que las reglas regulatorias propuestas no resultan anticompetitivas.
Que durante los meses de abril, mayo, junio y julio de 2012, la CRC realizó una labor de socialización de la propuesta de Reglamento Técnico en comento a través de la realización de 8 foros regionales (Medellín, Bucaramanga, Barranquilla, Pereira, Cali, Cartagena y 2 en Bogotá), en los cuales se presentó la propuesta regulatoria, contando con la participación de 171 personas de diferentes autoridades, proveedores de redes y servicios de telecomunicaciones, operadores de televisión por suscripción, operadores de televisión abierta radiodifundida, constructores, academia, empresas de fabricación de cableado y empresas de diseño e instalación de cableado estructurado, entre otros.
Que la Comisión de Regulación de Comunicaciones con fecha 31 de julio de 2012 y con el fin de abrir un espacio adicional de análisis y debate sectorial, publicó una versión ajustada del proyecto regulatorio, “por la cual se expide el Reglamento Técnico para Redes Internas de Telecomunicaciones (Ritel), que establece las medidas técnicas relacionadas con el diseño, construcción y puesta en servicio de las redes internas de telecomunicaciones en la República de Colombia y se dictan otras disposiciones”, respecto del cual se recibieron comentarios por parte de diferentes agentes hasta el 15 de agosto de 2012.
Que una vez recibidos y analizados todos los comentarios y observaciones derivados de los trámites de socialización y publicación antes señalados y efectuados los ajustes pertinentes, esta Entidad, previa aprobación del Comité de Comisionados celebrado el 16 de noviembre de 2012, remitió mediante Oficio número 201221846 el texto del presente reglamento al Ministerio de Comercio, Industria y Turismo, a efectos de llevar a cabo las notificaciones de que tratan el Decreto número 1112 de 1996, la Decisión 419 de la Comunidad Andina y las Leyes 170 y 172 de 1994.
Que el presente Reglamento Técnico surtió los trámites de notificación del ante la Organización Mundial del Comercio, ante la Comunidad Andina y ante los países con los cuales Colombia tiene suscritos Tratados de Libre Comercio, los cuales fueron llevados a cabo entre el 27 de noviembre de 2012 y el 20 de febrero de 2013.
Que en virtud de lo previsto en el numeral 5 del artículo 9o de la Decisión CAN 562 de 2003, el plazo entre la publicación del Reglamento Técnico y su entrada en vigencia no será inferior a seis meses, salvo cuando no sea factible cumplir los objetivos legítimos perseguidos.
Que una vez atendidas las observaciones recibidas durante todo el proceso de discusión del presente Reglamento Técnico, se elaboró el documento que contiene las razones por las cuales se aceptan o rechazan los planteamientos expuestos, el cual fue puesto a consideración del Comité de Comisionados de la Entidad y fue aprobado mediante Acta número 874 del 7 de junio de 2013 y, posteriormente, presentado a los miembros de la Sesión de Comisión el 21 de junio de 2013 según consta en Acta número 288.
En virtud de lo expuesto,
RESUELVE:
ARTÍCULO 1o. OBJETO. <Artículo compilado en el artículo 8.2.1.1 de la Resolución CRC 5050 de 2016. Debe tenerse en cuenta lo dispuesto por el artículo 2.2.13.3.5 del Decreto 1078 de 2015> Expedir el Reglamento Técnico para Redes Internas de Telecomunicaciones (Ritel), contenido en el Anexo que hace parte integral de la presente resolución.
ARTÍCULO 2o. ÁMBITO DE APLICACIÓN. <Artículo compilado en el artículo 8.2.1.2 de la Resolución CRC 5050 de 2016. Debe tenerse en cuenta lo dispuesto por el artículo 2.2.13.3.5 del Decreto 1078 de 2015> El Reglamento Técnico para Redes Internas de Telecomunicaciones (Ritel) aplica a todos aquellos inmuebles que soliciten licencia de construcción como obra nueva a partir de su entrada en vigencia y que se encuentren sometidos al régimen de copropiedad o propiedad horizontal establecido en Colombia por la Ley 675 de 2001 o las normas que la modifiquen, sustituyan o complementen.
También aplica sobre los inmuebles sometidos al régimen de copropiedad o propiedad horizontal construidos con anterioridad a la entrada en vigencia de este reglamento frente a los cuales así lo decida la comunidad de propietarios bajo las reglas previstas en la Ley 675 de 2001, previo estudio de factibilidad técnica y arquitectónica.
Igualmente aplica a los proveedores de redes y servicios de telecomunicaciones, los operadores de televisión, las empresas constructoras de los inmuebles sometidos al régimen de propiedad horizontal previsto en la Ley 675 de 2001, a las comunidades de copropietarios de dichos inmuebles, y a los fabricantes, distribuidores y comercializadores de los elementos utilizados en la construcción de las redes internas de telecomunicaciones de tales inmuebles.
ARTÍCULO 3o. VIGENCIA DEL RITEL. <Artículo compilado en el artículo 8.2.1.3 de la Resolución CRC 5050 de 2016. Debe tenerse en cuenta lo dispuesto por el artículo 2.2.13.3.5 del Decreto 1078 de 2015> <Reglamento suspendido hasta el 7 de septiembre de 2017> <Artículo modificado el artículo 1 de la Resolución 4741 de 2015. El nuevo texto es el siguiente:> El Reglamento Técnico para Redes Internas de Telecomunicaciones (Ritel) entrará en vigencia a partir del 15 de julio de 2015.
ARTÍCULO 4o. REVISIÓN Y ACTUALIZACIÓN DEL RITEL. <Artículo compilado en el artículo 8.2.1.4 de la Resolución CRC 5050 de 2016. Debe tenerse en cuenta lo dispuesto por el artículo 2.2.13.3.5 del Decreto 1078 de 2015> El Reglamento Técnico para Redes Internas de Telecomunicaciones será revisado por la Comisión de Regulación de Comunicaciones como máximo cada tres (3) años, contados a partir de su entrada en vigencia, considerando para el efecto los desarrollos tecnológicos y las necesidades del mercado.
Dada en Bogotá, D. C., a 15 de julio de 2013.
Publíquese y cúmplase.
El Presidente,
DIEGO MOLANO VEGA.
El Director Ejecutivo,
CARLOS PABLO MÁRQUEZ ESCOBAR.
REGLAMENTO TÉCNICO PARA REDES INTERNAS DE TELECOMUNCIACIONES (RITEL).
CONTENIDO.
CAPÍTULO I
Disposiciones generales
Artículo 1.1. Objeto
Artículo 1.2. Campo de aplicación
Artículo 1.3. Definiciones
1.3.1. Caja de terminación de red
1.3.2. Caja de toma de usuario
1.3.3. Cámara de entrada
1.3.4. Cámara de enlace
1.3.5. Canalización de dispersión
1.3.6. Canalización de enlace
1.3.7. Canalización externa
1.3.8. Canalización principal (canalización de distribución)
1.3.9. Canalización interna de usuario
1.3.10. Equipo de cabecera
1.3.11. Gabinete de piso
1.3.12. Gabinete principal inferior
1.3.13. Gabinete principal superior
1.3.14. Infraestructura
1.3.15. Punto de acceso al inmueble o punto de conexión del inmueble
1.3.16. Punto de acceso al usuario (PAU)
1.3.17. Punto de distribución
1.3.18. Punto de entrada general
1.3.19. Red de alimentación
1.3.20. Red de captación
1.3.21. Red de dispersión
1.3.22. Red de distribución
1.3.23. Red interna de telecomunicaciones
1.3.24. Red interna de usuario
1.3.25. Salón de equipos de telecomunicaciones
1.3.26. Toma de conexión de usuario (toma de usuario, TU)
Artículo 1.4. Obligaciones de los constructores de los inmuebles respecto de la red interna de telecomunicaciones
Artículo 1.5. Obligaciones de los proveedores de servicios respecto de la red interna de telecomunicaciones
Artículo 1.6. Obligaciones de la copropiedad del inmueble respecto de la red interna de telecomunicaciones
CAPÍTULO II
Especificaciones técnicas para el acceso a servicios de telecomunicaciones mediante redes inalámbricas
Artículo 2.1. Objeto
Artículo 2.2. Alcance
Artículo 2.3. Especificación de la red interna
2.3.1. Previsión de la demanda
2.3.2. Dimensionamiento mínimo de la red de distribución
2.3.3. Dimensionamiento mínimo de la red de dispersión
2.3.4. Dimensionamiento mínimo de la red interna de usuario
2.3.5. Criterios aplicables a los conjuntos de unidades privadas individuales
2.3.6. Características funcionales de la red interna de telecomunicaciones
2.3.7. Niveles de calidad para los servicios de radiodifusión de televisión
2.3.8. Elementos de captación
2.3.9. Equipo de cabecera
2.3.10. Cables para las redes de distribución y dispersión y para la red interna de usuario
2.3.11. Elementos de conexión
2.3.12. Requisitos técnicos de la red interna de telecomunicaciones de cables coaxiales
Artículo 2.4. Administración de la red interna de telecomunicaciones
Artículo 2.5. Seguridad eléctrica
2.5.1. Interconexión equipotencial y apantallamiento
2.5.2. Descargas atmosféricas
Artículo 2.6. Compatibilidad electromagnética
CAPÍTULO III
Especificaciones técnicas para el acceso a servicios de telecomunicaciones mediante redes alámbricas
Artículo 3.1. Objeto
Artículo 3.2. Alcance
Artículo 3.3. Red interna de telecomunicaciones de pares de cobre
3.3.1. Previsión de la demanda
3.3.2. Dimensionamiento mínimo de la red de distribución
3.3.3. Dimensionamiento mínimo de la red de dispersión
3.3.4. Dimensionamiento mínimo de la red interna de usuario
3.3.5. Criterios aplicables a los conjuntos de unidades privadas individuales
3.3.6. Cables para las redes de distribución y de dispersión
3.3.7. Cables para la red interna de usuario
3.3.8. Elementos de conexión
3.3.9. Requisitos técnicos de la red interna de telecomunicaciones de pares de cobre
Artículo 3.4. Red interna de telecomunicaciones de cables coaxiales
3.4.1. Previsión de la demanda
3.4.2. Dimensionamiento mínimo de la red de distribución
3.4.3. Dimensionamiento mínimo de la red de dispersión
3.4.4. Dimensionamiento mínimo de la red interna de usuario
3.4.5. Criterios aplicables a los conjuntos de unidades privadas individuales
3.4.6. Cables para las redes de distribución y dispersión y para la red interna de usuario
3.4.7. Elementos de conexión
3.4.8. Requisitos técnicos de la red interna de telecomunicaciones de cables coaxiales
Artículo 3.5. Red interna de telecomunicaciones de fibra óptica
3.5.1. Previsión de la demanda
3.5.2. Dimensionamiento mínimo de la red de distribución
3.5.3. Dimensionamiento mínimo de la red de dispersión
3.5.4. Dimensionamiento mínimo de la red de interna de usuario
3.5.5. Criterios aplicables a los conjuntos de unidades privadas individuales
3.5.6. Cables de fibra óptica para la red de distribución y la red de dispersión
3.5.7. Elementos de conexión
3.5.8. Requisitos técnicos de la red interna de fibra óptica
3.5.9. Seguridad de las redes de distribución y dispersión de cables de fibra óptica
Artículo 3.6. Administración de la red interna de telecomunicaciones
Artículo 3.7. Seguridad eléctrica
3.7.1. Disposición relativa de cableados
3.7.2. Interconexión equipotencial y apantallamiento
3.7.3. Descargas atmosféricas
Artículo 3.8. Compatibilidad electromagnética
CAPÍTULO IV
Especificaciones técnicas mínimas de las edificaciones en materia de telecomunicaciones
Artículo 4.1. Objeto
Artículo 4.2. Alcance
Artículo 4.3. Infraestructura que soporta la red interna de telecomunicaciones
Artículo 4.4. Componentes de la infraestructura que soporta la red interna de telecomunicaciones
4.4.1. Cámara de entrada
4.4.2. Canalización externa
4.4.3. Canalización de enlace
4.4.4. Canalización de distribución
4.4.5. Canalización de dispersión
4.4.6. Canalización interna de usuario
4.4.7. Salones de Equipos de Telecomunicaciones
4.4.8. Elementos de conexión
CAPÍTULO V
Régimen de inspección, control y vigilancia del reglamento
Artículo 5.1. Objeto
Artículo 5.2. Procedimiento para la evaluación dela conformidad
5.2.1. Organismo de Inspección
5.2.2. Organismo de certificación de productos
Artículo 5.3. Campo de aplicación
5.3.1. Costos de los certificados de conformidad
5.3.2. Requisitos mínimos
Artículo 5.4. Operación y mantenimiento de la red interna de telecomunicaciones
Artículo 5.5. Laboratorios de pruebas y ensayos y rotulados
5.5.1. Rotulado de productos.
Artículo 5.6. Componentes del dictamen del organismo de inspección
Artículo 5.7. Sanciones
CAPÍTULO VI
Vigencia del reglamento, transición y autoridades competentes
Artículo 6.1. Vigencia de reglamento
Artículo 6.2. Transición
6.2.1. En materia de inspección de la red interna de telecomunicaciones
6.2.2. En materia de la certificación de productos
6.2.3. En materia de laboratorios
6.2.4. Controversias
Artículo 6.3. Autoridades competentes
APÉNDICE 1. FORMATOS
Formato 1. Declaración del constructor
Formato 2. Dictamen de inspección y verificación de la red interna de telecomunicaciones
Formato 3. Dictamen de inspección y verificación del diseño la red interna de telecomunicaciones
Formato 4. Lista verificación de productos del Ritel
APÉNDICE 2
APÉNDICE 3
APÉNDICE 4
APÉNDICE 5
APÉNDICE 6
APÉNDICE 7
APÉNDICE 8
APÉNDICE 9
APÉNDICE 10
APÉNDICE 11
APÉNDICE 12
APÉNDICE 13
DISPOSICIONES GENERALES.
ARTÍCULO 1.1. OBJETO. El objeto fundamental de este Reglamento es establecer las medidas técnicas relacionadas con el diseño, construcción y puesta en servicio de las redes internas de telecomunicaciones, bajo estándares de ingeniería internacionales, de manera tal que las construcciones de inmuebles sujetos al régimen de propiedad horizontal, que soliciten licencia de construcción como obra nueva a partir de la entrada en vigencia del reglamento, cuenten con una norma técnica que regule la construcción y uso de dicha red interna.
Igualmente, es un instrumento técnico-legal para Colombia que permite garantizar que las instalaciones, equipos y productos usados en las redes internas de telecomunicaciones que cumplan con el objetivo de garantizar la libre y leal competencia entre los proveedores de servicios, así como la prevención de prácticas que puedan inducir a error al consumidor, en la medida que su objeto se centra en que el consumidor disponga de la posibilidad de elegir el proveedor de sus servicios de telecomunicaciones de manera abierta y transparente. Por otra parte, el reglamento contribuye a garantizar la protección de la vida y la salud humana, por cuanto dispone que los cables utilizados en la red interna de telecomunicaciones deben ser de material no propagador de la llama, libre de halógenos y baja emisión de humos. También considera especificaciones que favorecen la protección de medio ambiente, ya que propende por la reducción de la cantidad de antenas instaladas en las azoteas de las edificaciones a través del establecimiento de especificaciones que favorecen la instalación de antenas comunales, reduciendo de esta forma la polución visual.
Para cumplir estos propósitos, el presente Reglamento Técnico se orienta hacia los siguientes objetivos específicos:
1. Establecer la normativa técnica relativa al diseño y puesta en funcionamiento de la red interna de telecomunicaciones para el acceso a estos servicios, así como los requisitos para la infraestructura que soporta dicha red interna.
2. Fijar las especificaciones técnicas que regulen la infraestructura que soporta la red interna en el interior de los inmuebles, para garantizar la capacidad suficiente que permita el acceso a los servicios de telecomunicaciones y el paso de las redes de los distintos proveedores de servicios.
3. Señalar el régimen de inspección, control y vigilancia que garantice la efectividad y cumplimiento de las normas técnicas de telecomunicaciones e infraestructura anexa para los inmuebles, contenidas en el reglamento.
4. Establecer los plazos de aplicación del reglamento, incluido el régimen de transición.
PARÁGRAFO. El presente reglamento se expide sin perjuicio de los derechos de los consumidores y obligaciones de los proveedores y productores establecidos en el Estatuto del Consumidor, contenido en la Ley 1480 de 2011 o normas que la modifiquen o complementen.
ARTÍCULO 1.2. CAMPO DE APLICACIÓN. El Reglamento Técnico para Redes Internas de Telecomunicaciones (Ritel) aplica a todos aquellos inmuebles que soliciten licencia de construcción como obra nueva a partir de la entrada en vigencia del reglamento y que se encuentren sometidos al régimen de copropiedad o propiedad horizontal establecido en Colombia por la Ley 675 de 2001 o las normas que la modifiquen, sustituyan o complementen.
También aplica sobre los inmuebles sometidos al régimen de copropiedad o propiedad horizontal construidos con anterioridad a la entrada en vigencia de este reglamento frente a los cuales así lo decida la comunidad de propietarios bajo las reglas previstas en la Ley 675 de 2001, previo estudio de factibilidad técnica y arquitectónica.
Igualmente aplica a los proveedores servicios, las empresas constructoras de los inmuebles sometidos al régimen de propiedad horizontal previsto en la Ley 675 de 2001, a las comunidades de copropietarios de dichos inmuebles, y a los fabricantes, distribuidores y comercializadores de los elementos utilizados en la construcción de las redes internas de telecomunicaciones de tales inmuebles.
Para efectos del presente reglamento, la referencia a “proveedor de servicios” incluye a los proveedores de redes y servicios de telecomunicaciones, a los operadores de televisión cableada y cerrada y a los operadores de televisión satelital.
En el presente reglamento, el concepto de inmuebles abarca lo siguiente: “Edificio”, “Conjunto”, “Edificio o Conjunto de Uso Residencial”, “Edificio o Conjunto de Uso Comercial”, “Edificio o conjunto de uso mixto”, “Bienes privados o de dominio particular”, “Bienes comunes” y “Bienes comunes esenciales” sujetos al Régimen y Reglamentos de Propiedad Horizontal, de conformidad con lo establecido en el artículo 3o de la Ley 675 de 2001, por medio de la cual se expide el régimen de propiedad horizontal, o normas que la modifiquen, sustituyan o complementen.
Igualmente, este Reglamento aplica a productores, importadores y comercializadores de los productos relacionados en la Tabla 14 del Capítulo 5 del presente anexo, por ser los de mayor utilización en las redes internas de telecomunicaciones y estar directamente relacionados con el objeto y campo de aplicación del presente reglamento.
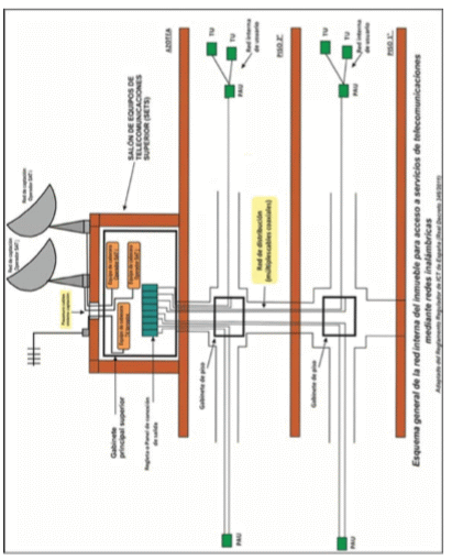
ARTÍCULO 1.3. DEFINICIONES. Para efectos de la interpretación y aplicación del presente Reglamento, se adoptan las siguientes definiciones relativas a la red interna de telecomunicaciones y a la infraestructura que la soporta, cuyos componentes fundamentales se ilustran en el Gráfico 1.
Gráfico 1. Esquema general de una red interna de telecomunicaciones

A manera ilustrativa, al final del presente Anexo se incluyen como apéndices los esquemas generales aplicables a la red interna de telecomunicaciones.
1.3.1. Caja de terminación de red
Elemento de la infraestructura que soporta la red interna de telecomunicaciones del inmueble que conecta la canalización de dispersión con la canalización de la red interna de usuario. En su interior se alojan los correspondientes puntos de acceso a los usuarios. Se ubica en el interior de la vivienda, oficina o local comercial.
1.3.2. Caja de toma de usuario
Elemento de la infraestructura que soporta la red interna de telecomunicaciones del inmueble. Aloja las tomas de usuario y permite a este efectuar la conexión de los equipos terminales de telecomunicaciones para acceder a los servicios prestados por los proveedores de servicios, los proveedores de radiodifusión sonora y los operadores de televisión radiodifundida.
1.3.3. Cámara de entrada
Compartimiento, habitáculo o recinto subterráneo de la infraestructura que soporta la red interna de telecomunicaciones del inmueble, ubicado en la zona exterior del mismo y a la que confluyen las canalizaciones de las distintas redes de telecomunicaciones y de televisión cableadas y la canalización externa de la infraestructura del inmueble que soporta la red de telecomunicaciones del mismo. La cámara de entrada permite, a través de la canalización externa del inmueble, el acceso de los cables de las redes de alimentación de los diferentes proveedores de servicios al salón de equipos de telecomunicaciones para establecer su conexión con la red interna de telecomunicaciones del inmueble. Su diseño y construcción es responsabilidad del constructor del inmueble.
1.3.4. Cámara de enlace
Compartimiento, habitáculo o recinto subterráneo de la infraestructura que soporta la red interna de telecomunicaciones del inmueble, ubicado en la zona interior del mismo y en la que termina el elemento pasamuros que permite la entrada a la edificación de la canalización externa proveniente de la cámara de entrada. Su diseño y construcción es responsabilidad del constructor del inmueble.
1.3.5. Canalización de dispersión
Conjunto de ductos, canaletas, bandejas, escalerillas y demás elementos necesarios de la infraestructura que soporta la red interna de telecomunicaciones del inmueble para interconectar los gabinetes de piso con las cajas de terminación de red de cada piso del inmueble. Está destinada a soportar el cableado de la red de dispersión del inmueble. En ella se intercalan las cajas de paso, que son elementos que facilitan el tendido de los cables entre los gabinetes de piso y las cajas de terminación de red. Su construcción corresponde al constructor del inmueble.
1.3.6. Canalización de enlace
Parte de la infraestructura que soporta la red interna de telecomunicaciones del inmueble, conformada por el conjunto de ductos y cámaras de enlace (cámaras intermedias) necesarias entre el punto de entrada al inmueble y el salón de equipos de telecomunicaciones, para introducir los cables de las redes de alimentación y de captación al salón de equipos de telecomunicaciones del inmueble. Las cámaras de enlace son necesarias para facilitar el tendido e inspección de los cables de alimentación. Su construcción corresponde al constructor del inmueble.
Las siguientes características aplican a la canalización de enlace, teniendo en cuenta el lugar por el que se acceda al inmueble:
-- Para la entrada al inmueble por la parte inferior, la canalización de enlace soporta los cables de la red de alimentación desde el punto de entrada general hasta el gabinete principal ubicado en el salón de equipos de telecomunicaciones inferior.
-- Para la entrada al inmueble por la parte superior, la canalización de enlace soporta los cables que van desde los sistemas de captación hasta el salón de telecomunicaciones superior, entrando al inmueble por el correspondiente elemento pasamuro.
-- Para el caso de inmuebles conformados por un conjunto de unidades privadas individuales<1> (por ejemplo casas individuales que hacen parte de un conjunto cerrado bajo el régimen de propiedad horizontal), la canalización de enlace soporta los cables de las redes de alimentación desde el punto de entrada general hasta el salón de equipos de telecomunicaciones único, y desde los sistemas de captación, a través del elemento pasamuro, hasta el salón de equipos de telecomunicaciones único.
1.3.7. Canalización externa
Parte de la infraestructura que soporta la red interna de telecomunicaciones del inmueble, conformada por un conjunto de ductos instalados en la zona exterior del inmueble entre la cámara de entrada hasta el punto de entrada general del inmueble. Está encargada de introducir en el inmueble las redes de alimentación. Su construcción corresponde al constructor del inmueble.
1.3.8. Canalización principal (canalización de distribución)
Parte de la infraestructura que soporta la red interna de telecomunicaciones del inmueble, compuesta de un conjunto de ductos, canaletas, bandejas, escalerillas y demás elementos necesarios para interconectar los gabinetes principales ubicados en los salones de telecomunicaciones con los gabinetes de piso, soportando el tendido de los cables de la red de distribución del inmueble. La canalización principal en edificios es de tipo vertical. Su construcción corresponde al constructor del inmueble.
1.3.9. Canalización interna de usuario
Parte de la infraestructura que soporta la red interna de telecomunicaciones del inmueble, que comprende el conjunto de ductos y demás elementos que se instalan en la vivienda para soportar la red interna de usuario, la cual se conecta a las cajas de terminación de red y a las tomas de usuario. En ella se intercalan las cajas de paso, que son los elementos que facilitan el tendido de los cables de la red interna de usuario. Su construcción corresponde al constructor del inmueble.
1.3.10. Equipo de cabecera
Es el conjunto de dispositivos encargados de recibir las señales provenientes de los diferentes conjuntos captadores de señales de radiodifusión terrestre o satelital recibidas por medio de sistemas inalámbricos y elevar el nivel de la señal para su distribución al usuario en las condiciones requeridas de calidad. El equipo de cabecera debe entregar el conjunto de señales a la red de distribución. Se ubica en el salón de telecomunicaciones superior en el caso de edificios, mientras que en el caso de inmuebles conformados por un conjunto de unidades privadas individuales (por ejemplo casas individuales que hacen parte de un conjunto cerrado bajo el régimen de propiedad horizontal) se ubica en el salón de telecomunicaciones único. La implementación del equipo de cabecera para señales de televisión procedentes de emisiones satelitales es responsabilidad de los operadores de televisión satelital. La implementación del equipo de cabecera para señales de televisión procedentes de emisiones terrestres es responsabilidad del constructor del inmueble.
1.3.11. Gabinete de piso
Elemento componente de la red interna de telecomunicaciones que consiste de un armario o clóset cerrado por medio de puertas o tapas, debidamente protegido y asegurado, ubicado en cada piso o planta del inmueble, en cuyo interior se conecta la red de distribución con la red de dispersión por medio de regletas de conexión o derivadores en el caso de cables coaxiales. En caso aplicable (según lo descrito en los capítulos relativos a los diferentes tipos de redes), los cables de la red de distribución son los mismos de la red de dispersión, eventos en los cuales los cables pasan a través del gabinete de piso sin requerir ser abiertos para terminarlos en conectores o puntos de conexión de las regletas o derivadores. Su construcción corresponde al constructor del inmueble.
1.3.12. Gabinete principal inferior
Elemento componente de la red interna de telecomunicaciones que consiste de un armario o closet cerrado por medio de puertas, debidamente protegido y asegurado, en cuyo interior se dispone de una serie de paneles de conexión o regletas de entrada, en donde finalizan los cables de las redes de alimentación cableadas; de una serie de paneles de conexión o regletas de salida donde finaliza la red de distribución del inmueble; y por una serie de cables de interconexión o cruzadas que se encargan de dar continuidad a las redes de alimentación hasta la red de distribución del inmueble en función de los servicios contratados por los usuarios. Su construcción corresponde al constructor del inmueble.
Se ubica en el salón de telecomunicaciones inferior en el caso de edificios, mientras que en el caso de inmuebles conformados por un conjunto de unidades privadas individuales (por ejemplo casas individuales que hacen parte de un conjunto cerrado bajo el régimen de propiedad horizontal) se ubica en el salón de telecomunicaciones único.
Los paneles de conexión o regletas de entrada deberán ser suministrados e instalados por los proveedores de servicios. Estos proveedores son responsables de proveer la conexión desde sus centrales o nodos de telecomunicaciones hasta las regletas de entrada. El dimensionamiento, diseño, suministro e instalación de los paneles de conexión o regletas de entrada y de los cables o cruzadas de interconexión para la unión entre las regletas de entrada y de salida, incluyendo los conectores donde terminan los respectivos cables, son responsabilidad de los proveedores que presten servicio al inmueble y, en consecuencia, deberán ser independientes. Los proveedores de servicios deben incorporar en sus paneles de conexión o regletas de entrada las medidas de seguridad necesarias para evitar manipulaciones no autorizadas de la terminación de su red de alimentación.
1.3.13. Gabinete principal superior
Elemento componente de la red interna de telecomunicaciones que consiste de un armario o closet cerrado por medio de puertas, debidamente protegido y asegurado, en cuyo interior se dispone de una serie de paneles de conexión o regletas de entrada, en donde finalizan los cables de las redes de captación de las señales radiodifundidas recibidas por medio de sistemas inalámbricos (radiodifusión sonora, televisión y acceso fijo inalámbrico); de una serie de paneles de conexión o regletas de salida donde finaliza la red de distribución del inmueble; y por una serie de cables de interconexión o cruzadas que se encargan de dar continuidad a las redes de captación hasta la red de distribución del inmueble en función de los servicios contratados por los usuarios. Su construcción corresponde al constructor del inmueble.
Se ubica en el salón de telecomunicaciones superior en el caso de edificios, mientras que en el caso de inmuebles conformados por un conjunto de unidades privadas individuales (por ejemplo casas individuales que hacen parte de un conjunto cerrado bajo el régimen de propiedad horizontal) se ubica en el salón de telecomunicaciones único.
Los paneles de entrada deben ser diseñados, suministrados e instalados por los proveedores de servicio. Para los servicios de telecomunicaciones, de televisión y de radiodifusión sonora, la unión entre los paneles o regletas de entrada y de salida se realiza mediante cables de cruzada.
1.3.14. Infraestructura
En el contexto de la red interna de telecomunicaciones, la infraestructura que soporta la red interna de telecomunicaciones del inmueble está compuesta por las cámaras, canalizaciones, salones de equipos de telecomunicaciones, ductos, bandejas, paneles o regletas de distribución, cajas de paso, cajas terminales y demás elementos y obras civiles necesarias para alojar la red interna de telecomunicaciones del inmueble y las redes de alimentación y captación, que van desde la cámara de entrada al inmueble o el correspondiente elemento pasamuro hasta los salones de equipos de telecomunicaciones.
1.3.15. Punto de acceso al inmueble o punto de conexión del inmueble
Punto en el que se realiza la unión entre cada una de las redes de los proveedores de servicios con la red interna de telecomunicaciones del inmueble, el cual determina el límite sobre la responsabilidad de los proveedores de servicio en relación con sus redes de alimentación y captación, y la copropiedad sobre la red interna de dicho inmueble. El punto de acceso o punto de conexión del inmueble está ubicado en el interior del gabinete principal de la red interna. Hay un punto de acceso en el gabinete principal superior y otro en el gabinete principal inferior.
Habitualmente el punto de acceso o conexión de la red interna de telecomunicaciones será único para cada una de las redes incluidas en la misma. No obstante, en los casos en que así lo exija la configuración y tipología del inmueble (por ejemplo, múltiples edificios verticales atendidos por la red interna de telecomunicaciones, edificaciones con un número elevado de escaleras), el punto de conexión de cada una de las redes presentes en la red interna podrá ser distribuido o implementado en módulos, de tal forma que cada uno de estos pueda atender adecuadamente a un subconjunto identificable del inmueble. En estos casos, el diseño de la red interna contemplará la solución más adecuada para facilitar el acceso de las redes de alimentación y captación a los salones que alojan los diferentes módulos de los puntos de acceso o conexión, a través de la interconexión de los gabinetes principales de los edificios mediante cables instalados sobre las canalizaciones de enlace necesarias.
1.3.16. Punto de Acceso al Usuario (PAU)
Punto ubicado en la caja de terminación de red, en el que se realiza la unión entre la red de dispersión y la red interna del usuario. El punto de acceso al usuario se ubica en el interior de cada domicilio de usuario y determina el límite de las responsabilidades en cuanto al origen, localización y reparación de averías entre la copropiedad del inmueble o comunidad de propietarios y el usuario final del servicio.
1.3.17. Punto de distribución
Punto en el que se realiza la unión entre la red de distribución y la red de dispersión. Está ubicado en el interior del gabinete de piso. En ocasiones, cuando la red de dispersión se extiende directamente desde el gabinete principal hasta el punto de acceso al usuario cruzando de paso el gabinete de piso, el punto de distribución se ubica en el interior del gabinete principal, en la unión entre la red de alimentación o de captación y la red de dispersión.
1.3.18. Punto de entrada general
Identifica el lugar por donde la canalización externa, que proviene de la cámara de entrada, accede a la zona común del inmueble.
1.3.19. Red de alimentación
Conjunto de equipos activos y pasivos de telecomunicaciones, cables, regletas, conectores, y demás elementos que hacen parte de una derivación de la red de acceso de telecomunicaciones, que conectan la red interna del inmueble con las centrales o nodos de comunicaciones de las redes de los proveedores de servicios, los cuales conectan su red de alimentación en el punto de acceso del inmueble ubicado en el interior del gabinete principal del mismo.
Los proveedores de servicios implementarán su red de alimentación empleando enlaces de cables de pares de cobre, cables coaxiales o cables de fibra óptica de red externa. Dichos cables ingresan al inmueble a través de una canalización externa de cada proveedor hasta la cámara de entrada y la caja de paso de enlace, donde se encuentra el punto de entrada general al inmueble, desde donde parte la canalización de enlace hasta llegar al gabinete principal inferior ubicado en el salón de equipos de telecomunicaciones inferior en el caso de edificios, o hasta el salón de telecomunicaciones único en el caso de conjuntos de unidades privadas individuales.
La red de alimentación incluye todos los elementos activos o pasivos de propiedad del proveedor de servicios, necesarios para entregar las señales del servicio a la red de distribución del inmueble, en condiciones de ser distribuidas a los usuarios finales. El diseño y dimensionamiento de la red de alimentación, así como su construcción e implementación, serán responsabilidad del respectivo proveedor del servicio.
1.3.20. Red de captación
Conjunto de equipos activos y pasivos de telecomunicaciones, encargados de captar las señales inalámbricas de radiodifusión sonora y televisión procedentes de emisiones terrestres y de satélite, y de acceso fijo inalámbrico, transmitidas por los proveedores de servicio, los proveedores de radiodifusión sonora y los operadores de televisión radiodifundida, y todos aquellos elementos activos o pasivos encargados de adecuar las señales para ser entregadas a la red interna de telecomunicaciones.
Los conjuntos de captación de señales están compuestos por las antenas, mástiles, torres y sistemas con sus respectivos elementos de sujeción, los equipos de recepción y procesamiento de dichas señales, y los cables o conductores necesarios, para dejarlas disponibles para el servicio en el punto de acceso del inmueble. La red de captación es de propiedad de los proveedores de redes y servicios de telecomunicaciones en el caso de servicios de telecomunicaciones de acceso fijo inalámbrico, de los operadores de televisión satelital en el caso de señales de televisión procedentes de emisiones satelitales, y de la copropiedad del inmueble en el caso de señales de radiodifusión sonora y televisión procedentes de emisiones terrestres. En este último caso, la construcción de la red de captación corresponde al constructor del inmueble.
<Inciso modificado por el artículo 2 de la Resolución 4741 de 2015. El nuevo texto es el siguiente:> Los elementos que componen la red de captación irán situados en la cubierta o azotea del inmueble. Los cables procedentes de la antena se introducen en la infraestructura de la red interna del inmueble a través del elemento pasamuro y de la canalización de enlace superior hasta el salón de equipos de telecomunicaciones superior o hasta el salón de telecomunicaciones único, lugar donde se ubican los equipos de recepción y procesamiento de las señales captadas.
1.3.21. Red de dispersión
Es la subred de la red interna de telecomunicaciones del inmueble conformada por el conjunto de cables, conectores y demás elementos, que conecta en los gabinetes de piso la red de distribución con la red interna de usuario. La red de captación comienza en los puntos de distribución situados en los gabinetes de piso y, a través de la canalización secundaria, se conecta con la red interna de usuario en los puntos de acceso al usuario, situados en las cajas de terminación de red. Su construcción corresponde al constructor del inmueble.
1.3.22. Red de distribución
<Numeral modificado por el artículo 1 de la Resolución 4639 de 2014. El nuevo texto es el siguiente:> Es la subred de la red interna de telecomunicaciones del inmueble conformada por los cables, conectores y demás elementos, que conecta en el gabinete principal con la red de alimentación a través de las regletas de salida y la red de captación a través de las regletas de salida o la salida del equipo de cabecera que amplifica las señales procedentes de los diferentes conjuntos de elementos de captación y enlaza con la red de dispersión en los puntos de distribución situados en los gabinetes de piso. La red de distribución es única para cada tecnología de acceso e independiente del número de proveedores que prestan el servicio en el inmueble. Su construcción corresponde al constructor del inmueble, con excepción de la red de distribución a través de cables coaxiales para el acceso a servicios de telecomunicaciones mediante redes alámbricas, cuando la topología seleccionada por el constructor es la de árbol, caso en el cual su construcción corresponde a cada proveedor.
1.3.23. Red interna de telecomunicaciones
<Numeral modificado por el artículo 3 de la Resolución 4741 de 2015. El nuevo texto es el siguiente:> Conjunto de equipos activos y pasivos de telecomunicaciones, cables, conectores, gabinetes, regletas y demás elementos necesarios incluida la infraestructura de soporte que conforman la red para el acceso a los servicios públicos de telecomunicaciones y a los servicios de radiodifusión sonora y de televisión, en inmuebles sometidos al régimen de propiedad horizontal, que va desde el punto de acceso al inmueble o punto de conexión del inmueble donde se conecta con la red de alimentación y/o de captación del proveedor de servicios, en donde este deja el servicio, hasta el inmueble del usuario, incluidas las tomas de conexión al interior del área privada de usuario.
El diseño, suministro e instalación de la red interna de telecomunicaciones es responsabilidad del constructor del inmueble, con excepción de los componentes asociados a la televisión satelital contenidos en la red de distribución, la red de dispersión y la red interna de usuario, cuya construcción es responsabilidad de cada proveedor de dicho servicio. Se excepciona también el diseño, suministro e instalación de la red interna de telecomunicaciones de fibra óptica, cuya responsabilidad será de cada proveedor que soporte sus servicios en este tipo de redes.
Por cada inmueble sujeto al presente Reglamento se predicará la existencia de una red única interna de telecomunicaciones, cuyo uso será obligatorio por parte de los proveedores de servicios.
1.3.24. Red interna de usuario
Es la subred de la red interna de telecomunicaciones del inmueble conformada por los cables y demás elementos instalados en el interior del área privada de usuario, que permite la distribución de las señales en el interior de los domicilios o locales de los usuarios. Comienza en el punto de acceso al usuario y, a través de la canalización interna de usuario, se conecta con cada una de las tomas de usuario. Su construcción corresponde al constructor del inmueble.
1.3.25. Salón de equipos de telecomunicaciones
Infraestructura que soporta la red interna de telecomunicaciones del inmueble, correspondiente al espacio físico definido en el interior del inmueble para la instalación de los equipos de los diferentes proveedores de servicios, de los gabinetes principales y demás elementos del inmueble, necesarios para la conexión de las redes de alimentación y captación a la red interna del inmueble. Aloja también los equipos de energía y climatización en caso necesario. Su construcción corresponde al constructor del inmueble.
Se establecen los siguientes tipos de salones dependiendo de su ubicación en los inmuebles.
-- Salón de equipos de telecomunicaciones inferior: Se ubica en la planta baja o sótano del inmueble. Contiene el gabinete principal inferior en el que se realizan las conexiones a las redes públicas para el acceso a los servicios de telecomunicaciones. En este espacio inicia la canalización principal de la infraestructura que soporta la red interna de telecomunicaciones del inmueble.
-- Salón de equipos de telecomunicaciones superior: Se ubica en la planta alta o en la azotea del inmueble. Está destinado a la instalación de los equipos y elementos necesarios para la adecuación y tratamiento de las señales captadas de radio y televisión, y de las señales captadas de los servicios de acceso fijo inalámbrico. Se conecta con la canalización principal de la infraestructura que soporta la red interna de telecomunicaciones del inmueble.
-- Salón de equipos de telecomunicaciones único: <Definición modificada por el artículo 4 de la Resolución 4741 de 2015. El nuevo texto es el siguiente:> Sitio único de instalaciones de telecomunicaciones en el que se realizan las conexiones a las redes públicas para el acceso a los servicios de telecomunicaciones cableados, así como la instalación de los equipos y elementos necesarios para la adecuación y tratamiento de los servicios radiodifundidos.
Cuando sea utilizado este tipo de salón en inmuebles conformados por varios edificios o por unidades privadas individuales, su ubicación deberá realizarse en espacio separado de las edificaciones, debiendo construirse encima del nivel del suelo.
1.3.26. Toma de conexión de usuario (Toma de Usuario, TU)
Elemento de la red interna de usuario en el que termina cada uno de los cables de telecomunicaciones de la red interna de usuario, que permite la conexión de los equipos terminales de comunicaciones del usuario a la red interna del inmueble para acceder a los servicios públicos de telecomunicaciones.
ARTÍCULO 1.4. OBLIGACIONES DE LOS CONSTRUCTORES DE LOS INMUEBLES RESPECTO DE LA RED INTERNA DE TELECOMUNICACIONES. Son obligaciones de los constructores de los inmuebles sometidos al Régimen de Propiedad Horizontal en lo referente al diseño, construcción y uso de la red interna de telecomunicaciones del inmueble, incluida la infraestructura que la soporta, las siguientes:
1. <Numeral modificado por el artículo 5 de la Resolución 4741 de 2015. El nuevo texto es el siguiente:> Diseñar, suministrar, construir, instalar y dejar habilitada la red interna de telecomunicaciones del inmueble, incluida la infraestructura física necesaria, para que esta pueda soportar la oferta de servicios de los proveedores de servicios y de los operadores de televisión en Colombia, bajo diferentes soluciones tecnológicas ofrecidas y bajo una misma red interna.
Para asegurar un diseño adecuado y eficiente de la red interna de telecomunicaciones, será obligatorio que el constructor del inmueble realice consulta e intercambio de información con los diferentes proveedores de servicios de telecomunicaciones y operadores de televisión cerrada. Para lo anterior, el constructor deberá utilizar la información de contacto a la que hace referencia el numeral 20 del artículo 1.5 del reglamento, y obtener certificaciones de todos los proveedores de servicios y operadores de televisión cerrada con presencia en el municipio en el que se ubicará el inmueble, respecto de su cobertura en la zona de construcción del inmueble. La citada consulta e intercambio de información tendrá los siguientes objetivos:
a) Establecer la cantidad potencial de proveedores y operadores que están en capacidad de atender el inmueble y el modo de acceso de los mismos (inalámbrico por radiodifusión satelital, alámbrico por redes de pares cobre, alámbrico por redes de cables coaxiales o alámbrico por redes de cables de fibra óptica), de tal forma que la red interna de telecomunicaciones que se construya en cada inmueble tenga capacidad para un número plural de dichos proveedores, con criterios de eficiencia económica y técnica y previsión de futuro;
b) Especificar la profundidad a la que debe construirse la cámara de entrada al inmueble, considerando su ubicación sobre andén o sobre calzada;
c) Acopiar especificaciones para el diseño y construcción de la infraestructura que soporta la red interna de telecomunicaciones de fibra óptica, en particular la cantidad de ductos, su diámetro y su ocupación.
Dependiendo del resultado de la consulta e intercambio de información con los diferentes proveedores de servicios y operadores de televisión cerrada, el constructor únicamente está en la obligación de instalar los tipos de redes (cobre, coaxial y fibra óptica) de las cuales se tenga cobertura por parte del algún proveedor u operador en la zona en la que se ubicará el inmueble. Independientemente que el constructor instale o no algún tipo de red, siempre deberá instalar toda la infraestructura soporte asociada a la misma, a la que hace referencia el Capítulo 4 del presente reglamento. En cualquier caso el constructor siempre deberá instalar la red interna de usuario de cable de pares y de cables coaxiales especificadas en los artículos 3.4 y 3.5 del presente reglamento, así como la totalidad de la red asociada al servicio de televisión abierta radiodifundida.
El tiempo de vigencia de esta consulta es de 6 meses, por lo cual el constructor deberá solicitar la licencia de construcción como obra nueva dentro de este periodo.
2. Diseñar, suministrar, construir, montar y probar la red interna de telecomunicaciones del inmueble, incluida la infraestructura física necesaria que la soporte, cumpliendo con las especificaciones técnicas establecidas en el presente Reglamento contenidas en los siguientes capítulos:
-- Norma técnica para el acceso a servicios de telecomunicaciones mediante redes inalámbricas (Capítulo 2).
-- Norma técnica para el acceso a servicios de telecomunicaciones mediante redes alámbricas (Capítulo 3).
-- Especificaciones técnicas mínimas de las edificaciones en materia de telecomunicaciones (Capítulo 4).
3. Diseñar, suministrar, instalar, probar y dejar habilitada la red de captación de señales de radiodifusión sonora y de televisión terrestre procedentes de emisiones radiodifundidas de las estaciones transmisoras de los proveedores de radiodifusión sonora y operadores de televisión terrestre radiodifundida, correspondiente al sistema de antena comunal de VHF y UHF del inmueble, y realizar la construcción e instalación de equipos y demás elementos necesarios, incluyendo los equipos de cabecera de televisión terrestre cuando técnicamente sea necesario, y atendiendo las especificaciones técnicas establecidas en el Capítulo 2 del presente Reglamento.
4. Diseñar, suministrar e instalar los gabinetes principales en los salones de equipos de telecomunicaciones y los gabinetes de piso requeridos por la red interna de telecomunicaciones del inmueble, atendiendo las especificaciones técnicas establecidas en el Capítulo 4 del presente reglamento.
5. Diseñar y construir los salones para equipos de telecomunicaciones cumpliendo con las condiciones ambientales y de seguridad apropiadas y señaladas en el Capítulo 4 del presente Reglamento, tales como niveles de temperatura y humedad, ventilación y evacuación de gases, protección contra lluvias, inundaciones, sobretensiones, corto circuito, descargas atmosféricas e incendio, compatibilidad electromagnética, y control de acceso, entre otros.
6. Proveer para el dimensionamiento de la infraestructura que soporta la red de interna de telecomunicaciones del inmueble, la cantidad y capacidad necesaria de ductos y cámaras para las redes de alimentación o de captación de los distintos proveedores de servicios, atendiendo las especificaciones técnicas establecidas en el Capítulo 4 del presente Reglamento.
7. Asignar a los proveedores de servicios que tengan cobertura en el sector donde se encuentre ubicado el inmueble, los espacios necesarios en los salones para equipos de telecomunicaciones del inmueble, como también en las cámaras y canalizaciones de entrada, asegurando además el cumplimiento de las especificaciones establecidas en el Capítulo 4 en cuanto a la capacidad de reserva para el futuro acceso al inmueble de redes de alimentación y captación de otros proveedores de servicios que lleguen al inmueble después de que este se haya construido.
8. Elaborar y entregar a la copropiedad del inmueble los planos de la red interna de telecomunicaciones, incluida la infraestructura que la soporta, como también elaborar y entregar a los propietarios de las unidades privadas los planos de la red interna de usuario, los cuales deben describir detalladamente y en forma precisa la distribución de estas para el acceso a los servicios de telecomunicaciones, incluido el de televisión. Para el efecto, los planos emplearán la simbología y nomenclatura estandarizada internacionalmente mediante las normas IEC.
9. Diseñar, construir, montar y probar la red interna de telecomunicaciones, incluida la infraestructura que la soporta, cumpliendo los aspectos relativos a la seguridad eléctrica y de compatibilidad electromagnética, de manera que se satisfaga lo establecido en el Reglamento Técnico de Instalaciones Eléctricas (Retie), establecido mediante la Resolución número 181294 de 2008<2> expedida por el Ministerio de Minas y Energía, y las demás normas que lo deroguen, sustituyan o modifiquen.
10. Diseñar y construir las obras civiles del inmueble que soportarán las torres, torrecillas y mástiles con sus tensores y demás elementos necesarios para sostener las antenas y componentes del sistema captador de señales radiodifundidas, con especificaciones para soportar las cargas físicas transmitidas a la estructura del inmueble, cuyo cálculo de diseño deberá tener en cuenta lo establecido en las Normas Colombianas de Construcción Sismo Resistente NSR-10, adoptadas mediante el Decreto número 926 de 2010, o norma que la modifique o sustituya.
11. Diseñar, construir y utilizar la red interna de telecomunicaciones sin afectar negativamente el medio ambiente, en especial el entorno de los usuarios, el espectro electromagnético y las garantías de los demás proveedores de servicio, la salud pública, el patrimonio público y el interés general, según lo establecido en la normatividad vigente.
12. Suministrar el mantenimiento preventivo y correctivo de la red interna de telecomunicaciones, incluida la infraestructura que la soporta, hasta la entrega del inmueble a los propietarios, sin perjuicio de lo establecido en los artículos 6o, 7o y 8o de la Ley 1480 de 2011. La entrega de la red interna de telecomunicaciones, una vez probada y puesta al servicio, incluirá un período de pruebas en servicio de al menos seis (6) meses contados a partir de la fecha de entrega del certificado de inspección en el cual se certifique que la red cumple con el Ritel. En dicho período, el constructor del inmueble atenderá los requerimientos tanto de los copropietarios como de los proveedores de servicios para asegurar el correcto funcionamiento de la red interna y de los servicios prestados por dichos proveedores a los usuarios finales. En este sentido, el constructor del inmueble deberá dar solución a las eventuales fallas que se presenten en la red interna que imposibiliten el acceso a los servicios de telecomunicaciones, incluido el de televisión, o que degraden su calidad. En todo caso, el constructor responderá ante los copropietarios por eventuales fallas estructurales del inmueble que afecten la red interna de telecomunicaciones, incluida la infraestructura que la soporta, al menos durante el período de tiempo en que está obligado conforme a la normatividad vigente, y deberá resolver y corregir a su costa las fallas que afecten la prestación de los servicios públicos de telecomunicaciones a través de la red interna del inmueble.
<Inciso modificado por el artículo 6 de la Resolución 4741 de 2015. El nuevo texto es el siguiente:> Las obligaciones de los constructores descritas en el presente artículo, serán objeto de inspección y control por parte de los organismos encargados de evaluar la conformidad de la red interna frente al presente Reglamento, tal como se establece en el Capítulo 5 del presente anexo, así como también por parte de las autoridades competentes señaladas en la ley.
ARTÍCULO 1.5. OBLIGACIONES DE LOS PROVEEDORES DE SERVICIOS RESPECTO DE LA RED INTERNA DE TELECOMUNICACIONES. Son obligaciones de los proveedores de servicios asociadas a la red interna de telecomunicaciones de los inmuebles sometidos al régimen de propiedad horizontal en lo referente al diseño, construcción y uso de la red interna de telecomunicaciones de dichos inmuebles, incluida la infraestructura que la soporta, las siguientes:
1. Diseñar e instalar las redes de alimentación y de captación de propiedad de los proveedores de redes y servicios de telecomunicaciones y de los operadores de televisión cableada y satelital ciñéndose a lo establecido en el presente reglamento<3>.
2. Diseñar, suministrar, construir, instalar, probar y dejar habilitada la red de alimentación y la red de captación, e instalar los equipos y demás elementos requeridos por estas, incluyendo los equipos de cabecera de televisión satelital cuando técnicamente sea necesario y atendiendo las especificaciones técnicas establecidas en el presente Reglamento, contenidas en los siguientes documentos:
-- Norma técnica para el acceso a servicios de telecomunicaciones mediante redes inalámbricas (Capítulo 2).
-- Norma técnica para el acceso a servicios de telecomunicaciones mediante redes alámbricas (Capítulo 3).
-- Especificaciones técnicas mínimas de las edificaciones en materia de telecomunicaciones (Capítulo 4).
3. Diseñar, construir, montar, probar y utilizar las redes de alimentación y de captación sin afectar las condiciones técnicas del servicio ni la estética de los inmuebles tanto en su interior como en su exterior, según lo establecido en la normatividad vigente.
4. Utilizar la red única interna de telecomunicaciones del inmueble y conectar a ella las redes de alimentación y captación para llevar los servicios de telecomunicaciones a los usuarios finales o propietarios del inmueble.
5. Conectar su red de alimentación o su red de captación en el punto de acceso del inmueble ubicado en el interior del gabinete principal de la misma.
6. Suministrar e instalar los paneles de conexión y demás elementos necesarios al interior del gabinete principal, dejando los cables de las redes de alimentación y de captación debidamente conectados en los paneles de entrada con sus respectivos conectores en los que terminan.
7. Suministrar e instalar entre los paneles de entrada y los paneles de salida del gabinete principal los cables de cruzada con sus respectivos conectores debidamente asegurados para aprovisionar los servicios de telecomunicaciones a los usuarios finales.
8. Diseñar, construir, montar y probar la red alimentación y la red de captación, cumpliendo los aspectos relativos a la seguridad eléctrica y de compatibilidad electromagnética, de manera que se satisfaga lo establecido en el Reglamento Técnico de Instalaciones Eléctricas (Retie), establecido mediante la Resolución número 181294 de 2008 expedida por el Ministerio de Minas y Energía, y las demás normas que lo deroguen, sustituyan o modifiquen.
9. Suministrar al constructor del inmueble, durante la fase de diseño de este, las especificaciones técnicas del sistema de captación de antenas para señales inalámbricas, tanto para los servicios de televisión satelital como para los servicios de acceso fijo inalámbrico, necesarias para el diseño de las obras civiles del inmueble que soportarán las torres, torrecillas y mástiles con sus tensores y demás elementos necesarios para sostener las antenas y demás componentes de dicho sistema de captación.
10. Realizar las pruebas correspondientes a los servicios solicitados por el usuario final hasta el punto de conexión del inmueble en el panel de entrada ubicado en el gabinete principal que identifica el punto de conexión o acceso del inmueble, como también hasta la toma de usuario ubicada al interior del inmueble del usuario final, dejando el servicio completamente habilitado y con los niveles de calidad establecidos a nivel de la toma de usuario. En caso de determinarse la existencia de una falla en la red interna del inmueble o en la red interna de usuario, deberá informar de esta situación al usuario.
11. Suministrar e instalar los rótulos o marquillas apropiadas al interior del gabinete principal del inmueble para identificar debidamente los cables de conexión, tanto de su red de alimentación o de captación como de los correspondientes a las conexiones de los demás elementos y equipos que sea necesario instalar.
12. Respetar los espacios físicos y demás instalaciones autorizados por el constructor del inmueble y por la copropiedad del inmueble para la ubicación de los equipos y demás elementos necesarios para la construcción de las redes de alimentación y captación, dando en todo caso el debido uso a las mismas.
13. Respetar y dar el uso apropiado a las instalaciones de las redes internas de telecomunicaciones del inmueble, incluida la infraestructura que las soporta, así como las de los demás proveedores que prestan los servicios al inmueble.
14. Elaborar y entregar al constructor del inmueble los planos de la red de alimentación o de la red de captación, según sea el caso, los cuales deben describir detalladamente y en forma precisa la disposición de esta para su conexión al inmueble y acceso a los servicios públicos de telecomunicaciones por parte de los usuarios finales. Para el efecto, los planos emplearán la simbología y nomenclatura estandarizada internacionalmente por las norma IEC.
15. Diseñar y construir la red de alimentación y la red de captación para televisión satelital y utilizarlas sin afectar negativamente el medio ambiente, en especial el entorno de los usuarios, el espectro electromagnético y las garantías de los demás proveedores de servicios, la salud pública, el patrimonio público y el interés general, según lo establecido en la normatividad vigente.
16. Prestar el servicio de mantenimiento o soporte técnico al inmueble en el lugar donde se encuentre instalado el servicio, en los casos en que los usuarios lo requieran y cuando ello aplique. En particular, deberán suministrar de manera permanente el mantenimiento preventivo y correctivo de la red de alimentación, de la red de captación, de los equipos de cabecera de televisión satelital y de todos los elementos y equipos activos o pasivos requeridos por estas redes y realizar las actividades correctivas del caso cuando se trate de fallas en el servicio no imputables al usuario.
17. Reportar a la Superintendencia delegada para la vigilancia de reglamentos técnicos y metrología de la Superintendencia de Industria y Comercio, con copia a la Comisión de Regulación de Comunicaciones, las fallas encontradas en la red interna que impidan una correcta prestación del servicio contratado.
18. <Numeral adicionado por el artículo 3 de la Resolución 4639 de 2014. El nuevo texto es el siguiente:> Los proveedores que prestan su servicio a través de redes de alimentación de cables coaxiales deberán diseñar e instalar la red de distribución de cables coaxiales, cuando la topología seleccionada por el constructor es la de árbol.
19. <Numeral adicionado por el artículo 3 de la Resolución 4639 de 2014. El nuevo texto es el siguiente:> Los proveedores que prestan su servicio a través de redes satelitales deberán diseñar e instalar la red de distribución, la red de dispersión y la red interna de usuario para el acceso a sus servicios por parte de los usuarios. En la instalación de estas redes no podrán modificar ni alterar las demás redes existentes en el inmueble.
20. <Numeral modificado por el artículo 7 de la Resolución 4741 de 2015. El nuevo texto es el siguiente:> Registrar ante la CRC, a través del mecanismo que la Comisión disponga para tal fin, los municipios donde tienen red desplegada y los datos de contacto del área autorizada por el proveedor para certificar el resultado de la consulta e intercambio de información de que trata el numeral 1 del artículo 1.4 del presente reglamento. Dicha certificación debe darse al constructor dentro de los 10 días siguientes a la realización de la consulta, a través del Formato 5 establecido en al Apéndice 1 del presente reglamento.
21. <Numeral adicionado por el artículo 8 de la Resolución 4741 de 2015. El nuevo texto es el siguiente:> Los proveedores que prestan su servicio a través de redes de fibra óptica hasta el usuario deberán diseñar e instalar la red de distribución y la red de dispersión para el acceso a sus servicios. En la instalación de estas redes no podrán modificar ni alterar las demás redes existentes en el inmueble.
<Inciso modificado por el artículo 9 de la Resolución 4741 de 2015. El nuevo texto es el siguiente:> Las obligaciones señaladas en el presente artículo serán objeto de inspección, control y vigilancia por parte de las autoridades competentes establecidas en la ley.
1. Suministrar el mantenimiento preventivo y correctivo de la red interna de telecomunicaciones, incluida la infraestructura que la soporta, luego del vencimiento del período de pruebas a cargo del constructor equivalente al menos seis (6) meses contados a partir de la fecha de entrega del certificado de inspección en el cual se certifique que la red cumple con el Ritel. Luego del vencimiento de dicho período, la copropiedad del inmueble atenderá los requerimientos tanto de los propietarios como de los proveedores de servicios para asegurar el correcto funcionamiento de la red interna de telecomunicaciones. En este sentido, la copropiedad deberá dar solución a las eventuales fallas que se presenten en la red interna que imposibiliten el acceso a los servicios públicos de telecomunicaciones o que degraden su calidad.
2. Incluir particularmente los siguientes componentes de la red interna de telecomunicaciones en el mantenimiento preventivo y correctivo de que trata el numeral anterior:
-- La red de captación y equipos de cabecera de televisión terrestre radiodifundida.
-- Los cables, conectores, gabinetes, regletas, cajas, conductos, canaletas, elementos pasivos y, en general, todos los componentes de las redes de distribución y dispersión construidas por el constructor del inmueble.
-- Todos los componentes de la infraestructura de la edificación de que trata el capítulo 4 del presente Reglamento.
3. Prever la posibilidad de suscribir acuerdos de nivel de servicio –SLA– entre la copropiedad y los proveedores de servicios o terceros. En dichos acuerdos de nivel de servicio se definirán para cada una de las partes los tiempos mínimos de respuesta a daños.
4. Velar por la seguridad de la cámara de entrada al inmueble.
5. Garantizar el libre acceso de los proveedores de servicios a la red interna de la copropiedad sin discriminación de ningún tipo.
6. Respetar el derecho de cada usuario de la copropiedad de elegir libremente al proveedor de servicios de su preferencia.
7. Garantizar el adecuado funcionamiento de la red interna impidiendo la manipulación de la misma por personas que no sean idóneas para ello.
ESPECIFICACIONES TÉCNICAS PARA EL ACCESO A SERVICIOS DE TELECOMUNICACIONES MEDIANTE REDES INALÁMBRICAS.
ARTÍCULO 2.1. OBJETO. En el presente capítulo se establecen las características técnicas que deberá cumplir la red interna de telecomunicaciones de los inmuebles sujetos al régimen de propiedad horizontal para el acceso a los servicios prestados por los proveedores de redes y servicios de telecomunicaciones mediante redes inalámbricas hasta la zona privada de los usuarios, y a los servicios prestados por los proveedores de servicios de radiodifusión sonora y operadores de televisión.
Dichos servicios son prestados mediante la transmisión de señales procedentes de emisiones radioeléctricas terrestres y satelitales, tales como televisión terrestre, televisión por suscripción satelital, radiodifusión sonora y telefonía mediante acceso fijo inalámbrico, entre otros.
El presente capítulo establece el alcance, la estructura de la red interna, las especificaciones técnicas relativas al diseño, instalación y uso de la red interna de telecomunicaciones, y los aspectos de seguridad eléctrica y de compatibilidad electromagnética que debe cumplir la misma en relación con las redes de acceso inalámbrico.
Este capítulo deberá ser aplicado de manera conjunta con las especificaciones técnicas mínimas de las edificaciones en materia de telecomunicaciones (Capítulo 4), que deben cumplir las canalizaciones, salones de equipos y demás elementos de infraestructura que soportan la red interna de telecomunicaciones.
ARTÍCULO 2.2. ALCANCE. Esta norma rige la captación, amplificación y adaptación de señales procedentes de emisiones radioeléctricas terrestres y satelitales, tales como televisión terrestre radiodifundida analógica y digital, televisión por suscripción satelital, radiodifusión sonora, telefonía mediante acceso fijo inalámbrico, entre otros, y su distribución al interior de los inmuebles sujetos al régimen de propiedad horizontal.
Este capítulo no incluye especificaciones técnicas relativas a los sistemas de comunicaciones privadas de los inmuebles, tales como comunicaciones internas de datos, vigilancia, circuito cerrado de televisión, citofonía, sistemas de alarmas y protección, entre otros. Dichas redes deben ser independientes de la red interna de telecomunicaciones.
<Inciso adicionado por el artículo 4 de la Resolución 4639 de 2014. El nuevo texto es el siguiente:> El constructor no está obligado a diseñar ni construir la red interna de telecomunicaciones de cables coaxiales para acceso a la televisión satelital. Sin embargo, el constructor debe prever los espacios correspondientes en la infraestructura soporte. En el diseño y construcción la red interna de telecomunicaciones de cables coaxiales para acceso a la televisión satelital, los operadores de estos servicios deberán cumplir como mínimo con los requisitos establecidos en el presente reglamento.
ARTÍCULO 2.3. ESPECIFICACIÓN DE LA RED INTERNA. El dimensionamiento mínimo de la red interna de telecomunicaciones para el acceso a servicios de telecomunicaciones mediante redes inalámbricas y para la captación, amplificación, o adaptación y distribución de señales de radiodifusión sonora y de televisión procedentes de emisiones terrestres y de satélite, dependerá de los criterios de demanda establecidos en el presente capítulo.
Los parámetros y características técnicas de los materiales empleados en la red interna de telecomunicaciones deben cumplir como mínimo lo especificado en esta sección, pudiendo ser sustituidos por materiales con características técnicas superiores.
2.3.1. Previsión de la demanda
<Numeral modificado por el artículo 5 de la Resolución 4639 de 2014. El nuevo texto es el siguiente:> Por cada PAU se debe instalar un cable coaxial que contenga las señales de televisión abierta radiodifundida.
Para el servicio de televisión satelital, el constructor del inmueble, previa consulta e intercambio de información con los diferentes proveedores de servicios habilitados y con presencia o despliegue de red en la zona en la que se ubicará el inmueble, deberá prever los espacios correspondientes en la infraestructura soporte.
Cuando los servicios de telecomunicaciones se implementan a través de soluciones de accesos inalámbricos, la distribución de la señal desde el gabinete principal superior hasta el área privada del usuario final se debe realizar de acuerdo con las especificaciones y recomendaciones de los proveedores de redes y servicios de telecomunicaciones, y de las especificaciones dadas por los fabricantes de los equipos empleados para este tipo de acceso. En el caso particular del servicio de telefonía, la distribución de la señal hacia los respectivos usuarios se debe realizar empleando la red de distribución y la red de dispersión de cables de pares de cobre, especificadas en el Capítulo III del presente Reglamento. Para ello se deben conectar las salidas del equipo terminal de acceso inalámbrico a las regletas de entrada del gabinete principal inferior ubicado en el salón de equipos de telecomunicaciones inferior, a través de la canalización principal.
2.3.2. Dimensionamiento mínimo de la red de distribución
<Numeral modificado por el artículo 6 de la Resolución 4639 de 2014. El nuevo texto es el siguiente:> En cada punto de distribución se deberá insertar el derivador apropiado para alimentar los puntos de acceso de usuario de cada piso. Los cables coaxiales de la red de distribución podrán ir directamente desde el gabinete principal hasta el punto de acceso del usuario pasando por los gabinetes sin requerir ser abiertos o sin requerir de algún elemento de conexión. Los cables coaxiales que conforman la red de distribución deberán terminar en conectores tipo F en el panel de salida del gabinete principal del inmueble. En todo caso, el dimensionamiento de la red de distribución deberá garantizar los niveles mínimos de calidad en las tomas de conexión de usuario, establecidas para los servicios de televisión analógica y digital en la norma IEC 60728–1–2:2009 (Cable networks for television signals, sound signals and interactive services – Part 1–2: Performance requirements for signals delivered at the system outlet in operation).
2.3.3. Dimensionamiento mínimo de la red de dispersión
Los cables coaxiales de la red de dispersión deberán cubrir como mínimo la demanda prevista de los inmuebles de los usuarios finales. Cada cable de esta red se conectará al puerto correspondiente del derivador que actúa como punto de distribución, ubicado en el gabinete de piso, y que terminarán en el punto de acceso al usuario de cada vivienda, local, oficina o estancia común del inmueble, conectándose al distribuidor encargado de repartir la señal en la red interna de cada usuario.
2.3.4. Dimensionamiento mínimo de la red interna de usuario
<Inciso modificado por el artículo 7 de la Resolución 4639 de 2014. El nuevo texto es el siguiente:> Para el caso de inmuebles de uso residencial se dispondrá como mínimo lo siguiente:
-- Para Viviendas de Interés Social, incluidas las Viviendas de Interés Social Prioritaria se debe instalar una toma de usuario por cada 4 estancias o fracción, excluidos baños y depósitos.
-- Para los demás tipos de viviendas se debe seguir las siguientes reglas:
-- Viviendas ubicadas en Estratos Socioeconómicos 1 y 2: una toma de usuario por cada 4 estancias o fracción, excluidos baños y depósitos.
-- Viviendas ubicadas en Estratos Socioeconómicos 3 y 4: una toma de usuario por cada 2 estancias o fracción, excluidos baños y depósitos, con un mínimo total de dos por vivienda.
-- Viviendas ubicadas en Estratos Socioeconómicos 5 y 6: una toma de usuario por cada estancia, excluidos baños y depósitos, con un mínimo total de dos por vivienda.
Para el caso de inmuebles de uso comercial sometidos al régimen de propiedad horizontal, el número de tomas de usuario se debe fijar en el proyecto de red en función de su superficie o división interior, con un mínimo de una por local u oficina. Cuando no esté definida la distribución de la planta en locales u oficinas, se deberá prever al menos de un punto de acceso al usuario por cada 100 m2 o fracción en el gabinete de piso que dé servicio a dicho piso. Dicho gabinete deberá alojar los elementos de distribución para conectar el número calculado de las tomas de usuario.
Para el caso de bienes comunes<4> o salones de uso comunal, se instalará como mínimo una toma de usuario en cada salón de uso general del inmueble, excluyendo aquellas donde la permanencia habitual de las personas no requiera del acceso a los servicios de telecomunicaciones, radiodifusión sonora y televisión, tales como parqueaderos, depósitos, etc.
<Inciso adicionado por el artículo 8 de la Resolución 4639 de 2014. El nuevo texto es el siguiente:> La red interna de usuario para la distribución de la televisión abierta radiodifundida podrá implementarse en configuración serie o cascada, teniendo en cuenta que se deben garantizar los parámetros de calidad exigidos en el presente reglamento y/o en la normativa asociada a dicho servicio.
2.3.5. Criterios aplicables a los conjuntos de unidades privadas individuales<5>
La red de distribución debe ser similar a la indicada en los anteriores numerales, con la particularidad de que el recorrido vertical de los cables se transforma en horizontal.
En el caso de topología de distribución en árbol con derivadores, los puntos de distribución podrán ubicarse entre dos unidades privadas contiguas, de manera alterna, de tal forma que, desde cada punto de distribución se preste servicio a las dos viviendas adyacentes.
Cuando el número de puntos de acceso al usuario sea menor o igual a 10, se debe instalar un único punto de distribución en el gabinete principal del que partirán los cables coaxiales hacia cada vivienda.
2.3.6. Características funcionales de la red interna de telecomunicaciones
La red interna de telecomunicaciones del inmueble tiene como función la distribución de señales de los servicios de telecomunicaciones, radiodifusión sonora y de televisión procedentes de emisiones terrestres y de satélite, recibidas en las redes de captación, la cual de manera obligatoria deberá satisfacer los requerimientos que se relacionan a continuación:
a) <Literal modificado por el artículo 9 de la Resolución 4639 de 2014. El nuevo texto es el siguiente:> La red de distribución, la red de dispersión y la red interna de usuario para televisión y radiodifusión sonora deberán estar preparadas para permitir la distribución de la señal, de manera transparente, entre el gabinete principal y la toma de usuario en la banda de frecuencias autorizadas para dichos servicios en Colombia.
b) Para los servicios de telecomunicaciones mediante acceso fijo inalámbrico, se debe atender las especificaciones y recomendaciones dadas por el proveedor de redes y servicios de telecomunicaciones y por los fabricantes de los equipos empleados en lo que respecta al diseño y dimensionamiento de la red interna, de manera que se asegure los niveles de calidad de la señal indicados por el fabricante. En el caso particular del servicio de telefonía, los elementos de captación irán situados en la cubierta o azotea de la edificación, introduciéndose en la red interna de telecomunicaciones de la edificación a través del correspondiente elemento pasamuros y la canalización de enlace hasta el salón de equipos de telecomunicaciones superior, donde irán instalados los equipos de recepción y procesado de señales captadas y de donde, a través de la canalización principal de la red interna de telecomunicaciones, partirán los cables de unión con el salón de equipos de telecomunicaciones inferior donde se encuentra el punto de interconexión. La distribución de la señal hacia los respectivos usuarios se debe realizar empleando la red de distribución y la red de dispersión de cables de pares de cobre, especificadas en el Capítulo 3 del presente Reglamento. El diseño, dimensionamiento y construcción de la red de alimentación, que en este caso particular va hasta el punto de interconexión en el salón de equipos de telecomunicaciones inferior, es responsabilidad de los proveedores de redes y servicios de telecomunicaciones;
c) La red interna de telecomunicaciones deberá disponer de los elementos necesarios para proveer en la toma de usuario las señales de radiodifusión sonora y televisión con los niveles de calidad indicados en el numeral 2.3.7. del presente capítulo;
d) <Ver Notas del Editor> <Literal modificado por el artículo 10 de la Resolución 4639 de 2014. El nuevo texto es el siguiente:> La red interna de telecomunicaciones, en especial en lo relacionado con las redes de dispersión e interna de usuario, deberá asegurar una óptima utilización de recursos (cables, ductos, regletas, conectores, tomas de usuario)
e) Se deberá tener en cuenta que mediante el Decreto número 1445 de 1995 que adopta los Planes Técnicos Nacionales de Radiodifusión Sonora en AM y FM, se atribuyó la banda frecuencias de 88 MHz a 108 MHz para la modalidad tecnológica de radiodifusión sonora en FM, con una separación entre canales de 100 kHz, que inicia con el Canal 1 en 88.1 MHz y termina con el Canal 199 en la frecuencia 107.9 MHz. Igualmente se atribuyó la banda de frecuencias de 535 kHz a 1605 kHz para la modalidad de radiodifusión sonora en AM;
f) La red interna de telecomunicaciones deberá tener en cuenta el Plan de Utilización de Frecuencias (PUF) utilizado en el servicio de televisión radiodifundida en la República de Colombia y contenido en el Acuerdo número 003 de 2009 expedido por la CNTV o la norma que la modifique, adicione o sustituya, así como en la Resolución número 2623 de 2009 expedida por el Ministerio de Tecnologías de la Información y las Comunicaciones o la norma que la modifique, adicione o sustituya, según se describe en la Tabla 1.
Tabla 1. Plan de Utilización de Frecuencias
| Canal | Ancho de banda | Banda | |
| Límite inferior (MHz) | Límite superior (MHz) | ||
| 2 | 54 | 60 | I |
| 3 | 60 | 66 | I |
| 4 | 66 | 72 | I |
| 5 | 76 | 82 | II |
| 6 | 82 | 88 | II |
| 7 | 174 | 180 | III |
| 8 | 180 | 186 | III |
| 9 | 186 | 192 | III |
| 10 | 192 | 198 | III |
| 11 | 198 | 204 | III |
| 12 | 204 | 210 | III |
| 13 | 210 | 216 | III |
| 14 | 470 | 476 | IV |
| 15 | 476 | 482 | IV |
| 16 | 482 | 488 | IV |
| 17 | 488 | 494 | IV |
| 18 | 494 | 500 | IV |
| 19 | 500 | 506 | IV |
| 20 | 506 | 512 | IV |
| 21 | 512 | 518 | IV |
| 22 | 518 | 524 | IV |
| 23 | 524 | 530 | IV |
| 24 | 530 | 536 | IV |
| 25 | 536 | 542 | IV |
| 26 | 542 | 548 | IV |
| 27 | 548 | 554 | IV |
| 28 | 554 | 560 | IV |
| 29 | 560 | 566 | IV |
| 30 | 566 | 572 | IV |
| 31 | 572 | 578 | IV |
| 32 | 578 | 584 | IV |
| 33 | 584 | 590 | IV |
| 34 | 590 | 596 | IV |
| 35 | 596 | 602 | IV |
| 36 | 602 | 608 | IV |
| 37 | 608 | 614 | IV |
| 38 | 614 | 620 | IV |
| 39 | 620 | 626 | IV |
| 40 | 626 | 632 | IV |
| 41 | 632 | 638 | V |
| 42 | 638 | 644 | V |
| 43 | 644 | 650 | V |
| 44 | 650 | 656 | V |
| 45 | 656 | 662 | V |
| 46 | 662 | 668 | V |
| 47 | 668 | 674 | V |
| 48 | 674 | 680 | V |
| 49 | 680 | 686 | V |
| 50 | 686 | 692 | V |
| 51 | 692 | 698 | V |
(1) Los canales del 2 al 13 únicamente se utilizan para televisión analógica terrestre radiodifundida. El Acuerdo número 002 de 2012 de la CNTV establece que la fecha límite para el apagón analógico es el 31 de diciembre de 2019, y que dicha fecha podrá ser adelantada por la autoridad competente.
(2) No se incluyen los canales del 52 al 69 que corresponden al llamado “Dividendo Digital”, el cual a partir de 2015 se utilizará para servicios 4G-IMT, de acuerdo con lo establecido en las Resoluciones números 2545 y 2623 de 2009 del Ministerio de Tecnologías de la Información y las Comunicaciones, y en la Resolución número 037 de 2012 de la Agencia Nacional del Espectro. En razón de lo anterior, el sistema de recepción de televisión terrestre radiodifundida debe permitir la recepción de los canales 2 a 51, y excluir los canales 52 al 69 para efectos de evitar en el futuro posibles interferencias de servicios IMT.
(3) Para las transmisiones en canal 6 de VHF, debe controlarse la interferencia que produce a este canal las estaciones de emisoras de FM, según recomendación 73.610 de la FCC.
(4) El canal 37 no se utilizará para el servicio de televisión radiodifundida, toda vez que corresponde a la banda 608-614 MHz atribuida al servicio de radioastronomía.
g) La red interna de telecomunicaciones incluirá todos los elementos necesarios para la captación, adaptación y distribución de las señales de los canales de televisión terrestre radiodifundida que, aun cuando no se encuentren operando en la fecha en que se realizan los proyectos, dispongan del título habilitante y en cuya zona de cobertura prevista esté localizada la edificación;
h) <Ver Notas del Editor> La red Interna de telecomunicaciones, en especial en lo relacionado con las redes de dispersión e interna de usuario, deberá asegurar una óptima utilización de recursos (cables, ductos, regletas, conectores, tomas de usuario). En consecuencia, es obligatorio conectar con un único cable coaxial cada PAU por cada operador de televisión satelital. Este único cable coaxial por PAU deberá tener la mezcla de señales de televisión terrestre radiodifundida y señales de televisión satelital. Un PAU tendrá tantos cables coaxiales de entrada como operadores de televisión satelital atiendan la edificación, siendo lo más común a manera de referencia para el caso colombiano dos cables coaxiales por PAU, dada la presencia en el mercado de dos operadores a la fecha de expedición del presente Reglamento;
i) La red interna de telecomunicaciones deberá estar diseñada e implementada, cumpliendo los aspectos relativos a la seguridad eléctrica y compatibilidad electromagnética, de manera que se satisfaga lo establecido en:
-- El Reglamento Técnico de Instalaciones Eléctricas (RETIE), establecido mediante la Resolución número 181294 de 2008 expedida por el Ministerio de Minas y Energía, y las demás normas que lo deroguen, sustituyan o modifiquen.
-- Norma Técnica Colombiana NTC 2050 Código eléctrico colombiano.
-- La Norma Técnica Colombiana NTC-IEC 61000-1-1, relativa a la compatibilidad electromagnética (CEM).
-- La Norma Técnica Colombiana NTC 5797, Capítulo 8, relativo a compatibilidad electromagnética asociada a accesos y cableados, interconexión equipotencial y apantallamiento, y proyecciones contra descargas atmosféricas. Dicha norma está relacionada con la infraestructura común de telecomunicaciones.
Adicionalmente, para el cumplimiento de las disposiciones anteriores, deberán emplearse como referencia las normas IEC 60728-1 (Cable networks for television signals, sound signals and interactive services - Part 1: System performance of forward paths), IEC 60728-2 (Cable networks for television signals, sound signals and interactive services - Part 2: Electromagnetic compatibility for equipment), IEC 60728-3 (Cable networks for television signals, sound signals and interactive services - Part 3: Active wideband equipment for cable networks), IEC 60728-4 (Cable networks for television signals, sound signals and interactive services - Part 4: Passive wideband equipment for coaxial cable networks), IEC 60728-5 (Cable networks for television signals, sound signals and interactive services - Part 5: Headend equipment), IEC 60728-6 (Cable networks for television signals, sound signals and interactive services - Part 6: Optical equipment), IEC 60728-11 (Cable networks for television signals, sound signals and interactive services - Part 11: Safety) y IEC 60728-12 (Cabled distribution systems for television and sound signals - Part 12: Electromagnetic compatibility of systems).
2.3.7 Niveles de calidad para los servicios de radiodifusión de televisión
De conformidad con el Acuerdo número 003 de 2009 expedido por la CNTV, las señales de televisión analógica radiodifundida deberán cumplir con los valores mínimos de intensidad de campo, en dB (ìV/m) (dB referidos a un microvoltio/metro), en el área de cubrimiento autorizada, establecidos por la Recomendación UIT-R BT417-5:
Tabla 2. Valores mínimos de intensidad de campo de las señales de televisión radiodifundidas<6>
| Banda | I y II | III | IV | V |
| Intensidad de campo | +48 | +55 | +65 | +70 |
Las señales de televisión digital terrestre radiodifundidas deberán cumplir con los valores mínimos de intensidad de campo referidos en la Resolución CRC 4047 de 2012, o aquella que la modifique, sustituya o complemente.
En cualquier caso, las señales distribuidas a cada toma de usuario deberán asegurar un nivel de 57 a 80
para señales de radio y TV en el rango de frecuencias de 54 a 698 MHz. En todo caso, el nivel de la señal obtenido en el receptor de usuario a través de una impedancia interna de 75 ohmios conectado a un cable de 75 ohmios no deberá ser inferior a 1 mV (0 dBm).
La red interna en operación deberá cumplir los requerimientos mínimos de desempeño en la toma de usuario establecidos en la norma IEC 60728-1-2:2009 (Cable networks for television signals, sound signals and interactive services - Part 1-2: Performance requirements for signals delivered at the system outlet in operation). Así mismo, la red interna debe aprobar los requisitos de desempeño establecidos en la norma IEC 60728-1 (Cable networks for television signals, sound signals and interactive services - Part 1: System performance of forward paths).
2.3.8 Elementos de captación
2.3.8.1 Conjunto de elementos para la captación de servicios terrestres
Las antenas y elementos anexos (mástiles, torres, soportes, anclajes, riostras, riendas, tensores y demás elementos necesarios) deberán ser de materiales nuevos y resistentes a la corrosión o tratados convenientemente a estos efectos.
Los mástiles o tubos que sirvan de soporte a las antenas y elementos conexos deberán estar diseñados de forma que se impida, o al menos se dificulte, la entrada de agua en ellos y, en todo caso, se garantice la evacuación de la que se pudiera recoger.
Los mástiles de antena deberán estar conectados a la toma de tierra de la edificación a través del camino más corto posible conforme a las especificaciones técnicas establecidas en el RETIE. Las antenas, torres y sus elementos conexos deberán cumplir las disposiciones de seguridad eléctrica establecidas en dicho reglamento.
La ubicación de los mástiles y torres auto soportadas donde se instalan las antenas deben cumplir con las disposiciones al respecto señaladas en los Planes de Ordenamiento Territorial y/o en los Planes Maestros de Telecomunicaciones establecidos por las administraciones municipales respectivas.
Los mástiles de antenas se fijarán a elementos de fábrica, resistentes y accesibles, y alejados de chimeneas u otros obstáculos.
Las antenas y elementos del sistema captador de señales deberán soportar las cargas de viento calculadas mediante el procedimiento establecido en las Normas Colombianas de Construcción Sismorresistente adoptadas mediante el Decreto número 926 de 2010<7>, o la norma que lo modifique o sustituya.
Los cables de conexión serán del tipo intemperie o en su defecto deberán estar protegidos adecuadamente.
2.3.8.2 Conjunto para la captación de servicios por satélite
El conjunto para la captación de servicios por satélite estará constituido por las antenas con el tamaño adecuado y demás elementos que posibiliten la recepción de señales procedentes de satélite, para garantizar los niveles y calidad de las señales en toma de usuario fijados en la presente norma. Estos equipos estarán ubicados en la parte superior o azotea del inmueble.
Las antenas y elementos del sistema captador de señales deberán soportar las cargas de viento calculadas mediante el procedimiento establecido en las Normas Colombianas de Construcción Sismorresistente adoptadas mediante el Decreto número 926 de 2010 por el cual se establecen los requisitos de carácter técnico y científico para construcciones sismorresistentes NSR-10.
Todas las partes accesibles que deban ser manipuladas o con las que el cuerpo humano pueda establecer contacto deberán estar a potencial de tierra o adecuadamente aisladas.
Con el fin de proteger el sistema de captación y para evitar diferencias de potencial peligrosas entre este y cualquier otra estructura conductora, el sistema de captación deberá permitir la conexión de un conductor, con el sistema de puesta a tierra del inmueble conforme a las especificaciones técnicas establecidas en el RETIE.
2.3.9 Equipo de cabecera
El equipo de cabecera estará compuesto por todos los elementos activos y pasivos encargados de procesar las señales de radiodifusión sonora y televisión. Adicionalmente, deberá satisfacer las especificaciones establecidas en la norma IEC 60728-5 (Cable networks for television signals, sound signals and interactive services - Part 5: Headend equipment).
Todos los equipos conectados directamente a la antena receptora deberán cumplir los requisitos de inmunidad especificados en la norma IEC 60728-2 (Cabled distribution systems for televisión and sound signals - Part 2: Electromagnetic compatibility for equipment).
2.3.10 Cables para las redes de distribución y dispersión y para la red interna de usuario
Los cables que serán utilizados para realizar la instalación de la red interna de telecomunicaciones para la captación, adaptación y distribución de señales de radiodifusión sonora y de televisión procedentes de emisiones terrestres y de satélite deberán cumplir con las especificaciones técnicas que permitan satisfacer los objetivos de calidad especificados en las características funcionales de la red interna, descritas en el numeral 2.3.7 del presente reglamento. Los cables también deberán cumplir con niveles de aislamiento adecuados para evitar interferencias de señales sobre el sistema.
<Inciso modificado por el artículo 11 de la Resolución 4639 de 2014. El nuevo texto es el siguiente:> Para el efecto, se debe cumplir la norma IEC 61196–1 (Coaxial Communication Cables – Part 1: Generic specification – General, definitions and requirements). Para television abierta radiodifundida, se debe cumplir la norma IEC 60966–2–5 (Radio frequency and coaxial cable assemblies – Part 2–5: Detail specification for cable assemblies for radio and TV receivers – Frequency range 0 MHz to 1000 MHz, IEC 61169–2 connectors). Para television satelital, se deben cumplir las normas IEC 60966–2–4 (Radio frequency and coaxial cable assemblies – Part 2–4: Detail specification for cable assemblies for radio and TV receivers – Frequency range 0 MHz to 3000 MHz, IEC 61169–2 connectors) e IEC 60966–2–6 (Radio frequency and coaxial cable assemblies – Part 2–6: Detail specification for cable assemblies for radio and TV receivers – Frequency range 0 MHz to 3000 MHz, IEC 61169–24 connectors).
Los cables a emplear desde el gabinete principal hasta la toma de conexión de usuario serán del tipo RG-11 o RG-6 o de características mecánicas o eléctricas superiores según el caso particular de aplicación. Las características técnicas requeridas de los cables son las siguientes:
-- Un cable coaxial con conductor central de cobre y pantalla de cinta metalizada y trenza de cobre o aluminio con aislante dieléctrico de polietileno celular físico.
-- Impedancia característica media de 75 Ohmios.
-- Pantalla formada por una cinta laminada de aluminio-poliester-aluminio solapada y pegada sobre el dieléctrico.
-- Malla formada por una trenza de alambres de aluminio, cuyo porcentaje de recubrimiento será superior al 75%.
-- Atenuación máxima de 20 dB/100 m a una frecuencia de 800 MHz.
-- Cubierta no propagadora de la llama para instalaciones interiores y de polietileno para instalaciones exteriores.
-- Donde sea necesario, el cable deberá estar dotado con un compuesto antihumedad contra la corrosión, asegurando su estanqueidad longitudinal.
Los extremos de los cables estarán terminados en conectores tipo F para cable coaxial.
2.3.11 Elementos de conexión
<Numeral modificado por el artículo 12 de la Resolución 4639 de 2014. El nuevo texto es el siguiente:> Los elementos de conexión que emplea la red interna de telecomunicaciones de cables coaxiales del inmueble, que parte del gabinete principal donde se conecta con las redes de los proveedores de servicios, se ubican en el gabinete principal, los gabinetes de piso, los puntos de acceso al usuario y la toma de conexión de usuario. Los diferentes elementos de conexión dispondrán de conectores tipo F para cable coaxial conforme a la norma IEC 61169–24 (Radio–frequency connectors – Part 24: Sectional specification – Radio frequency coaxial connectors with screw coupling, typically for use in 75 Ù cable networks (type F)).
Son elementos de conexión indispensables los siguientes:
a) Derivadores: Permiten extraer muestras de la señal que lo atraviesa. Su suministro e instalación es responsabilidad del constructor del inmueble.
b) Repartidor/distribuidor: Divide la potencia de entrada de forma equilibrada entre las salidas. Su suministro e instalación es responsabilidad del constructor del inmueble.
2.3.11.1 Regletas de conexión en el gabinete principal
<Numeral modificado por el artículo 13 de la Resolución 4639 de 2014. El nuevo texto es el siguiente:> El gabinete deberá alojar las regletas o paneles de conexión de los cables coaxiales de entrada de la red de alimentación y de los cables de salida de la red de distribución. El espacio interno del gabinete principal para cables coaxiales deberá permitir la instalación de los elementos de distribución necesarios y de los elementos amplificadores requeridos. Las regletas de entrada y de salida deberán ajustarse a la topología de la red de distribución del inmueble, de conformidad con las siguientes opciones:
a) Red de distribución en estrella. El panel de conexión o regleta de entrada estará constituido por los derivadores necesarios para alimentar la red de distribución de la edificación cuyas salidas dispondrán de conectores tipo F hembra dotados con la correspondiente carga antiviolable. El panel de conexión o regleta de salida estará constituido por los propios cables de la red de distribución de la edificación terminados con conectores tipo F macho.
b) Red de distribución en árbol. El panel de conexión o regleta de entrada y el de salida dispondrán de tantos conectores tipo F hembra (entrada) o macho (salida) como árboles constituyan la red de distribución.
2.3.11.2 Elementos pasivos
<Inciso modificado por el artículo 14 de la Resolución 4639 de 2014. El nuevo texto es el siguiente:> Todos los elementos pasivos utilizados en la red de cables coaxiales para televisión abierta radiodifundida tendrán una impedancia nominal de 75 ohmios, con unas pérdidas de retorno superiores a 10 dB en el margen de frecuencias de funcionamiento de los mismos que, al menos, estará comprendido entre 5 MHz y 950 MHz. Para televisión satelital las pérdidas de retorno de los elementos pasivos deberán ser superiores a 6 dB en el margen de frecuencias comprendido entre 950 MHz y 2.150 MHz.
Todos los puertos de los elementos pasivos dispondrán de conectores tipo F y la base de los mismos dispondrá de un herraje para la fijación del dispositivo en pared. Su diseño será tal que asegure el apantallamiento electromagnético y, en el caso de los elementos pasivos de exterior, la estanquidad del dispositivo.
Todos los elementos pasivos de exterior permitirán el paso y corte de corriente incluso cuando la tapa esté abierta, la cual estará equipada con una junta de neopreno o de poliuretano y de una malla metálica, que aseguren tanto su estanqueidad como su apantallamiento electromagnético. Los elementos pasivos de interior no permitirán el paso de corriente.
2.3.11.3 Cargas tipo F antiviolables
Cilindro formado por una pieza única de material de alta resistencia a la corrosión. El puerto de entrada F tendrá una espiga para la instalación en el puerto F hembra del derivador.
2.3.11.4 Cargas de terminación
La carga de terminación coaxial a instalar en todos los puertos de los derivadores o distribuidores (incluidos los de terminación de línea) que no lleven conectado un cable de acometida será de 75 ohmios de tipo F.
2.3.11.5 Conectores
En toda la red de cables coaxiales se utilizarán conectores de tipo F universal de compresión. Para su armado deberán utilizarse herramientas profesionales.
A manera de ejemplo, la Tabla 3 muestra valores de referencia sobre pérdidas de elementos pasivos utilizados en la red interna de telecomunicaciones.
Tabla 3
Pérdidas de elementos pasivos utilizados en la red interna de telecomunicaciones
| Elemento pasivo | Banda | Pérdida (dB) | ||
| Inserción | Derivación | Distribución | ||
| Mezclador | Terrestre<9> | 4 ± 0.5 | ||
| FI<10> | 4 ± 0.5 | |||
| Repartidor 2 salidas | Terrestre | 4 ± 0.25 | ||
| FI | 5 ± 0.25 | |||
| Repartidor 3 salidas | Terrestre | 6 ± 0.25 | ||
| FI | 7 ± 0.25 | |||
| Derivador | Terrestre | 2 ± 0.25 | 16 ± 0.5 | |
| FI | 3.5 ± 0.25 | 16 ± 0.5 | ||
| PAU | 5 -2150 MHz | 1 ± 0 | ||
| Toma de usuario | Terrestre | 2 ± 0.5 | ||
| FI | 3.5 ± 0.5 | |||
Las especificaciones para elementos pasivos deberán corresponder a las establecidas en la norma IEC 60728-4 (Cable networks for television signals, sound and interactive services - Part 4: Passive wideband equipment for coaxial cable networks).
2.3.11.6 Punto de acceso al usuario
Está formado por un distribuidor inductivo de dos salidas simétrico, en cuya entrada se termina el cable coaxial de la red de dispersión, con sus respectivos conectores, para su posterior conexión a las correspondientes ramas de la red interna de usuario. Los extremos de las diferentes ramas de la red interna de usuario de cables coaxiales se conectarán al divisor simétrico, identificando las tomas de conexión de usuario a las que prestan servicio.
2.3.11.7 Toma de conexión de usuario
<Numeral modificado por el artículo 15 de la Resolución 4639 de 2014. El nuevo texto es el siguiente:> Para televisión abierta radiodifundida, cada una de las salidas de las tomas de conexión de usuario al interior del inmueble del usuario final deberá disponer de un conector tipo F hembra con impedancia de 75
.
2.3.12 Requisitos técnicos de la red interna de telecomunicaciones de cables coaxiales
A efectos de asegurar la señal de televisión en el PAU y en las tomas de conexión de usuario, deberá verificarse la continuidad y atenuación de los cables coaxiales de las redes de distribución y de dispersión del inmueble, y de la red interna de usuario, así como la identificación de las diferentes ramas.
<Inciso modificado por el artículo 16 de la Resolución 4639 de 2014. El nuevo texto es el siguiente:> De manera general, la red interna de telecomunicaciones de cables coaxiales deberá cumplir los requisitos especificados en la familia de normas IEC 60728 (Cable networks for television signals, sound signals and interactive services), así como en las normas IEC 61196–1 (Coaxial Communication Cables – Part 1: Generic specification – General, definitions and requirements) e ISO/IEC 14763–2:2012 (Information technology – Implementation and operation of customer premises cabling – Part 2: Planning and installation). Para televisión abierta radiodifundida, la red interna de telecomunicaciones deberá cumplir con la norma IEC 60966–2–5 (Radio frequency and coaxial cable assemblies – Part 2–5: Detail specification for cable assemblies for radio and TV receivers – Frequency range 0 MHz to 1000 MHz, IEC 61169–2 connectors). Para televisión satelital, la red interna de telecomunicaciones deberá cumplir con la norma IEC 60966–2–6 (Radio frequency and coaxial cable assemblies – Part 2–6: Detail specification for cable assemblies for radio and TV receivers – Frequency range 0 MHz to 3000 MHz, IEC 61169–24 connectors).
ARTÍCULO 2.4. ADMINISTRACIÓN DE LA RED INTERNA DE TELECOMUNICACIONES. La administración del cableado debe cumplir con la norma ISO/IEC 14763-2:2012 (Information technology - Implementation and operation of customer premises cabling - Part 2: Planning and installation).
ARTÍCULO 2.5. SEGURIDAD ELÉCTRICA. La red interna de telecomunicaciones deberá estar diseñada e implementada, cumpliendo los aspectos relativos a la seguridad eléctrica de manera que se satisfaga lo establecido en:
-- El Reglamento Técnico de Instalaciones Eléctricas (RETIE), establecido mediante la Resolución número 181294 de 2008 expedida por el Ministerio de Minas y Energía, y las demás normas que lo deroguen, sustituyan o modifiquen.
-- Norma Técnica Colombiana NTC 2050 Código eléctrico colombiano.
-- La Norma Técnica Colombiana NTC-IEC 61000-1-1, relativa a la compatibilidad electromagnética (CEM).
-- La Norma Técnica Colombia NTC 5797, Capítulo 8, relativo a interconexión equipotencial y apantallamiento, protecciones contra descargas atmosféricas y requisitos de la red de telefonía de usuario.
2.5.1 Interconexión equipotencial y apantallamiento
Cuando se instalen los distintos equipos (gabinetes, bastidores y demás estructuras metálicas accesibles), se deberá crear una red mallada equipotencial que conecte las partes metálicas accesibles de todos ellos entre sí y al anillo de tierra del inmueble.
Todos los cables con portadores metálicos de telecomunicaciones procedentes del exterior del edificio deberán ser apantallados. Para tal efecto, el extremo de su pantalla debe ser conectado a tierra en un punto tan próximo como sea posible de su entrada al salón de equipos de telecomunicaciones que aloja el punto de acceso al inmueble. Todos los cables y elementos apantallados deben cumplir con la norma ISO/IEC 11801:2002 + A1:2008 + A2: 2010(E) (Information technology - Generic cabling for customer premises).
Las puestas a tierra y sus barrajes de conexiones o soldaduras se deben conformar cumpliendo la norma NTC 2050 (Código Eléctrico Colombiano) o la norma IEC 60364-1 (Low-voltage electrical installations - Part 1: Fundamental principles, assessment of general characteristics, definitions). Todas las pantallas de los cables deben ser conectadas o soldadas a los racks o bastidores de los equipos, los cuales a su vez deben ser soldados a la puesta a tierra del inmueble, conforme a la norma ISO/IEC 11801:2002 + A1:2008 + A2: 2010(E) (Information technology - Generic cabling for customer premises). El sistema de tierra del inmueble no debe exceder una diferencia de potencial límite de un (1) voltio RMS entre cualquier par de tierra de la red.
2.5.2 Descargas atmosféricas
Los cables de telecomunicaciones procedentes del exterior deben disponer de dispositivos protectores contra sobretensiones transitorias, conectados al terminal o al anillo de tierra, aplicando las disposiciones previstas por el RETIE para instalaciones eléctricas y la norma NTC 4552-1 (Protección contra descargas eléctricas atmosféricas (rayos). Parte 1: Principios generales). El diseño, suministro, instalación y mantenimiento de estos dispositivos será responsabilidad de los proveedores de servicios.
ARTÍCULO 2.6. COMPATIBILIDAD ELECTROMAGNÉTICA. La red interna de telecomunicaciones deberá estar diseñada e implementada, cumpliendo los aspectos relativos a compatibilidad electromagnética, de manera que se satisfaga lo establecido en:
-- Norma NTC-IEC 61000-1-1 (Compatibilidad Electromagnética (CEM) - Parte 1. Generalidades. Sección 1. Aplicación e interpretación de definiciones y términos fundamentales).
-- Norma NTC 5797, Capítulo 8, en la parte relativa a compatibilidad electromagnética asociada a accesos y cableados.
-- Recomendación UIT-T K.52 adoptada por Colombia mediante Decreto número 195 de 2005, respecto de los límites de exposición de las personas a campos electromagnéticos que deben cumplir los proveedores de servicios.
-- Acuerdo número 003 de 2009 mediante el cual la CNTV estableció las condiciones técnicas a tener en cuenta para prestar los servicios de televisión radiodifundida en la República de Colombia, o normas que lo modifiquen, complementen o sustituyan.
ESPECIFICACIONES TÉCNICAS PARA EL ACCESO A SERVICIOS DE TELECOMUNICACIONES MEDIANTE REDES ALÁMBRICAS.
ARTÍCULO 3.1. OBJETO. En este capítulo se establecen las características técnicas mínimas que deberá cumplir la red interna de telecomunicaciones de los inmuebles sujetos al régimen de propiedad horizontal, destinada a proveer el acceso de los usuarios desde sus inmuebles privados a los servicios de telecomunicaciones mediante redes de acceso alámbricas bajo diferentes tecnologías convergentes disponibles en el mercado. A través de medios de acceso alámbricos, tales como pares de cobre, cables multipares, cables coaxiales y fibra óptica, los usuarios pueden acceder a los servicios de telefonía fija, acceso a internet y televisión, entre otros.
El presente capítulo contiene el alcance, la estructura de la red interna, la especificación de la red interna de pares de cobre, la especificación de la red interna de cables coaxiales y la especificación de la red interna de fibra óptica, así como aspectos relativos a la administración de la red interna, la seguridad eléctrica y la compatibilidad electromagnética.
Esta norma debe ser aplicada de manera conjunta con las especificaciones técnicas mínimas de las edificaciones en materia de telecomunicaciones (Capítulo 4), que deben cumplir las canalizaciones, salones de equipos y demás elementos de infraestructura que soportan la red interna de telecomunicaciones.
ARTÍCULO 3.2. ALCANCE. Este capítulo aplica al acceso de los usuarios finales de inmuebles sujetos al régimen de propiedad horizontal, a los servicios de telecomunicaciones y de televisión prestados por los proveedores de servicios, mediante medios de acceso de redes alámbricas.
Este capítulo no incluye las especificaciones técnicas relativas a los sistemas de comunicaciones privadas de los inmuebles, tales como comunicaciones internas de datos, vigilancia, circuito cerrado de televisión, citofonía, sistemas de alarmas y protección, entre otros. Dichas redes deben ser independientes de la red interna de telecomunicaciones.
ARTÍCULO 3.3. RED INTERNA DE TELECOMUNICACIONES DE PARES DE COBRE. Esta sección está orientada al dimensionamiento de la red interna de telecomunicaciones basada en pares de cobre.
El dimensionamiento mínimo de red interna de telecomunicaciones dependerá de los criterios de demanda de líneas por parte de los usuarios finales, como también de criterios de diseño empleados en prácticas de ingeniería, los cuales se establecen en este artículo.
Los parámetros y características técnicas de los materiales empleados en la red interna de telecomunicaciones deben cumplir como mínimo lo especificado en esta sección, pudiendo ser sustituidos por materiales con características técnicas superiores.
3.3.1 Previsión de la demanda
<Numeral modificado por el artículo 17 de la Resolución 4639 de 2014. El nuevo texto es el siguiente:> Conforme a la norma ISO/IEC 11801:2002 + A1:2008 + A2: 2010(E) (Information technology – Generic cabling for customer premises) y, complementariamente, con lo dispuesto en la norma la NTC 5797 (Telecomunicaciones. Infraestructura común de telecomunicaciones) para aspectos no tratados en la especificación internacional, el cableado horizontal de un inmueble debe estar diseñado para soportar el conjunto más amplio de aplicaciones existentes y emergentes, debiendo por lo tanto proveer la vida operacional más larga posible, de manera tal que se minimice la interrupción y el costo de cablear nuevamente el inmueble. En razón de lo anterior, la red interna deberá ser capaz de atender la demanda de acceso en el inmueble a los servicios de telecomunicaciones a largo plazo, debiéndose por ende realizar una evaluación de las necesidades de telecomunicaciones de sus usuarios.
Se deben aplicar los siguientes criterios para establecer la demanda de líneas de acceso necesarias, las cuales determinan la cantidad de elementos de red requeridos para conformar las redes de distribución y de dispersión, de manera que al punto de acceso al usuario del inmueble de cada usuario final le lleguen los cables necesarios con las señales procedentes del gabinete principal. Los valores establecidos en este numeral son mínimos y de obligatorio cumplimiento.
a) Para viviendas: Una línea por cada vivienda.
b) Para locales u oficinas: Una línea por local u oficina cuando está definida la planta de locales u oficinas. En caso contrario, se deberá dejar un cable en la caja de distribución del piso por cada 100 m2 del piso.
c) Estancias comunes: Una línea por estancia común del inmueble.
La cantidad final de cables que deberá llegar al área privada del usuario final será determinada a criterio del constructor del inmueble, atendiendo como mínimo los criterios establecidos en el presente reglamento.
Se utilizarán cables multipares entre el gabinete principal inferior y el punto de acceso al usuario, pudiéndose admitir soluciones diferentes siempre y cuando sean justificadas adecuadamente en el proyecto.
3.3.2 Dimensionamiento mínimo de la red de distribución
<Numeral modificado por el artículo 18 de la Resolución 4639 de 2014. El nuevo texto es el siguiente:> Conocida la necesidad futura a largo plazo, tanto por piso como para el inmueble total, o estimada dicha necesidad según lo indicado en el numeral anterior, se dimensionará la red de distribución para inmuebles con un solo cableado vertical con base en los siguientes criterios:
a) La cifra de la demanda prevista se multiplicará por el factor 1.4, lo que asegura ocupación máxima de la red del 70% y una reserva suficiente para prever posibles averías de alguna línea o alguna desviación por exceso en la demanda de líneas.
b) Obtenido de esta forma el número teórico de pares, se utilizará el cable normalizado de capacidad igual o superior a dicho valor, o combinaciones de varios cables, teniendo en cuenta que para una distribución racional el cable máximo será de 100 pares, debiendo utilizarse el menor número posible de cables de acuerdo con la Tabla 4.
Tabla 4. Distribución de cables según cantidad de pares de cobre
| Número pares (N) | Número cables | Tipo de cable |
| 25 < N | 1 | 50 pares [1(50p)] |
| 50 < N | 1 | 75 pares [1(75p)] |
| 75 < N | 1 | 100 pares [1(100p)] |
| 100 < N | 2 | 1(100p)+1(25p) o 1(75p)+1(50p) |
| 125 < N | 2 | 1(100p)+1(50p) o 2(75p) |
| 150 < N | 2 | 1(100p)+1(75p) |
| 175 < N | 2 | 2(100p) |
| 200 < N | 3 | 2(100p)+1(25p) o 3(75p) |
| 225 < N | 3 | 2(100p)+1(50p) o 1(100p)+2(75p) |
| 250 < N | 3 | 2(100p)+1(75p) |
| 275 < N | 3 | 3(100p) |
Fuente: NTC 5797 numeral 4.3.
El dimensionamiento de la red de distribución se debe proyectar con cables multipares, cuyos pares estarán todos conectados en las regletas de salida del gabinete principal. En el caso de inmuebles con una red de dispersión de capacidad menor o igual a 30 pares, ésta podrá realizarse con cable de uno o dos pares desde el gabinete principal a cada uno de los pisos para terminar directamente en los puntos de acceso al usuario.
Los puntos de distribución estarán formados por las regletas de conexión ubicadas en los gabinetes de piso, en cantidad suficiente para atender con holgura toda la posible demanda de la planta correspondiente.
El número de regletas necesarias se obtendrá calculando el cociente entero redondeado por encima que resulte de dividir el total de pares del cable o de los cables de distribución entre el número de pisos del inmueble y por la cantidad de pares por regleta a utilizar.
En inmuebles con varios cableados verticales, la red de cada vertical deberá ser tratada como una red de distribución independiente, y se deberá diseñar de acuerdo con lo indicado en los párrafos anteriores.
3.3.3 Dimensionamiento mínimo de la red de dispersión
<Numeral modificado por el artículo 19 de la Resolución 4639 de 2014. El nuevo texto es el siguiente:> Se debe instalar el número necesario de cables para cubrir la demanda prevista en el numeral 3.3.1, multiplicada por el factor 1.4 de manera que la máxima ocupación de la red sea del 70% y se disponga de una reserva suficiente para atender eventuales averías de las líneas o alguna desviación por exceso en la demanda de líneas.
Los cables multipares se conectarán en un extremo a las correspondientes regletas del punto de distribución y, en el otro extremo, terminarán en el conector correspondiente en el punto de acceso de usuario de cada vivienda, local, oficina o estancia común del inmueble.
3.3.4 Dimensionamiento mínimo de la red interna de usuario
<Numeral modificado por el artículo 20 de la Resolución 4639 de 2014. El nuevo texto es el siguiente:> Para el caso de inmuebles de uso residencial se dispondrá como mínimo lo siguiente:
-- Para Viviendas de Interés Social, incluidas las Viviendas de Interés Social Prioritaria se debe instalar una toma de usuario por cada 4 estancias o fracción, excluidos baños y depósitos.
-- Para los demás tipos de viviendas se debe seguir las siguientes reglas:
-- Viviendas ubicadas en Estratos Socioeconómicos 1 y 2: una toma de usuario por cada 4 estancias o fracción, excluidos baños y depósitos.
-- Viviendas ubicadas en Estratos Socioeconómicos 3 y 4: una toma de usuario por cada 2 estancias o fracción, excluidos baños y depósitos, con un mínimo total de dos por vivienda.
-- Viviendas ubicadas en Estratos Socioeconómicos 5 y 6: una toma de usuario por cada estancia, excluidos baños y depósitos, con un mínimo total de dos por vivienda.
Cada salida deberá disponer de dos tomas con conectores hembra considerados en la norma ISO/IEC 11801:2002 + A1:2008 + A2: 2010(E) (Information technology – Generic cabling for customer premises) o ISO/IEC 15018:2004 (Information technology – Generic cabling for homes).
Para el caso de locales u oficinas, el número de salidas se debe fijar en función de su superficie o distribución por estancias, con un mínimo de tres por local u oficina, la cual debe disponer de tomas de conexión de usuario con conectores hembra considerados en la norma ISO/IEC 11801:2002 + A1:2008 + A2: 2010(E) (Information technology – Generic cabling for customer premises) o ISO/IEC 15018:2004 (Information technology – Generic cabling for homes).
3.3.5 Criterios aplicables a los conjuntos de unidades privadas individuales
<Numeral modificado por el artículo 21 de la Resolución 4639 de 2014. El nuevo texto es el siguiente:> En el caso de conjuntos de unidades privadas individuales<13>, la red de alimentación debe llegar a través de la canalización hasta el punto de conexión del inmueble situado en el gabinete principal, del salón de telecomunicaciones único, donde debe terminar en las regletas de entrada.
La red de distribución debe ser similar a la indicada para edificios, con la particularidad de que el recorrido vertical de los cables se transforma en horizontal.
Los puntos de distribución podrán ubicarse entre cada dos viviendas, de manera alterna, de tal forma que desde cada punto de distribución se preste servicio a las dos viviendas adyacentes al punto de distribución.
Cuando el número de pares de la red de distribución sea menor o igual a 15, se debe instalar un único punto de distribución en el gabinete principal del que partirán los cables de distribución hacia cada unidad privada.
3.3.6 Cables para las redes de distribución y de dispersión
<Numeral modificado por el artículo 22 de la Resolución 4639 de 2014. El nuevo texto es el siguiente:> Los cables para uso interior deben estar conformes con la norma NTC 983 (Cables e hilos para bajas frecuencias con aislamiento y cubierta en PVC).
La instalación de los cables se realizará conforme a la especificación ISO/IEC 14763–2:2012 (Information technology – Implementation and operation of customer premises cabling – Part 2: Planning and installation).
Los cables para uso exterior en conjuntos de unidades privadas individuales deberán tener aislamiento de polietileno y estar protegidos para formar un conjunto totalmente estanco. Deben ser seleccionados de acuerdo con la norma NTC 1300 (Telecomunicaciones – Red Externa – Alambres telefónicos de acometida, instalaciones interiores y de cruzada) o la norma NTC 2061–1 (Cables de telecomunicaciones multipares con conductores de cobre, con aislamiento y con cubierta de poliolefina, rellenos y secos), según sea aplicable.
3.3.7 Cables para la red interna de usuario
<Numeral modificado por el artículo 23 de la Resolución 4639 de 2014. El nuevo texto es el siguiente:> Se deberán utilizar cables de pares trenzados de cobre de 4 pares de hilos conductores de cobre con aislamiento individual categoría 6 o superior y cubierta de material no propagador de la llama, libre de halógenos y baja emisión de humos, los cuales deberán cumplir con la norma ISO/IEC 11801:2002 + A1:2008 + A2: 2010(E) (Information technology – Generic cabling for customer premises) y con los requisitos y métodos de ensayo para confirmar dichas propiedades según las normas IEC 60332–1–2 (Tests on electric and optical fibre cables under fire conditions), IEC 61034–2 (Measurement of smoke density of cables burning under defined conditions) e IEC 60754–1 y 60754–2 (Test on gases evolved during combustion of materials from cables).
3.3.8 Elementos de conexión
Los conectores se utilizan en el punto de acceso al inmueble en el gabinete principal, en los gabinetes de piso, en los puntos de acceso al usuario y en las tomas de usuario. Deben estar diseñados entre otros aspectos, para proveer un medio de identificación para la instalación y administración del cableado, para servir como acceso para monitorear o probar cables y equipos, para proteger contra daños físicos y contaminantes y para apantallamiento y soldaduras.
De manera general, los conectores deben cumplir los requerimientos de desempeño establecidos en la norma ISO/IEC 11801:2002 + A1:2008 + A2:2010(E) (Information technology - Generic cabling for customer premises) en cuanto a condiciones ambientales, condiciones de operación, montaje, práctica de instalación, rotulado e identificación y características mecánicas y eléctricas, y complementariamente, y los requerimientos establecidos en la norma IEC 60603-7 (serie), NTC 3605 (Especificaciones técnicas de módulos terminales de conexión por desplazamiento del aislamiento (IDC) para redes de planta externa) y NTC 3681 “Electrotecnía. Especificaciones de conectores para empalme de conductores de cables telefónicos” para aspectos no tratados en la especificación internacional. Dichos requerimientos aplican a las tomas de usuario, a los paneles de conexión, a los conectores de los puntos de consolidación, a los empalmes y a las cruzadas. Todos los requerimientos aplican para un rango de temperatura de -10oC a 60oC.
La identificación se deberá realizar de acuerdo con lo dispuesto en la norma ISO/IEC 14763-2:2012 (Information technology - Implementation and operation of customer premises cabling - Part 2: Planning and installation).
3.3.8.1 Regletas de conexión en el gabinete principal
<Numeral modificado por el artículo 24 de la Resolución 4639 de 2014. El nuevo texto es el siguiente:> El gabinete principal debe alojar las regletas o paneles de conexión de los cables de entrada de la red de alimentación y de los cables de salida de la red de distribución del inmueble. Para redes de pares de cobre, existen los siguientes tipos de regletas en el gabinete principal:
a) Regletas o paneles de conexión de entrada. Los pares de las redes de alimentación terminan en las regletas de entrada, las cuales deberán ser independientes para cada proveedor de servicios y deberán ser diseñadas, suministradas e instaladas por dichos proveedores. Estas regletas deben cumplir con lo establecido en la norma NTC 3605 (Especificaciones técnicas de módulos terminales de conexión por desplazamiento de aislamiento (IDC) para redes de planta externa).
b) Regletas o paneles de conexión de salida. Las regletas de salida donde terminan los cables individuales de pares o los cables multipares de la red de distribución del inmueble estarán constituidas por un bloque de material aislante provisto de un número variable de terminales. El número total de pares de contactos y de pares de cable de salida debe ser mínimo de dos por unidad habitacional.
La capacidad de cada regleta será de 10 pares. Cada uno de los terminales de las regletas deberá disponer de un lado preparado para conectar los conductores de cable, y el otro lado deberá permitir conectar los cables de cruzada. El sistema de conexión deberá ser por desplazamiento de aislante, y se realizará la conexión mediante herramienta especial apropiada. Deberán disponer de la facilidad de toma de mediciones en ambos lados sin levantar las conexiones.
Las regletas de salida deberán ser suministradas e instaladas por el constructor o propietario del inmueble, y deberán cumplir los requisitos físicos, mecánicos, eléctricos, ambientales, de uso externo y los procedimientos de ensayo establecidos en la norma NTC 3605 (Especificaciones técnicas de módulos terminales de conexión por desplazamiento de aislamiento (IDC) para redes de planta externa). Los elementos metálicos deberán cumplir con las exigencias de resistencia a la corrosión establecidas en la norma IEC 60068–2–11:1981 (Environmental testing–Part 2: Tests. Test Ka: Salt mist).
La unión entre los pares de conectores de las regletas de entrada y de las regletas de salida se realizará mediante cables de cruzada, los cuales deben cumplir con lo establecido en la norma NTC 1300 (Telecomunicaciones – Red Externa – Alambres telefónicos de acometida, instalaciones interiores y de cruzada). Dichos cables de cruzada deberán ser suministrados e instalados por los respectivos proveedores de servicios.
Todos los pares tanto de entrada como de salida deberán estar debidamente identificados de acuerdo con lo establecido en la norma ISO/IEC 14763–2:2012 (Information technology – Implementation and operation of customer premises cabling – Part 2: Planning and installation).
3.3.8.2 Regletas de conexión en los gabinetes de piso
<Numeral modificado por el artículo 25 de la Resolución 4639 de 2014. El nuevo texto es el siguiente:> El gabinete de piso contiene las regletas de conexión en las que terminan, por un lado, los pares de la red de distribución y, por el otro, los cables de la red de dispersión. Alternativamente, en redes internas de pequeña capacidad, los pares que se conectan directamente a las regletas de salida del gabinete principal se instalan directamente desde dicho gabinete hasta el punto de acceso al usuario con una topología en estrella, pasando por las cajas de distribución hacia la red de dispersión sin requerir abrirlos para conectarlos a una regleta. En este último caso se debe dejar una longitud suficiente de cable de reserva en bucle en el interior del gabinete, de manera que permita conectar el punto de acceso al usuario más alejado del piso en cuestión. El diseño, dimensionamiento, suministro e instalación de los gabinetes de piso junto con sus elementos de conexión son responsabilidad del constructor del inmueble.
Las regletas deberán cumplir con la norma NTC 3605 (Especificaciones técnicas de módulos terminales de conexión por desplazamiento de aislamiento (IDC) para redes de planta externa). La capacidad de cada regleta será de 10 pares. El sistema de conexión será por desplazamiento de aislante, y se realizará la conexión mediante herramienta especial apropiada. Deberán disponer de la facilidad de toma de mediciones en ambos lados sin levantar las conexiones. Todos los pares tanto de entrada como de salida deberán estar debidamente identificados, conforme a los procedimientos de marcación establecidos en la norma ISO/IEC 14763–2:2012 (Information technology – Implementation and operation of customer premises cabling – Part 2: Planning and installation).
3.3.8.3 Punto de acceso al usuario
<Numeral modificado por el artículo 26 de la Resolución 4639 de 2014. El nuevo texto es el siguiente:> Cada uno de los cables de la red de dispersión deberá terminar en un conector hembra miniatura de ocho vías considerados en la norma ISO/IEC 11801:2002 + A1:2008 + A2: 2010(E) (Information technology – Generic cabling for customer premises) o ISO/IEC 15018:2004 (Information technology – Generic cabling for homes), que servirá como punto de acceso al usuario de cada vivienda, local, oficina o estancia común. Los dos hilos de los cables de pares se conectarán en los contactos 4 y 5 del conector referido. El conector deberá cumplir con lo especificado en la norma ISO/IEC 11801:2002 + A1:2008 + A2: 2010(E) (Information technology – Generic cabling for customer premises) y en la norma ISO/IEC 15018:2004 (Information technology – Generic cabling for homes).
Desde el punto de acceso de usuario, donde terminan los cables de dispersión con conectores hembra, partirán los cables de la red interna de usuario hacia las tomas de conexión de usuario. Dichos cables deberán terminar en el punto de acceso al usuario en conectores macho miniatura de ocho vías considerados en la norma ISO/IEC 11801:2002 + A1:2008 + A2: 2010(E) (Information technology – Generic cabling for customer premises) o ISO/IEC 15018:2004 (Information technology – Generic cabling for homes).
3.3.8.4 Toma de conexión de usuario
Cada una de las salidas de tomas de conexión de usuario al interior del inmueble del usuario final, deberá disponer de uno o varios conectores hembra miniatura de ocho vías (considerados en la norma ISO/IEC 11801:2002 + A1:2008 + A2:2010(E) (Information technology - Generic cabling for customer premises) en los que deberán terminar los extremos de los cables de pares de la red interna de usuario. Dichos conectores deberán cumplir con lo especificado la norma ISO/IEC 11801:2002 + A1:2008 + A2:2010(E) (Information technology - Generic cabling for customer premises).
3.3.9 Requisitos técnicos de la red interna de telecomunicaciones de pares de cobre
De manera general, la red interna de telecomunicaciones de pares de cobre deberá cumplir los requisitos especificados en las normas ISO/IEC 11801:2002 + A1:2008 + A2:2010(E) (Information technology - Generic cabling for customer premises), ISO/IEC 14763-2:2012 (Information technology - Implementation and operation of customer premises cabling - Part 2: Planning and installation). Igualmente deberá cumplir con los requisitos eléctricos de la red de telefonía de usuario establecidos en la norma NTC 5797 (Telecomunicaciones - Infraestructura Común de Telecomunicaciones).
ARTÍCULO 3.4. RED INTERNA DE TELECOMUNICACIONES DE CABLES COAXIALES. Esta sección está orientada al dimensionamiento de la red interna de telecomunicaciones basada en cables coaxiales.
El dimensionamiento mínimo de red interna de telecomunicaciones dependerá de los criterios de demanda de líneas de acceso por parte de los usuarios finales, como también de criterios de diseño empleados en prácticas de ingeniería, los cuales se establecen en este artículo.
Los cables coaxiales parten desde el gabinete principal inferior con destino a las tomas de usuario ubicadas en las unidades privadas del inmueble. La estructura de la red interna de cables coaxiales podrá ser de tipo estrella con centro en el gabinete principal inferior en edificaciones con un número de puntos de acceso al usuario no superior a 20 o de tipo árbol con derivadores, con raíz en el gabinete principal inferior del inmueble, cualquiera sea el número de puntos de acceso al usuario del inmueble. Independientemente de la estructura de red interna seleccionada, el constructor del inmueble debe garantizar los niveles de calidad de las señales en las tomas de usuario establecidas en el presente Reglamento.
Los parámetros y características técnicas de los materiales empleados en la red interna de telecomunicaciones deben cumplir como mínimo lo especificado en esta sección, pudiendo ser sustituidos por materiales con características técnicas superiores.
3.4.1 Previsión de la demanda
El dimensionamiento mínimo de la red interna de telecomunicaciones debe basarse en la previsión de la demanda de cables coaxiales por unidad privada (vivienda, local, oficina) o estancia común del inmueble. Cada acometida de cable coaxial estará constituida por un cable coaxial. Se deben aplicar los siguientes criterios para establecer la demanda de líneas de acceso necesarias, las cuales determinan la cantidad de elementos de red requeridos para conformar las redes de distribución y de dispersión de manera que al punto de acceso al usuario del inmueble de cada usuario final le lleguen los cables necesarios con las señales procedentes del gabinete principal inferior:
a) Para viviendas: Una línea de cable coaxial por cada vivienda;
b) Para locales u oficinas: Una línea de cable coaxial por local u oficina cuando está definida la planta de locales u oficinas. En caso contrario, se deberá dejar un cable en la caja de distribución del piso por cada 100 m2 del piso;
c) Estancias comunes: Dos líneas de cable coaxial por estancia común del inmueble.
Los valores establecidos en este numeral son mínimos y de obligatorio cumplimiento.
La cantidad final de cables que deberá llegar al área privada del usuario final será determinada a criterio del constructor del inmueble, atendiendo como mínimo los criterios establecidos en el presente capítulo.
3.4.2 Dimensionamiento mínimo de la red de distribución
La red de distribución de los edificios de un solo cableado vertical se implementará con cables coaxiales para atender la demanda prevista en el numeral anterior<13>, los cuales saldrán del gabinete principal inferior ubicado en el salón de equipos de telecomunicaciones, con destino a los gabinetes de los diferentes pisos del inmueble para distribuir las señales hacia los usuarios finales de cada piso. La red de distribución de cables coaxiales se puede implementar a través de 2 topologías:
a) Red de distribución en estrella. En el panel de salida del gabinete principal inferior los cables serán terminados en un conector tipo F, mientras que en los PAU se conectarán a los distribuidores de cada usuario en los mismos. Los cables coaxiales de la red de distribución irán directamente desde el gabinete principal inferior hasta cada uno de los PAU de la edificación, pasando por los gabinetes de piso sin ser abiertos o sin requerir algún elemento de conexión. Estos múltiples cables coaxiales forman parte de la red interna de telecomunicaciones de la edificación y constituyen una red de distribución única, disponible para cualquier proveedor de servicios y de obligatoria utilización para ellos;
b) Red de distribución en árbol. Esta red se realizará con un único cable coaxial por cada proveedor de servicios que atienda al inmueble, el cual saldrá del gabinete principal inferior y terminará en el último gabinete de piso. En cada gabinete de piso se insertará el derivador apropiado para alimentar los PAU de cada piso. En el panel de salida del gabinete principal inferior, el cable coaxial que constituye la red de distribución será terminado en un conector tipo F.
El dimensionamiento de la red de distribución deberá garantizar los niveles mínimos de señal en las tomas de conexión de usuario, establecidas para los servicios de televisión analógica y digital en el Capítulo 2 del presente reglamento.
En inmuebles con varios cableados verticales la red de cada vertical deberá ser tratada como una red de distribución independiente, y se deberá diseñar de acuerdo con lo indicado en el párrafo anterior.
<Inciso adicionado por el artículo 27 de la Resolución 4639 de 2014. El nuevo texto es el siguiente:> Cuando la red de distribución se implemente en árbol, su diseño y construcción será responsabilidad de cada proveedor de servicios
3.4.3 Dimensionamiento mínimo de la red de dispersión
Los cables coaxiales de la red de dispersión deberán cubrir como mínimo la demanda prevista de los inmuebles de los usuarios finales. Cada cable de esta red se conectará al puerto correspondiente del derivador que actúa como punto de distribución, ubicado en el gabinete de piso, y terminará en el punto de acceso al usuario de cada vivienda, local, oficina o estancia común del inmueble, conectándose al distribuidor encargado de repartir la señal en la red interna de cada usuario.
3.4.4 Dimensionamiento mínimo de la red interna de usuario
<Inciso modificado por el artículo 28 de la Resolución 4639 de 2014. El nuevo texto es el siguiente:> Para el caso de inmuebles de uso residencial se dispondrá como mínimo lo siguiente:
-- Para Viviendas de Interés Social, incluidas las Viviendas de Interés Social Prioritaria se debe instalar una toma de usuario por cada 4 estancias o fracción, excluidos baños y depósitos.
-- Para los demás tipos de viviendas se debe seguir las siguientes reglas:
-- Viviendas ubicadas en Estratos Socioeconómicos 1 y 2: una toma de usuario por cada 4 estancias o fracción, excluidos baños y depósitos.
-- Viviendas ubicadas en Estratos Socioeconómicos 3 y 4: una toma de usuario por cada 2 estancias o fracción, excluidos baños y depósitos, con un mínimo total de dos por vivienda.
-- Viviendas ubicadas en Estratos Socioeconómicos 5 y 6: una toma de usuario por cada estancia, excluidos baños y depósitos, con un mínimo total de dos por vivienda.
Para el caso de locales u oficinas, el número de tomas de usuario se debe fijar en el proyecto de red en función de su superficie o división interior, con un mínimo de una por local u oficina. Cuando no esté definida la distribución de la planta en locales u oficinas, se deberá prever al menos de un punto de acceso al usuario por cada 100 m2 o fracción en la caja de distribución que dé servicio a dicho piso. En dicho punto se deberán alojar en su interior los elementos de distribución para conectar el número calculado de las tomas de usuario.
Para el caso de estancias comunes, se instalará como mínimo una toma de usuario en cada estancia común de uso general del inmueble, excluyendo aquellas donde la permanencia habitual de las personas no requiera de los servicios de telecomunicaciones, tales como parqueaderos, depósitos, etc.
3.4.5 Criterios aplicables a los conjuntos de unidades privadas individuales
En el caso de conjuntos de unidades privadas individuales, la red de alimentación debe llegar a través de la canalización hasta el punto de conexión del inmueble situado en el gabinete principal del salón de telecomunicaciones único, donde debe terminar en las regletas de entrada.
La red de distribución debe ser similar a la indicada para edificios, con la particularidad de que el recorrido vertical de los cables se transforma en horizontal.
En el caso de topología de distribución en árbol con derivadores, los puntos de distribución podrán ubicarse entre dos viviendas contiguas de manera alterna, de tal forma que desde cada punto de distribución se preste servicio a las dos viviendas adyacentes.
Cuando el número de puntos de acceso al usuario sea menor o igual a 10, se debe instalar un único punto de distribución en el gabinete principal del que partirán los cables coaxiales hacia cada vivienda.
3.4.6 Cables para las redes de distribución y dispersión y para la red interna de usuario
Los cables que deberán ser utilizados en la red interna de telecomunicaciones para el acceso mediante cables coaxiales a los servicios de telecomunicaciones deberán cumplir con las especificaciones técnicas que permitan satisfacer los objetivos de calidad especificados en las características funcionales y en las características técnicas de la red.
Los cables deben cumplir las normas técnicas internacionales IEC 61196-1 (Coaxial Communication Cables - Part 1: Generic specification - General, definitions and requirements), IEC 60966-2-5 (Radio frequency and coaxial cable assemblies - Part 2-5: Detail specification for cable assemblies for radio and TV receivers - Frequency range 0 MHz to 1000 MHz, IEC 61169-2 connectors).
Los cables a emplear desde el gabinete principal hasta la toma de conexión de usuario deberán ser del tipo RG-11 o RG-6 o de características mecánicas o eléctricas superiores según el caso particular de aplicación. Las características técnicas requeridas de los cables son las siguientes:
-- Cable coaxial con conductor central de acero recubierto de cobre con aislante dieléctrico de polietileno celular físico.
-- Impedancia característica media de 75 Ohmios.
-- Pantalla formada por una cinta laminada de aluminio-poliester-aluminio solapada y pegada sobre el dieléctrico.
-- Malla formada por una trenza de alambre de aluminio, cuyo porcentaje de recubrimiento será superior al 75%.
-- Atenuación máxima de 20 dB/100 m a una frecuencia de 800 MHz.
-- Cubierta no propagadora de la llama para instalaciones interiores y de polietileno para instalaciones exteriores.
-- Los cables para uso exterior en conjuntos de unidades privadas individuales deberán estar dotados con un compuesto antihumedad contra la corrosión, asegurando su estanqueidad longitudinal.
Los extremos de los cables estarán terminados en conectores tipo F para cable coaxial.
3.4.7 Elementos de conexión
Los elementos de conexión que emplea la red interna de telecomunicaciones de cables coaxiales del inmueble, que parte del gabinete principal donde se conecta con las redes de alimentación de los proveedores de servicios, se ubican en el gabinete principal, los gabinetes de piso, los puntos de acceso al usuario y la toma de conexión de usuario. Los diferentes elementos de conexión deberán disponer de conectores tipo F para cable coaxial conforme a la norma IEC 61169-24 (Radio-frequency connectors - Part 24: Sectional specification - Radio frequency coaxial connectors with screw coupling, typically for use in 75
cable networks (type F)).
3.4.7.1 Regletas de conexión en el gabinete principal
El gabinete deberá alojar las regletas o paneles de conexión de los cables coaxiales de entrada de la red de alimentación y de los cables de salida de la red de distribución. El espacio interno del gabinete principal para cables coaxiales deberá permitir la instalación de los elementos de distribución necesarios y de los elementos amplificadores requeridos. Las regletas de entrada y de salida deberán ajustarse a la topología de la red de distribución del inmueble. Para las regletas de conexión en el gabinete principal, se deben seguir, utilizar los siguientes requerimientos, dependiendo del tipo de topología utilizada en la red de distribución:
a) Red de distribución en estrella. El panel de conexión o regleta de entrada estará constituido por los derivadores necesarios para alimentar la red de distribución del inmueble cuyas salidas dispondrán de conectores tipo F hembra dotados con la correspondiente carga antiviolable. El panel de conexión o regleta de salida estará constituido por los propios cables de la red de distribución de la edificación terminados con conectores tipo F macho;
b) Red de distribución en árbol. El panel de conexión o regleta de entrada y el de salida dispondrán de tantos conectores tipo F hembra (entrada) o macho (salida) como árboles constituyan la red de distribución.
3.4.7.2 Elementos pasivos
<Inciso modificado por el artículo 29 de la Resolución 4639 de 2014. El nuevo texto es el siguiente:> Todos los elementos pasivos utilizados en la red de cables coaxiales tendrán una impedancia nominal de 75 ohmios, con unas pérdidas de retorno superiores a 10 dB en el margen de frecuencias de funcionamiento de los mismos que, al menos, estará comprendido entre 5 MHz y 950 MHz, y estarán diseñados de forma que permitan la transmisión de señales en ambos sentidos simultáneamente.
Todos los puertos de los elementos pasivos dispondrán de conectores tipo F y la base de los mismos dispondrá de un herraje para la fijación del dispositivo en pared. Su diseño será tal que asegure el apantallamiento electromagnético y, en el caso de los elementos pasivos de exterior, la estanquidad del dispositivo.
Todos los elementos pasivos de exterior permitirán el paso y corte de corriente incluso cuando la tapa esté abierta, la cual estará equipada con una junta de neopreno o de poliuretano y de una malla metálica, que aseguren tanto su estanqueidad como su apantallamiento electromagnético. Los elementos pasivos de interior no permitirán el paso de corriente.
Las especificaciones para elementos pasivos corresponden a las establecidas en la norma IEC 60728-4 (Cable networks for television signals, sound and interactive services – Part 4: Passive wideband equipment for coaxial cable networks).
3.4.7.3 Cargas tipo F antiviolables
Cilindro formado por una pieza única de material de alta resistencia a la corrosión. El puerto de entrada F tendrá una espiga para la instalación en el puerto F hembra del derivador.
3.4.7.4 Cargas de terminación
La carga de terminación coaxial a instalar en todos los puertos de los derivadores o distribuidores (incluidos los de terminación de línea) que no lleven conectado un cable de acometida será una carga de 75 ohmios de tipo F.
3.4.7.5 Conectores
En toda la red de cables coaxiales se utilizarán conectores de tipo F universal de compresión. Para su armado deberán utilizarse herramientas profesionales.
3.4.7.6 Punto de acceso al usuario
El punto de acceso al usuario estará formado por un distribuidor inductivo de dos salidas simétrico, en cuya entrada se deberá terminar el cable coaxial de la red de dispersión con sus respectivos conectores, para su posterior conexión a las correspondientes ramas de la red interna de usuario. Los extremos de las diferentes ramas de la red interna de usuario de cables coaxiales se conectarán al divisor simétrico, identificando las tomas de conexión de usuario a las que prestan servicio.
3.4.7.7 Toma de conexión de usuario
Cada una de las salidas de las tomas de conexión de usuario al interior del inmueble del usuario final deberá disponer de uno o varios conectores tipo F hembra con impedancia de 75
.
3.4.8 Requisitos técnicos de la red interna de telecomunicaciones de cables coaxiales
Se deberá verificar la continuidad y atenuación de los cables coaxiales de las redes de distribución y de dispersión de la edificación, y de la red interna de usuario de unidades privadas del inmueble, así como la identificación de las diferentes ramas, a efectos de asegurar la recepción de señal en el punto de acceso al usuario y en las tomas de conexión de usuario.
De manera general, la red interna de telecomunicaciones de cables coaxiales para distribución de señales de televisión<14> deberá cumplir los requisitos especificados en la familia de normas IEC 60728 (Cable networks for television signals, sound signals and interactive services), en las normas IEC 61196-1 (Coaxial Communication Cables - Part 1: Generic specification - General, definitions and requirements), IEC 60966-2-5 (Radio frequency and coaxial cable assemblies - Part 2-5: Detail specification for cable assemblies for radio and TV receivers - Frequency range 0 MHz to 1000 MHz, IEC 61169-2 connectors) e ISO/IEC 14763-2:2012 (Information technology - Implementation and operation of customer premises cabling - Part 2: Planning and installation).
ARTÍCULO 3.5. RED INTERNA DE TELECOMUNICACIONES DE FIBRA ÓPTICA. Esta sección está orientada al dimensionamiento de la red interna de telecomunicaciones basada en cables de fibra óptica. Las opciones de cableado de edificaciones con fibra óptica previstas en este artículo son las denominadas “fibra hasta el edificio –FTTB–” y “fibra hasta el hogar/oficina –FTTH–”, como se ilustra en la siguiente gráfica.
Gráfico 2. Esquemas FTTH y FTTB

El dimensionamiento mínimo de red interna de telecomunicaciones dependerá de los criterios de demanda de líneas de acceso por parte de los usuarios finales, como también de criterios de diseño empleados en prácticas de ingeniería, los cuales se establecen en este apartado.
Los parámetros y características técnicas de los materiales empleados en la red interna de telecomunicaciones deben cumplir como mínimo lo especificado en esta sección, pudiendo ser sustituidos por materiales con características técnicas superiores.
3.5.1 Previsión de la demanda
El dimensionamiento mínimo de la red interna de telecomunicaciones de cables de fibra óptica debe basarse en la previsión de la demanda de líneas de fibra óptica por unidad privada (vivienda, local, oficina) o estancia común del inmueble, la cual se debe determinar con base en los criterios establecidos en el presente artículo. Cada línea estará constituida por un par de fibras ópticas, debiéndose aplicar los siguientes criterios para establecer la demanda de líneas de acceso necesarias, las cuales determinan la cantidad de elementos de red requeridos para conformar las redes de distribución y de dispersión, de manera que al punto de acceso al usuario del inmueble de cada usuario final le lleguen los cables necesarios con las señales procedentes del gabinete principal:
a) Viviendas: Una línea óptica para cada vivienda;
b) Locales u oficinas en inmuebles de viviendas: Una línea óptica por local u oficina cuando está definida la planta de locales u oficinas. En caso contrario se deberá dejar una línea óptica en la caja de distribución del piso por cada 33 m2 de áreas útiles del piso;
c) Locales comerciales u oficinas en edificaciones destinadas fundamentalmente a este fin: Cuando no esté definida la distribución y ocupación o actividad de la superficie, se debe utilizar como base de diseño la consideración de una línea óptica por cada 33 m2 o fracción de la estancia correspondiente;
d) Estancias comunes: Dos líneas ópticas por estancia común del inmueble.
Los valores establecidos en este numeral son mínimos y de obligatorio cumplimiento.
La cantidad final de líneas ópticas que llegarán a la unidad privada del usuario final deberá ser determinada a criterio del constructor del inmueble, atendiendo como mínimo los criterios establecidos en el presente artículo.
3.5.2 Dimensionamiento mínimo de la red de distribución
La red de distribución se deberá dimensionar a partir de la demanda de acometidas ópticas estimada tanto para cada unidad privada (vivienda, local, oficina) y estancia común del inmueble, determinada según los criterios del numeral anterior.
La red de distribución para inmuebles con un solo cableado vertical se dimensionará con base en los siguientes criterios:
a) La cifra de la demanda prevista se multiplicará por el factor 1.4<15>, lo que asegura ocupación máxima de la red del 70% y una reserva suficiente para prever posibles daños en alguna fibra o alguna desviación por exceso en la demanda;
b) Obtenido de esta forma el número nominal de pares de fibras, se utilizará el cable normalizado de múltiples fibras de capacidad igual o superior a dicho valor, o combinaciones de varios cables. Las fibras sobrantes se deberán distribuir en proporción a la cantidad de líneas ópticas previstas por piso y deberán quedar disponibles en los gabinetes de piso para su uso futuro. Cuando la demanda del inmueble sea inferior a 15 pares de fibra, la red de distribución y la red de dispersión se podrán implementar con cables de dos fibras ópticas directamente desde el gabinete principal, del cual saldrán dichos cables directamente hacia los puntos de acceso al usuario, pasando por los gabinetes de piso sin requerir abrirlos.
En inmuebles con varios cableados verticales, la red de cada vertical deberá ser tratada como una red de distribución independiente, y se deberá diseñar de acuerdo con lo indicado en los párrafos anteriores.
3.5.3 Dimensionamiento mínimo de la red de dispersión
Se instalarán los cables de fibra óptica que sean necesarios para atender la demanda prevista en cada unidad privada del inmueble, y terminarán en el punto de acceso al usuario de cada vivienda en la caja terminal de fibra óptica.
Los cables de fibra óptica de la red de dispersión se conectarán en un extremo a las correspondientes regletas del punto de distribución ubicado en el gabinete de piso y, en el otro extremo, terminarán en el conector correspondiente en el punto de acceso de usuario.
Cuando la red interna emplee cables de dos fibras ópticas, la red de dispersión corresponde a una prolongación de la red de distribución, cuyas fibras se conectan en un extremo a las regletas de salida del gabinete principal y en el otro a los conectores correspondientes en el punto de acceso al usuario de cada unidad privada o estancia común del inmueble, pasando por los gabinetes de piso sin necesidad de que sean abiertos en este punto.
3.5.4 Dimensionamiento mínimo de la red interna de usuario
La red interna de usuario para redes internas de telecomunicaciones de fibra óptica es la misma red interna de usuario para redes internas de telecomunicaciones de pares de cobre. En consecuencia los criterios para su dimensionamiento corresponderán a los establecidos en el numeral 3.3.4 del presente capítulo.
3.5.5 Criterios aplicables a los conjuntos de unidades privadas individuales
En el caso de conjuntos de unidades privadas individuales, la red de alimentación debe llegar a través de la canalización hasta el punto de conexión del inmueble situado en el gabinete principal del salón de telecomunicaciones único, donde debe terminar en las regletas de entrada.
La red de distribución deberá ser similar a la indicada para inmuebles con cableados verticales, con la particularidad de que el recorrido vertical de los cables se transforma en horizontal.
Los puntos de distribución podrán ubicarse de manera alternada entre dos unidades privadas contiguas, de tal forma que desde cada punto de distribución se preste servicio a las dos unidades privadas adyacentes.
Cuando el número de puntos de acceso al usuario a los que atiende la red de distribución sea menor o igual a 15, la red de distribución y la red de dispersión se podrán implementar con cables de acometida de dos fibras ópticas directamente desde el gabinete principal, desde donde saldrán los cables de la red de distribución hasta el punto de acceso al usuario de cada unidad privada o estancia común del inmueble.
3.5.6 Cables de fibra óptica para la red de distribución y la red de dispersión
De manera general, los cables de fibra óptica deben cumplir los requisitos establecidos en la norma ISO/IEC 11801:2002 + A1:2008 + A2: 2010(E) (Information technology - Generic cabling for customer premises). Esta norma especifica, entre otros, los requerimientos de desempeño de los cables entre interfaces de comunicaciones ópticas y sus conectores. Adicionalmente, los cables de fibra óptica deben cumplir con los requisitos mecánicos y ambientales establecidos en las normas IEC 60794-2 (Optical fibre cables - Part 2: Indoor cables - Sectional specification) e IEC 60794-3 (Optical fibre cables - Part 2: Outdoor cables).
Las fibras ópticas deberán ser del tipo monomodo con baja sensibilidad a curvaturas conforme a la Recomendación UIT-T G.657A “Características de las fibras y cables ópticos monomodo insensibles a la pérdida por flexión para la red de acceso”, y deberán ser compatibles con las fibras del tipo G.652.D definidas en la Recomendación UIT-T G.652 (06/2005) “Características de las fibras ópticas y los cables monomodo”. Adicionalmente, las fibras ópticas deberán cumplir la especificación IEC 60793-2-50:2012 (Optical fibres - Part 2-50: Product specifications - Sectional specification for class B single mode fibres).
A continuación se describen otras características mínimas y parámetros técnicos que deben cumplir los cables de fibra óptica.
a) Cables de múltiples fibras. <Literal modificado por el artículo 30 de la Resolución 4639 de 2014. El nuevo texto es el siguiente:> Los cables de múltiples fibras ópticas para distribución vertical deberán ser preferiblemente de hasta 48<17>. Cada fibra o haz de fibras debe ser de fácil identificación mediante protección individual y el uso de código de colores conforme a la norma NTC 3613 (Electrotecnia – Cable de fibra óptica para distribución en edificios) y NTC 4353 (Telecomunicaciones. Cableado estructurado. Cableado para telecomunicaciones en edificios comerciales).
Los cables deberán ser completamente dieléctricos, no deberán poseer ningún elemento metálico y el material de su cubierta debe ser termoplástico, libre de halógenos, retardante a las llamas y de baja emisión de humo, debiendo para el efecto cumplir con la norma ISO/IEC 11801:2002 + A1:2008 + A2: 2010(E) (Information technology – Generic cabling for customer premises) y con los requisitos y métodos de ensayo para confirmar dichas propiedades según las normas IEC 60332–1–2 (Tests on electric and optical fibre cables under fire conditions), IEC 61034–2 (Measurement of smoke density of cables burning under defined conditions) e IEC 60754–1 y 60754–2 (Test on gases evolved during combustion of materials from cables). Las fibras ópticas estarán distribuidas en micromódulos con 1, 2, 4, 6 u 8 fibras. Los micromódulos deberán ser de material termoplástico elastómero de poliéster o similar impregnados con compuesto bloqueante del agua, de fácil pelado sin usar herramientas especiales.
Las características de las fibras ópticas de los cables de múltiples fibras para distribución horizontal, en caso de conjuntos de unidades privadas individuales, deberán ser iguales a las indicadas para el cable de distribución vertical con el requisito adicional de que el cable deberá contar con los elementos necesarios para evitar la penetración de agua en el mismo.
b) Cables de dos fibras. Los cables de dos fibras para instalación interior y exterior deberán tener un par de fibras ópticas y para su identificación se aplicará el código de colores de la norma NTC 3613 (Electrotecnia. Cable de fibra óptica para distribución en edificios).
3.5.7 Elementos de conexión
Los elementos de conexión que emplea la red interna de telecomunicaciones de fibra óptica del inmueble se ubican en el gabinete principal, en los gabinetes de piso y en los puntos de acceso al usuario.
3.5.7.1 Módulos de conexión en el gabinete principal
En el gabinete principal del inmueble se ubican los módulos de entrada, donde terminan las redes de alimentación óptica de los proveedores de servicios, y los módulos de salida, desde donde parte la red interna de fibra óptica del inmueble.
Los cables de fibra óptica de las redes de alimentación deberán terminar en conectores ópticos de tipo SC/APC dúplex u otro que cumpla la norma ISO/IEC 11801:2002 + A1:2008 + A2: 2010(E) (Information technology - Generic cabling for customer premises), con su correspondiente adaptador, agrupados en un distribuidor de conectores de entrada que funcionará como panel de conexión o regleta de entrada.
El módulo básico para terminar la red de fibra óptica del inmueble deberá permitir la terminación de 8, 16, 32 o 48 conectores en regletas donde se instalarán las fibras ópticas de la red de distribución, terminadas en conectores SC/APC dúplex u otro que cumpla la norma ISO/IEC 11801:2002 + A1:2008 + A2: 2010(E) (Information technology - Generic cabling for customer premises). Se deberá instalar el número necesario de módulos para atender la totalidad de la red de distribución de la edificación. El gabinete principal deberá permitir una cantidad de conectores de entrada (para todos los proveedores de servicios) igual a dos veces la cantidad de conectores de salida.
Los módulos de la red de distribución de fibra óptica del inmueble deberán disponer de los medios necesarios para su instalación en pared y para el acoplamiento o sujeción mecánica de los diferentes módulos entre sí.
Los módulos de terminación de red óptica deberán pasar las pruebas de frío, calor seco, ciclos de temperatura, humedad y niebla salina, de acuerdo a las normas IEC 60068-2-1:2007, IEC 60068-2-2:2007, IEC 60068-2-11:1981, IEC 60068-2-30:2005 (Environmental testing –Part 2-1. Tests – Test A: Cold; -Part 2-2. Tests – Test B: Dry heat; Part 2. Tests -Test Ka: Salt and mist; Part 2-30: Tests –Test Db: Damp heat, cyclic).
Los elementos de conexión y las componentes pasivas deberán cumplir las pruebas especificadas en la familia de normas IEC 61300-1 (Fibre optic interconnecting devices and passive components - Basic test and measurement procedures - Part 1: General and guidance).
Las cajas de material plástico deberán cumplir la prueba de autoextinguibilidad y aprobar las pruebas de resistencia frente a líquidos y polvo de acuerdo con las normas IEC 60529:2001 (Degrees of protection provided by enclosures (IP Code)), donde el grado de protección exigido será IP 55.
3.5.7.2 Caja de dispersión de cables de fibra óptica
La caja de dispersión de fibras ópticas estará situada en los gabinetes de piso y se constituye en el punto de distribución óptico. Las cajas de dispersión podrán ser de interior (para 4 u 8 fibras ópticas) o de exterior (para 4 fibras ópticas), para el caso de conjuntos de unidades privadas individuales.
Cuando las fibras ópticas de la red de distribución sean distintas de los cables de fibra óptica de la red de dispersión, el punto de distribución estará formado por una o varias cajas de dispersión en las que terminarán ambos tipos de fibras. En cada caja de dispersión se almacenarán los empalmes entre las fibras ópticas de distribución y las fibras de la red de dispersión. En dichas cajas se almacenarán bucles de fibra óptica con la holgura suficiente para poder reconfigurar las conexiones entre las fibras ópticas de la red de distribución y las de la red de dispersión.
Cuando las fibras ópticas de los cables de la red de dispersión sean las mismas fibras ópticas de los cables de la red de distribución, dichas fibras estarán de paso en las cajas de distribución. El punto de distribución estará formado por una o varias cajas de dispersión en las que se dejarán almacenados los bucles de las fibras ópticas de reserva, con la longitud suficiente para poder llegar hasta el punto de acceso al usuario más alejado del correspondiente piso. Los extremos de las fibras ópticas de la red de dispersión se identificarán mediante etiquetas que indicarán los puntos de acceso al usuario a los que dan servicio.
Todos los elementos de la caja de dispersión deberán diseñarse de manera que se garantice un radio de curvatura mínimo de 15 milímetros en el recorrido de la fibra óptica dentro de la caja. Las cajas deberán aprobar las mismas pruebas especificadas en el numeral anterior para los módulos de conexión.
El diseño, dimensionamiento, suministro e instalación de los puntos de distribución será responsabilidad del constructor del inmueble.
3.5.7.3 Punto de acceso al usuario
El punto de acceso al usuario de la red interna de fibra óptica estará formado por una caja de terminación de las fibras ópticas de la red de dispersión, con los respectivos conectores tipo SC/APC dúplex u otro que cumpla la norma ISO/IEC 11801:2002 + A1:2008 + A2: 2010(E) (Information technology - Generic cabling for customer premises) y el correspondiente adaptador, y por la unidad de terminación de red óptica que se conectará por una parte a la caja de terminación y, por otra, a la red interna de usuario. Esta unidad de terminación óptica, que tiene funciones de conversión óptico-eléctrica y cuyo suministro, instalación y mantenimiento es responsabilidad de los proveedores de servicios, deberá proveer al usuario final los puntos de acceso a los diferentes servicios, con sus facilidades simultáneas como “medio de corte” y “punto de prueba” .
Las cajas de terminación de fibras ópticas deberán aprobar las mismas pruebas especificadas en el numeral 3.5.7.1 del presente reglamento para los módulos de conexión. Todos los elementos de la caja estarán diseñados de forma tal que garantice un radio de curvatura mínimo de 20 milímetros en el recorrido de la fibra óptica dentro de la caja.
3.5.7.4 Conectores para cables de fibra óptica
Los conectores para cables de fibra óptica serán de tipo SC/APC dúplex u otro que cumpla la norma ISO/IEC 11801:2002 + A1:2008 + A2: 2010(E) (Information technology - Generic cabling for customer premises) con su correspondiente adaptador especificados en la norma mencionada, para ser instalados en los paneles de conexión del gabinete principal y en la caja de terminación de fibra óptica del punto de acceso al usuario. Para su armado deberán utilizarse herramientas profesionales. Los conectores deberán cumplir con las especificaciones dadas en la norma referida, así como también con lo establecido en la norma IEC 60874-1 (Fibre optic interconnecting devices and passive components - Connectors for optical fibres and cables. Part 1: Generic specification). Adicionalmente, deberán cumplir las características ópticas especificadas en la familia de normas IEC 61300-1 (Fibre optic interconnecting devices and passive components - Basic test and measurement procedures - Part 1: General and guidance).
3.5.8 Requisitos técnicos de la red interna de fibra óptica
Se deberá verificar la continuidad de las fibras ópticas de las redes de distribución y dispersión y su correspondencia con las etiquetas de las regletas, así como sus características de transmisión, cuyo desempeño deberá estar conforme con la norma ISO/IEC 11801:2002 + A1:2008 + A2: 2010(E) (Information technology - Generic cabling for customer premises). Para el efecto, se deberán emplear los procedimientos de prueba especificados en la norma ISO/IEC 14763-3:2011 (Information technology - Implementation and operation of customer premises cabling - Part 3: Testing of optical fibre cabling) que deben ser usados para asegurar que el cableado de fibra óptica, diseñado de acuerdo a la norma ISO/IEC 11801:2002 + A1:2008 + A2: 2010(E) (Information technology - Generic cabling for customer premises), e instalado de acuerdo a la norma ISO/IEC 14763-2:2012 (Information technology - Implementation and operation of customer premises cabling - Part 2: Planning and installation), es capaz de entregar el nivel de desempeño especificado en la norma ISO/IEC 11801:2002 + A1:2008 + A2: 2010(E) (Information technology - Generic cabling for customer premises).
3.5.9 Seguridad de las redes de distribución y dispersión de cables de fibra óptica
Con el fin de evitar lesiones personales, los adaptadores de montaje de los conectores ópticos de la caja de terminación óptica dispondrán en la cara situada en el exterior de la misma de una tapa abatible, de tal forma que permita el cierre y protección del adaptador cuando no esté alojado ningún conector óptico en dicha cara.
Igualmente, para evitar el peligro de lesiones personales por la manipulación de los cables de fibra óptica por parte de personal no calificado, las puertas o tapas de los gabinetes de interconexión de las cajas de dispersión y de las cajas terminales ópticas, exhibirán de forma perfectamente visible en su exterior las correspondientes marcas y leyendas de acuerdo con la norma IEC 60825-1:2007 (Safety of laser products - Part 1: Equipment classification and requirements).
ARTÍCULO 3.6. ADMINISTRACIÓN DE LA RED INTERNA DE TELECOMUNICACIONES. La administración del cableado genérico debe cumplir con la norma ISO/IEC 14763-2:2012 (Information technology - Implementation and operation of customer premises cabling - Part 2: Planning and installation).
ARTÍCULO 3.7. SEGURIDAD ELÉCTRICA. La red interna de telecomunicaciones deberá estar diseñada e implementada, cumpliendo los aspectos relativos a la seguridad eléctrica de manera que se satisfaga lo establecido en:
-- El Reglamento Técnico de Instalaciones Eléctricas (RETIE), establecido mediante la Resolución número 181294 de 2008 expedida por el Ministerio de Minas y Energía, y las demás normas que lo deroguen, sustituyan o modifiquen.
-- Norma Técnica Colombiana NTC 2050 Código eléctrico colombiano.
-- La Norma Técnica Colombiana NTC-IEC 61000-1-1, relativa a la compatibilidad electromagnética (CEM).
-- La Norma Técnica Colombia NTC 5797, Capítulo 8, relativo a interconexión equipotencial y apantallamiento, protecciones contra descargas atmosféricas y requisitos de la red de telefonía de usuario.
3.7.1 Disposición relativa de cableados
Con el fin de reducir posibles diferencias de potencial entre sus recubrimientos metálicos, las entradas al edificio de los cables de alimentación de las redes de acceso alámbrico de telecomunicaciones y los de alimentación de energía eléctrica se deberán realizar a través de accesos independientes y próximos entre sí, y próximos también a la entrada del cable o cables de unión a la puesta a tierra del edificio. El constructor del inmueble diseñará y construirá accesos al edificio de tal forma que esta independencia se garantice.
3.7.2 Interconexión equipotencial y apantallamiento
Cuando se instalen los distintos equipos (gabinetes, bastidores y demás estructuras metálicas accesibles), se deberá crear una red mallada equipotencial que conecte las partes metálicas accesibles de todos ellos entre sí y al anillo de tierra del inmueble.
Todos los cables con portadores metálicos de telecomunicaciones procedentes del exterior del edificio deberán ser apantallados; el extremo de su pantalla debe ser conectado a tierra en un punto tan próximo como sea posible de su entrada al salón de equipos de telecomunicaciones que aloja el punto de acceso al inmueble. Todos los cables y elementos apantallados deben cumplir con la norma ISO/IEC 11801:2002 + A1:2008 + A2: 2010(E) (Information technology - Generic cabling for customer premises).
Las puestas a tierra y sus barrajes de conexiones o soldaduras se deben conformar cumpliendo la norma NTC 2050 (Código eléctrico colombiano) o la norma IEC 60364-1 (Low-voltage electrical installations - Part 1: Fundamental principles, assessment of general characteristics, definitions). Todas las pantallas de los cables deben ser conectadas o soldadas a los racks o bastidores de los equipos, los cuales a su vez deben ser soldados a la puesta a tierra del inmueble, conforme a la norma ISO/IEC 11801:2002 + A1:2008 + A2: 2010(E) (Information technology - Generic cabling for customer premises). El sistema de tierra del inmueble no debe exceder una diferencia de potencial límite de un (1) voltio RMS entre cualquier par de tierra de la red.
3.7.3 Descargas atmosféricas
Los cables de telecomunicaciones procedentes del exterior deben disponer de dispositivos protectores contra sobretensiones transitorias (DPS) de que trata el numeral 17.6 del artículo 17 del RETIE y conectarlos al terminal o al anillo de tierra que debe tener toda edificación, con las especificaciones definidas en el artículo 15 del citado Reglamento para instalaciones eléctricas y la NTC 45521“Protección contra descargas eléctricas atmosféricas (rayos). Parte 1: Principios generales.”. El diseño, suministro, instalación y mantenimiento de estos dispositivos será responsabilidad de los proveedores de servicios.
ARTÍCULO 3.8. COMPATIBILIDAD ELECTROMAGNÉTICA. La red interna de telecomunicaciones deberá estar diseñada e implementada, cumpliendo los aspectos relativos a compatibilidad electromagnética, de manera que se satisfaga lo establecido en:
-- Norma NTC-IEC 61000-1-1 (Compatibilidad Electromagnética (CEM) - Parte 1. Generalidades. Sección 1. Aplicación e interpretación de definiciones y términos fundamentales).
-- Norma NTC 5797, capítulo 8, en la parte relativa a compatibilidad electromagnética asociada a accesos y cableados.
-- Recomendación UIT-T K.52 adoptada por Colombia mediante Decreto número 195 de 2005, respecto de los límites de exposición de las personas a campos electromagnéticos que deben cumplir los proveedores de servicios.
ESPECIFICACIONES TÉCNICAS MÍNIMAS DE LAS EDIFICACIONES EN MATERIA DE TELECOMUNICACIONES.
ARTÍCULO 4.1. OBJETO. El presente capítulo contiene las especificaciones técnicas mínimas que deberá cumplir la infraestructura que soporta las redes internas de telecomunicaciones de los inmuebles sujetos al régimen de propiedad horizontal a los que aplica el presente reglamento.
La infraestructura que soporta la red interna de telecomunicaciones del inmueble está compuesta por las cámaras, canalizaciones, salones de equipos de telecomunicaciones, ductos, bandejas, gabinetes principales, gabinetes de piso, cajas de paso, cajas terminales y demás elementos y obras civiles necesarias para alojar la red interna de telecomunicaciones del inmueble y las redes de alimentación y captación.
ARTÍCULO 4.2. ALCANCE. Este capítulo está orientado a la especificación de la infraestructura soporte para la instalación e implementación de la red interna de telecomunicaciones y el acceso a los servicios prestados por los proveedores de servicios, operadores de televisión radiodifundida y proveedores de radiodifusión sonora.
Es preciso señalar que la red interna de telecomunicaciones debe ser independiente de las redes empleadas para servicios internos de comunicaciones del inmueble.
En todo caso, las presentes especificaciones técnicas serán de aplicación con carácter general a establecer las especificaciones técnicas de telecomunicaciones que regule la infraestructura que soporta la red interna en el interior de los inmuebles, para garantizar la capacidad que permita el acceso a los servicios de telecomunicaciones, a los servicios de radiodifusión sonora y de televisión, y el paso de las redes de los distintos proveedores de servicios.
ARTÍCULO 4.3. INFRAESTRUCTURA QUE SOPORTA LA RED INTERNA DE TELECOMUNICACIONES. La organización del cableado facilita que cada usuario del inmueble tenga acceso a los diferentes servicios de telecomunicaciones, de televisión y de radiodifusión sonora a través de diversos medios de transmisión (par de cobre, fibra óptica, cable coaxial, entre otros) que componen la red interna de telecomunicaciones del inmueble. Los cables se instalan sobre vías, que incluyen una variedad de sistemas de manejo de cables tales como ductos, tubos, bandejas, canaletas y escalerillas, entre otros. Adicionalmente, los inmuebles deben disponer de espacios físicos donde se instalan los equipos y se realizan las conexiones necesarias. Estos espacios del inmueble se interconectan por medio de las vías referidas (canalizaciones, ductos y bandejas).
La infraestructura de la red interna de telecomunicaciones, soporta la red de alimentación, la red de captación, la red de distribución, la red de dispersión y la red interna de usuario, cuya estructura se muestra en el Gráfico 3. Este esquema de infraestructura debe ser tenido en cuenta en el momento de realizar el diseño del cableado, con el fin de que este se realice de acuerdo a los requerimientos del inmueble en cuanto a cantidad de usuarios, distribución de la infraestructura y ubicación de espacios disponibles.
En lo relacionado con la infraestructura que soporta la red interna de telecomunicaciones, se debe cumplir la norma ISO/IEC 14763-2:2012 (Information technology - Implementation and operation of customer premises cabling – Part 2: Planning and installation), la cual especifica de manera general la estructura y requerimientos de vías y espacios en o entre edificios para el intercambio de información y sistemas de manejo de cable de telecomunicaciones implementados de conformidad con las normas ISO/IEC 11801:2002 + A1:2008 + A2: 2010(E) (Information technology - generic cabling for customer premises) y la norma ISO/IEC 15018:2004 (Information technology - generic cabling for homes).
Gráfico 3. Estructura de la infraestructura que soporta la red interna de telecomunicaciones del inmueble.

El constructor debe diseñar y construir la infraestructura física necesaria para soportar la red interna de telecomunicaciones del inmueble conforme a los criterios de diseño y de dimensionamiento y las especificaciones técnicas establecidos en el presente capítulo.
La infraestructura que soporta la red interna de telecomunicaciones se estructura en las siguientes zonas: zona exterior, zona común y zona privada, como se muestra en el Gráfico 4 en la zona exterior se encuentra la red de alimentación y la red de captación de propiedad del proveedor de servicios. También se encuentra la red de captación (sistema de antena comunal) de los servicios de radiodifusión sonora y de televisión terrestre, instalada por el constructor del inmueble. En esta área los proveedores de servicios conectan sus redes de alimentación y captación al punto de acceso del inmueble ubicado en el interior del gabinete principal superior de la misma para el caso de la red de captación, y del gabinete principal inferior para el caso de la red de alimentación alámbrica. En la zona común se encuentra la red de distribución y la red de dispersión, mientras que en la zona privada se encuentra la red interna de usuario.
Gráfico 4. División por zonas de infraestructura

Fuente: Elaboración propia a partir de Félix, Emilio. Infraestructuras comunes de telecomunicación en viviendas y edificios, McGraw-Hill, 2010.
ARTÍCULO 4.4. COMPONENTES DE LA INFRAESTRUCTURA QUE SOPORTA LA RED INTERNA DE TELECOMUNICACIONES. Los diferentes tipos de redes internas de telecomunicaciones comparten canalizaciones y espacios físicos que constituyen la infraestructura que las soportan, la cual se ilustra de manera general en el Gráfico 5.
Gráfico 5. Estructura de la red de canalización

Fuente: Elaboración propia a partir de Félix, Emilio. Infraestructuras comunes de telecomunicación en viviendas y edificios, McGraw-Hill, 2010.
La infraestructura que soporta la red interna de telecomunicaciones del inmueble está compuesta por los siguientes elementos:
-- Cámara principal o cámara de entrada.
-- Canalización externa.
-- Canalización de enlace.
-- Canalización de distribución.
-- Canalización de dispersión.
-- Salones de equipos de telecomunicaciones.
-- Elementos de conexión: gabinetes principales, gabinetes de piso, cajas de paso, cajas de terminación de red y cajas de toma.
Las siguientes secciones describen cada uno de los componentes de la infraestructura que soporta la red interna, los criterios de dimensionamiento y las respectivas especificaciones técnicas.
4.4.1 Cámara de entrada
Dependiendo de la cantidad de usuarios del inmueble se define el tamaño mínimo de la cámara de entrada o cámara principal. El tamaño debe ser dimensionado de acuerdo con la cantidad de ductos de canalización externa y los ductos de la canalización de enlace que confluyen en dicha cámara. Su diseño y construcción corresponde al constructor del inmueble.
En la cámara de entrada no está permitida la instalación de equipos, empalmes, reservas de cable o cualquier otro elemento que disminuya el espacio disponible para el paso de cables de las redes de alimentación de los diferentes proveedores de servicios.
Como parámetros, se ilustran en la Tabla 5 los criterios de dimensionamiento aplicables.
Tabla 5
Dimensiones de la cámara de entrada.
Tamaño de la cámara de entrada
| Número de usuarios | Largo(mm) | Ancho(mm) | Profundo(mm) |
| Hasta 20 | 400 | 400 | 600 |
| Entre 21 y 100 | 600 | 600 | 800 |
| Más de 100 | 800 | 700 | 820 |
4.4.2 Canalización externa
<Inciso modificado por el artículo 10 de la Resolución 4741 de 2015. El nuevo texto es el siguiente:> La canalización externa está constituida por ductos de mínimo 2 pulgadas de diámetro nominal.
El dimensionamiento de la canalización externa se realiza en función de la cantidad de usuarios, de la distribución de los ductos para los medios de transmisión disponibles para el acceso a los diferentes servicios y de la reserva de ductos que se determine. La Tabla 6 ilustra los criterios de dimensionamiento de la canalización externa a ser tenidos en cuenta.
<Tabla modificada por el artículo 11 de la Resolución 4741 de 2015. El nuevo texto es el siguiente:>
Tabla 6. Dimensionamiento de la canalización externa
Número de ductos en función de la cantidad de PAU
| Número de PAU | Número de ductos | Utilización de los ductos |
| Hasta 4 | 4 | Un (1) ducto para cable coaxial Un (1) ducto para cable de pares Un (1) ducto para fibra óptica Un (1) ducto de reserva |
| Entre 5 y 20 | 5 | Un (1) ducto para cable coaxial Un (1) ducto para cable de pares Un (1) ducto para fibra óptica Dos (2) ductos de reserva |
| Superior a 20 | 6 | Un (1) ducto para cable coaxial Dos (2) ductos para cable de pares (*) Un (1) ducto para fibra óptica Dos (2) ductos de reserva |
(*) El diseñador puede optar por incluir una menor cantidad de ductos, garantizando en todo caso que el área de la sección transversal del ducto que se va a utilizar represente como mínimo la suma de las áreas de sección transversal de los ductos requeridos en la presente tabla.
El constructor del inmueble marcará cada uno de los ductos para señalar la utilización a la que están destinados.
4.4.3 Canalización de enlace
Existe la canalización de enlace superior y la canalización de enlace inferior, dependiendo de las condiciones de ubicación de las redes.
El constructor del inmueble tendrá a su cargo la construcción de la canalización de enlace, debiendo marcar cada uno de los ductos para señalar la utilización a la que están destinados.
4.4.3.1 Canalización de enlace inferior
<Numeral modificado por el artículo 33 de la Resolución 4639 de 2014. El nuevo texto es el siguiente:> Esta canalización inicia en la entrada general al inmueble y finaliza en el salón de equipos de telecomunicaciones inferior y tiene la misma cantidad de ductos o tubos que los de la canalización externa.
La canalización de enlace inferior está conformada por elementos tales como ductos, tubos, bandejas porta cable, canaletas, cajas y cámaras, entre otros, los cuales se pueden instalar empotrados en superficies o inclusive en canalizaciones subterráneas. Es importante aclarar que los ductos y elementos de estas canalizaciones son exclusivamente para los servicios de telecomunicaciones en el inmueble.
De conformidad con lo establecido en la norma NTC 5797 (Telecomunicaciones – Infraestructura Común de Telecomunicaciones), en caso de canalizaciones de enlace empotradas en la pared, se debe colocar una caja o cámara de enlace intermedia, necesaria para facilitar el tendido e inspección de los cables de alimentación en los siguientes casos:
a) Cada 30 m de longitud de canalización, si la canalización es subterránea o cada 50 m en canalización por superficie.
b) Dentro de los 600 mm antes de la intersección en un solo tramo de los dos que se encuentren. En este último caso, la curva de los ductos en la intersección tendrá un radio mínimo de 350 milímetros y no debe presentar deformaciones en la parte cóncava del tubo.
Las dimensiones de las cajas de enlace intermedia se calculan en función del número de ductos y del diámetro de éstos, por lo cual el constructor del inmueble debe determinar el tamaño apropiado.
<Inciso modificado por el artículo 11 de la Resolución 4741 de 2015. El nuevo texto es el siguiente:> En el caso de utilización de ductos, en número idéntico al de la canalización externa, el diámetro nominal de los mismos oscilará entre 1½” y 2”, dependiendo del número y del diámetro de los cables que vayan a alojar. El constructor realizará la selección adecuada dependiendo de los cables que discurren por cada canalización, considerando una ocupación máxima de las mismas del 50%.
Los ductos de reserva como mínimo deben ser iguales al de mayor diámetro que se haya obtenido anteriormente.
En el caso que se utilicen canaletas se dispondrán de cuatro espacios independientes, en una o varias canaletas, y se asignará cada espacio de la siguiente forma:
-- Dos espacios para los cables multipares de cobre.
-- Un espacio para cable coaxial.
-- Un espacio para fibra óptica.
La sección útil de cada espacio se determinará según la siguiente fórmula:
Si
C x Sj
En donde,

Para seleccionar las canaletas a instalar, se deberá tener en cuenta que la dimensión interior menor de cada espacio deberá ser 1.3 veces el diámetro del cable de mayor diámetro que se va a instalar en ella.
En los espacios correspondientes a cables multipares, la sección y el diámetro del cable multipar de mayor diámetro se determina en función del número total de pares de los cables de la red de distribución, de acuerdo con la Tabla 8.
Tabla 8. Sección de ducto de acuerdo al número de pares
| Número de pares | Sj (mm²) | Diámetro (mm) |
| Hasta 100 | 335 | 18 |
| Entre 100 y 200 | 520 | 24 |
| Entre 200 y 400 | 910 | 31 |
| Entre 401 y 800 | 1.520 | 40 |
Fuente: Norma NTC 5797, Tabla A.2.
4.4.3.2 Canalización de enlace superior
En la canalización de enlace superior se tiene una estructura más sencilla que en la canalización de enlace inferior, puesto que el número de servicios de telecomunicaciones a los que se accede por la parte alta del inmueble es menor que el número de servicios a los que potencialmente se puede acceder a través de las redes de alimentación con redes alámbricas. Los cables provenientes de las antenas de los equipos de captación, ubicados en la azotea o en el techo del inmueble, se fijan al mástil o torre de la antena hasta llegar al punto de entrada superior del inmueble. En este punto se instala un elemento pasamuro del cual parte la canalización de enlace superior que llega hasta el salón de equipos de telecomunicaciones superior.
Conforme a la norma NTC 5797 (Telecomunicaciones - Infraestructura Común de Telecomunicaciones), la canalización de enlace superior está constituida generalmente por cuatro tubos de 1½ pulgada de diámetro o una canaleta de 6.000 mm2 con cuatro compartimentos. Para determinar el montaje de las cajas de enlace, se siguen los mismos criterios empleados en las canalizaciones de enlace inferior en el numeral 4.4.3.1.
4.4.4 Canalización de distribución
La canalización principal debe ser rectilínea, fundamentalmente vertical uniendo los salones de equipos de telecomunicaciones superior e inferior, como se muestra en el Gráfico 6 y con capacidad para alojar todos los cables necesarios para la distribución de las señales de los servicios de telecomunicaciones, radiodifusión sonora y televisión al interior del inmueble.
Se recomienda que su instalación se realice en las zonas comunes del inmueble cerca del área de ascensores o escaleras de acceso.
Debido al tipo de construcción, el inmueble puede requerir de más de una canalización principal permitiendo que se instalen varias secciones de distribución vertical para dar servicio a las diferentes zonas del inmueble. Cuando el número de PAU por piso sea superior a 8, se dispondrá de más de una distribución vertical, atendiendo cada una de ellas a un número máximo de 8 PAU por piso. En inmuebles con distribución en varias verticales, cada vertical tendrá su canalización principal independiente, partiendo todas ellas del gabinete principal.
Gráfico 6. Esquema de canalización de distribución

Fuente: Elaboración propia a partir de Félix, Emilio. Infraestructuras comunes de telecomunicación en viviendas y edificios, McGraw-Hill, 2010.
En el caso de conjuntos de unidades privadas individuales, la canalización deberá ser lo más rectilínea posible y con capacidad para alojar todos los cables necesarios para los servicios que distribuye la red interna de telecomunicaciones. Cada canalización principal debe atender a un número máximo de 8 PAU. Podrán estar enterradas, empotradas o ir superficialmente y materializarse mediante ductos o canaletas en los que se alojarán exclusivamente redes de telecomunicación por la zona común y en cualquier caso por zonas accesibles.
4.4.4.1 Canalización por ductos
En el caso que la canalización se implemente mediante ductos, su dimensionamiento se realizará en función del número de unidades privadas del inmueble (puntos de acceso al usuario). El número de canalizaciones dependerá de la configuración de la estructura propia del inmueble. De acuerdo con la norma NTC 5797, se realizará mediante ductos de 2 pulgadas de diámetro y de pared interior lisa.
El número de cables por ducto será tal que la suma de las superficies de las secciones transversales de todos ellos no supere el 60%17 de la superficie de la sección transversal útil del ducto. Su dimensionamiento mínimo debe ser de acuerdo con la Tabla 9.
<Tabla modificada por el artículo 13 de la Resolución 4741 de 2015. El nuevo texto es el siguiente:>
Tabla 9. Dimensionamiento de ductos canalización principal
| Número de PAU | Número de ductos | Utilización de los ductos |
| Hasta 12 | 5 | Un (1) ducto para cable de pares Dos (2) ductos para cable coaxial (**) Un (1) ducto para cable de Fibra Óptica Un (1) ducto de reserva (***) |
| De 13 a 20 | 6 | Un (1) ducto para cable de pares Dos (2) ductos para cables coaxiales (**) Un (1) ducto para cable de Fibra Óptica Dos (2) ductos de reserva (***) |
| Entre 21 y 30 | 7 | Dos (2) ductos para cable de pares (*) Dos (2) ductos para cables coaxiales (**) Un (1) ducto para cable de Fibra Óptica Dos (2) ductos de reserva (***) |
| Más de 30 | Cálculo específico | Dos (2) ductos para cable de pares (*) Dos (2) ductos para cables coaxiales (**) Un (1) ducto para cable de Fibra Óptica Un (1) ducto de reserva, por cada 15 PAU o fracción (***) |
(*) El diseñador puede optar por incluir una menor cantidad de ductos, garantizando en todo caso que el área de la sección transversal del ducto que se va a utilizar represente como mínimo la suma de las áreas de sección transversal de los ductos requeridos en la presente tabla.
(**) De los 2 ductos para cable coaxial, uno se debe utilizar exclusivamente para los cables coaxiales asociados al servicio de televisión abierta radiodifundida.
(***) Las redes asociadas a servicios satelitales, así como todas aquellas no contempladas en el reglamento, deberán utilizar los ductos de reserva.
Fuente: Propia adaptada de la Norma NTC 5797, Tabla A.4.
Los tramos horizontales de la canalización principal que unen distintas verticales se dimensionarán con la capacidad para alojar los cables necesarios para los servicios que se distribuyan en función del número de puntos de acceso a conectar.
El constructor del inmueble marcará cada uno de los ductos para señalar la utilización a la que están destinados.
4.4.4.2 Canalización por canaletas
En el caso que la canalización se implemente mediante el uso de canaletas o bandejas, el dimensionamiento irá en función del número de viviendas, oficinas o locales comerciales del inmueble (puntos de acceso a usuarios), con un compartimento independiente para cada tipo de cable, que permita la distribución de las señales de cada uno de los servicios de telecomunicaciones, radiodifusión sonora y televisión al interior del inmueble. El número de canalizaciones depende de la configuración de la estructura del inmueble.
Para su dimensionamiento se aplicarán las reglas específicas de dimensionamiento de canaletas definidas en el numeral 4.4.3.1 del presente capítulo, siendo el número de cables y su dimensión el determinado en el proyecto de red del inmueble.
En el caso de que por cada compartimento se alojen más de ocho cables, estos se encintarán en grupos de ocho como máximo, identificándolos convenientemente. La canalización principal se instalará, siempre que la edificación lo permita, en espacios previstos para el paso de instalaciones de este tipo, como bandejas de servicio o cajas de paso en las zonas comunes del inmueble.
4.4.5 Canalización de dispersión
<Numeral modificado por el artículo 36 de la Resolución 4639 de 2014. El nuevo texto es el siguiente:> La canalización de dispersión puede estar formada por ductos, canaletas, bandejas, escalerillas y demás elementos necesarios de la infraestructura que soporta la red interna de telecomunicaciones.
En ella se intercalan las cajas de paso, que son elementos que facilitan el tendido de los cables entre los gabinetes de piso y las cajas de terminación de red.
Del gabinete de piso podrán salir varias canalizaciones de dispersión que deben tener capacidad de alojar todos los cables para los servicios de telecomunicaciones de las unidades privadas a las que sirvan.
La canalización de dispersión puede implementarse mediante el uso de ductos o canales.
En caso que la canalización de dispersión se materialice mediante el uso de ductos, debe tener como mínimo 3 de ¾”, que se destinarán de la siguiente manera:
a) Un (1) ducto para cables de pares y fibra óptica.
b) Un (1) ducto para cable coaxial, proveniente del gabinete inferior.
c) Un (1) ducto para cable coaxial proveniente del gabinete superior.
El constructor del inmueble marcará cada uno de los ductos para señalar la utilización a la que están destinados.
En el caso que la canalización de dispersión se implemente mediante canaletas, deben tener 3 espacios independientes con la asignación mencionada anteriormente y dimensionados según las reglas establecidas en el numeral 4.4.3.1 del presente capítulo.
Para la distribución o acceso de la canalización de dispersión en edificios, se debe colocar en la derivación una caja de paso tipo A del que saldrán a la unidad privada 3 ductos de ¾” de diámetro exterior, con la siguiente utilización:
a) Un (1) ducto para cables de pares o pares trenzados, y fibra óptica.
b) Un (1) ducto para cable coaxial, proveniente del gabinete inferior.
c) Un (1) ducto para cable coaxial proveniente del gabinete superior.
Para el caso de inmuebles con un número de unidades privadas por planta inferior a seis o en el caso de conjunto de unidades privadas individuales, se podrá prescindir de la caja de paso, por lo que las canalizaciones se deben establecer entre las cajas de dispersión y de terminación de red mediante 3 ductos de ¾” de diámetro, o canaletas equivalentes con tres espacios delimitados, cuya utilización será la indicada en el párrafo anterior.
Esta simplificación podrá ser efectuada siempre que la longitud de la canalización de dispersión no sea superior a 15 metros; en caso contrario deben instalarse cajas de paso a fin de que faciliten las tareas de instalación y mantenimiento.
4.4.6 Canalización interna de usuario
Esta canalización debe utilizar la configuración en estrella y puede materializarse mediante el uso de canaletas o ductos empotrados, generalmente con tramos horizontales y verticales.
<Inciso adicionado por el artículo 14 de la Resolución 4741 de 2015. El nuevo texto es el siguiente:> La canalización utilizada para cables coaxiales de televisión abierta radiodifundida podrá utilizar la configuración en serie, siempre y cuando dicha canalización sea de uso exclusivo para este servicio y la red interna de usuario asociada también sea implementada en configuración serie o cascada.
4.4.6.1 Canalización por ductos
<Numeral modificado por el artículo 37 de la Resolución 4639 de 2014. El nuevo texto es el siguiente:> En el caso de que la canalización interna de usuario se realice mediante el uso de ductos, éstos deben ser de material plástico de acuerdo con la norma NTC 1630, corrugados o lisos que irán empotrados por el interior de la unidad privada, y unirán las cajas de terminación de red con los distintas cajas de toma, mediante al menos cuatro ductos de ½” de diámetro mínimo, uno de los cuales se deberá utilizar para las cajas de tomas de usuario configurable. Se podrán utilizar tres ductos si uno de ellos es compartido para cables coaxiales provenientes del gabinete inferior y cables coaxiales de televisión abierta radiodifundida.
El constructor del inmueble marcará cada uno de los ductos para señalar la utilización a la que están destinados.
Para el caso de cables de pares de cobre, se deben instalar, como máximo, dos (2) cables por cada ducto de ½” de pulgada, y se colocarán ductos adicionales en la medida necesaria.
4.4.6.2 Canalización por canaletas
<Numeral modificado por el artículo 38 de la Resolución 4639 de 2014. El nuevo texto es el siguiente:> En el caso de que la canalización se realice mediante el uso de canaletas, éstas deben ser de material plástico, en montaje superficial o a ras, uniendo las cajas de terminación de red con las distintas cajas de toma. Dispondrán, como mínimo, de 3 espacios independientes y se distribuirán de la siguiente manera:
-- Un espacio para cables de pares.
-- Un espacio para cables coaxiales provenientes del gabinete inferior.
-- Un espacio para cables coaxiales de televisión abierta radiodifundida.
-- Un espacio de reserva para las cajas de toma de usuario configurables.
Se podrán utilizar 3 espacios si uno de ellos es compartido para cables coaxiales provenientes del gabinete inferior y cables coaxiales de televisión abierta radiodifundida. Se deberán prever los espacios correspondientes para las cajas de toma de usuario configurables.
Para el dimensionamiento, se aplicarán las reglas del numeral 4.4.3.1 del presente capítulo.
4.4.7 Salones de Equipos de Telecomunicaciones
Se deben ubicar en espacios reservados de las zonas comunes de los inmuebles; estos espacios deben tener buena ventilación y contar con sumideros con desagüe. Los equipos de los proveedores de servicios cuyo acceso se realiza mediante redes alámbricas se instalarán en el salón de equipos de telecomunicaciones inferior, mientras que los equipos de los proveedores de servicios cuyo acceso se realiza mediante redes inalámbricas se deben instalar en el salón de equipos de telecomunicaciones superior.
Las dimensiones mínimas de estos espacios dependen directamente de la cantidad de PAU definidos en el inmueble.
Los salones deben disponer de espacios delimitados en planta que permitan la instalación de los equipos para cada tipo de servicio de telecomunicaciones, radiodifusión sonora y televisión. Estos espacios deberán ser ocupados por los proveedores de servicios dividiendo el área disponible entre todos ellos y, en todo caso, evitando afectar o restringir la presencia en la edificación de un número plural de proveedores. Para esta distribución de espacios aplica lo establecido en la norma ISO/IEC 14763-2:2012 (Information technology – Implementation and operation of customer premises cabling – Part 2: Planning and installation), en la cual se ilustran dimensiones y distribución de espacios al interior del salón de equipos de telecomunicaciones.
Los salones estarán equipados con un sistema de escalerillas o canaletas horizontales para el tendido de los cables. La escalerilla o canaleta se dispondrá en todo el perímetro interior a 300 mm del techo. Las características citadas no serán de aplicación a los gabinetes de tipo modular.
En cualquier caso, los salones tendrán una puerta de acceso metálica, con apertura hacia el exterior, y dispondrán de cerradura con llave común para los distintos usuarios autorizados. El acceso a estos salones debe ser controlado y la llave estará en poder de la administración del inmueble o de la copropiedad del inmueble, o de la persona o personas en quien deleguen, quienes facilitarán el acceso a los distintos proveedores de servicios para efectuar los trabajos de instalación y mantenimiento necesarios.
En la Tabla 11 se definen las dimensiones mínimas de los salones de equipos de telecomunicaciones.
<Tabla modificada por el artículo 15 de la Resolución 4741 de 2015. El nuevo texto es el siguiente:>
Tabla 11. Dimensionamiento de los salones de telecomunicaciones
| No. de puntos de acceso | Altura (mm) | Ancho (mm) | Profundidad (mm) |
| Hasta 20 | 2300 | 1000 | 500 |
| De 21 a 30 | 2300 | 1500 | 500 |
| De 31 a 45 | 2300 | 2000 | 500 |
| Más de 45 | 2300 | 2000 | 2000 |
Fuente: Norma NTC 5797.
Para la construcción de los salones de equipos de telecomunicaciones, se deben cumplir las siguientes características mínimas:
a) Piso: pavimento rígido que disipe cargas electrostáticas;
b) Paredes y techo con capacidad portante suficiente;
c) El sistema de toma de tierra se debe realizar conforme lo dispuesto en el RETIE y Norma NTC 5797.
Los salones de equipos de telecomunicaciones deben estar protegidos de la humedad y al menos a 2 metros de distancia de transformadores eléctricos, cuartos de máquinas de ascensores, o de cuartos de equipos de aire acondicionado.
<Inciso modificado por el artículo 16 de la Resolución 4741 de 2015. El nuevo texto es el siguiente:> El salón de equipos de telecomunicaciones debe disponer de ventilación natural o mecánica, para lo cual se deberá dar aplicación a lo establecido en la norma NTC 5183.
<Incisos adicionados por el artículo 17 de la Resolución 4741 de 2015. El nuevo texto es el siguiente:>
Para el caso de los inmuebles conformados por varios edificios, a criterio del constructor, se podrá implementar alguna de las siguientes opciones:
-- Un salón de equipos de equipos de telecomunicaciones inferior y un salón de equipos de telecomunicaciones superior por cada edificio.
-- Un salón de equipos de equipos de telecomunicaciones inferior y un salón de equipos de telecomunicaciones superior para todo el inmueble, ubicados en uno de los edificios que conforma el inmueble.
-- Un salón de equipos de equipos de telecomunicaciones único para todo el inmueble”.
En caso de seleccionar la opción de salón de equipos de equipos de telecomunicaciones único en inmuebles conformados por varios edificios, sus dimensiones deberán cumplir como mínimo las definidas en la Tabla 11A.
Tabla 11A. Dimensionamiento de los salones de telecomunicaciones únicos para los inmuebles conformados por varios edificios
| No. de puntos de acceso | Altura (mm) | Ancho (mm) | Profundidad (mm) |
| Hasta 60 | 2300 | 2000 | 2000 |
| De 61 a 120 | 2300 | 2500 | 2000 |
| De 121 a 180 | 2300 | 3000 | 2000 |
| De 181 a 240 | 2300 | 3500 | 2000 |
| De 241 a 300 | 2300 | 4000 | 2000 |
| Más de 300 | 2300 | 4500 | 2000 |
4.4.7.1 Instalaciones eléctricas
<Numeral modificado por el artículo 18 de la Resolución 4741 de 2015. El nuevo texto es el siguiente:>
Para las instalaciones de los salones de equipos de telecomunicaciones se debe implementar una canalización eléctrica directa desde el tablero de servicios generales o desde los tableros generales auxiliares del inmueble hasta cada salón, constituida por cables de cobre con aislamiento hasta 600 V y de calibre mínimo 2 x 10 AWG + tierra, la cual irá en el interior de un ducto de 1” diámetro nominal, de forma empotrada o superficial.
La citada canalización finalizará en el correspondiente tablero de protección, que debe tener las dimensiones suficientes para instalar en su interior las protecciones mínimas, y una previsión para su ampliación en un 30%, según las características que se indican a continuación:
a) Interruptor termomagnético de corte general: tensión nominal mínima 120 Vca, corriente nominal 20 A, poder de corte mínimo de 6 kA;
b) Interruptor diferencial de corte general: tensión nominal mínima 120 Vca, frecuencia 60 Hz, corriente nominal 20 A, corriente de falla 30 mA de tipo selectivo, resistencia de corto circuito 6 kA;
d) Interruptor termomagnético de corte general para la protección de las bases de toma de corriente del salón: tensión nominal mínima 120 Vca, corriente nominal 15 A, poder de corte mínimo de 6 kA;
e) En el salón de equipos superior, además, se debe disponer de un interruptor termomagnético de corte para la protección de los equipos de cabecera de la infraestructura de radiodifusión y televisión: tensión nominal mínima 120 Vca, corriente nominal 15 A, poder de corte mínimo de 6 kA.
Si se requiriera alimentar eléctricamente cualquier otro dispositivo situado en cualquiera de los salones, se debe dotar el tablero eléctrico correspondiente con las protecciones adecuadas.
Los citados tableros de protección se situarán lo más próximo posible a la puerta de entrada, tendrán tapa y podrán ir instalados de forma empotrada o superficial. Podrán ser de material plástico no propagador de la llama o metálico. Deberán tener un grado de protección mínimo IP 4X + IK 05, así como disponer de la bornera apropiada para la conexión del cable de puesta a tierra.
En cada salón debe haber como mínimo dos bases de enchufe con toma de tierra y de capacidad mínima de 15 A. Se dotará con cables de cobre con aislamiento hasta 600 V y de calibre mínimo 2 x 14 AWG + tierra. En el salón de telecomunicaciones superior se dispondrá, además, de las bases de enchufe necesarias para alimentar los equipos de cabecera o los equipos de comunicaciones.
Como parte de la consulta e intercambio de información con los diferentes proveedores de servicios con presencia en la zona en que se ubicará el inmueble, a la que hace referencia el numeral 1 del artículo 1.4 del reglamento, el constructor deberá prever espacio suficiente para la colocación de un contador de energía eléctrica para todo el inmueble por cada proveedor de servicios que lo requiera, el cual deberá estar ubicado en el lugar de centralización de contadores. En cualquier caso, siempre se debe prever espacio para la colocación de al menos un contador de energía eléctrica para la red interna de telecomunicaciones. A tal fin, se habilitará al menos una canalización de 1,5 pulgadas de diámetro desde el lugar de centralización de contadores hasta cada salón de equipos de telecomunicaciones, donde debe existir espacio suficiente para que el proveedor de servicios instale el correspondiente tablero de protección que, previsiblemente, estará dotado con al menos los siguientes elementos:
b) Interruptor termomagnético de corte general: tensión nominal mínima 120 Vca, corriente nominal 20 A, poder de corte mínimo de 6 kA;
c) Interruptor diferencial de corte general: tensión nominal mínima 120 Vca, frecuencia 60 Hz, corriente nominal 20 A, corriente de falla 30 mA, resistencia de corto circuito 6 kA;
d) Tantos elementos de seccionamiento como se considere necesario.
En general, en lo relativo a la instalación eléctrica, se cumplirá con lo dispuesto en el Reglamento Técnico de Instalaciones Eléctricas (RETIE).
Se habilitarán los medios para que en los salones de instalación de telecomunicaciones exista un nivel medio de iluminación de 300 lux, así como un aparato de iluminación autónomo de emergencia.
4.4.8 Elementos de conexión
4.4.8.1 Gabinetes principales
Los gabinetes principales seguirán la especificación ISO/IEC 14763-2:2012 (Information technology - Implementation and operation of customer premises cabling - Part 1: Planning and installation). Su diseño debe permitir radios de curvatura de cables de fibra óptica que no afecten su desempeño.
Todos los puntos terminales de las regletas de entrada y de salida deberán estar debidamente etiquetados e identificados, conforme a la norma ISO/IEC 11801-2002 + A1:2008 + A2: 2010(E) (Information technology - Generic cabling for customer premises). En los casos en los que el cable de la red interna sea para la prestación del servicio de manera exclusiva para un solo inmueble, cada terminación de cable deberá disponer de la etiqueta que identifique claramente la vivienda o estancia común del inmueble al que presta el servicio. En los casos en los que el cable preste el servicio a un grupo de unidades privadas o estancias del inmueble, la etiqueta deberá identificar claramente el circuito correspondiente y las unidades y estancias servidas.
4.4.8.2 Gabinetes de Piso
Los gabinetes de piso pueden ser de empotrar o de superficie y se ubicarán en las zonas comunitarias y de fácil acceso. En caso de alojar elementos de conexión, deben disponer de sistema de cierre mediante llaves, las cuales deberán estar en la administración o copropiedad del inmueble. Su diseño debe permitir radios de curvatura de cables de fibra óptica que no afecten su desempeño.
Los gabinetes de piso deben disponer de 2 tomas de corriente alterna o base de enchufe para la alimentación de dispositivos activos que permitan el acceso a servicios mediante redes inalámbricas y redes alámbricas.
Las dimensiones del gabinete de piso se establecen dependiendo del número de PAU. En la Tabla 12 se relacionan las medidas mínimas del gabinete de piso.
<Tabla modificada por el artículo 40 de la Resolución 4639 de 2014. El nuevo texto es el siguiente:>
Tabla 12. Dimensiones de gabinetes de piso
| Requerimiento | Medidas mínimas (alto x ancho x profundo) |
| Puntos de acceso por planta Puntos de acceso por planta Cambio de dirección o bifurcación de la canalización principal Cada tramo de 30 m Unidades privadas individuales | 450mm x 450mm x 200mm |
| En edificios de viviendas entre 21 y 30 puntos de acceso En edificios con puntos de acceso menores a 20 en los que se superen las limitaciones establecidas en el apartado anterior en cuanto a número de PAU por planta o número de plantas | 500mm x 700mm x 200mm |
| En edificios con puntos de acceso mayor de 30 | 550mm x 1000mm x 200mm |
| Cámaras en el caso (cambio de dirección o bifurcación) que la canalización sea subterránea. | 500mm x 600mm x 1000mm |
Si se hace necesario que en un gabinete de piso se instale algún amplificador o igualador, se utilizarán gabinetes complementarios con las siguientes dimensiones: 450 mm x 450 mm x 150 mm.
Conforme a la norma ISO/IEC 11801:2002 + A1:2008 + A2: 2010(E) (Information technology - Generic cabling for customer premises), el número y tipo de sistemas de cableado depende de la geometría y tamaño del inmueble. Usualmente debe existir un gabinete de piso por cada 1.000 m2 de área en cada piso del inmueble, con un mínimo de uno. Se colocará un gabinete de piso en los siguientes casos:
-- En los puntos de encuentro entre una canalización de distribución y una canalización de dispersión en el caso de edificios de inmuebles, y en los puntos de dispersión hacia las viviendas, en el caso de conjunto de unidades privadas individuales. Los gabinetes deben disponer de espacios delimitados para cada uno de los tipos de cables.
-- En cada cambio de dirección o bifurcación de la canalización de distribución o principal.
-- En cada tramo de 30 m de canalización principal.
-- En los casos de cambio en el tipo de conducción.
Los gabinetes deben quedar localizados de tal manera que la longitud de cable resultante satisfaga los requerimientos de desempeño de transmisión de señales en los cables dados en la norma ISO/IEC 11801:2002 + A1:2008 + A2: 2010(E) (Information technology - Generic cabling for customer premises) y, complementariamente, en la norma NTC 3608 (Especificaciones técnicas para armarios, cajas de dispersión, gabinetes y pedestales para redes de telecomunicaciones) para aspectos no tratados en la especificación internacional.
En los casos en que se utilicen salones de telecomunicaciones inferiores en la planta baja o salones de telecomunicaciones superiores, en la última planta podrá habilitarse una parte del salón de equipos de telecomunicaciones para que se realicen las funciones de gabinete de piso desde donde saldrá la red de dispersión de los distintos servicios hacia las viviendas y/o locales situados en dichas plantas.
4.4.8.3 Cajas de paso
Las cajas de paso son elementos con entradas laterales previamente troqueladas e iguales en sus cuatro paredes, a las que se podrán acoplar conos ajustables multidiámetro para la entrada de conductos. Se definen tres tipos de cajas de paso con de las siguientes dimensiones, número de entradas de cada lateral y diámetro de las entradas:
Tabla 13
Dimensiones de cajas de paso
| Dimensiones (mm) (altura x anchura x profundidad) | No de entradas en cada lateral | Diámetro máximo del tubo (pulgadas) | |
| Tipo A | 360 x 360 x 120 | 6 | 1 ½” |
| Tipo B | 100 x 100 x 40 | 3 | 1” |
| Tipo C | 100 x 160 x 40 | 3 | 1” |
Fuente: Norma NTC 5797.
Se utilizan cajas de paso en los tramos de canalización de dispersión en los siguientes casos:
-- Cada 15 m de longitud de las canalizaciones de dispersión y de canalización de interior de usuario.
-- En los cambios de dirección de radio inferior a 120 milímetros para viviendas o 250 milímetros para oficinas.
Los tipos de cajas de paso se utilizarán según los siguientes criterios:
Cajas de paso tipo A:
-- En las zonas comunes de los inmuebles.
Cajas de paso del tipo B
-- En los tramos de acceso a los inmuebles.
-- En las canalizaciones interiores de usuario para cables de pares de cobre y fibra óptica.
Cajas de paso del tipo C
-- En las canalizaciones interiores de usuario para cables coaxiales.
Estas cajas de paso se deben empotrar en la pared y se deben ubicar en zonas de uso común del inmueble. Se admitirá un máximo de dos curvas de noventa grados entre dos cajas de paso, respetando que su radio de curvatura no produzca a su vez en los cables radios de curvatura inferiores a 2 cm.
4.4.8.4 Cajas de terminación de red
Estarán en el interior de la vivienda del usuario, local, oficina o en la zona de área común del inmueble, ubicadas preferiblemente cerca de la puerta principal de acceso a las mismas. Pueden ser de montaje superficial o empotrado, en material plástico o metálico. Deben disponer de las entradas necesarias para la canalización de dispersión mediante el uso de cajas de paso, y las de interior de usuario que accedan a ellos.
Cuando se utilicen cajas de terminación de red independientes para cada tipo de cable, deben tener tapa y las siguientes dimensiones mínimas<19> :
a) Una caja de terminación de red de 100 mm x 170 mm x 40 mm (alto, ancho, profundo), para los cables multipares o de fibra óptica;
b) Una caja de 200 mm x 300 mm x 60 mm (alto, ancho, profundo), para cables coaxiales provenientes del gabinete principal superior.
c) Una caja de 200 mm x 300 mm x 40 mm (alto, ancho, profundo), para cables coaxiales provenientes del gabinete principal inferior.
Cuando dos tipos de cables se integren en una única caja de terminación de red, las medidas mínimas deben ser de:
-- Una caja de terminación de red de 300 mm x 400 mm x 60 mm (alto, ancho, profundo).
Cuando los tres tipos de cables se integren en una única caja de terminación de red, las medidas mínimas deben ser de:
-- Una caja de terminación de red de 300 mm x 500 mm x 60 mm (alto, ancho, profundo).
Las cajas de terminación de red se deben instalar a más de 200 milímetros y menos de 2300 milímetros del suelo. Deben disponer de 2 tomas de corriente alterna o base de enchufe para la alimentación de dispositivos que permitan el acceso a servicios mediante redes inalámbricas y redes alámbricas.
4.4.8.5 Cajas de toma de usuario
Las cajas de toma de usuario irán empotradas en la pared, y deberán disponer para la fijación del elemento de conexión (toma de usuario) de, al menos, dos orificios para tornillos separados entre sí. Las dimensiones internas mínimas de las cajas serán<20> las siguientes: para las cajas metálicas 53,9 mm de ancho, 101 mm de largo y 47,6 mm de profundidad y para cajas no metálicas 53 mm de ancho, 97 mm de largo y 41 mm de profundidad, garantizando siempre espacio suficiente para alojar los elementos.
Para cajas de otra geometría, las dimensiones deben garantizar que se cumple con lo dispuesto en la norma NTC 2050, estableciendo que no deben de ser menores a 210 cm3.
<Inciso modificado por el artículo 42 de la Resolución 4639 de 2014. El nuevo texto es el siguiente:> Para el caso de inmuebles de uso residencial se instalarán cajas de toma, no específicamente asignada a un tipo de cable, pero que podrá ser configurado posteriormente por el usuario, teniendo en cuenta como mínimo lo siguiente:
-- Para Viviendas de Interés Social, incluidas las Viviendas de Interés Social Prioritaria se debe instalar una caja de toma configurable en aquellas estancias, excluidos cocinas, baños y depósitos, en las que no se instalen tomas de usuario, con un mínimo total de dos por vivienda.
-- Para los demás tipos de viviendas se deben seguir las siguientes reglas:
Viviendas ubicadas en Estratos Socioeconómicos 1 y 2: una caja de toma configurable en aquellas estancias, excluidos cocinas, baños y depósitos, en las que no se instalen tomas de usuario, con un mínimo total de dos por vivienda.
-- Viviendas ubicadas en Estratos Socioeconómicos 3 y 4: una caja de toma configurable en aquellas estancias, excluidos baños y depósitos, en las que no se instalen tomas de usuario, con un mínimo total de dos por vivienda.
-- Viviendas ubicadas en Estratos Socioeconómicos 5 y 6: una caja de toma configurable por cada estancia, excluidos baños y depósitos, con un mínimo total de dos por vivienda.
Las cajas de toma tendrán en sus inmediaciones (máximo 500 mm) una toma de corriente alterna, o base de enchufe.
RÉGIMEN DE INSPECCIÓN, CONTROL Y VIGILANCIA DEL REGLAMENTO.
ARTÍCULO 5.1. OBJETO. El objetivo del régimen al que se hace referencia en el presente capítulo se centra en garantizar que la red interna única de telecomunicaciones de los inmuebles en Colombia sometidos al régimen de propiedad horizontal a los cuales se aplique el presente reglamento, será diseñada, construida y puesta en servicio bajo los lineamientos técnicos y administrativos establecidos en el mismo.
Por tanto, a partir de la entrada en vigencia del presente reglamento, los proveedores de servicios solo podrán suministrar sus servicios a inmuebles sometidos al régimen de propiedad horizontal que:
a) Hagan uso de la red interna única de telecomunicaciones, diseñada y construida bajo los parámetros establecidos en este Reglamento, lo cual se verificará con el certificado de conformidad correspondiente;
b) Cuenten con licencia urbanística de construcción vigente, expedida con posterioridad a la entrada en vigencia del presente reglamento, para obra nueva, según lo previsto en el Decreto 1469 de 2010 o normas que lo modifiquen, complementen o sustituyan.
El presente reglamento no es de obligatorio cumplimiento para aquellos inmuebles que no se encuentren sometidos al régimen de propiedad horizontal o aquellos que, sometidos al régimen de propiedad horizontal, hayan solicitado licencia de construcción como obra nueva previa a la entrada en vigencia del presente reglamento. Tampoco se aplica a los bienes inmuebles de conservación arquitectónica o declarados como monumentos o de patrimonio nacional o local.
En todo caso, para aquellos inmuebles a los cuales no se aplica el presente reglamento, la comunidad que conforma la propiedad horizontal podrá voluntariamente, previo estudio de factibilidad técnico y arquitectónico, mediante decisión adoptada bajos las normas que gobiernan la propiedad horizontal en Colombia, adelantar los ajustes o reformas técnicas necesarias para que la red interna de telecomunicaciones del inmueble cumpla con los requerimientos técnicos establecidos en el presente reglamento y solicitar, si así se decide, el certificado de conformidad correspondiente.
El presente reglamento está elaborado como una norma de principios mínimos a cumplir, por lo cual las redes internas podrán ser diseñadas con mecanismos y bajo productos que se encuentren por encima de los señalamientos mínimos contenidos en el mismo.
De acuerdo con la normatividad vigente, la vigilancia y control del presente reglamento será responsabilidad de la Superintendencia de Industria y Comercio.
En el Apéndice 1 se incluyen los formatos que deberán utilizarse dentro del proceso de certificación de la red interna de telecomunicaciones.
ARTÍCULO 5.2. PROCEDIMIENTO PARA LA EVALUACIÓN DE LA CONFORMIDAD. El procedimiento para la evaluación de la conformidad de un proceso o producto frente al RITEL, que garantice la inspección, control y vigilancia del mismo, será el establecido en las normas que regulan la materia, en especial las siguientes:
-- Ley 155 de 1959, por la cual se dictan algunas disposiciones sobre prácticas comerciales restrictivas.
-- Ley 170 de 1994, por medio de la cual se aprueba el Acuerdo por el que se establece la “Organización Mundial de Comercio (OMC)”, suscrito en Marrakech (Marruecos) el 15 de abril de 1994, sus Acuerdos multilaterales anexos y el Acuerdo Plurilateral anexo sobre la carne de bovino. De especial importancia el “Acuerdo sobre Obstáculos Técnicos al Comercio”.
-- Ley 1480 de 2001, por medio de la cual se expide el Estatuto del Consumidor y se dictan otras disposiciones.
-- Decreto 2269 de 1993, por el cual se organiza el Sistema Nacional de Normalización, Certificación y Metrología.
-- Decreto 2360 de 2001, por el cual se ejerce la facultad consagrada en el artículo 3o de la Ley 155 de 1959 (referida a la facultad del Gobierno para intervenir en la fijación de normas sobre calidad de los productos, con miras a defender el interés de los consumidores y de los productores de materias primas).
-- Decreto 2828 de 2006, por el cual se organiza el Sistema Administrativo Nacional de Competitividad y se dictan otras disposiciones.
-- Decreto 3144 de 2008, por el cual se modifica el Decreto 2269 de 1993.
-- Decreto 3257 de 2008, por el cual se modifica parcialmente el Decreto 2269 de 1993 y se dictan otras disposiciones (creando el Subsistema Nacional de Calidad).
-- Decreto 4738 de 2008, por el cual se dictan normas sobre intervención en la economía para el ejercicio de las funciones de acreditación de organismos de evaluación de la conformidad que hagan parte del Subsistema Nacional de la Calidad y se modifica la estructura de la Superintendencia de Industria y Comercio.
-- Ley 1253 de 2008, por la cual se regula la productividad y competitividad y se dictan otras disposiciones.
-- Decreto 4886 de 2011, por medio del cual se modifica la estructura de la Superintendencia de Industria y Comercio, se determinan las funciones de sus dependencias y se dictan otras disposiciones.
-- Decisión 376 de la CAN, Sistema Andino de Normalización, Acreditación, Ensayos, Certificación, Reglamentos Técnicos y Metrología.
-- Decisión 419 de la CAN, Modificación de la Decisión 376.
-- Decisión 562 de la CAN, Directrices para la elaboración, adopción y aplicación de reglamentos técnicos en los países miembros de la Comunidad Andina y a nivel comunitario.
Por lo anterior, la red interna de telecomunicaciones y los productos que hacen parte de la misma en los inmuebles sujetos al presente reglamento, deberán contar con un certificado de conformidad que establezca que dicha red y sus productos cumplen con lo dispuesto en el mismo y en las normas técnicas nacionales e internacionales relacionadas. Estos certificados serán expedidos por los organismos de certificación (para los productos) y por los organismos de inspección (para la red interna) correspondientes.
Para ello, de conformidad con lo establecido en el Decreto 4738 de 2008, cualquier persona jurídica podrá acreditarse ante el Organismo Nacional de Acreditación de Colombia (ONAC) como organismo de certificación o de inspección para la expedición de certificados de conformidad de los productos o servicios contenidos en el RITEL.
Esta acreditación ante el ONAC se realizará de conformidad con las normas que rigen la materia, especialmente las normas NTC-ISO-IEC 17020 (para organismos de inspección) e ISO-IEC 65 y 67 o Norma ISO/IEC 17065:2012, según lo establezca el ONAC (para organismos de certificación de productos) y bajo los procedimientos señalados por dicho Organismo. Igualmente, el funcionamiento de los organismos de inspección o de certificación de los productos contenidos en el RITEL se realizará de conformidad con las normas vigentes establecidas para ello.
Los inmuebles a los cuales se aplica el presente reglamento, no podrán recibir los servicios de telecomunicaciones ofrecidos por los proveedores de servicios hasta tanto dispongan del certificado de conformidad de dicha red y de sus productos.
5.2.1 Organismo de Inspección
Según la norma NTC-ISO-IEC 17020, los organismos de inspección realizan el examen del diseño de un producto, el producto, el servicio, el proceso o la planta, y la determinación de su conformidad con requisitos específicos o con requisitos generales, sobre la base de un juicio profesional.
La inspección de un proceso incluye personal, instalaciones, tecnología y metodología. Los resultados de la inspección serán utilizados para respaldar la certificación.
En consecuencia, para efectos del presente reglamento, el organismo de inspección será el competente para determinar que la red interna de telecomunicaciones, en cuanto a su diseño y construcción, cumple con lo establecido en el RITEL.
Para ello, dichos organismos deberán actuar como organismos de inspección tipo A, según lo establecido en la NTC-ISO-IEC 17020, es decir, un organismo independiente de las partes involucradas en el proceso de inspección. Por tal motivo, las empresas de construcción de inmuebles o los proveedores de servicios no podrán acreditarse como organismos de inspección.
5.2.2 Organismo de certificación de productos
Según las normas ISO-IEC 65 y 67 o la norma ISO/IEC 17065:2012, según lo establezca el ONAC, los organismos de certificación de productos emiten documentos según los procedimientos de un sistema de certificación para atestiguar que se ha demostrado que un producto cumple con los requisitos establecidos.
En consecuencia, el organismo de certificación de productos será el competente para determinar que los productos listados en el artículo 5.3 de este Capítulo cumplen con los requisitos establecidos en el presente reglamento y/o en las normas técnicas nacionales e internacionales que regulan esos productos.
El organismo de certificación de productos deberá ser de “tercera parte”, es decir, independiente de la entidad o empresa que ha fabricado el producto, las cuales no podrán acreditarse como organismos de certificación de productos.
Un mismo organismo podrá actuar simultáneamente como organismo de inspección y como organismo de certificación de productos, previa acreditación ante el ONAC.
ARTÍCULO 5.3. CAMPO DE APLICACIÓN. A partir de la entrada en vigencia del presente reglamento, las redes internas de telecomunicaciones de los inmuebles a los cuales se aplica el mismo y sus productos, que soportan servicios de telecomunicaciones, incluidos los de televisión, deberán contar con:
a) Un certificado de conformidad con el reglamento, expedido por un organismo de inspección previamente acreditado ante el ONAC en donde se haga constar que la red interna de telecomunicaciones, en cuanto a su diseño y construcción cumple con el RITEL y las normas técnicas nacionales e internacionales incluidas en el mismo; y con,
b) Un certificado de conformidad con el reglamento, expedido por un organismo de certificación de productos, previamente acreditado ante el ONAC, en donde se haga constar que los productos que hacen parte de la red interna de telecomunicaciones cumplen con el RITEL y con las normas técnicas nacionales e internacionales que regulan el producto.
Los certificados de conformidad, expedidos por el organismo de certificación o de inspección, deberán estar avalados por un ingeniero electrónico y/o de telecomunicaciones, con matrícula profesional vigente, que haga parte de dicho organismo. A su vez, este ingeniero deberá certificar que la dirección de las labores de diseño y construcción de la red interna de telecomunicaciones fue realizada por un ingeniero electrónico y/o de telecomunicaciones con matrícula profesional vigente. En este sentido, si el diseño o la construcción de la red interna de telecomunicaciones no fueron dirigidos por un ingeniero electrónico y/o de telecomunicaciones con matrícula profesional vigente o si el diseño presentado o la construcción de la red interna de telecomunicaciones no están acordes con lo establecido en el RITEL, no procederá la evaluación de la conformidad.
<Inciso modificado por el artículo 41 de la Resolución 4639 de 2014. El nuevo texto es el siguiente:> Los inmuebles cuya licencia de construcción para obra nueva sea solicitada con posterioridad a la entrada en vigencia del reglamento no podrán acceder a los servicios públicos de telecomunicaciones hasta tanto cuenten con el certificado de conformidad. En estos casos, el proveedor de servicios deberá verificar la existencia del original del certificado de conformidad (tanto para la red interna como para los productos) para suministrar al inmueble los servicios solicitados.
En relación con los productos contenidos en el presente reglamento, los relacionados a continuación serán objeto de evaluación de la conformidad por parte de un organismo de certificación de productos:
<Tabla modificada por el artículo 43 de la Resolución 4639 de 2014. El nuevo texto es el siguiente:>
Tabla 14. Productos a los que aplica el RITEL y normas aplicables
| Ítem- Elemento | Normas aplicables |
| 1. Bandejas portacables | RETIE, IEC 61537 |
| 2. Canalizaciones y canaletas metálicas y no metálicas | RETIE, NTC 2050. |
| 4. Equipos de recepción y procesamiento de señales radiodifundidas | IEC 60728-5 |
| 5. Cable de cobre | NTC 983, NTC 1300, IEC 61156-1 |
| 6. Cable de cobre categoría 6, 6A, 7, 7A | ISO/IEC 11801:2002 + A1:2008 + A2: 2010(E), ISO/IEC 15018:2004, IEC 61156-1, IEC 61156-5, IEC 61156-6, IEC 60332-1-2, IEC 61034-2, IEC 60754-1, IEC 60754-2, NTC 1300. |
| 7. Cable coaxial (RG 6, RG 11) | ISO/IEC 15018:2004, IEC 61196-1, IEC 61169-2, IEC 60966-2-5, IEC 61935-1 |
| 8. Cables de cruzada | NTC 4353, NTC 1300, IEC 61935-1 |
| 9. Cables balanceados | IEC 61156-1, ISO/IEC 11801:2002 + A1:2008 + A2: 2010(E), IEC 61935-1 |
| 10. Cables de fibra óptica y módulos de terminación de óptica | ISO/IEC 11801:2002 + A1:2008 + A2: 2010(E), IEC 60794-2, NTC 3613, NTC 4353, IEC 60332-1-2, IEC 61034-2, IEC 60754-1, IEC 60754-2 |
| 11. Regletas de entrada y de salida | NTC 3605. |
| 12. Conector para cables balanceados (cables de pares de cobre y cables de pares trenzados) | ISO/IEC 11801:2002 + A1:2008 + A2: 2010(E), IEC 60603-7 (serie) |
| 13. Conector tipo F para cable coaxial | IEC 61169-24:2009 |
| 14. Conectores ópticos SC/APC dúplex | IEC 61300-1, NTC 4353, ISO/IEC 11801:2002 + A1:2008 + A2: 2010(E), IEC 60874-1 |
| 15. Antenas, torres, mástiles, soportes, anclajes, riostras, riendas, tensores. | NTC 2050, IEC 60068-2-1:2007, IEC 60068-2-2:2007, IEC 60068-2-11:1981, IEC 60068-2-30:2005 |
| 16. Paneles de conexión | IEC 60603 (serie), ISO/IEC 11801:2002 + A1:2008 + A2: 2010(E) |
| 17. Canaletas | IEC 61084-2-1 |
| 18. Equipos de cabecera para el acceso a servicios de telecomunicaciones mediante redes inalámbricas. | IEC 60728-5 |
| 19. Equipos activos (amplificadores) para el acceso a servicios de telecomunicaciones mediante redes inalámbricas y alámbricas de cables coaxiales. | IEC 60728-3 |
| 20. Equipos pasivos (derivadores, repartidores/distribuidores, filtros, atenuadores, ecualizadores e inyectores/extractores) para el acceso a servicios de telecomunicaciones mediante redes inalámbricas y alámbricas de cables coaxiales. | IEC 60728-4 |
| 21. Ductos | RETIE |
| 22. Tomas de usuario | IEC 60670-1:2011 |
| 23. Tubos | RETIE, NTC 2050. |
| 24. Cajas | RETIE, IEC 60529:2001 + IEC 60529 CORR1:2003 + IEC 60529 CORR2:2007 + IEC 60529 CORR3:2009, donde el grado de protección exigido será IP 55. |
Nota: Para la evaluación de la conformidad de los anteriores productos se acudirá a la norma técnica nacional o internacional que regula cada uno de los mismos.
Los productos listados en la Tabla 14 que hagan parte de la red interna de energía eléctrica y que cuenten con el certificado de evaluación de la conformidad expedido por un organismo de certificación acreditado para la evaluación de la conformidad del RETIE, no requerirán de un nuevo certificado de evaluación de la conformidad para efectos de acreditar el cumplimiento del presente reglamento.
Según lo establecido en el artículo 26 de la Decisión 376 de la CAN, el presente reglamento aplica a los productos con los nombres comerciales definidos en la Tabla 14 y no a las partidas del arancel de aduanas, puesto que en estas se pueden clasificar productos que no son objeto del RITEL o a pesar de que se trate de productos incluidos en este reglamento, la partida arancelaria es susceptible de modificación por la autoridad competente.
El certificado de conformidad de los anteriores productos solo se exigirá cuando los mismos estén destinados o hagan parte de la red interna de telecomunicaciones de los inmuebles a los cuales se aplica el presente reglamento. El certificado de conformidad deberá establecer que el producto cumple con los requisitos establecidos en el presente reglamento o con la norma técnica internacional o nacional (NTC) correspondiente que regule las características del mismo.21
Con el fin de prevenir errores en el suministro de los productos que se utilizarán para la red interna de telecomunicaciones, los mismos deberán contar con el certificado de conformidad previo a su comercialización, de manera que el constructor de la red interna tenga certeza que los productos que utilizará se encuentran en conformidad con el presente reglamento y/o con las normas técnicas nacionales y/o internacionales que regulan dichos productos.
Por lo tanto, de conformidad con lo establecido en el artículo 8o del Decreto 2269 de 1993 (modificado por el artículo 1o del Decreto 3144 de 2008)<22>, previamente a su comercialización, los fabricantes, importadores o comercializadores de los productos sometidos a este reglamento técnico, deberán demostrar su cumplimiento a través de un certificado de conformidad expedido por un organismo de certificación de producto acreditado por el ONAC, de acuerdo con los procedimientos establecidos en la normatividad vigente para probar la conformidad de productos incluidos en el alcance de los reglamentos técnicos. Los constructores deberán contar con una copia de este certificado para ser presentado a los organismos de certificación, los cuales podrán acreditar su autenticidad ante la autoridad correspondiente.
QWE
Para la aceptación de certificados de conformidad de terceros países o de los países de origen, se seguirá el procedimiento establecido al respecto por la normatividad vigente sobre la materia y por el ONAC en relación con los acuerdos de reconocimiento mutuo.
Respecto de los países miembros de la Comunidad Andina de Naciones se aplicará lo establecido en la Decisión 376 (modificada por la Decisión 419) y en la Decisión 562. En relación con los países con los cuales Colombia tenga en vigencia acuerdos comerciales, se aplicará para los certificados de conformidad de terceros países o de países de origen lo establecido en dichos acuerdos. En los demás casos se seguirán los principios de la Ley 170 de 1994 contenidos en el Capítulo de Obstáculos Técnicos al Comercio.
Para efectos del control y vigilancia de los productos a los que aplica el RITEL, la Tabla 15 muestra algunas partidas arancelarias tomadas del Decreto 4927 de 201123, con las respectivas notas marginales que precisan las condiciones en las cuales ciertos productos pueden excluirse del cumplimento de dicho reglamento, por estar los mismos destinados a aplicaciones distintas al alcance del mismo. Cuando se haga uso de exclusiones, estas se probarán ante la entidad de control con los mecanismos previstos en la normatividad vigente.
Tabla 15
Aplicación del RITEL para productos según partida arancelaria
| Partida arancelaria | Descripción según arancel | Nota marginal para aplicar o excluir un producto del cumplimento del RITEL |
| 3917.21.90.00 | Los demás tubos rígidos de polímeros de etileno. | Aplica únicamente a tuberías para instalaciones de redes internas de telecomunicaciones, (tubos conduit). |
| 3917.22.00.00 | Tubos rígidos de polímeros de propileno. | Aplica únicamente a tuberías para instalaciones de redes internas de telecomunicaciones, (tubos conduit). |
| 3917.23.90.00 | Los demás tubos rígidos de polímeros de cloruro de vinilo. | Aplica únicamente a tuberías para instalaciones de redes internas de telecomunicaciones, (tubos conduit). |
| 3917.29.10.00 | Tubos rígidos de los demás plásticos, de fibra vulcanizada. | Aplica únicamente a tuberías para instalaciones de redes internas de telecomunicaciones, (tubos conduit). |
| 3917.29.99.00 | Los demás tubos rígidos de los demás plásticos. | Aplica únicamente a tuberías para instalaciones de redes internas de telecomunicaciones, (tubos conduit). |
| 3925.90.00.00 | Los demás artículos para la construcción, de plástico, no expresados ni comprendidos en otra parte (canalizaciones no metálicas). | Aplica únicamente a canalizaciones para instalaciones de redes internas de telecomunicaciones. |
| 3919.10.00.00 | Placas, láminas, hojas, cintas, tiras y demás formas planas, autoadhesivas, de plástico, incluso en rollos de anchura inferior a igual a 20 cm. | Aplica única y exclusivamente a cinta aislante de uso en redes internas de telecomunicaciones. |
| 7222.11.90.00 | Las demás barras y perfiles, de acero inoxidable, simplemente laminadas o extruidas en caliente, de sección circular. | Aplica únicamente a electrodos de puesta a tierra para instalaciones de redes internas de telecomunicaciones. |
| 7304.31.00.00 | Los demás tubos y perfiles huecos, sin soldadura (sin costura), de hierro o acero sin alear, de sección circular, estirados a laminados en frío. | Aplica únicamente a tuberías para instalaciones de redes internas de telecomunicaciones, (tubos conduit). |
| 7304.39.00.00 | Los demás tubos y perfiles huecos, sin soldadura (sin costura), de hierro o acero sin alear, de sección circular. | Aplica únicamente a tuberías para instalaciones de redes internas de telecomunicaciones, (tubos conduit). |
| 7304.51.00.00 | Los demás tubos y perfiles huecos, sin soldadura (sin costura), de sección circular, de los demás aceros aleados, estirados a laminados en frío. | Aplica únicamente a tuberías para instalaciones de redes internas de telecomunicaciones, (tubos conduit). |
| 7304.59.00.00 | Los demás tubos y perfiles huecos, sin soldadura (sin costura), de sección circular, de los demás aceros aleados. | Aplica únicamente a tuberías para instalaciones de redes internas de telecomunicaciones, (tubos conduit). |
| 7306.61.00.00 | Los demás tubos y perfiles huecos de sección cuadrada o triangular. | Aplica únicamente a canaletas, canalizaciones metálicas para instalaciones de redes internas de telecomunicaciones. |
| 7308.20.00.00 | Torres y castilletes, de fundición, de hierro o de acero, excepto las construcciones prefabricadas de la partida 94.06 | Aplica únicamente a torres, postes y demás estructuras que soportan los elementos de las redes internas de telecomunicaciones. |
| 7314.39.00.00 | Las demás redes y rejas soldadas en los puntos de cruce. | Aplica únicamente a bandejas portacables que soportan los elementos de las redes internas de telecomunicaciones. |
| 7326.19.00.00 | Las demás manufacturas de hierro o de acero forjadas o estampadas pero sin trabajar de otro modo. | Aplica únicamente a herrajes galvanizados utilizados en perfiles galvanizados para torres, postes y demás estructuras que soportan los elementos de las redes internas de telecomunicaciones. |
| 7326.90.90.00 | Barras de sección variable, de hierro o de acero. | Aplica únicamente a electrodos de puesta a tierra, con recubrimiento de cobre o de cinc, acero inoxidable u otro material, para protección contra corrosión. |
| 7407.10.00.00 | Barras y perfiles de cobre refinado. | Aplica únicamente a electrodos de puesta a tierra para instalaciones de redes internas de telecomunicaciones. |
| 7407.21.00.00 | Barras y perfiles a base de cobre-cinc (latón) | Aplica únicamente a electrodos de puesta a tierra, con recubrimiento de cobre o aleaciones cobre-cinc para instalaciones de redes internas de telecomunicaciones. |
| 8536.30.11.00 | Los demás aparatos para protección de circuitos eléctricos, como descargadores con electrodos en atmósfera gaseosa, para proteger líneas telefónicas. | Aplica únicamente a descargadores con electrodos en atmósfera gaseosa, para proteger líneas telefónicas en redes internas de telecomunicaciones. |
| 8536.70.00.00 | Conectores de fibras ópticas, haces o cables de fibras ópticas. | Aplica únicamente a conectores de fibras ópticas, haces o cables de fibras ópticas para redes internas de telecomunicaciones. |
| 8536.69.00.00 | Los demás tomas de corriente (enchufes). | Aplica únicamente a tomas y enchufes utilizados en redes internas de telecomunicaciones. |
| 8537.10.90.00 | Los demás cuadros, paneles, consolas, armarios y demás soportes equipados con varios conectores de la partida 8536.70.00.00, para una tensión inferior o igual a 1.000 V. | Aplica únicamente a cuadros, paneles, consolas, armarios y demás soportes equipados con conectores de fibras ópticas, haces o cables de fibras ópticas utilizados en redes internas de telecomunicaciones. No aplica para gabinetes de piso. <Texto subrayado adicionado por el artículo 44 de la Resolución 4639 de 2014> |
| 8538.10.00.00 | Cuadros, paneles, consolas, armarios y demás soportes de la partida 8537.10.90.00, sin incluir aparatos. | Aplica únicamente a cuadros, paneles, consolas, armarios y demás soportes utilizados en redes internas de telecomunicaciones. No aplica para gabinetes de piso. <Texto subrayado adicionado por el artículo 44 de la Resolución 4639 de 2014> |
| 8544.20.00.00 | Cables (incluidos los coaxiales) y demás conductores aislados para electricidad, aunque estén laqueados, anodizados o provistos de piezas de conexión. | Aplica únicamente a cables (incluidos los coaxiales) y demás conductores aislados utilizados en redes internas de telecomunicaciones. |
| 8544.42.10.00 | Los demás conductores eléctricos para una tensión inferior o igual a 1.000 V, provistos de piezas de conexión de telecomunicación. | Aplica únicamente a conductores eléctricos con piezas de conexión utilizados en redes internas de telecomunicaciones. |
| 8544.70.00.00 | Cables de fibras ópticas constituidos por fibras enfundadas individualmente, incluso con conductores eléctricos incorporados o provistos de piezas de conexión. | Aplica únicamente a cables de fibras ópticas utilizados en redes internas de telecomunicaciones. |
| 8542.31.00.00 | Circuitos electrónicos integrados, como procesadores y controladores, incluso combinados con memorias, convertidores, circuitos lógicos, amplificadores, relojes y circuitos de sincronización u otros circuitos. | Aplica únicamente a circuitos electrónicos integrados utilizados en redes internas de telecomunicaciones. En particular, aplica a los equipos pasivos (mezcladores/multiplexores, derivadores, repartidores/distribuidores, filtros, atenuadores, ecualizadores e inyectores/extractores) para el acceso a servicios de telecomunicaciones mediante redes inalámbricas y alámbricas de cables coaxiales. |
| 8542.32.00.00 | Circuitos electrónicos integrados, como memorias. | Aplica únicamente a circuitos electrónicos integrados utilizados en redes internas de telecomunicaciones. |
| Partida arancelaria | Descripción según arancel | Nota marginal para aplicar o excluir un producto del cumplimento del RITEL |
| 8542.33.00.00 | Circuitos electrónicos integrados, como amplificadores. | Aplica únicamente a circuitos electrónicos integrados utilizados en redes internas de telecomunicaciones. En particular, aplica a los equipos de cabecera (amplificadores) para el acceso a servicios de telecomunicaciones mediante redes inalámbricas y alámbricas de cables coaxiales. |
| 8542.39.00.00 | Los demás circuitos electrónicos integrados. | Aplica únicamente a circuitos electrónicos integrados utilizados en redes internas de telecomunicaciones. |
| 8529.10.20.00 | Antenas parabólicas y reflectores de antena. | Aplica únicamente a antenas parabólicas utilizadas en redes internas de telecomunicaciones. En particular, aplica a los equipos de captación (antenas) para el acceso a servicios de telecomunicaciones mediante redes inalámbricas. |
| 8529.10.90.00 | Las demás antenas y partes. | Aplica únicamente a antenas y partes utilizadas en redes internas de telecomunicaciones. En particular, aplica a los equipos de captación (antenas) para el acceso a servicios de telecomunicaciones mediante redes inalámbricas. |
| 8529.90.10.00 | Las demás cajas destinadas, exclusiva o principalmente a los aparatos de las partidas 85.25 a 85.28 | Aplica únicamente a cajas utilizadas en redes internas de telecomunicaciones. |
El cumplimento de los requisitos se deberá demostrar mediante ensayos pertinentes en laboratorios acreditados o reconocidos según la normatividad vigente. Los requisitos de producto que se deben probar son:
a) Los establecidos en el presente reglamento;
b) Los contemplados en normas técnicas internacionales ISO, IEC o NTC, referidas en el presente reglamento, para aquellos productos a los que se les exige el cumplimiento de una norma técnica.
Se exceptúan del alcance del presente reglamento técnico los productos que aun estando clasificados en la Tabla 15 estén destinados exclusivamente a:
a) Las redes de alimentación de los proveedores de servicios, con el alcance definido en el numeral 1.3.19 del presente reglamento;
b) Aparatos, equipos, terminales de usuario u otros productos con conectores y/o interfaces para su conexión a la red interna de telecomunicaciones de la edificación en las cajas de toma de usuario –TU- de que trata el numeral 4.4.8.5 del presente reglamento;
c) Materias primas o componentes para la fabricación de aparatos, equipos, terminales de usuario u otros productos distintos a los requeridos para la instalación de redes internas de telecomunicaciones objeto de este Reglamento, a menos que otro reglamento les exija el cumplimento del RITEL.
En consecuencia, estos productos que se importen o fabriquen en el país con destino exclusivo a estas redes, aparatos, equipos, terminales o componentes, no requieren demostrar conformidad con el RITEL.
Las declaraciones de importación de los productos descritos en la Tabla 15 deberán llevarse a cabo ante las autoridades competentes, según las normas que regulen esos procesos.
5.3.1 Costos de los certificados de conformidad
<Numeral modificado por el artículo 45 de la Resolución 4639 de 2014. El nuevo texto es el siguiente:> Las tarifas establecidas por los organismos de inspección serán pagadas por el constructor del inmueble.
Los fabricantes, importadores y comercializadores de los productos señalados en la Tabla 14 pagarán las tarifas que cobren los organismos de certificación de productos por la revisión del producto correspondiente.
5.3.2 Requisitos mínimos
Las disposiciones contenidas en el presente reglamento, incluidas las normas técnicas nacionales e internacionales referenciadas, son de carácter obligatorio para el diseño, construcción y funcionamiento de la red interna de telecomunicaciones y los productos que hacen parte de la misma, siendo por tanto requisitos mínimos a cumplir por parte de los constructores de los inmuebles sujetos al régimen de propiedad horizontal a los cuales se aplica el presente reglamento.
En los inmuebles sujetos al régimen de propiedad horizontal a los cuales se aplica el presente reglamento, cada unidad privada deberá contar con el respectivo certificado de evaluación de la conformidad tanto para la red interna (emitida por un organismo de inspección) como para los productos que hacen parte de la misma (emitida por un organismo de certificación).
<Inciso modificado por el artículo 19 de la Resolución 4741 de 2015. El nuevo texto es el siguiente:> Los organismos de inspección para la red interna de telecomunicaciones podrán acompañar al constructor del inmueble, a solicitud de parte, durante todo el proceso de construcción con el fin de garantizar a tiempo que la red interna de telecomunicaciones se ajusta a las disposiciones contenidas en el presente reglamento y a las normas técnicas nacionales e internacionales que hacen parte del mismo.
ARTÍCULO 5.4. OPERACIÓN Y MANTENIMIENTO DE LA RED INTERNA DE TELECOMUNICACIONES. La red interna de telecomunicaciones a la cual se aplica el presente reglamento deberá mantenerse en condiciones de adecuada operación durante la fecha de vigencia del certificado de conformidad, por lo que, una vez la red se encuentre operando, la copropiedad del inmueble deberá garantizar el funcionamiento adecuado de la misma.
El mantenimiento de dicha red deberá ser contratado por la copropiedad con ingenieros electrónicos y/o de telecomunicaciones que acrediten experiencia en la materia y con matrícula profesional vigente.
Durante la prestación de los servicios de telecomunicaciones, el proveedor de servicios estará exento de suministrar los servicios contratados si detecta que la red interna no cumple con lo establecido en el presente reglamento.
Se encuentra prohibido el uso de materiales usados, reutilizados o remanufacturados para ser parte de la red interna de telecomunicaciones o infraestructura soporte.
<Inciso modificado por el artículo 46 de la Resolución 4639 de 2014. El nuevo texto es el siguiente:> Los certificados de evaluación de la conformidad de la red interna de telecomunicaciones deberán ser revalidados cada diez (10) años por parte de la copropiedad. Los costos de esta revalidación deberán ser asumidos por la copropiedad del inmueble.
ARTÍCULO 5.5. LABORATORIOS DE PRUEBAS Y ENSAYOS Y ROTULADOS. Cuando los ensayos requeridos para la expedición de los certificados de conformidad de productos se efectúen en Colombia, deberán ser realizados en laboratorios acreditados por el ONAC o la autoridad competente para ello, bajo la norma NTC-ISO-IEC 17025 o la norma correspondiente. En caso de no existir laboratorio acreditado para la realización de estos ensayos, se podrán efectuar en laboratorios evaluados previamente por los organismos de certificación; dicho laboratorio deberá iniciar su proceso de acreditación dentro del año siguiente a la prestación del primer servicio bajo esta condición. Si vencido el plazo de dos años contados a partir del primer servicio prestado en este supuesto, este laboratorio no ha obtenido su acreditación respectiva, el organismo de certificación no podrá seguir utilizando sus servicios.
Cuando no exista en Colombia laboratorio de pruebas acreditado para la realización de un ensayo específico, serán válidos los certificados de conformidad emitidos por organismos de certificación acreditados por entidades respecto de los cuales se haya demostrado previamente ante el ONAC o la autoridad competente, que son parte de acuerdos multilaterales de reconocimiento mutuo de la acreditación.
5.5.1 Rotulado de productos
Los materiales y elementos utilizados en la red interna de telecomunicaciones, deben estar rotulados con la información establecida en los requisitos de producto del presente reglamento o en las normas técnicas nacionales o internacionales que regulan el producto, incluidas las señaladas en la Tabla 14 referida en el artículo 5.3. Dicha información deberá ser demostrada en el proceso de certificación del producto por parte del fabricante, importador o comercializador del producto.
ARTÍCULO 5.6. COMPONENTES DEL DICTAMEN DEL ORGANISMO DE INSPECCIÓN. El dictamen del organismo de inspección debe tener básicamente los siguientes componentes:
a) La identificación plena del inmueble, de la red interna de telecomunicaciones y de las personas que intervinieron en la fase de diseño, supervisión y construcción de la red;
b) Los aspectos a evaluar con sus resultados y observaciones, según lo descrito en el Apéndice 1 del presente reglamento;
c) El resultado final de la conformidad;
d) Identificación plena del organismo de inspección y del inspector o inspectores que actuaron en la inspección y el dictamen, así como los documentos que determinan el alcance de la inspección.
El dictamen de inspección debe ser firmado tanto por el director técnico o su equivalente que sea calificado y experimentado en la operación del organismo de inspección y tenga la responsabilidad general del dictamen, como por el inspector responsable de la inspección. Estas personas deberán ostentar un título profesional en ingeniería electrónica y/o de telecomunicaciones con matrícula profesional vigente.
Es responsabilidad del organismo de evaluación de la conformidad garantizar la idoneidad técnica y profesional frente al RITEL de los ingenieros electrónicos y/o de telecomunicaciones involucrados en los procesos de inspección y/o certificación.
El propietario de la red interna de telecomunicaciones deberá mantener disponible una copia del dictamen de inspección del proyecto de red interna de telecomunicaciones, a fin de facilitar su consulta cuando lo requiera el proveedor de servicios o autoridad administrativa, judicial, de policía o de control o vigilancia competente.
ARTÍCULO 5.7. VIGILANCIA Y CONTROL. <Artículo modificado por el artículo 47 de la Resolución 4639 de 2014. El nuevo texto es el siguiente:> El incumplimiento de los requisitos establecidos en el presente reglamento derivará en las siguientes acciones:
a) Los constructores que hayan construido una red interna de telecomunicaciones sin ajustarse a lo establecido en el presente reglamento no podrán recibir el certificado de conformidad de dicha red y/o sus productos con el presente reglamento. Lo anterior sin perjuicio de las competencias que sobre la materia ostenta la Superintendencia de Industria y Comercio, en especial las previstas en la Ley 1480 de 2011 en defensa de los derechos del consumidor y en el Decreto número 4886 de 2011 para garantizar el cumplimiento de los reglamentos técnicos.
b) Los proveedores de servicios de telecomunicaciones que suministren un servicio de telecomunicaciones a inmuebles, a los cuales se aplica el presente reglamento, que no cuenten con un certificado de conformidad que señale que la red interna de telecomunicaciones y/o sus productos cumplen con el presente reglamento, podrán ser objeto de investigación por parte del Ministerio de Tecnologías de la Información y las Comunicaciones, según lo previsto en la normatividad vigente, en especial bajo lo establecido en el Título IX de la Ley 1341 de 2009.
c) Los operadores del servicio de televisión, en cualquiera de sus modalidades, podrán ser objeto de investigación de la Autoridad Nacional de Televisión.
d) Los ingenieros electrónicos y/o de telecomunicaciones que hayan diseñado, supervisado o construido una red interna de telecomunicaciones que no reciba el certificado de conformidad, podrán ser investigados según lo establecido en el Código de Ética Profesional, consagrado en la Ley 842 de 2003 o norma que la modifique o sustituya.
e) Los organismos de certificación o inspección que expidan certificaciones contrariando lo dispuesto en el RITEL, podrán ser investigados según lo previsto en la Ley 1480 de 2011 y en el Decreto número 4886 de 2011, así como en las normas expedidas por la Superintendencia de Industria y Comercio.
Todo lo anterior sin perjuicio de las actuaciones y competencias de la Superintendencia de Industria y Comercio en defensa de los derechos de los consumidores y para la vigilancia del presente reglamento técnico.
VIGENCIA DEL REGLAMENTO, TRANSICIÓN Y AUTORIDADES COMPETENTES.
ARTÍCULO 6.1. VIGENCIA DE REGLAMENTO. <Artículo modificado por el artículo 20 de la Resolución 4741 de 2015. El nuevo texto es el siguiente:> A excepción del mecanismo de la evaluación de la conformidad por parte de organismos de certificación e inspección, señalado en el capítulo anterior, el presente reglamento entrará en vigencia a partir del 15 de julio de 2015.
ARTÍCULO 6.2. TRANSICIÓN. Hasta tanto Colombia cuente con el primer organismo acreditado para la inspección de la red interna de telecomunicaciones, con el primer organismo acreditado para la certificación de productos del RITEL y con el primer laboratorio acreditado para pruebas y ensayos del RITEL, se aplicarán las siguientes medidas transitorias:
6.2.1 En materia de inspección de la red interna de telecomunicaciones
<Inciso modificado por el artículo 21 de la Resolución 4741 de 2015. El nuevo texto es el siguiente:> Previo a la conexión de los servicios públicos de telecomunicaciones a los inmuebles a los cuales se aplica el presente reglamento, un ingeniero electrónico y/o de telecomunicaciones, con matrícula profesional vigente y con una experiencia profesional mínima de cinco (5) años, contados a partir de la expedición de la matrícula profesional (artículo 12 de la Ley 842 de 2003), que acredite experiencia en dirección de labores de diseño y/o construcción de redes internas de telecomunicaciones en un mínimo de 3 inmuebles del tipo edificios o conjuntos de viviendas unifamiliares, deberá certificar que el diseño y la construcción de la red interna de telecomunicaciones cumple con lo establecido en el presente reglamento.
Sin este certificado, el proveedor de servicios no podrá suministrar los servicios correspondientes al inmueble.
La actuación profesional del ingeniero deberá ceñirse a las normas que reglamentan el ejercicio profesional, consagradas en la Ley 51 de 1986, en la Ley 842 de 2003 y en las normas concordantes.
6.2.2 En materia de la certificación de productos
Se aceptarán certificados de primera parte, es decir expedidos por la empresa o persona que ha fabricado el producto, señalando que el mismo cumple con el RITEL o con la respectiva norma técnica nacional y/o internacional que regula el producto. Para ello se deberá cumplir con lo establecido en la norma NTC-ISO-IEC 17050 para declaración de conformidad de primera parte.
Igualmente, se aceptarán certificados provenientes del país de origen o de terceros países.
Los certificados provenientes del exterior deberán estar debidamente consularizados o apostillados y traducidos al castellano en caso de ser expedidos en idioma diferente al mismo.
Estos certificados deberán ser revisados y aprobados por el ingeniero electrónico y/o de telecomunicaciones que certifique que la red interna de telecomunicaciones cumple con el RITEL.
6.2.3 En materia de laboratorios
Sin perjuicio de lo establecido en el artículo 5.5 del presente reglamento, durante la transición se aceptarán certificados provenientes de laboratorios de primera parte o de laboratorios ubicados en el país de origen del producto o de terceros países. Para ello se deberá cumplir, en lo pertinente, con lo establecido en la norma NTC-ISO-IEC 17050 para declaración de conformidad de primera parte y en las demás normas técnicas nacionales o internacionales que regulan la materia.
Los certificados provenientes del exterior deberán estar debidamente consularizados o apostillados y traducidos al castellano en caso de ser expedidos en idioma diferente al castellano.
Estos certificados deberán ser revisados y aprobados por el ingeniero electrónico y/o de telecomunicaciones que certifique que la red interna de telecomunicaciones cumple con el RITEL.
6.2.4 Controversias
En el evento en que el proveedor de servicios objete el certificado emitido por el ingeniero electrónico y/o de telecomunicaciones, deberá solicitar por escrito, en un plazo no mayor a los cinco (5) días, la intervención de la Comisión de Regulación de Comunicaciones, motivando la objeción. La objeción solo podrá estar referida a errores graves de apreciación en la certificación o a elementos de la red interna que puedan afectar la calidad del servicio o la red del proveedor.
La Comisión de Regulación de Comunicaciones, con la asesoría de los peritos que considere, decidirá la controversia suscitada en un plazo no mayor de treinta (30) días, poniendo fin a la actuación. Para ello se acudirá al procedimiento general para solución de controversias establecido por la Ley 1341 de 2009. La decisión de la Comisión será de obligatorio cumplimiento y contra la misma procederá únicamente recurso de reposición.
ARTÍCULO 6.3. AUTORIDADES COMPETENTES. Las autoridades con competencia para efectos de garantizar el cumplimiento del presente reglamento serán las siguientes:
a) Superintendencia de Industria y Comercio: en virtud de lo establecido por el artículo 74 de la Ley 1480 de 2011 y el numeral 23 del artículo 1o del Decreto 4886 de 2011, en desarrollo de las facultades de supervisión y control respecto de los reglamentos técnicos, podrá imponer las medidas y sanciones previstas en esa ley a quienes evalúen la conformidad de estos, por violación del reglamento técnico. Igualmente, podrá sancionar a los constructores de los inmuebles por violación a los derechos de los consumidores;
b) Ministerio de Tecnologías de la Información y las Comunicaciones: en ejercicio de sus funciones de seguimiento y control frente al servicio de radiodifusión sonora y de control y vigilancia frente a los proveedores de servicios y redes de telecomunicaciones, tendrá la competencia sancionatoria prevista en la ley respecto a los proveedores de redes y servicios de telecomunicaciones, cuando estos suministren el servicio de telecomunicaciones sin la certificación de la conformidad prevista en el Capítulo V o la provisional prevista en el artículo 6.2 del presente capítulo o incumplan las obligaciones previstas en el presente reglamento;
c) Autoridad Nacional de Televisión: en ejercicio de sus funciones de inspección y vigilancia frente al servicio de televisión y frente a los operadores del servicio, tendrá la competencia sancionatoria prevista en la ley respecto a los operadores de televisión, cuando estos suministren el servicio sin la certificación de la conformidad prevista en el capítulo anterior o la provisional prevista en este capítulo o incumplan las obligaciones previstas en el presente reglamento;
d) Comisión de Regulación de Comunicaciones: en ejercicio de sus funciones regulatorias para la definición del reglamento de instalaciones de redes de telecomunicaciones en los inmuebles que tengan un régimen de copropiedad o propiedad horizontal, la CRC será el organismo competente para la revisión, actualización e interpretación del presente reglamento;
e) Organismo Nacional de Acreditación (ONAC): en ejercicio de sus funciones de organismo nacional de acreditación y sin perjuicio de las funciones atribuidas a la Superintendencia de Industria y Comercio, será el responsable de la vigilancia de los organismos de certificación, inspección y laboratorios acreditados para el RITEL, bajo la normatividad vigente para ello, en especial el artículo 4o del Decreto 4738 de 2008;
f) Consejo Profesional de Ingenierías Eléctrica, Mecánica y Profesiones Afines: en ejercicio de sus funciones legales (Ley 51 de 1986, Ley 842 de 2003 y Decreto 1873 de 1996) para inspeccionar, vigilar y controlar el ejercicio profesional de los ingenieros electrónicos y/o de telecomunicaciones en sus actuaciones frente al Código de Ética Profesional.
Formato 1. Declaración del constructor
REGLAMENTO PARA REDES INTERNAS DE TELECOMUNICACIONES RITEL
DECLARACIÓN DEL CONSTRUCTOR
Yo ___________________________________________ mayor de edad y domiciliado en ____________ identificado con la CC. No. _______________ expedida en ___________________ en mi condición de ___________________ (ingeniero), portador de la matrícula profesional, certificado de inscripción profesional o certificado de matrícula (según el caso) No. , expedida por el Consejo Profesional _______________________, declaro bajo la gravedad del juramento, que la Instalación Interna de Telecomunicaciones cuya construcción estuvo a mi cargo, la cual es de propiedad de _______________________, CC. No. o NIT __________________, ubicada en la _________________________ del municipio o Distrito de ____________________, cumple con todos y cada uno de los requisitos establecidos en el Reglamento para Redes Internas de Telecomunicaciones RITEL que le aplican, incluyendo los productos utilizados en ella, para lo cual anexo copia de los respectivos certificados.
Así mismo declaro que atendí los lineamientos del diseño (cuando se requiera) efectuado por el Ingeniero _________________________________________, con matrícula profesional No. _______________________ y que el alcance de la Red Interna de Telecomunicaciones es el expresado en el plano de la red interna de telecomunicaciones anexo.
En constancia se firma en ________________ a los ____días del mes de __________ de _____.
Firma __________________________________________________
Dirección domicilio _________________________________
Teléfono _______________________________
Formato 2. Dictamen de inspección y verificación de la Red Interna de Telecomunicaciones.
<Formato modificado por el artículo 50 de la Resolución 4639 de 2014. El nuevo texto es el siguiente:>
REGLAMENTO PARA REDES INTERNAS DE TELECOMUNICACIONES RITEL
DICTAMEN DE INSPECCIÓN Y VERIFICACIÓN DE LA RED INTERNA DE TELECOMUNICACIONES
Lugar y fecha __________________________________ Dictamen número
Organismo de inspección
Nombre o razón social del propietario de la instalación
Dirección
Tipo de instalación: Residencial VIS Residencial No VIS Comercial Cantidad de inmuebles
Estrato socioeconómico (aplica únicamente para Residencial No VIS): 1 2 3 4 5 6
Personas Calificadas Responsables de la Construcción:
Diseño: Mat. Prof.
Construcción: Mat. Prof.
| ÍTEM | ASPECTO A EVALUAR | Aplica | Cumple | No Cumple |
| 1 | Informe del proyecto de construcción de la red interna firmado por un ingeniero electrónico y/o de telecomunicaciones donde describa: | |||
| 1.1 | Descripción del tipo de construcción y dimensionamiento y cantidad de unidades de vivienda, etc. | |||
| 1.2 | Objeto del proyecto | |||
| 1.3 | Topología de red para cada servicio | |||
| 1.4 | Dimensionamiento mínimo de la red para cada servicio de telecomunicaciones | |||
| 1.5 | Planos de diseño | |||
| 1.6 | Informes de Site Surveys | |||
| 1.7 | Registros fotográficos | |||
| 2 | Elementos que constituyen la infraestructura | |||
| 2.1 | Cámara de entrada | |||
| 2.2 | Canalización Externa | |||
| 2.3 | Canalización de Enlace | |||
| 2.4 | Canalización de Distribución | |||
| 2.5 | Canalización de Dispersión | |||
| 2.6 | Canalización interna de usuario | |||
| 2.7 | Salón de equipos de telecomunicaciones Superior | |||
| 2.8 | Salón de equipos de telecomunicaciones Inferior | |||
| 2.9 | Instalaciones eléctricas de los salones de equipos | |||
| 2.10 | Conexiones a tierra | |||
| 2.11 | Gabinete principal inferior | |||
| 2.12 | Gabinete principal superior | |||
| 2.13 | Gabinetes de piso | |||
| 2.14 | Cajas de paso | |||
| 2.15 | Cajas terminación de Red (punto de acceso al usuario) | |||
| 2.16 | Cajas de toma de usuario | |||
| 3 | Elementos que constituyen la Red Interna | |||
| 3.1 | Red Interna para el acceso a servicios inalámbricos | |||
| 3.1.1 | Sistema de Captación, amplificación y distribución de señales de radiodifusión sonora y radiodifundidas de TV terrestre analógica y TDT | |||
| 3.1.1.1 | Mástiles | |||
| 3.1.1.2 | Antenas | |||
| 3.1.1.3 | Equipos de cabecera | |||
| 3.1.1.4 | Red de distribución | |||
| 3.1.1.5 | Red de dispersión | |||
| 3.1.1.6 | Red interna de usuario | |||
| 3.1.1.7 | Regletas de conexión | |||
| 3.1.1.8 | Conexiones tomas de usuario (para cada servicio) | |||
| 3.1.1.9 | Conexiones cajas de paso o derivación | |||
| 3.1.1.10 | Derivadores | |||
| 3.1.1.11 | Punto de acceso al inmueble | |||
| 3.1.1.12 | Toma de conexión de usuario | |||
| 3.1.1.13 | Niveles de señal en las tomas de usuario | |||
| 3.1.3 | Sistema de Acceso Fijo Inalámbrico | |||
| 3.1.3.1 | Mástiles | |||
| 3.1.3.2 | Antenas | |||
| 3.1.3.3 | Red de distribución | |||
| 3.1.3.4 | Red de dispersión | |||
| 3.1.3.5 | Red interna de usuario | |||
| 3.1.3.6 | Regletas de conexión | |||
| 3.1.3.7 | Conexiones tomas de usuario (para cada servicio) | |||
| 3.1.3.8 | Conexiones cajas de paso o derivación | |||
| 3.1.3.9 | Punto de acceso al inmueble | |||
| 3.1.3.10 | Toma de conexión de usuario | |||
| 3.1.3.11 | Niveles de señal en las tomas de usuario | |||
| 3.2 | Red Interna para el acceso alámbrico a servicios de telecomunicaciones | |||
| 3.2.1 | Red interna de telecomunicaciones de pares de cobre | |||
| 3.2.1.1 | Red de distribución | |||
| 3.2.1.2 | Red de dispersión | |||
| 3.2.1.3 | Red interna de usuario | |||
| 3.2.1.4 | Regletas de conexión | |||
| 3.2.1.5 | Conexiones tomas de usuario (para cada servicio) | |||
| 3.2.1.6 | Conexiones cajas de paso o derivación | |||
| 3.2.1.7 | Punto de acceso al inmueble | |||
| 3.2.1.8 | Toma de conexión de usuario | |||
| 3.2.1.9 | Niveles de señal en las tomas de usuario | |||
| 3.2.2 | Red interna de telecomunicaciones de cables coaxiales | |||
| 3.2.2.1 | Red de distribución | |||
| 3.2.2.2 | Red de dispersión | |||
| 3.2.2.3 | Red interna de usuario | |||
| 3.2.2.4 | Regletas de conexión | |||
| 3.2.2.5 | Derivadores | |||
| 3.2.2.6 | Conexiones tomas de usuario (para cada servicio) | |||
| 3.2.2.7 | Conexiones cajas de paso o derivación | |||
| 3.2.2.8 | Punto de acceso al inmueble | |||
| 3.2.2.9 | Toma de conexión de usuario | |||
| 3.2.2.10 | Niveles de señal en las tomas de usuario | |||
| 3.2.3 | Red interna de telecomunicaciones de fibra óptica | |||
| 3.2.1.1 | Red de distribución | |||
| 3.2.1.2 | Red de dispersión | |||
| 3.2.1.3 | Red interna de usuario | |||
| 3.2.1.4 | Regletas de conexión | |||
| 3.2.1.5 | Conexiones tomas de usuario (para cada servicio) | |||
| 3.2.1.6 | Conexiones cajas de paso o derivación | |||
| 3.2.1.7 | Punto de acceso al inmueble | |||
| 3.2.1.8 | Toma de conexión de usuario | |||
| 3.2.1.9 | Niveles de señal en las tomas de usuario | |||
| 3.3 | Compatibilidad Electromagnética | |||
| 3.3.1 | Equipos utilizados cumplen con la normatividad del RITEL en cuanto a COMPATIBILIDAD ELECTROMAGNÉTICA | |||
| 3.4 | Seguridad Eléctrica | |||
| 3.4.1 | Accesos Independientes para el acceso alámbrico de telecomunicaciones y el servicio de energía eléctrica | |||
| 3.4.2 | Conexiones equipotenciales y apantallamiento | |||
| 3.4.3 | DPS dispositivos contra tensiones transitorias | |||
| 3.4.4 | Instalación eléctrica cuenta con Certificación RETIE Dictamen de inspección No:_________ | |||
| OBSERVACIONES: | ||||
| LISTADO DE ANEXOS: | ||||
Resultado de la Conformidad Aprobada No aprobada
Responsables dictamen:
Nombre y Firma Organismo de Inspección
Dirección Domicilio
Resolución de acreditación Teléfono
Nombre y firma Inspector Mat. Prof.
<Texto original de la Resolución 4262 de 2013:>
Formato 2. Dictamen de inspección y verificación de la Red Interna de Telecomunicaciones
REGLAMENTO PARA REDES INTERNAS DE TELECOMUNICACIONES RITEL
DICTAMEN DE INSPECCIÓN Y VERIFICACIÓN DE LA RED INTERNA DE TELECOMUNICACIONES
Lugar y fecha __________________________________ Dictamen No.
Organismo de inspección
Nombre o razón social del propietario de la instalación
Dirección
Tipo de instalación: Residencial Comercial Cantidad de inmuebles
Personas Calificadas Responsables de la Construcción:
Diseño: Mat. Prof.
Construcción: Mat. Prof.
| ÍTEM | ASPECTO A EVALUAR | Aplica | Cumple | No Cumple |
| 1 | Informe del proyecto de construcción de la red interna firmado por un ingeniero electrónico y/o de telecomunicaciones donde describa: | |||
| 1.1 | Descripción del tipo de construcción y dimensionamiento y cantidad de unidades de vivienda, etc. | |||
| 1.2 | Objeto del proyecto | |||
| 1.3 | Topología de red para cada servicio | |||
| 1.4 | Dimensionamiento mínimo de la red para cada servicio de telecomunicaciones | |||
| 1.5 | Planos de diseño | |||
| 1.6 | Informes de Site Surveys | |||
| 1.7 | Registros fotográficos | |||
| 2 | Elementos que constituyen la infraestructura | |||
| 2.1 | Cámara de entrada | |||
| 2.2 | Canalización Externa | |||
| 2.3 | Canalización de Enlace | |||
| 2.4 | Canalización de Distribución | |||
| 2.5 | Canalización de Dispersión | |||
| 2.6 | Canalización interna de usuario | |||
| 2.7 | Salón de equipos de telecomunicaciones Superior | |||
| 2.8 | Salón de equipos de telecomunicaciones inferior | |||
| 2.9 | Instalaciones eléctricas de los salones de equipos | |||
| 2.10 | Conexiones a tierra | |||
| 2.11 | Gabinete principal inferior | |||
| 2.12 | Gabinete principal superior | |||
| 2.13 | Gabinetes de piso | |||
| 2.14 | Cajas de paso | |||
| 2.15 | Cajas terminación de Red (punto de acceso al usuario) | |||
| 2.16 | Cajas de toma de usuario | |||
| 3 | Elementos que constituyen la Red Interna | |||
| 3.1 | Red Interna para el acceso a servicios inalámbricos | |||
| 3.1.1 | Sistema de Captación, amplificación y distribución de señales de radiodifusión sonora y radiodifundidas de TV terrestre analógica y TDT | |||
| 3.1.1.1 | Mástiles | |||
| 3.1.1.2 | Antenas | |||
| 3.1.1.3 | Equipos de cabecera | |||
| 3.1.1.4 | Red de distribución | |||
| 3.1.1.5 | Red de dispersión | |||
| 3.1.1.6 | Red interna de usuario | |||
| 3.1.1.7 | Regletas de conexión | |||
| 3.1.1.8 | Conexiones tomas de usuario (para cada servicio) | |||
| 3.1.1.9 | Conexiones cajas de paso o derivación | |||
| 3.1.1.10 | Derivadores | |||
| 3.1.1.11 | Punto de acceso al inmueble | |||
| 3.1.1.12 | Toma de conexión de usuario | |||
| 3.1.1.13 | Niveles de señal en las tomas de usuario | |||
| 3.1.2 | Sistema de captación, amplificación y distribución de señales de TV por suscripción satelital | |||
| 3.1.2.1 | Mástiles | |||
| 3.1.2.2 | Antenas | |||
| 3.1.2.3 | Equipos de cabecera | |||
| 3.1.2.4 | Red de distribución | |||
| 3.1.2.5 | Red de dispersión | |||
| 3.1.2.6 | Red interna de usuario | |||
| 3.1.2.7 | Regletas de conexión | |||
| 3.1.2.8 | Conexiones tomas de usuario (para cada servicio) | |||
| 3.1.2.9 | Conexiones cajas de paso o derivación | |||
| 3.1.2.10 | Derivadores | |||
| 3.1.2.11 | Punto de acceso al inmueble | |||
| 3.1.2.12 | Toma de conexión de usuario | |||
| 3.1.2.13 | Niveles de señal en las tomas de usuario | |||
| 3.1.3 | Sistema de Acceso Fijo Inalámbrico | |||
| 3.1.3.1 | Mástiles | |||
| 3.1.3.2 | Antenas | |||
| 3.1.3.3 | Red de distribución | |||
| 3.1.3.4 | Red de dispersión | |||
| 3.1.3.5 | Red interna de usuario | |||
| 3.1.3.6 | Regletas de conexión | |||
| 3.1.3.7 | Conexiones tomas de usuario (para cada servicio) | |||
| 3.1.3.8 | Conexiones cajas de paso o derivación | |||
| 3.1.3.9 | Punto de acceso al inmueble | |||
| 3.1.3.10 | Toma de conexión de usuario | |||
| 3.1.3.11 | Niveles de señal en las tomas de usuario | |||
| 3.2 | Red Interna para el acceso alámbrico a servicios de telecomunicaciones | |||
| 3.2.1 | Red interna de telecomunicaciones de pares de cobre | |||
| 3.2.1.1 | Red de distribución | |||
| 3.2.1.2 | Red de dispersión | |||
| 3.2.1.3 | Red interna de usuario | |||
| 3.2.1.4 | Regletas de conexión | |||
| 3.2.1.5 | Conexiones tomas de usuario (para cada servicio) | |||
| 3.2.1.6 | Conexiones cajas de paso o derivación | |||
| 3.2.1.7 | Punto de acceso al inmueble | |||
| 3.2.1.8 | Toma de conexión de usuario | |||
| 3.2.1.9 | Niveles de señal en las tomas de usuario | |||
| 3.2.2 | Red interna de telecomunicaciones de cables coaxiales | |||
| 3.2.2.1 | Red de distribución | |||
| 3.2.2.2 | Red de dispersión | |||
| 3.2.2.3 | Red interna de usuario | |||
| 3.2.2.4 | Regletas de conexión | |||
| 3.2.2.5 | Derivadores | |||
| 3.2.2.6 | Conexiones tomas de usuario (para cada servicio) | |||
| 3.2.2.7 | Conexiones cajas de paso o derivación | |||
| 3.2.2.8 | Punto de acceso al inmueble | |||
| 3.2.2.9 | Toma de conexión de usuario | |||
| 3.2.2.10 | Niveles de señal en las tomas de usuario | |||
| 3.2.3 | Red interna de telecomunicaciones de fibra óptica | |||
| 3.2.1.1 | Red de distribución | |||
| 3.2.1.2 | Red de dispersión | |||
| 3.2.1.3 | Red interna de usuario | |||
| 3.2.1.4 | Regletas de conexión | |||
| 3.2.1.5 | Conexiones tomas de usuario (para cada servicio) | |||
| 3.2.1.6 | Conexiones cajas de paso o derivación | |||
| 3.2.1.7 | Punto de acceso al inmueble | |||
| 3.2.1.8 | Toma de conexión de usuario | |||
| 3.2.1.9 | Niveles de señal en las tomas de usuario | |||
| 3.3 | Compatibilidad Electromagnética | |||
| 3.3.1 | Equipos utilizados cumplen con la normatividad del RITEL en cuanto a COMPATIBILIDAD ELECTROMAGNÉTICA | |||
| 3.4 | Seguridad Eléctrica | |||
| 3.4.1 | Accesos Independientes para el acceso alámbrico de telecomunicaciones y el servicio de energía eléctrica | |||
| 3.4.2 | Conexiones equipotenciales y apantallamiento | |||
| 3.4.3 | DPS dispositivos contra tensiones transitorias | |||
| 3.4.4 | Instalación eléctrica cuenta con Certificación RETIE Dictamen de inspección No:_________ | |||
| OBSERVACIONES: | ||||
| LISTADO DE ANEXOS: | ||||
Resultado de la Conformidad Aprobada No aprobada
Responsables dictamen:
Nombre y Firma Organismo de Inspección
Dirección Domicilio
Resolución de acreditación Teléfono
Nombre y firma Inspector Mat. Prof.
Formato 3. Dictamen de inspección y verificación del diseño de la Red Interna de Telecomunicaciones
<Formato modificado por el artículo 51 de la Resolución 4639 de 2014. El nuevo texto es el siguiente:>
REGLAMENTO PARA REDES INTERNAS DE TELECOMUNICACIONES RITELDICTAMEN DE INSPECCIÓN Y VERIFICACIÓN DEL DISEÑO DE LA RED INTERNA DE TELECOMUNICACIONES
Lugar y fecha __________________________________ Dictamen número
Organismo de inspección
Nombre o razón social del propietario de la instalación
Dirección
Tipo de instalación: Residencial VIS Residencial No VIS Comercial Cantidad de inmuebles
Estrato socioeconómico (aplica únicamente para Residencial No VIS): 1 2 3 4 5 6
Personas Calificadas Responsables del Diseño:
Diseño: Mat. Prof.
| ÍTEM | ASPECTO A EVALUAR | Aplica | Cumple | No Cumple |
| 0 | Consulta e intercambio de información del constructor con los proveedores de servicios habilitados y con presencia o despliegue de red en la zona en que se ubica o ubicará el inmueble | |||
| 0.1 | Definición de la cantidad potencial de proveedores de servicios que atenderán el inmueble y el modo de acceso (inalámbrico por radiodifusión satelital, alámbrico por redes de pares cobre, alámbrico por redes de cables coaxiales o alámbrico por redes de cables de fibra óptica) | |||
| 0.2 | Especificación de la profundidad a la que se construirá la cámara de entrada | |||
| 0.3 | Acopio de especificaciones de diseño y construcción de infraestructura que soporta la red interna de telecomunicaciones de fibra óptica. | |||
| 1 | Diseños de la red interna, firmados por un ingeniero electrónico o ingeniero electrónico y de telecomunicaciones donde describa: | |||
| 1.1 | Descripción del tipo de construcción y dimensionamiento y cantidad de unidades de vivienda, etc. | |||
| 1.2 | Objeto del proyecto | |||
| 1.3 | Topología de red para cada servicio | |||
| 1.4 | Dimensionamiento mínimo de la red para cada servicio de telecomunicaciones | |||
| 1.5 | Planos de diseño | |||
| 2 | Elementos que constituyen la infraestructura | |||
| 2.1 | Cámara de entrada | |||
| 2.2 | Canalización Externa | |||
| 2.3 | Canalización de Enlace | |||
| 2.4 | Canalización de Distribución | |||
| 2.5 | Canalización de Dispersión | |||
| 2.6 | Canalización interna de usuario | |||
| 2.7 | Salón de equipos de telecomunicaciones Superior | |||
| 2.8 | Salón de equipos de telecomunicaciones inferior | |||
| 2.9 | Instalaciones eléctricas de los salones de equipos | |||
| 2.10 | Conexiones a tierra | |||
| 2.11 | Gabinete principal inferior | |||
| 2.12 | Gabinete principal superior | |||
| 2.13 | Gabinetes de piso | |||
| 2.14 | Cajas de paso | |||
| 2.15 | Cajas terminación de Red (punto de acceso al usuario) | |||
| 2.16 | Cajas de toma de usuario | |||
| 3 | Elementos que constituyen la Red Interna | |||
| 3.1 | Red Interna para el acceso a servicios inalámbricos | |||
| 3.1.1 | Sistema de Captación, amplificación y distribución de señales de radiodifusión sonora y radiodifundidas de TV terrestre analógica y TDT | |||
| 3.1.1.1 | Mástiles | |||
| 3.1.1.2 | Antenas | |||
| 3.1.1.3 | Equipos de cabecera | |||
| 3.1.1.4 | Red de distribución | |||
| 3.1.1.5 | Red de dispersión | |||
| 3.1.1.6 | Red interna de usuario | |||
| 3.1.1.7 | Regletas de conexión | |||
| 3.1.1.8 | Conexiones tomas de usuario (para cada servicio) | |||
| 3.1.1.9 | Conexiones cajas de paso o derivación | |||
| 3.1.1.10 | Derivadores | |||
| 3.1.1.11 | Punto de acceso al inmueble | |||
| 3.1.1.12 | Toma de conexión de usuario | |||
| 3.1.3 | Sistema de Acceso Fijo Inalámbrico | |||
| 3.1.3.1 | Mástiles | |||
| 3.1.3.2 | Antenas | |||
| 3.1.3.3 | Red de distribución | |||
| 3.1.3.4 | Red de dispersión | |||
| 3.1.3.5 | Red interna de usuario | |||
| 3.1.3.6 | Regletas de conexión | |||
| 3.1.3.7 | Conexiones tomas de usuario (para cada servicio) | |||
| 3.1.3.8 | Conexiones cajas de paso o derivación | |||
| 3.1.3.9 | Punto de acceso al inmueble | |||
| 3.1.3.10 | Toma de conexión de usuario | |||
| 3.2 | Red Interna para el acceso alámbrico a servicios de telecomunicaciones | |||
| 3.2.1 | Red interna de telecomunicaciones de pares de cobre | |||
| 3.2.1.1 | Red de distribución | |||
| 3.2.1.2 | Red de dispersión | |||
| 3.2.1.3 | Red interna de usuario | |||
| 3.2.1.4 | Regletas de conexión | |||
| 3.2.1.5 | Conexiones tomas de usuario (para cada servicio) | |||
| 3.2.1.6 | Conexiones cajas de paso o derivación | |||
| 3.2.1.7 | Punto de acceso al inmueble | |||
| 3.2.1.8 | Toma de conexión de usuario | |||
| 3.2.2 | Red interna de telecomunicaciones de cables coaxiales | |||
| 3.2.2.1 | Red de distribución | |||
| 3.2.2.2 | Red de dispersión | |||
| 3.2.2.3 | Red interna de usuario | |||
| 3.2.2.4 | Regletas de conexión | |||
| 3.2.2.5 | Derivadores | |||
| 3.2.2.6 | Conexiones tomas de usuario (para cada servicio) | |||
| 3.2.2.7 | Conexiones cajas de paso o derivación | |||
| 3.2.2.8 | Punto de acceso al inmueble | |||
| 3.2.2.9 | Toma de conexión de usuario | |||
| 3.2.3 | Red interna de telecomunicaciones de fibra óptica | |||
| 3.2.1.1 | Red de distribución | |||
| 3.2.1.2 | Red de dispersión | |||
| 3.2.1.3 | Red interna de usuario | |||
| 3.2.1.4 | Regletas de conexión | |||
| 3.2.1.5 | Conexiones tomas de usuario (para cada servicio) | |||
| 3.2.1.6 | Conexiones cajas de paso o derivación | |||
| 3.2.1.7 | Punto de acceso al inmueble | |||
| 3.2.1.8 | Toma de conexión de usuario | |||
OBSERVACIONES:
LISTADO DE ANEXOS:
Resultado de la Conformidad Aprobada No aprobada
Responsables dictamen:
Nombre y Firma Organismo de Inspección
Dirección Domicilio
Resolución de acreditación Teléfono
Nombre y firma Inspector Mat. Prof.
<Texto original de la Resolución 4262 de 2013:>
Formato 3. Dictamen de inspección y verificación del diseño la Red Interna de Telecomunicaciones
REGLAMENTO PARA REDES INTERNAS DE TELECOMUNICACIONES RITEL
DICTAMEN DE INSPECCIÓN Y VERIFICACIÓN DEL DISEÑO DE LA RED INTERNA DE TELECOMUNICACIONES
Lugar y fecha __________________________________ Dictamen No.
Organismo de inspección
Nombre o razón social del propietario de la instalación
Dirección
Tipo de instalación: Residencial Comercial Cantidad de inmuebles
Personas Calificadas Responsables del Diseño:
Diseño: Mat. Prof.
| ÍTEM | ASPECTO A EVALUAR | Aplica | Cumple | No Cumple |
| 0 | Consulta e intercambio de información del constructor con los proveedores de servicios habilitados y con presencia o despliegue de red en la zona en que se ubica o ubicará el inmueble | |||
| 0.1 | Definición de la cantidad potencial de proveedores de servicios que atenderán el inmueble y el modo de acceso (inalámbrico por radiodifusión satelital, alámbrico por redes de pares cobre, alámbrico por redes de cables coaxiales o alámbrico por redes de cables de fibra óptica) | |||
| 0.2 | Especificación de la profundidad a la que se construirá la cámara de entrada | |||
| 0.3 | Acopio de especificaciones de diseño y construcción de infraestructura que soporta la red interna de telecomunicaciones de fibra óptica. | |||
| 1 | Diseños de la red interna, firmados por un ingeniero electrónico o ingeniero electrónico y de telecomunicaciones donde describa: | |||
| 1.1 | Descripción del tipo de construcción y dimensionamiento y cantidad de unidades de vivienda, etc. | |||
| 1.2 | Objeto del proyecto | |||
| 1.3 | Topología de red para cada servicio | |||
| 1.4 | Dimensionamiento mínimo de la red para cada servicio de telecomunicaciones | |||
| 1.5 | Planos de diseño | |||
| 2 | Elementos que constituyen la infraestructura | |||
| 2.1 | Cámara de entrada | |||
| 2.2 | Canalización Externa | |||
| 2.3 | Canalización de Enlace | |||
| 2.4 | Canalización de Distribución | |||
| 2.5 | Canalización de Dispersión | |||
| 2.6 | Canalización interna de usuario | |||
| 2.7 | Salón de equipos de telecomunicaciones Superior | |||
| 2.8 | Salón de equipos de telecomunicaciones inferior | |||
| 2.9 | Instalaciones eléctricas de los salones de equipos | |||
| 2.10 | Conexiones a tierra | |||
| 2.11 | Gabinete principal inferior | |||
| 2.12 | Gabinete principal superior | |||
| 2.13 | Gabinetes de piso | |||
| 2.14 | Cajas de paso | |||
| 2.15 | Cajas terminación de Red (punto de acceso al usuario) | |||
| 2.16 | Cajas de toma de usuario | |||
| 3 | Elementos que constituyen la Red Interna | |||
| 3.1 | Red Interna para el acceso a servicios inalámbricos | |||
| 3.1.1 | Sistema de captación, amplificación y distribución de señales de radiodifusión sonora y radiodifundidas de TV terrestre analógica y TDT | |||
| 3.1.1.1 | Mástiles | |||
| 3.1.1.2 | Antenas | |||
| 3.1.1.3 | Equipos de cabecera | |||
| 3.1.1.4 | Red de distribución | |||
| 3.1.1.5 | Red de dispersión | |||
| 3.1.1.6 | Red interna de usuario | |||
| 3.1.1.7 | Regletas de conexión | |||
| 3.1.1.8 | Conexiones tomas de usuario (para cada servicio) | |||
| 3.1.1.9 | Conexiones cajas de paso o derivación | |||
| 3.1.1.10 | Derivadores | |||
| 3.1.1.11 | Punto de acceso al inmueble | |||
| 3.1.1.12 | Toma de conexión de usuario | |||
| 3.1.2 | Sistema de captación, amplificación y distribución de señales de TV por suscripción satelital | |||
| 3.1.2.1 | Mástiles | |||
| 3.1.2.2 | Antenas | |||
| 3.1.2.3 | Equipos de cabecera | |||
| 3.1.2.4 | Red de distribución | |||
| 3.1.2.5 | Red de dispersión | |||
| 3.1.2.6 | Red interna de usuario | |||
| 3.1.2.7 | Regletas de conexión | |||
| 3.1.2.8 | Conexiones tomas de usuario (para cada servicio) | |||
| 3.1.2.9 | Conexiones cajas de paso o derivación | |||
| 3.1.2.10 | Derivadores | |||
| 3.1.2.11 | Punto de acceso al inmueble | |||
| 3.1.2.12 | Toma de conexión de usuario | |||
| 3.1.3 | Sistema de Acceso Fijo Inalámbrico | |||
| 3.1.3.1 | Mástiles | |||
| 3.1.3.2 | Antenas | |||
| 3.1.3.3 | Red de distribución | |||
| 3.1.3.4 | Red de dispersión | |||
| 3.1.3.5 | Red interna de usuario | |||
| 3.1.3.6 | Regletas de conexión | |||
| 3.1.3.7 | Conexiones tomas de usuario (para cada servicio) | |||
| 3.1.3.8 | Conexiones cajas de paso o derivación | |||
| 3.1.3.9 | Punto de acceso al inmueble | |||
| 3.1.3.10 | Toma de conexión de usuario | |||
| 3.2 | Red Interna para el acceso alámbrico a servicios de telecomunicaciones | |||
| 3.2.1 | Red interna de telecomunicaciones de pares de cobre | |||
| 3.2.1.1 | Red de distribución | |||
| 3.2.1.2 | Red de dispersión | |||
| 3.2.1.3 | Red interna de usuario | |||
| 3.2.1.4 | Regletas de conexión | |||
| 3.2.1.5 | Conexiones tomas de usuario (para cada servicio) | |||
| 3.2.1.6 | Conexiones cajas de paso o derivación | |||
| 3.2.1.7 | Punto de acceso al inmueble | |||
| 3.2.1.8 | Toma de conexión de usuario | |||
| 3.2.2 | Red interna de telecomunicaciones de cables coaxiales | |||
| 3.2.2.1 | Red de distribución | |||
| 3.2.2.2 | Red de dispersión | |||
| 3.2.2.3 | Red interna de usuario | |||
| 3.2.2.4 | Regletas de conexión | |||
| 3.2.2.5 | Derivadores | |||
| 3.2.2.6 | Conexiones tomas de usuario (para cada servicio) | |||
| 3.2.2.7 | Conexiones cajas de paso o derivación | |||
| 3.2.2.8 | Punto de acceso al inmueble | |||
| 3.2.2.9 | Toma de conexión de usuario | |||
| 3.2.3 | Red interna de telecomunicaciones de fibra óptica | |||
| 3.2.1.1 | Red de distribución | |||
| 3.2.1.2 | Red de dispersión | |||
| 3.2.1.3 | Red interna de usuario | |||
| 3.2.1.4 | Regletas de conexión | |||
| 3.2.1.5 | Conexiones tomas de usuario (para cada servicio) | |||
| 3.2.1.6 | Conexiones cajas de paso o derivación | |||
| 3.2.1.7 | Punto de acceso al inmueble | |||
| 3.2.1.8 | Toma de conexión de usuario | |||
| OBSERVACIONES: | ||||
| LISTADO DE ANEXOS: | ||||
Resultado de la Conformidad Aprobada No aprobada
Responsables dictamen:
Nombre y Firma Organismo de Inspección
Dirección Domicilio
Resolución de acreditación Teléfono
Nombre y firma Inspector Mat. Prof.
Formato 4. Lista verificación de productos del RITEL
<Formato modificado por el artículo 52 de la Resolución 4639 de 2014. El nuevo texto es el siguiente:>
REGLAMENTO PARA REDES INTERNAS DE TELECOMUNICACIONES RITEL
LISTA VERIFICACIÓN DE PRODUCTOS DEL RITEL
Lugar y fecha __________________________________ Dictamen número
Organismo de certificación
Nombre o razón social del propietario de la instalación
Dirección
Tipo de instalación: Residencial Comercial Cantidad de inmuebles
Personas Calificadas Responsables de la Construcción:
Diseño: Mat. Prof.
Construcción: Mat. Prof.
| Ítem | NOMBRE DE PRODUCTO | Marca | número Certificado | Organismo certificador |
| 1 | Bandejas portacables | |||
| 2 | Canalizaciones y canaletas metálicas y no metálicas. | |||
| 3 | Gabinete principal | |||
| 4 | Equipos de recepción y procesamiento de señales radiodifundidas | |||
| 5 | Cable de cobre | |||
| 6 | Cable de cobre categoría 6, 6A, 7, 7A | |||
| 7 | Cable coaxial (RG6, RG11) | |||
| 8 | Cables de cruzada | |||
| 9 | Cables balanceados | |||
| 10 | Cables de fibra óptica y módulos de terminación de fibra óptica | |||
| 11 | Regletas de entrada y de salida | |||
| 12 | Conector para cables balanceados (cables de cobre y cables de pares trenzados) | |||
| 13 | Conector, tipo F para cable coaxial | |||
| 14 | Conectores ópticos SC/APC dúplex | |||
| 15 | Antenas, torres, mástiles, soportes, anclajes, riostras, riendas, tensores. | |||
| 16 | Paneles de conexión | |||
| 17 | Canaletas | |||
| 18 | Equipos de cabecera para el acceso a servicios de telecomunicaciones mediante redes inalámbricas | |||
| 19 | Equipos activos (amplificadores) para el acceso a servicios de telecomunicaciones mediante redes inalámbricas y alámbricas de cables coaxiales. | |||
| 20 | Equipos pasivos (derivadores, repartidores/distribuidores, filtros, atenuadores, ecualizadores e inyectores/extractores) para el acceso a servicios de telecomunicaciones mediante redes inalámbricas y alámbricas de cables coaxiales. | |||
| 21 | Ductos | |||
| 22 | Tomas de usuario | |||
| 23 | Tubos | |||
| 24 | Cajas | |||
| SE ANEXAN TODOS LOS CERTIFICADOS DE PRODUCTO | ||||
| OBSERVACIONES: | ||||
Resultado de la Conformidad Aprobada No aprobada
Responsables dictamen:
Nombre y Firma Organismo de Inspección
Dirección Domicilio
Resolución de acreditación Teléfono
Nombre y firma Inspector Mat. Prof.
<Texto original de la Resolución 4262 de 2013:>
Formato 4. Lista verificación de productos del RITEL
REGLAMENTO PARA REDES INTERNAS DE TELECOMUNICACIONES RITEL
LISTA VERIFICACIÓN DE PRODUCTOS DEL RITEL
Lugar y fecha __________________________________ Dictamen No.
Organismo de certificación
Nombre o razón social del propietario de la instalación
Dirección
Tipo de instalación: Residencial Comercial Cantidad de inmuebles
Personas Calificadas Responsables de la Construcción:
Diseño: Mat. Prof.
Construcción: Mat. Prof.
| ÍTEM | NOMBRE DE PRODUCTO | Marca | No. Certificado | Organismo certificador |
| 1 | Bandejas portacables | |||
| 2 | Canalizaciones y canaletas metálicas y no metálicas. | |||
| 3 | Gabinete principal | |||
| 4 | Equipos de recepción y procesamiento de señales radiodifundidas | |||
| 5 | Cable de cobre | |||
| 6 | Cable de cobre categoría 6, 6A, 7, 7A | |||
| 7 | Cable coaxial (RG6, RG11) | |||
| 8 | Cables de cruzada | |||
| 9 | Cables balanceados | |||
| 10 | Cables de fibra óptica y módulos de terminación de fibra óptica | |||
| 11 | Regletas de entrada y de salida | |||
| 12 | Conector para cables balanceados (cables de cobre y cables de pares trenzados) | |||
| 13 | Conector, tipo F para cable coaxial | |||
| 14 | Conectores ópticos SC/APC dúplex | |||
| 15 | Antenas, torres, mástiles, soportes, anclajes, riostras, riendas, tensores. | |||
| 16 | Paneles de conexión | |||
| 17 | Canaletas | |||
| 18 | Equipos de cabecera para el acceso a servicios de telecomunicaciones mediante redes inalámbricas | |||
| 19 | Equipos activos (amplificadores) para el acceso a servicios de telecomunicaciones mediante redes inalámbricas y alámbricas de cables coaxiales. | |||
| 20 | Equipos pasivos (mezcladores/multiplexores, derivadores, repartidores/distribuidores, filtros, atenuadores, ecualizadores e inyectores/extractores) para el acceso a servicios de telecomunicaciones mediante redes inalámbricas y alámbricas de cables coaxiales. | |||
| 21 | Ductos | |||
| 22 | Tomas de usuario | |||
| 23 | Tubos | |||
| 24 | Cajas | |||
| SE ANEXAN TODOS LOS CERTIFICADOS DE PRODUCTO | ||||
| OBSERVACIONES: | ||||
Resultado de la Conformidad Aprobada No aprobada
Responsables dictamen:
Nombre y Firma Organismo de Inspección
Dirección Domicilio
Resolución de acreditación Teléfono
Nombre y firma Inspector Mat. Prof.
Formato 5. Certificación de cobertura
<Formato adicionado por el artículo 22 de la Resolución 4741 de 2015. El nuevo formato es el siguiente:>
Formato 5. Certificación de cobertura


<Gráfica modificada por el artículo 54 de la Resolución 4639 de 2014. El nuevo texto es el siguiente:>


<Apéndice derogado por el artículo 55 de la Resolución 4639 de 2014>
<Apéndice derogado por el artículo 55 de la Resolución 4639 de 2014>





<Apéndice modificado por el artículo 56 de la Resolución 4639 de 2014. El nuevo texto es el siguiente:>

<Apéndice modificado por el artículo 57 de la Resolución 4639 de 2014. El nuevo texto es el siguiente:>
Cuadro resumen de dimensionamiento de acometidas a PAU y TU de red interna.
--------------------------
<Cuadros originales:
Los siguientes cuadros y/o tablas estaban incluidos en los textos originales de los respectivos numerales de esta norma y por su formato no pudieron ser incluidos dentro de la caja de Legislación Anterior:>
3.3.2 (...)
Tabla 4Distribución de cables según cantidad de pares de cobre
| No. pares (N) | No. cables | Tipo de cable |
| 25 < N = 50 | 1 | 50 pares [1(50p)] |
| 50 < N = 75 | 1 | 75 pares [1(75p)] |
| 75 < N = 100 | 1 | 100 pares [1(100p)] |
| 100 < N = 125 | 2 | 1(100p)+1(25p) o 1(75p)+1(50p) |
| 125 < N = 150 | 2 | 1(100p)+1(50p) o 2(75p) |
| 150 < N = 175 | 2 | 1(100p)+1(75p) |
| 175 < N = 200 | 2 | 2(100p) |
| 200 < N = 225 | 3 | 2(100p)+1(25p) o 3(75p) |
| 225 < N = 250 | 3 | 2(100p)+1(50p) o 1(100p)+2(75p) |
| 250 < N = 275 | 3 | 2(100p)+1(75p) |
| 275 < N = 300 | 3 | 3(100p) |
Fuente: NTC 5797 numeral 4.3.
4.4.2 (...)
Tabla 6. Dimensionamiento de la canalización externa
Número de ductos en función de la cantidad de PAU
| Número de PAU | Número de ductos | Utilización de los ductos |
| Hasta 4 | 4 | Un (1) ducto para cable coaxial Un (1) ducto para cable multipar, par trenzado Un (1) ducto para F.O. Un (1) ducto de reserva |
| Entre 5 y 20 | 5 | Un (1) ducto para cable coaxial Un (1) ducto para cable multipar, par trenzado Un (1) ducto para F. O. Dos (2) ductos de reserva |
| Entre 21 y 40 | 6 | Un (1) ducto para cable coaxial Dos (2) ductos para cable multipar, par trenzado Un (1) ducto para F. O. Dos (2) ductos de reserva |
| Superior a 40 | 7 | Un (1) ducto para cable coaxial Tres (3) ductos para cable multipar, par trenzado Un (1) ducto para F. O. Dos (2) ductos de reserva |
4.4.3.1 (...)
Tabla 7
Número máximo permisible de cables principales en la tubería
| Diámetro de la tubería cm (pulgada) | 1,905 (3/4) | 2,54 (1) | 3,81 (1 ½) | 5,08 (2) | 6,35 (2 ½) | 7,62 (3) |
| No. de pares | 7 | 8 | ||||
| 1 | 4 | 7 | ||||
| 2 | 3 | 5 | 10 | |||
| 3 | 2 | 4 | 9 | |||
| 4 | 2 | 4 | 9 | |||
| 5 | 1 | 3 | 8 | 10 | ||
| 6 | 1 | 1 | 5 | 9 | ||
| 10 | 1 | 1 | 5 | 8 | ||
| 12 | 1 | 1 | 4 | 7 | 10 | |
| 16 | 1 | 1 | 3 | 5 | 9 | |
| 20 | 1 | 1 | 2 | 5 | 8 | 10 |
| 25 | 1 | 1 | 1 | 4 | 7 | 9 |
| 30 | ||||||
| 40 | ||||||
| 50 | 1 | 1 | 4 | 5 | ||
| 75 | 1 | 1 | 2 | 4 | ||
| 100 | 1 | 1 | 3 | |||
Fuente: Norma NTC 5797, Tabla A.1.
(...)
Tabla 8
Sección de ducto de acuerdo al número de pares
| Número de pares | Sj (mm²) | Diámetro (mm) |
| Hasta 100 | 335 | 18 |
| Entre 100 y 200 | 520 | 24 |
| Entre 200 y 400 | 910 | 31 |
| Entre 401 y 800 | 1.520 | 40 |
Fuente: Norma NTC 5797, Tabla A.2.
4.4.4.1 (...)
Tabla 9. Dimensionamiento de ductos canalización principal
| Número de usuarios | Número de ductos | Utilización de los ductos |
| Hasta 12 | 5 | Un (1) ducto para cable de pares / pares trenzados. Dos (2) ductos para cable coaxial. Un (1) ducto para cable de Fibra Óptica. Un (1) ducto de reserva. |
| De 13 a 20 | 6 | Un (1) ducto para cable de pares / pares trenzados. Dos (2) ductos para cables coaxiales. Un (1) ducto para cable de Fibra Óptica. Dos (2) ductos de reserva. |
| Entre 21 y 30 | 7 | Dos (2) ductos para cable de pares / pares trenzados. Dos (2) ductos para cables coaxiales. Un (1) ducto para cable de Fibra Óptica. Dos (2) ductos de reserva. |
| Más de 30 | Cálculo específico | *Cálculo específico: se realizará en varias verticales, o bien se proyectará en función de las características constructivas del edificio y en coordinación con el proyecto arquitectónico de la obra, garantizando en todo momento la capacidad mínima de: Un (1) ducto para cable de Fibra Óptica. Dos (2) ductos para cable coaxial. Un (1) ducto para cable de pares / pares trenzados, por cada 20 PAU o fracción. Un (1) ducto de reserva, por cada 15 PAU o fracción. |
Fuente: Propia adaptada de la Norma NTC 5797, Tabla A.4.
4.4.5 (...)
Tabla 10. Dimensionamiento de cables de la red de dispersión
| Diámetro nominal del ducto (pulgadas) | Número de cables de pares trenzados de acometida interior | Número de cables de pares trenzados de acometida exterior | Número de cables coaxiales provenientes del gabinete inferior | Número de cables coaxiales provenientes del gabinete superior | |
| De 1 par | De 2 pares | ||||
| 1” | 1-5 | 1-5 | 2 | 2 | 2 |
| 1 ½” | 6-12 | 6-11 | 4 | 6 | 6 |
| 2” | 13-18 | 12-16 | 6 | 8 | 8 |
Fuente: Propia adaptado de la Norma NTC 5797, Tabla A.5.
4.4.8.2 (...)
Tabla 12
Dimensiones de gabinetes de piso
| Requerimiento | Medidas mínimas (alto x ancho x profundo) |
| Puntos de acceso por planta = 3, con un mínimo de 20 en total Puntos de acceso por planta = 4, con un máximo de 5 plantas Cambio de dirección o bifurcación de la canalización principal Cada tramo de 30 m Unidades privadas individuales | 450 mm x 450 mm x 150 mm |
| En edificios de viviendas entre 21 y 30 puntos de acceso En edificios con puntos de acceso menores a 20 en los que se superen las limitaciones establecidas en el apartado anterior en cuanto a número de PAU por planta o número de plantas | 500 mm x 700 mm x 150 mm |
| En edificios con puntos de acceso mayor de 30 | 550 mm x 1000 mm x 150 mm |
| Cámaras en el caso (cambio de dirección o bifurcación) que la canalización sea subterránea | 500 mm x 600 mm x 1000 mm |
Fuente: Norma NTC 5797.
5.3 (...)
Tabla 14
Productos a los que aplica el RITEL y normas aplicables
| Ítem – Elemento | Normas aplicables |
| 1. Bandejas portacables | RETIE, IEC 61537, ISO/IEC 14763-2:2012 (Information technology - Implementation and operation of customer premises cabling - Part 2: Planning and installation). |
| 2. Canalizaciones y canaletas metálicas y no metálicas | RETIE, NTC 2050, ISO/IEC 14763-2:2012 (Information technology - Implementation and operation of customer premises cabling - Part 2: Planning and installation). |
| 3. Gabinete principal | ISO/IEC 14763-2:2012 (Information technology - Implementation and operation of customer premises cabling - Part 2: Planning and installation). |
| 4. Equipos de recepción y procesamiento de señales radiodifundidas | IEC 60728-5. (Cable networks for television signals, sound signals an interactive services - Part 5: Headend equipment). |
| 5. Cable de cobre | ISO/IEC 11801:2002 + A1:2008 + A2: 2010(E), ISO/IEC 15018:2004, NTC 983, NTC 1300, IEC 61156-1 |
| 6. Cable de cobre categoría 6, 6A, 7, 7A | ISO/IEC 11801:2002 + A1:2008 + A2: 2010(E), ISO/IEC 15018:2004, IEC 61156-1, IEC 61156-5, IEC 61156-6, IEC 60332-1, IEC 60332-2 e IEC 60332-3 (Tests on electric and optical fibre cables under fire conditions), IEC 61034 (Measurement of smoke density of cables burning under defined conditions), IEC 60754 (Test on gases evolved during combustion of materials from cables), NTC 1300. |
| 7. Cable coaxial (RG 6, RG 11) | ISO/IEC 15018:2004, IEC 61196-1, IEC 60966-2-4, IEC 61169-2, IEC 60966-2-5, IEC 60966-2-6, IEC 61935-1 (Specification for the testing of balanced and coaxial information technology cabling - Part 1: Installed balanced cabling as specified in ISO/IEC 11801 and related standards). |
| 8. Cables de cruzada | NTC 4353, NTC 1300, IEC 61935-1 (Specification for the testing of balanced and coaxial information technology cabling - Part 1: Installed balanced cabling as specified in ISO/IEC 11801 and related standards). |
| 9. Cables balanceados | IEC 61156-1, ISO/IEC 11801:2002 + A1:2008 + A2: 2010(E), IEC 61935-1 (Specification for the testing of balanced and coaxial information technology cabling - Part 1: Installed balanced cabling as specified in ISO/IEC 11801 and related standards). |
| 10. Cables de fibra óptica y módulos de terminación de d óptica | ISO/IEC 11801:2002 + A1:2008 + A2: 2010(E), IEC 60794-2, NTC 3613, NTC 4353. |
| 11. Regletas de entrada y de salida | NTC 3605. |
| 12. Conector para cables balanceados (cables de ares de cobre y cables de pares trenzados) | ISO/IEC 11801:2002 + A1:2008 + A2: 2010(E), IEC 60603-7 (serie). |
| 13. Conector tipo F para cable coaxial | IEC 61169-24:2009 (Radio-frequency connectors - Part 24: Sectional specification - Radio frequency coaxial connectors with screw coupling, typically for use in 75 cable networks (type F)). |
| 14. Conectores ópticos SC/APC dúplex | IEC 61300-1 (Fibre optic interconnecting devices and passive components - Basic test and measurement procedures - Part 1: General and guidance), NTC 4353, ISO/IEC 11801:2002 + A1:2008 + A2: 2010(E). IEC 60874-1 (Fibre optic interconnecting devices and passive components - Connectors for optical fibres and cables - Part 1: Generic specification). |
| 15. Antenas, torres, mástiles, soportes, anclajes, riostras, riendas, tensores | NTC 2050, IEC 60068-2-1:2007, IEC 60068-2-2:2007, IEC 60068-2-11:1981, IEC 60068-2-30:2005 (Environmental testing -Part 2-1. Tests - Test A: Cold; -Part 2-2. Tests - Test B: Dry heat; Part 2. Tests -Test Ka: Salt and mist; Part 2-30: Tests –Test Db: Damp heat, cyclic). |
| 16. Paneles de conexión | IEC 60603 (serie), ISO/IEC 11801:2002 + A1:2008 + A2: 2010(E), ISO/IEC 14763-2:2012 (Information technology - Implementation and operation of customer premises cabling - Part 2: Planning and installation). |
| 17. Canaletas | ISO/IEC 14763-2:2012 (Information technology - Implementation and operation of customer premises cabling - Part 2: Planning and installation), IEC 61084-1 (Cable trunking and ducting systems for electrical installations - Part 1:General requirements), IEC 61084-2-1 (Cable trunking and ducting systems for electrical installations - Part 2-1: Particular requirements - Cable trunking and ducting systems intended for mounting on walls or ceilings). |
| 18. Equipos de cabecera para el acceso a servicios de telecomunicaciones mediante redes inalámbricas. | IEC 60728-5. (Cable networks for television signals, sound signals and interactive services - Part 5: Headend equipment). |
| 19. Equipos activos (amplificadores) para el acceso a servicios de telecomunicaciones mediante redes inalámbricas y alámbricas de cables coaxiales. | IEC 60728-3 (Cable networks for television signals, sound signals and interactive services - Part 3: Active wideband equipment for cable networks). |
| 20. Equipos pasivos (mezcladores/multiplexores, derivadores, repartidores/distribuidores, filtros, atenuadores, ecualizadores e inyectores/extractores) para el acceso a servicios de telecomunicaciones mediante redes inalámbricas y alámbricas de cables coaxiales | IEC 60728-4 (Cable networks for television signals, sound signals and interactive services - Part 4:Passive wideband equipment for coaxial cable networks). |
| 21. Ductos | RETIE. ISO/IEC 14763-2:2012 (Information technology - Implementation and operation of customer premises cabling - Part 2: Planning and installation). |
| 22. Tomas de usuario | IEC 60670-1:2011 (Boxes and enclosures for electrical accessories for household and similar fixed electrical installations - Part 1: General requirements). ISO/IEC 14763-2:2012 (Information technology - Implementation and operation of customer premises cabling - Part 2: Planning and installation). |
| 23. Tubos | RETIE, NTC 2050, ISO/IEC 14763-2:2012 (Information technology - Implementation and operation of customer premises cabling - Part 2: Planning and installation). |
| 24. Cajas | RETIE, IEC 60529:2001 (Degrees of protection provided by enclosures (IP Code)) + IEC 60529 CORR1:2003 + IEC 60529 CORR2:2007 + IEC 60529 CORR3:2009, donde el grado de protección exigido será IP 55. |
1. El término “conjuntos de unidades de privadas individuales” se refiere a conjuntos conformados por varias unidades de vivienda, comercio o industria, estructuralmente independientes, de conformidad con la definición de “conjunto” establecida en la Ley 675 de 2001.
2. Por el cual se modifica el Reglamento Técnico de Instalaciones Eléctricas –RETIE-.
3. No incluye la televisión terrestre radiodifundida.
4. La Ley 675 de 2001 define” bienes comunes” como “partes del edificio o conjunto sometido al régimen de propiedad horizontal pertenecientes en proindiviso a todos los propietarios de bienes privados, que por su naturaleza o destinación permiten o facilitan la existencia, estabilidad, funcionamiento, conservación, seguridad, uso, goce o explotación de los bienes de dominio particular”.
5. El término “conjuntos de unidades privadas individuales” se refiere a conjuntos conformados por varias unidades de vivienda, comercio o industria, estructuralmente independientes, de conformidad con la definición de “conjunto” establecida en la Ley 675 de 2001.
6. Los valores mínimos de intensidad de campo de señales de televisión digital terrestre serán los que defina la Comisión de Regulación de Comunicaciones.
7. Por el cual se establecen los requisitos de carácter técnico y científico para construcciones sismo resistentes NSR-10.
8. La banda F.I está en el rango 950-2150 MHz
9. La banda terrestre o baja está en el rango 47-862 MHz.
10. La banda FI o alta está en el rango 950-2150 MHz
13. El término “conjuntos de unidades de privadas individuales” se refiere a conjuntos conformados por varias unidades de vivienda, comercio o industria, estructuralmente independientes, de conformidad con la definición de “conjunto” establecida en la Ley 675 de 2001.
13. A diferencia del caso de cables de múltiples pares de cobre o de fibras, en el caso de cables coaxiales no se incluye un factor multiplicador superior a la unidad para determinar la cantidad final de cables que se debe instalar debido a que cada cable coaxial es una unidad independiente, físicamente es más resistente a los esfuerzos mecánicos que los pares de cobre o las fibras ópticas, y se pueden instalar individualmente en cualquier momento en caso que se requiera un remplazo o adición.
14. Incluye las señales para el acceso a los servicios de televisión, radiodifusión sonora por cable coaxial, telefonía y acceso a Internet, las cuales son adaptadas para ser transmitidas en el cable coaxial en las bandas de frecuencia correspondientes de televisión.
15. Para el dimensionamiento de infraestructuras, es una práctica común en ingeniería incluir una capacidad adicional contingente a la requerida con el fin de prever necesidades originadas en exceso de la demanda y resolver eventuales fallas en los elementos de la infraestructura cuando no es técnica ni económicamente viable reparar el elemento en falla, como puede ser el caso de falla de un par de cobre o de un par de fibras en un cable de múltiples pares. La capacidad adicional se estima mediante un factor multiplicador de la demanda prevista. Para el caso en cuestión se aplica lo previsto en el numeral 4.3 de la norma NTC 5797.
17. Podrán utilizarse cables de más de 48 fibras ópticas si está justificado en la memoria de diseño de la red interna de telecomunicaciones de la edificación.
19. Tomado de la NTC 5797
20. Según Norma NTC 5797 y NTC 2050
22. Esta norma señala: “ Artículo 8°. Previamente a su comercialización, los fabricantes, importadores y comercializadores deberán demostrar el cumplimiento del reglamento técnico a través del certificado de conformidad expedido por un organismo acreditado o designado. En materia de etiquetado el cumplimiento del reglamento técnico se realizará de conformidad con lo establecido en el mencionado reglamento técnico.
Se podrá demostrar el cumplimiento del reglamento técnico con declaración del proveedor, cuando así lo permita el re spectivo reglamento técnico.
