RESOLUCIÓN 180466 DE 2007
(abril 2)
Diario Oficial No. 46.598 de 13 de abril de 2007
MINISTERIO DE MINAS Y ENERGÍA
<NOTA DE VIGENCIA: Resolución derogada por el artículo 4 de la Resolución 90708 de 2013>
<NOTA DE VIGENCIA: Manual RETIE sustituido por el publicado en el Anexo de la Resolución 181294 de 2008>
Por la cual se modifica el Reglamento Técnico de Instalaciones Eléctricas, RETIE.
EL MINISTRO DE MINAS Y ENERGÍA,
en ejercicio de sus facultades legales, en especial las que le confiere el Decreto 070 de 2001 y la Resolución 180398 del 7 de abril de 2004, y
CONSIDERANDO:
Que el Ministerio de Minas y Energía expidió el Reglamento Técnico de Instalaciones Eléctricas, RETIE, mediante Resolución 180398 del 7 de abril de 2004;
Que mediante Resoluciones 181760 de 2004 y 180372 de 2005 se prorrogó la fecha de entrada en vigencia del RETIE, la primera hasta el 31 de marzo de 2005 y la segunda hasta el 30 de abril de 2005, lo cual obedeció entre otros aspectos a la necesidad de realizar algunos ajustes al Reglamento Técnico antes de su entrada en vigencia, con el propósito de garantizar su efectiva aplicabilidad;
Que posteriormente se expidió la Resolución 180498 del 25 de abril de 2005, mediante la cual se modificó parcialmente la Resolución 180398 de 2004;
Que el 1ode noviembre de 2005 se expidió la Resolución 181419 por la cual se aclaran algunos aspectos del Reglamento Técnico de Instalaciones Eléctricas, RETIE;
Que producto del análisis y dinámica del Reglamento Técnico, se requiere adicionar algunos productos, realizar ajustes de redacción; así como cambiar las viñetas por numerales o literales, a fin de que los requisitos establecidos sean de fácil identificación. Adicionalmente se hace necesario expedir en un solo documento el Anexo General con el objeto de facilitar su consulta;
Que teniendo en cuenta que todo Reglamento Técnico debe cumplir el requisito denominado "Redundancia y compatibilidad de reglamentos", consistente en verificar que en la actualidad no existan reglamentos vigentes que regulen la materia objeto del mismo, se requiere ampliar el término previsto para exigir el cumplimiento de la tabla 34 del anexo General del RETIE debido a que en la actualidad este Ministerio está trabajando en la expedición de reglamentos en materia de alumbrado público e iluminación y de uso racional de energía;
Por lo anterior,
RESUELVE:
ARTÍCULO 1o. <Manual RETIE sustituido por el publicado en el Anexo de la Resolución 181294 de 2008> Modificar el Reglamento Técnico de Instalaciones Eléctricas contenido en el Anexo General de la Resolución 180398 del 7 de abril de 2004, el cual ha sido modificado y aclarado mediante Resoluciones 180498 del 27 de abril de 2005 y 181419 del 1ode noviembre de 2005.
ARTÍCULO 2o. <Manual RETIE sustituido por el publicado en el Anexo de la Resolución 181294 de 2008> A partir de la vigencia de la presente Resolución el Reglamento Técnico de Instalaciones Eléctricas, RETIE, será el contenido en el Anexo General de la presente resolución el cual forma parte integral de este acto administrativo; así como el Anexo número Dos (2) correspondiente a los siete (7) primeros capítulos de la norma NTC 2050 "Código Eléctrico Colombiano", primera actualización del 25 de noviembre de 1998, el cual fue publicado en el Diario Oficial número 45.592 del 27 de junio de 2004.
ARTÍCULO 3o. <Manual RETIE sustituido por el publicado en el Anexo de la Resolución 181294 de 2008> El Anexo General expedido mediante la presente resolución sustituye el adoptado mediante Resolución 180398 del 7 de abril de 2004, así como las modificaciones y aclaraciones contempladas en las Resoluciones 180498 del 30 de abril de 2005 y 181419 del 1 de noviembre de 2005.
ARTÍCULO 4o. <Manual RETIE sustituido por el publicado en el Anexo de la Resolución 181294 de 2008> La presente resolución rige a partir de la fecha de su publicación en el Diario Oficial. Las demás disposiciones contenidas en la Resolución 180398 del 7 de abril de 2004 continúan sin modificación alguna.
Publíquese y cúmplase.
Dada en Bogotá, D. C., a 2 de abril de 2007.
El Ministro de Minas y Energía,
HERNÁN MARTÍNEZ TORRES.
REGLAMENTO TECNICO DE INSTALACIONES ELECTRICAS (RETIE).
CONTENIDO
INTRODUCCION
CAPITULO I
Disposiciones Generales
Artículo 1o. Objeto
Artículo 2o. Campo de aplicación
2.1 Instalaciones
2.2 Personas
2.3 Productos
2.4 Excepciones
Artículo 3o. Definiciones
Artículo 4o. Abreviaturas, acrónimos y siglas
Artículo 5o. Análisis de riesgos eléctricos
Artículo 6o. Análisis de compatibilidad electromagnética
Artículo 7o. Programa de Salud Ocupacional
CAPITULO II
Requisitos técnicos esenciales
Artículo 8o. Clasificación de los niveles de tensión en corriente alterna
Artículo 9o. Sistema de Unidades
Artículo 10. Simbología general
Artículo 11. Señalización de seguridad
11.1 Objetivo
11.2 Clasificación de las Señales de Seguridad
11.3 Características específicas del símbolo de riesgo eléctrico
11.4 Código de colores para conductores aislados
Artículo 12. Comunicaciones por radio
Artículo 13. Distancias de seguridad
13.1 Distancias mínimas de seguridad en cruces de líneas
13.2 Distancias mínimas entre conductores en la misma estructura
13.3 Distancias mínimas para prevención de riesgos por arco eléctrico
Artículo 14. Campos electromagnéticos
14.1 Campo eléctrico
14.2 Campo magnético
14.3 Campo electromagnético
14.4 Valores máximos permitidos
14.5 Medición
Artículo 15. Puestas a tierra
15.1 Diseño del sistema de puesta a tierra
15.2 Requisitos generales de las puestas a tierra
15.3 Materiales de los sistemas de puesta a tierra
15.4 Valores de resistencia de puesta a tierra
15.5 Mediciones
15.6 Puestas a tierra temporales
Artículo 16. Iluminación
16.1 Diseño
16.2 Instalación
Artículo 17. Requisitos de productos
17.1 Alambres y cables
17.2 Bombillas y portalámparas
17.3 Cercas eléctricas
17.4 Cintas aislantes eléctricas
17.5 Clavijas y tomacorrientes
17.6 Dispositivos de Protección contra Sobretensiones (DPS)
17.7 Interruptores de baja tensión
17.8 Motores y generadores
17.9 Tableros eléctricos de baja tensión
17.10 Transformadores de distribución y de potencia
17.11 Bandejas portacables, canalizaciones, canaletas, tubos y tuberías
17.12 Cajas y Conduletas
17.13 Extensiones y Multitomas para Baja Tensión
17.14 Aisladores
17.15 Estructuras o postes para redes de distribución
17.16 Puertas Cortafuego
CAPITULO III
Requisitos específicos para el proceso de generación
Artículo 18. Edificaciones
Artículo 20. Puestas a tierra
CAPITULO IV
Requisitos específicos para el proceso de transmisión
Artículo 21. Distancias de seguridad
Artículo 22. Zonas de servidumbre
Artículo 23. Aislamiento
Artículo 24. Señales de aeronavegación
Artículo 25. Puestas a tierra
Artículo 26. Herrajes
Artículo 27. Aisladores
27.1 Para estructuras en suspensión
27.2 Para estructuras en retención
Artículo 28. Apoyos o estructuras
28.1 Estructuras de suspensión
28.2 Estructuras de retención
28.3 Estructuras terminales
Artículo 29. Métodos de trabajo en tensión
29.1 Verificación en el lugar de trabajo
29.2 Procedimientos de ejecución
CAPITULO V
Requisitos específicos para el proceso de transformación
Artículo 30. Disposiciones generales
Artículo 31. Salas de operaciones, mando y control
Artículo 32. Distancias de seguridad
Artículo 33. Subestaciones tipo poste
CAPITULO VI
Requisitos específicos para el proceso de distribución
Artículo 34. Distancias de seguridad
Artículo 35. Puestas a tierra
Artículo 36. Estructuras de soporte y herrajes
36.1 Estructuras de soporte
36.2 Herrajes
Artículo 37. Aisladores
Artículo 38. Reglas básicas de trabajo
38.1 Maniobras
38.2 Verificación en el lugar de trabajo
38.3 Señalización del área de trabajo
38.4 Escalamiento de postes y protección contra caídas
38.5 Reglas de oro de la seguridad
38.6 Trabajos en tensión
38.7 Trabajos cerca de circuitos aéreos energizados
38.8 Seguridad en subestaciones de media tensión tipo interior
38.9 Cables subterráneos
38.10 Trabajos en condiciones de alto riesgo
38.11 Apertura de transformadores de corriente
Artículo 39. Información de seguridad para el usuario
39.1 Cartilla de Seguridad
39.2 Información adicional de seguridad
CAPITULO VII
Requisitos específicos para instalaciones de uso final
Artículo 40. Aspectos generales de las instalaciones para uso final de la electricidad
40.1 Aplicación de normas técnicas
40.2 Clasificación de las instalaciones
40.3 Lineamientos generales aplicables a instalaciones eléctricas para uso
final
40.4 Requisitos particulares para instalaciones especiales
40.5 Mantenimiento y conservación de las instalaciones para uso final
Artículo 41. Requisitos para instalaciones hospitalarias
Artículo 42. Requisitos de protección contra rayos
42.1 Evaluación del nivel de riesgo frente a rayos
42.2 Diseño del sistema de protección contra rayos
42.3 Componentes del sistema de protección contra rayos
42.4 Puesta a tierra para protección contra rayos
Artículo 43. Requisitos para instalaciones en minas
43.1 Requisitos generales
43.2 Requisitos de conexión a tierra
43.3 Requisitos para equipos
43.4 Requisitos específicos para minas subterráneas
CAPITULO VIII
Prohibiciones
Artículo 44. Residuos nucleares y desechos tóxicos
CAPITULO IX
Disposiciones transitorias
Artículo 45. Disposiciones transitorias
45.1 El certificado de conformidad de producto
45.2 El certificado de conformidad de instalaciones eléctricas
CAPITULO X
Vigilancia y Control
Artículo 46. Entidades de vigilancia
Artículo 47. Evaluación de conformidad
47.1 Certificación de conformidad de productos
47.2 Certificación de productos de uso directo y exclusivo del importador
47.3 Principales regulaciones para el trámite
47.4 Acreditación
47.5 Organismos de certificación
47.6 Laboratorios de pruebas y ensayos
47.7 Rotulado
47.8 Certificación de conformidad de Instalaciones Eléctricas
47.9 Revisión de las instalaciones
CAPITULO XI
Revisión y actualización
Artículo 48. Revisión y actualización del reglamento.
CAPITULO XII
Régimen sancionatorio
Artículo 49. Sanciones.
FIGURAS
Figura 1. Zonas de tiempo/corriente de los efectos de las corrientes alternas de 15 Hz a 100 Hz.
Figura 2. Matriz de riesgo
Figura 3. Estructura de la CEM
Figura 4 Símbolo de riesgo eléctrico
Figura 5. Distancias de seguridad en zonas con construcciones
Figura 6. Distancias “d” y “d1” en cruce y recorridos de vías
Figura 7. Distancia “e” en cruces con ferrocarriles sin electrificar
Figura 8. Distancia “f” y “g” para cruces con ferrocarriles y ríos
Figura 9. Límites de aproximación
Figura 10. Sistemas con puestas a tierra dedicadas e interconectadas.
Figura 11. Una sola puesta a tierra para todas las necesidades
Figura 12. Puestas a tierra separadas o independientes
Figura 13. Esquema de medición de resistividad aparente.
Figura 14. Esquema de medición de resistencia de puesta a tierra.
Figura 15. Montajes típicos de puestas a tierra temporales.
Figura 16. Posición de la camisa roscada del portalámpara. Dimensiones en milímetros.
Figura 17. Dimensiones del casquillo de una bombilla en milímetros.
Figura 18. Montaje de los DPS
Figura 19. Ancho de la zona de servidumbre.
Figura 20. Zona de seguridad circulación de personal
Figura 21. Distancias de seguridad contra contactos directos.
TABLAS
Tabla 1. Productos objeto del RETIE.
Tabla 2. Organismos de Normalización.
Tabla 3. Acrónimos, siglas y abreviaturas de común utilización.
Tabla 4. Porcentaje de personas que se protegen según la corriente de disparo.
Tabla 5. Relación entre energía específica y efectos fisiológicos.
Tabla 6. Riesgos eléctricos comunes.
Tabla 7. Simbología de magnitudes y unidades utilizadas en electrotecnia
Tabla 8. Principales símbolos gráficos
Tabla 9. Dimensiones típicas de las señales en milímetros.
Tabla 10. Colores de las señales y su significado
Tabla 11. Principales señales de seguridad.
Tabla 12. Dimensiones del símbolo de riesgo eléctrico
Tabla 13. Código de Colores para Conductores
Tabla 14. Código Q
Tabla 15. Distancias mínimas de seguridad en zonas con construcciones
Tabla 16. Distancias mínimas de seguridad para diferentes lugares y situaciones.
Tabla 17. Distancias verticales mínimas en vanos con cruce de líneas.
Tabla 18(a). Distancia horizontal entre conductores soportados en la misma estructura de apoyo.
Tabla 19. Límites de aproximación a partes energizadas de equipos.
Tabla 20. Valores límites de campos electromagnéticos para baja frecuencia.
Tabla 21. Valores máximos de tensión de contacto aplicada a un ser humano.
Tabla 22. Requisitos para electrodos de puesta a tierra.
Tabla 23. Constantes de materiales.
Tabla 24. Valores de referencia para resistencia de puesta a tierra.
Tabla 25. Niveles de iluminancia aceptados para diferentes áreas y actividades.
Tabla 26. Requisitos para alambre de cobre suave
Tabla 27. Requisitos para cables de cobre suave.
Tabla 28. Requisitos para cables de aluminio o aluminio recubierto en cobre – AAC
Tabla 29. Requisitos para cables de aluminio con refuerzo de acero – ACSR
Tabla 30. Requisitos para cables de aleaciones de aluminio Clase A y AA – AAAC
Tabla 31. Requisitos para alambres y cables aislados
Tabla 32. Requisitos Clase 1: Alambres.
Tabla 33. Requisitos Clase 2: Cables.
Tabla 34. Flujo luminoso nominal normal para bombillas incandescentes (lúmenes)
Tabla 35. Distancias mínimas de seguridad de cercas eléctricas a circuitos de distribución.
Tabla 36. Distancias de aislamiento para interruptores manuales para tensión = 260 V.
Tabla 37. Dispositivos de puesta a tierra para transformadores.
Tabla 38. Ancho de la zona de servidumbre.
Tabla 39. Diámetro mínimo de las balizas según nivel de tensión.
Tabla 40. Distancias de aproximación en trabajos a distancia.
Tabla 41. Distancias de seguridad en el aire, para las figuras 20 y 20 A
Tabla 42. Distancias mínimas de seguridad para trabajar con líneas energizadas.
Tabla 43. Distancias mínimas de seguridad para personal no especialista.
Tabla 44. Lista de verificación, trabajos en condiciones de alto riesgo.
Tabla 45. Límites de temperatura - Equipo eléctrico.
Tabla 46. Características de los terminales de captación y bajantes.
Tabla 47. Nombres comerciales de PCB
FORMATOS
Formato 1. Declaración del constructor
Formato 2. Dictamen de inspección
INTRODUCCION
REGLAMENTO TECNICO DE INSTALACIONES ELECTRICAS (RETIE)
Se tiene un nuevo orden en el comercio mundial y como consecuencia directa un nuevo marco en temas de reglamentación; términos como homologación y Normas Técnicas Colombianas Oficiales Obligatorias (NTCOO) ya perdieron su vigencia, ahora el esquema se basa en Reglamentos Técnicos de carácter obligatorio, Normas Técnicas de carácter voluntario y en que cada país es autónomo para defender los objetivos legítimos.
La dependencia y el aumento progresivo del consumo de la electricidad en la vida actual, obliga a establecer unas exigencias y especificaciones que garanticen la seguridad de las personas con base en el buen funcionamiento de las instalaciones, la fiabilidad y calidad de los productos, la compatibilidad de los equipos y su adecuada utilización y mantenimiento.
En cumplimiento del artículo 2ode la Constitución Nacional, les corresponde a las autoridades de la República proteger a todas las personas residentes en Colombia en su vida, honra y bienes. En tal sentido el Ministerio de Minas y Energía como máxima autoridad en materia energética, debe adoptar las normas y reglamentos técnicos orientados a garantizar la protección de la vida de las personas contra los riesgos que puedan provenir de los bienes y servicios relacionados con el sector a su cargo.
El Ministerio de Minas y Energía, con el fin de facilitar la adaptación de las normas técnicas, en referencia, al futuro progreso tecnológico, incluye en el presente Reglamento Técnico las prescripciones de carácter general, donde se establecen los requisitos mínimos que garanticen los objetivos legítimos.
Para ello se han reunido en este Reglamento Técnico los preceptos esenciales, que por ser una garantía de seguridad frente a riesgos eléctricos, definen el ámbito de aplicación y las características básicas de las instalaciones eléctricas y algunos requisitos que pueden incidir en las relaciones entre las empresas de servicios públicos y los usuarios, con especial enfoque en los problemas de la seguridad de estos últimos y los aspectos que se refieren a la intervención del Gobierno en caso de infracciones y al procedimiento aplicable en cada caso. Se espera que dichos preceptos sean aplicados con ética por todos los profesionales de la electrotecnia en Colombia, como parámetros básicos o mínimos. Quienes ejercen con profesionalismo, saben que pueden seguir aplicando las normas técnicas, porque con ello lograrán óptimos niveles de seguridad y calidad.
Para efectos del presente Reglamento, las palabras deber y tener, como verbos y sus conjugaciones, deben entenderse como "estar obligado".
El objeto fundamental de este Reglamento es establecer medidas que garanticen la seguridad de las personas, de la vida animal y vegetal y de la preservación del medio ambiente; previniendo, minimizando o eliminando los riesgos de origen eléctrico. Estas prescripciones parten de que se cumplan los requisitos civiles, mecánicos y de fabricación de equipos.
Las normas técnicas deben servir para concretar y ampliar el alcance del Reglamento Técnico para Instalaciones Eléctricas.
El Ministerio de Minas y Energía espera y confía que este documento estará en la biblioteca de todos los ingenieros, tecnólogos y técnicos electricistas del país, no solamente como un mandato a cumplir, sino como una buena fuente de consulta permanente.
DISPOSICIONES GENERALES.
ARTÍCULO 1o. OBJETO. El objeto fundamental de este Reglamento es establecer medidas que garanticen la seguridad de las personas, de la vida animal y vegetal y de la preservación del medio ambiente; previniendo, minimizando o eliminando los riesgos de origen eléctrico. Estas prescripciones parten de que se cumplan los requisitos civiles, mecánicos y de fabricación de equipos.
Establece las exigencias y especificaciones que garanticen la seguridad con base en el buen funcionamiento de las instalaciones, la confiabilidad, calidad y adecuada utilización de los productos, es decir, fija los parámetros mínimos de seguridad para las instalaciones eléctricas.
Igualmente, es un instrumento técnico-legal para Colombia, que sin crear obstáculos innecesarios al comercio o al ejercicio de la libre empresa, permite garantizar que las instalaciones, equipos y productos usados en la generación, transmisión, transformación, distribución y utilización de la energía eléctrica, cumplan con los siguientes objetivos legítimos:
-- La protección de la vida y la salud humana.
-- La protección de la vida animal o vegetal.
-- La preservación del medio ambiente.
-- La prevención de prácticas que puedan inducir a error al usuario. Para cumplir estos objetivos legítimos, el presente Reglamento Técnico se basó en los siguientes objetivos específicos: a) Fijar las condiciones para evitar accidentes por contactos eléctricos directos e indirectos;
b) Establecer las condiciones para prevenir incendios causados por electricidad;
c) Fijar las condiciones para evitar quema de árboles causada por acercamiento a líneas de energía;
d) Establecer las condiciones para evitar muerte de animales causada por cercas eléctricas;
e) Establecer las condiciones para evitar daños debidos a sobrecorrientes y sobretensiones;
f) Adoptar los símbolos de tipo verbal y gráfico que deben utilizar los profesionales que ejercen la electrotecnia;
g) Minimizar las deficiencias en las instalaciones eléctricas;
h) Establecer claramente los requisitos y responsabilidades que deben cumplir los diseñadores, constructores, operadores, propietarios y usuarios de instalaciones eléctricas, además de los fabricantes, distribuidores o importadores de materiales o equipos;
i) Unificar las características esenciales de seguridad de productos eléctricos de más utilización, para asegurar mayor confiabilidad en su funcionamiento;
j) Prevenir los actos que puedan inducir a error a los usuarios, tales como la utilización o difusión de indicaciones incorrectas o falsas o la omisión de datos verdaderos que no cumplen las exigencias del presente Reglamento;
k) Exigir confiabilidad y compatibilidad de los productos y equipos eléctricos mencionados expresamente.
ARTÍCULO 2o. CAMPO DE APLICACIÓN.
2.1 Instalaciones El presente Reglamento Técnico se aplicará a partir de su entrada en vigencia, a toda instalación eléctrica nueva, a toda ampliación de una instalación eléctrica y a toda remodelación de una instalación eléctrica, que se realice en los procesos de Generación, Transmisión, Transformación, Distribución y uso final de la energía eléctrica, de conformidad con lo siguiente: a) Se considera instalación eléctrica nueva aquella que entró en operación con posterioridad a mayo 1ode 2005, fecha de entrada en vigencia de la Resolución 180398 del 7 de abril de 2004 por la cual se adoptó el Reglamento Técnico de Instalaciones Eléctricas, RETIE, con las excepciones que se establecen más adelante; b) Se entenderá como ampliación de una instalación eléctrica, la que implique solicitud de aumento de carga instalada o el montaje de nuevos dispositivos, equipos y conductores; c) Se entenderá como remodelación de instalación eléctrica a los cambios de componentes de la instalación. La instalación cuya ampliación o remodelación supere el 80%, deberá acondicionarse en su totalidad para que cumpla el presente Reglamento. Para el caso de instalaciones eléctricas de los operadores de red y transmisores, el porcentaje estará referido a cada unidad constructiva individual reportada a la CREG para efectos tarifarios. Cuando la ampliación
-- o remodelación en una instalación de uso final, no supere estos porcentajes, pero la capacidad instalada adicionada o remodelada supere los 10 kVA en instalaciones residenciales
-- o comerciales y 50 kVA en industriales, deberá certificar el cumplimiento del RETIE, en lo que respecta a la parte ampliada o remodelada.
Para efectos de este Reglamento, se consideran como instalaciones eléctricas los circuitos eléctricos con sus componentes tales como conductores, equipos, máquinas y aparatos que conforman un sistema eléctrico y que se utilicen para la generación, transmisión, transformación, distribución o uso final de la energía eléctrica, dentro de los límites de tensión y frecuencia establecidos en el presente Reglamento.
Los requisitos y prescripciones técnicas de este Reglamento serán de obligatorio cumplimiento en Colombia, en todas las instalaciones nuevas, remodelaciones o ampliaciones, públicas o privadas, con valor de tensión nominal mayor o igual a 25 V y menor o igual a 500 kV de corriente alterna (c.a.), con frecuencia de servicio nominal inferior a 1.000 Hz, y mayor o igual a 48 V en corriente continua (c.c.).
Las prescripciones técnicas del presente Reglamento serán exigibles en condiciones normales o nominales de las instalaciones. No serán exigibles en los casos de fuerza mayor o de orden público que las alteren; en estos casos, el propietario de la instalación procurará restablecer la seguridad en el menor tiempo posible.
2.2 Personas Este Reglamento deberá ser observado y cumplido por todas las personas naturales o jurídicas nacionales o extranjeras, contratistas u operadores y en general por quienes generen, transformen, transporten, distribuyan, usen la energía eléctrica y ejecuten actividades relacionadas con las instalaciones eléctricas. Así como por los productores, importadores y comercializadores de los productos objeto del RETIE.
2.3 Productos Los productos contemplados en la Tabla 1, por ser los de mayor utilización en las instalaciones eléctricas y estar directamente relacionados con el objeto y campo de aplicación de este Reglamento, deben demostrar su conformidad con el RETIE, mediante un certificado de producto. Los productos objeto del presente Reglamento, utilizados en las instalaciones eléctricas de los procesos de generación, transformación, transmisión, distribución y uso final de la electricidad, comercializados a partir de mayo 1ode 2005, fecha de entrada en vigencia de la Resolución 180398 de abril 7 de 2004, deberán cumplir el Reglamento Técnico de Instalaciones Eléctricas, RETIE.
< TABLA NO INCLUIDA. VER ORIGINAL EN D.O. No.46.598 - ABR.13-2007 EN LA CARPETA “ANEXOS” O EN LA PÁGINA WEB www.imprenta.gov.co >
Tabla 1. Productos objeto del RETIE.
Nota: El presente Reglamento aplica a los productos con los nombres comerciales definidos en la Tabla 1 y no a las partidas arancelarias en las que se pueda clasificar, ya que en esta se pueden clasificar productos que no son objeto del RETIE.
Para efectos del control y vigilancia de los productos objeto del RETIE, la Tabla 1A muestra algunas partidas arancelarias y las notas marginales que precisan las condiciones en las cuales un producto, que siendo objeto del RETIE se puede excluir de su cumplimiento, por ser destinado a aplicaciones distintas al alcance de este Reglamento y por tal razón no requieren demostrar conformidad con el RETIE. Cuando se haga uso de exclusiones, estas se probarán ante la entidad de control, con los mecanismos previstos en la normatividad vigente.
< TABLA NO INCLUIDA. VER ORIGINAL EN D.O. No.46.598 - ABR.13-2007 EN LA CARPETA “ANEXOS” O EN LA PÁGINA WEB www.imprenta.gov.co >
Tabla 1A.
Los productos incluidos en el campo de aplicación del presente Reglamento, empleados en las instalaciones eléctricas que les aplique el reglamento, demostrarán el cumplimiento de los requisitos exigidos, mediante un certificado de producto, expedido por un organismo de certificación acreditado por la SIC o por los mecanismos que esta entidad determine. Los requisitos que se deben demostrar son los siguientes:
a) Los de producto, establecidos en el artículo 17 del Anexo General;
b) Los de electrodos de puesta a tierra y las puestas a tierra temporales establecidas en el artículo 15 del Anexo General;
c) Los de estructuras de transmisión y distribución relacionadas en los artículos 28 y 36 del Anexo General;
d) Los de herrajes para líneas de transmisión y redes de distribución, establecidos en los artículos 26 y 36 del Anexo General;
e) Los productos eléctricos empleados en redes aéreas o subterráneas para uso final de la electricidad en locales o edificaciones que atiendan público y por esto presenten alta concentración de personas, tales como sitios de espectáculos, hospitales, parques de recreación y museos;
f) Los productos eléctricos empleados en las instalaciones eléctricas especiales como las cubiertas por los Capítulos 5, 6 y 7 de la NTC 2050 Primera Actualización, que de acuerdo con dicha norma requieran certificación.
2.4 Excepciones
2.4.1 De instalaciones: Se exceptúan del cumplimiento del presente Reglamento Técnico las siguientes instalaciones para condiciones normales o nominales:
a) Instalaciones eléctricas de edificaciones que no estaban en operación a la entrada en vigencia del RETIE y contaban con licencia o permiso de construcción expedido por autoridad competente con fecha anterior a la de entrada en vigencia del Reglamento o factibilidad del proyecto eléctrico aprobado por el OR antes del 1ode mayo de 2005;
b) Subestaciones eléctricas de media tensión y redes de distribución, cuya construcción física se haya iniciado con anterioridad al 1ode mayo de 2005, fecha de entrada en vigencia del RETIE;
c) Subestaciones eléctricas de alta y extra alta tensión, líneas de transmisión de alta y extra alta tensión y plantas de generación que se encontraban en ejecución el 1ode mayo de 2005, fecha de entrada en vigencia del RETIE;
d) Instalaciones de automotores, navíos, aeronaves, electrodomésticos, equipos de electromedicina, instalaciones para señales de telecomunicaciones, sonido y sistemas de control; instalaciones propias de electrodomésticos, máquinas y herramientas que no se clasifiquen como instalaciones especiales en la NTC 2050 Primera Actualización;
e) Instalaciones que utilizan menos de 24 voltios o denominadas de "muy baja tensión".
2.4.2 De productos: Se exceptúan del alcance del presente Reglamento Técnico los productos que aún estando clasificados en la Tabla 1 estén destinados exclusivamente a las instalaciones contempladas en los literales d) y e) del numeral 2.4.1. En consecuencia, los productos que se importen o fabriquen en el país con destino exclusivo a estas instalaciones, no requieren demostrar la conformidad con el RETIE.
PARÁGRAFO. Los propietarios de instalaciones de que tratan los literales b) y c) que no presentaron a la Dirección de Energía del Ministerio de Minas y Energía, el informe suscrito por el Gerente de la empresa propietaria del proyecto(s), en el cual debía comunicar la ejecución, estado del mismo(s) y las normas técnicas de electrotecnia aplicadas o que se aplicarían a la instalación dentro de los dos meses siguientes a la entrada en vigencia del Reglamento, no podrán hacer uso de la excepción.
ARTÍCULO 3o. DEFINICIONES. Para todos los efectos del presente Reglamento Técnico se tendrán en cuenta las definiciones generales que aparecen a continuación. Cuando un término no se encuentre en este Reglamento, se recomienda consultar las normas IEC serie 50 ó IEEE 100.
ACCESIBLE: Que está al alcance de una persona, sin valerse de medio alguno y sin barreras físicas de por medio.
ACCIDENTE: Evento no deseado, incluidos los descuidos y las fallas de equipos, que da por resultado la muerte, una lesión personal, un daño a la propiedad o deterioro ambiental.
ACOMETIDA: Derivación de la red local del servicio respectivo, que llega hasta el registro de corte del inmueble. En edificios de propiedad horizontal o condominios, la acometida llega hasta el registro de corte general.
ACOPLADOR DE CABLES: Dispositivo hembra-macho en el cual se conecta el extremo de un cable de suministro con un equipo u otro cable.
ACREDITACION: Procedimiento mediante el cual se reconoce la competencia técnica y la idoneidad de organismos de certificación e inspección, así como laboratorios de ensayo y de metrología.
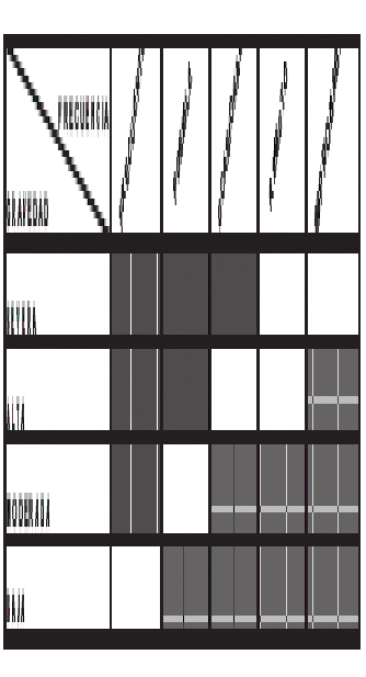
ACTO INSEGURO: Violación de una norma de seguridad ya definida. AISLAMIENTO FUNCIONAL: Es el necesario para el funcionamiento normal de un aparato y la protección contra contactos directos. AISLADOR: Elemento aislante diseñado de tal forma que soporte un conductor y lo separe eléctricamente de otros conductores. AISLANTE: Material que impide la propagación de algún fenómeno o agente físico. Material de tan baja conductividad eléctrica, que puede ser utilizado como no conductor. ALAMBRE: Hilo o filamento de metal, trefilado o laminado, para conducir corriente eléctrica. ALAMBRE DURO: Aquel que ha sido trefilado en frío hasta su tamaño final, de manera que se acerque a la máxima resistencia a la tracción obtenible. ALAMBRE SUAVE O BLANDO: Aquel que ha sido trefilado o laminado hasta su tamaño final y que luego es recocido para aumentar la elongación. ALTO RIESGO: Entiéndase como ALTO RIESGO aquel riesgo cuya frecuencia esperada de ocurrencia y gravedad de sus efectos puedan comprometer fisiológicamente el cuerpo humano, produciendo efectos como quemaduras, impactos, paro cardíaco, fibrilación; u otros efectos físicos que afectan el entorno de la instalación eléctrica, como contaminación, incendio o explosión (ver Fig.2). La condición de ALTO RIESGO se puede presentar por:
-- Deficiencias en la instalación eléctrica.
-- Práctica indebida de la electrotecnia. AMBIENTE ELECTROMAGNETICO: La totalidad de los fenómenos electromagnéticos existentes en un sitio dado. ANALISIS DE RIESGOS: Conjunto de técnicas para definir, clasificar y evaluar los factores de riesgo y la adopción de las medidas para su control. APOYO: Nombre genérico dado al dispositivo de soporte de conductores y aisladores de las líneas o redes aéreas. Pueden ser postes, torres u otro tipo de estructuras. ARCO ELECTRICO: Canal conductivo ocasionado por el paso de una gran carga eléctrica, que produce gas caliente de baja resistencia eléctrica y un haz luminoso. AVISO DE SEGURIDAD: Advertencia de prevención o actuación, fácilmente visible, utilizada con el propósito de informar, exigir, restringir o prohibir una actuación. BALIZA: Señal fija de aeronavegación, que permite la visión diurna o nocturna de un conductor de fase o del cable de guarda. BATERIA DE ACUMULADORES: Equipo que contiene una o más celdas electroquímicas recargables. BIEN: Una entidad que presta una determinada función social, es decir, que tiene
valor.
BIL: Nivel básico de aislamiento ante impulsos tipo rayo.
BOMBILLA: Dispositivo eléctrico que suministra el flujo luminoso, por transformación
de energía eléctrica. Puede ser incandescente si emite luz por calentamiento o luminiscente si hay paso de corriente a través de un gas. BOVEDA: Encerramiento dentro de un edificio, reforzado para resistir el fuego, sobre
-- o bajo el nivel del terreno, con acceso solo para personas calificadas, que aloja transformadores de potencia para uso interior aislados en aceite mineral, secos de más de 112,5 kVA
-- o de tensión nominal mayor a 35 kV. Posee aberturas para acceso, operación de equipos, ventilación, entrada y salida de conductores.
CABLE: Conjunto de alambres sin aislamiento entre sí y entorchado por medio de capas concéntricas.
CABLE APANTALLADO: Cable con una envoltura conductora alrededor del aislamiento que le sirve como protección electromecánica. Es lo mismo que cable blindado.
CABLE PORTATIL DE POTENCIA: Cable extraflexible, usado para conectar equipos móviles o estacionarios en minas, a una fuente de energía eléctrica.
CALIDAD: La totalidad de las características de un ente que le confieren la aptitud para satisfacer necesidades explícitas e implícitas. Es un conjunto de cualidades o atributos, como disponibilidad, precio, confiabilidad, durabilidad, seguridad, continuidad, consistencia, respaldo y percepción.
CALIBRACION: El conjunto de operaciones que tienen por finalidad determinar los errores de un instrumento para medir y, de ser necesario, otras características metrológicas.
CARGA: La potencia eléctrica requerida para el funcionamiento de uno o varios equipos eléctricos o la potencia que transporta un circuito.
CARGA NORMALIZADA: Término aplicado a cercas eléctricas. Es la carga que comprende una resistencia no inductiva de 500 ohmios | 2,5 ohmios y una resistencia variable, la cual es ajustada para maximizar la energía de impulso en la resistencia.
CARGABILIDAD: Límite térmico dado en capacidad de corriente, para líneas de transporte de energía, transformadores, etc.
CAPACIDAD DE CORRIENTE: Corriente máxima que puede transportar continuamente un conductor en las condiciones de uso, sin superar la temperatura nominal de servicio.
CAPACIDAD O POTENCIA INSTALABLE: Se considera como capacidad instalable, la capacidad en kVA que puede soportar la acometida a tensión nominal de la red, sin que se eleve la temperatura por encima de 60oC en cualquier punto o la carga máxima que soporta la protección de sobrecorriente de la acometida, cuando exista.
CAPACIDAD NOMINAL: El conjunto de características eléctricas y mecánicas asignadas a un equipo o sistema eléctrico por el diseñador, para definir su funcionamiento bajo unas condiciones específicas.
CENTRAL O PLANTA DE GENERACION: Es toda instalación en la que se produzca energía eléctrica, cualquiera que sea el procedimiento empleado.
CERCA ELECTRICA: Barrera para propósitos de manejo de animales, que forma un circuito de uno o varios conductores sostenidos con aisladores, a una altura apropiada, de tal forma que no reciban descargas peligrosas los animales ni las personas.
CERTIFICACION: Procedimiento mediante el cual un organismo expide por escrito o por un sello de conformidad, que un producto, un proceso o servicio cumple un reglamento técnico o una(s) norma(s) de fabricación.
CERTIFICADO DE CONFORMIDAD: Documento emitido conforme a las reglas de un sistema de certificación, en el cual se puede confiar razonablemente que un producto, proceso o servicio es conforme con una norma, especificación técnica u otro documento normativo específico.
CIRCUITO: Lazo cerrado formado por un conjunto de elementos, dispositivos y equipos eléctricos, alimentados por la misma fuente de energía y con las mismas protecciones contra sobretensiones y sobretensión. No se toman los cableados internos de equipos como circuitos.
CLAVIJA: Dispositivo que por inserción en un tomacorriente establece una conexión eléctrica entre los conductores de un cordón flexible y los conductores conectados permanentemente al tomacorriente.
COMITE TECNICO DE NORMALIZACION: Grupo de personas con diferentes 0intereses sobre un tema, que se reúnen regular y voluntariamente con el fin de identificar necesidades, analizar documentos y elaborar normas técnicas.
COMPATIBILIDAD ELECTROMAGNETICA: Es la capacidad de un equipo o sistema para funcionar satisfactoriamente en su ambiente electromagnético, sin dejarse afectar ni afectar a otros equipos por energía electromagnética radiada o conducida.
CONDENACION: Bloqueo de un aparato de corte por medio de un candado o de una tarjeta.
CONDICION INSEGURA: Circunstancia potencialmente riesgosa que está presente en el ambiente de trabajo.
CONDUCTOR ACTIVO: Aquellas partes destinadas, en su condición de operación normal, a la transmisión de electricidad y por tanto sometidas a una tensión en servicio normal.
CONDUCTOR ENERGIZADO: Todo aquel que no está conectado a tierra.
CONEXION EQUIPOTENCIAL: Conexión eléctrica entre dos o más puntos, de manera que cualquier corriente que pase, no genere una diferencia de potencial sensible entre ambos puntos.
CONFIABILIDAD: Capacidad de un dispositivo, equipo o sistema para cumplir una función requerida, en unas condiciones y tiempo dados. Equivale a fiabilidad.
CONFORMIDAD: Cumplimiento de un producto, proceso o servicio frente a uno o varios requisitos o prescripciones.
CONSENSO: Acuerdo general caracterizado porque no hay oposición sostenida a asuntos esenciales, de cualquier parte involucrada en el proceso, y que considera las opiniones de todas las partes y reconcilia las posiciones divergentes, dentro del ámbito del bien común e interés general.
CONSIGNACION: Conjunto de operaciones destinadas a abrir, bloquear y formalizar la intervención sobre un circuito.
CONTACTO DIRECTO: Es el contacto de personas o animales con conductores activos de una instalación eléctrica.
CONTACTO ELECTRICO: Acción de unión de dos elementos con el fin de cerrar un circuito. Puede ser de frotamiento, de rodillo, líquido o de presión.
CONTACTO INDIRECTO: Es el contacto de personas o animales con elementos puestos accidentalmente bajo tensión o el contacto con cualquier parte activa a través de un medio conductor.
CONTAMINACION: Liberación artificial de sustancias o energía hacia el entorno y que puede causar efectos adversos en el ser humano, otros organismos vivos, equipos o el medio ambiente.
CONTRATISTA: Persona natural o jurídica que responde ante el dueño de una obra, para efectuar actividades de asesoría, interventora, diseño, supervisión, construcción, operación, mantenimiento u otras relacionadas con las líneas eléctricas y equipos asociados, cubiertas por el presente Reglamento Técnico.
CONTROL DE CALIDAD: Proceso de regulación, a través del cual se mide y controla la calidad real de un producto o servicio.
CONTROLADOR DE CERCA ELECTRICA: Aparato diseñado para suministrar periódicamente impulsos de alta tensión a una cerca conectada a él.
CORRIENTE ELECTRICA: Es el movimiento de cargas eléctricas entre dos puntos que no se hallan al mismo potencial, por tener uno de ellos un exceso de electrones respecto al otro. Es un transporte de energía.
CORRIENTE DE CONTACTO: Corriente que circula a través del cuerpo humano, cuando está sometido a una tensión.
CORROSION: Ataque a una materia y destrucción progresiva de la misma, mediante una acción química o electroquímica o bacteriana.
CORTOCIRCUITO: Fenómeno eléctrico ocasionado por una unión accidental o intencional de muy baja resistencia entre dos o más puntos de diferente potencial de un mismo circuito.
DAÑO: Consecuencia material de un accidente.
DESASTRE: Situación catastrófica súbita que afecta a gran número de personas.
DESCARGA DISRUPTIVA: Falla de un aislamiento bajo un esfuerzo eléctrico, por superarse un nivel de tensión determinado que hace circular una corriente. Se aplica al rompimiento del dieléctrico en sólidos, líquidos o gases y a la combinación de estos.
DESCARGADOR DE SOBRETENSIONES: Dispositivo para protección de equipos eléctricos, el cual limita el nivel de la sobretensión, mediante la absorción de la mayor parte de la energía transitoria, minimizando la transmitida a los equipos y refiejando la otra parte hacia la red. No es correcto llamarlo pararrayos.
DESCUIDO: Olvido o desatención de alguna regla de trabajo.
DIELECTRICO: Ver aislante.
DISPONIBILIDAD: Certeza de que un equipo o sistema sea operable en un tiempo dado. Cualidad para operar normalmente.
DISPOSITIVO DE CONTROL DE HOMBRE MUERTO: Dispositivo diseñado para parar un equipo cuando un operario libera el mismo con la mano o pie.
DISPOSITIVO DE PROTECCION CONTRA SOBRETENSIONES TRANSITORIAS DEL TIPO CONMUTACION DE TENSION: Un DPS que tiene una alta impedancia cuando no está presente un transitorio, pero que cambia súbitamente su impedancia a un valor bajo en respuesta a un transitorio de tensión. Ejemplos de estos dispositivos son: Los vía de chispas, tubos de gas, tiristores y triacs.
DISPOSITIVO DE PROTECCION CONTRA SOBRETENSIONES TRANSITORIAS DELTIPO LIMITACION DE TENSION: Un DPS que tiene una alta impedancia cuando no está presente un transitorio, pero se reduce gradualmente con el incremento de la corriente y la tensión transitoria. Ejemplos de estos dispositivos son los varistores y los diodos de supresión.
DISTANCIA A MASA: Distancia mínima, bajo condiciones especificadas, entre una parte bajo tensión y toda estructura que tiene el mismo potencial de tierra.
DISTANCIA AL SUELO: Distancia mínima, bajo condiciones ya especificadas, entre el conductor bajo tensión y el terreno.
DISTANCIA DE SEGURIDAD: Es la mínima distancia entre una línea energizada y una zona donde se garantiza que no habrá un accidente por acercamiento.
DISTRIBUCION DE ENERGIA ELECTRICA: Transferencia de energía eléctrica a los consumidores, dentro de un área específica.
DOBLE AISLAMIENTO: Aislamiento que comprende a la vez un aislamiento funcional y un aislamiento suplementario.
DPS: Sigla del dispositivo de protección contra sobretensiones transitorias o descargador de sobretensiones.
ECOLOGIA: Ciencia que trata las relaciones de los organismos entre sí y con el medio ambiente que los rodea.
EDIFICACION: Edificio o conjunto de edificios para habitación humana o para otros usos.
EDIFICIO ALTO: Es aquel que supere los 23 metros de altura, medidos desde el nivel donde puede acceder un vehículo de bomberos, según el Código de Seguridad de Vida o NFPA 101.
ELECTRICIDAD ESTATICA: Una forma de energía eléctrica o el estudio de cargas eléctricas en reposo.
ELECTRICIDAD: El conjunto de disciplinas que estudian los fenómenos eléctricos o una forma de energía obtenida del producto de la potencia eléctrica consumida por el tiempo de servicio. El suministro de electricidad al usuario debe entenderse como un servicio de transporte de energía, con una componente técnica y otra comercial.
ELECTRICO: Aquello que tiene o funciona con electricidad.
ELECTROCUCION: Paso de corriente eléctrica a través del cuerpo humano.
ELECTRODO DE PUESTA A TIERRA: Es el conductor o conjunto de conductores enterrados que sirven para establecer una conexión con el suelo.
ELECTRONICA: Parte de la electricidad que maneja las técnicas fundamentadas en la utilización de haces de electrones en vacío, en gases o en semiconductores.
ELECTROTECNIA: Estudio de las aplicaciones técnicas de la electricidad.
EMERGENCIA: Situación que se presenta por un hecho accidental y que requiere suspender todo trabajo para atenderla.
EMPALME: Conexión eléctrica destinada a unir dos partes de conductores, para garantizar continuidad eléctrica y mecánica.
EMPRESA: Unidad económica que se representa como un sistema integral con recursos humanos, de información, financieros y técnicos que produce bienes o servicios y genera utilidad.
ENSAYO: Conjunto de pruebas y controles a los cuales se somete un bien para asegurarse que cumple normas y pueda cumplir la función requerida.
EQUIPO: Conjunto de personas o elementos especializados para lograr un fin o realizar un trabajo.
EQUIPO ELECTRICO MOVIL: Equipo que está diseñado para ser energizado mientras se mueve.
EQUIPO ELECTRICO MOVIBLE: Equipo alimentado por un cable de arrastre y que está diseñado para ser movido sólo cuando está desenergizado.
EQUIPO ELECTRICO DE SOPORTE DE LAVIDA: Equipo eléctrico cuyo funcionamiento continuo es imprescindible para mantener la vida de un paciente.
EQUIPOTENCIALIZAR: Es el proceso, práctica o acción de conectar partes conductivas de las instalaciones, equipos o sistemas entre sí o a un sistema de puesta a tierra, mediante una baja impedancia, para que la diferencia de potencial sea mínima entre los puntos interconectados.
ERROR: Acción desacertada o equivocada. Estado susceptible de provocar avería.
ESPECIFICACION TECNICA: Documento que establece características técnicas mínimas de un producto o servicio.
EVALUACION DE LA CONFORMIDAD: Procedimiento utilizado, directa o indirectamente, para determinar que se cumplen los requisitos o prescripciones pertinentes de los reglamentos técnicos o normas.
EVENTO: Es una manifestación o situación, producto de fenómenos naturales, técnicos o sociales que puede dar lugar a una emergencia. EXPLOSION: Expansión rápida y violenta de una masa gaseosa que genera una onda de presión que puede afectar sus proximidades.
EXPOSICION OCUPACIONAL: Toda exposición de los trabajadores ocurrida durante la jornada de trabajo, a un riesgo o contaminante.
EXTINTOR: Aparato autónomo, que contiene un agente para apagar el fuego, eliminando el oxígeno.
EXTENSION: Conjunto continuo de tomacorriente, cables y clavija, sin conductores expuestos y sin empalmes, utilizado con carácter provisional.
FALLA: Degradación de componentes. Alteración intencional o fortuita de la capacidad de un sistema, componente o persona, para cumplir una función requerida.
FASE: Designación de un conductor, un grupo de conductores, un terminal, un devanado o cualquier otro elemento de un sistema polifásico que va a estar energizado durante el servicio normal.
FIBRILACION VENTRICULAR: Contracción espontánea e incontrolada de las fibras del músculo cardíaco, causada entre otros, por una electrocución.
FLECHA: Distancia vertical máxima en un vano, entre el conductor y la línea recta que une los dos puntos de sujeción.
FRECUENCIA: Número de períodos por segundo de una onda. Se mide en hertz o ciclos por segundo.
FRENTE MUERTO: Parte de un equipo accesible a las personas y sin partes activas.
FUEGO: Combinación de combustible, oxígeno y calor. Combustión que se desarrolla en condiciones controladas.
FUEGO CLASE C: El originado en equipos eléctricos energizados.
FUENTE DE ENERGIA: Todo equipo o sistema que suministre energía eléctrica.
FUENTE DE RESPALDO: Uno o más grupos electrógenos (motor - generador o baterías) cuyo objetivo es proveer energía durante la interrupción del servicio eléctrico normal.
FUSIBLE: Aparato cuya función es abrir, por la fusión de uno o varios de sus componentes, el circuito en el cual está insertado.
GENERACION DE ENERGIA ELECTRICA: Proceso mediante el cual se obtiene energía eléctrica a partir de alguna otra forma de energía.
GENERADOR: Persona natural o jurídica que produce energía eléctrica, que tiene por lo menos una central o unidad generadora. También significa equipo de generación de energía eléctrica incluyendo los grupos electrógenos.
IGNICION: Acción de originar una combustión.
ILUMINANCIA: Es el flujo luminoso que incide sobre una superficie. Su unidad, el lux, equivale al flujo luminoso de un lumen que incide homogéneamente sobre una superficie de un metro cuadrado. IMPACTO AMBIENTAL: Acción o actividad que produce una alteración, favorable o desfavorable, en el medio ambiente o en alguno de los componentes del mismo.
IMPERICIA: Falta de habilidad para desarrollar una tarea. INCENDIO: Es todo fuego incontrolado. INDUCCION: Fenómeno en el que un cuerpo energizado, transmite por medio de su campo eléctrico o magnético, energía a otro cuerpo, a pesar de estar separados por un dieléctrico.
INFLAMABLE: Material que se puede encender y quemar rápidamente.
INMUNIDAD: Es la capacidad de un equipo o sistema para funcionar correctamente sin degradarse ante la presencia de una perturbación electromagnética.
INSPECCION: Conjunto de actividades tales como medir, examinar, ensayar o comparar con requisitos establecidos, una o varias características de un producto o instalación eléctrica, para determinar su conformidad.
INSTALACION ELECTRICA: Conjunto de aparatos eléctricos y de circuitos asociados, previstos para un fin particular: generación, transmisión, transformación, rectificación, conversión, distribución o utilización de la energía eléctrica.
INTERFERENCIA ELECTROMAGNETICA: Es la degradación en las características del equipo o sistema, causada por una perturbación electromagnética.
INTERRUPTOR AUTOMATICO: Dispositivo diseñado para que abra el circuito automáticamente cuando se produzca una sobrecorriente predeterminada.
INTERRUPTOR AUTOMATICO AJUSTABLE: Calificativo que indica que el interruptor automático se puede ajustar para que se dispare a distintas corrientes, tiempos o ambos, dentro de un margen predeterminado.
INTERRUPTOR DE FALLAATIERRA: Interruptor diferencial accionado por corrientes de fuga a tierra, cuya función es interrumpir la corriente hacia la carga cuando se excede algún valor determinado por la soportabilidad de las personas.
INTERRUPTOR DE USO GENERAL: Dispositivo para abrir y cerrar o para conmutar la conexión de un circuito, diseñado para ser operado manualmente. Su capacidad se establece en amperios y es capaz de interrumpir su corriente nominal a su tensión nominal. Cumple funciones de control y no de protección.
LABORATORIO DE METROLOGIA: Laboratorio que reúne la competencia e idoneidad necesarias para determinar la aptitud o funcionamiento de equipos de medición.
LABORATORIO DE PRUEBA Y ENSAYOS: Laboratorio nacional, extranjero o internacional, que posee la competencia e idoneidad necesarias para llevar a cabo en forma general la determinación de las características, aptitud o funcionamiento de materiales o productos.
LESION: Perjuicio fisiológico sufrido por una persona.
LIMITE DE APROXIMACION SEGURA: Es la distancia mínima desde un punto energizado del equipo, hasta la cual el personal no calificado puede situarse sin riesgo por arco eléctrico.
LIMITE DE APROXIMACION RESTRINGIDA: Es la distancia mínima hasta la cual el personal calificado puede situarse sin llevar los elementos de protección personal certificados contra riesgo por arco eléctrico.
LIMITE DE APROXIMACION TECNICA: Es la distancia mínima en la cual solo el personal calificado que lleva elementos de protección personal certificados contra arco eléctrico realiza trabajos en la zona de infiuencia directa de las partes energizadas de un equipo.
LINEA DE TRANSMISION: Un sistema de conductores y sus accesorios, para el transporte de energía eléctrica, desde una planta de generación o una subestación a otra subestación. Un circuito teórico equivalente que representa una línea de energía o de comunicaciones.
LINEA ELECTRICA: Conjunto compuesto por conductores, aisladores, estructuras y accesorios destinados al transporte de energía eléctrica.
LINEA MUERTA: Término aplicado a una línea sin tensión o desenergizada.
LINEA VIVA: Término aplicado a una línea con tensión o línea energizada.
LONGITUD DE ONDA: En una onda periódica, es la distancia entre puntos de la misma fase en dos ciclos consecutivos.
LUGAR O LOCAL HUMEDO: Sitios exteriores parcialmente protegidos o interiores sometidos a un grado moderado de humedad, cuyas condiciones ambientales se manifiestan momentáneamente o permanentemente bajo la forma de condensación.
LUGAR O LOCAL MOJADO: Instalación expuesta a saturación de agua u otros líquidos, así sea temporalmente o durante largos períodos. Las instalaciones eléctricas a la intemperie deben ser consideradas como locales mojados, así como el área de cuidado de pacientes que está sujeta normalmente a exposición de líquidos mientras ellos están presentes. No se incluyen los procedimientos de limpieza rutinarios o el derrame accidental de líquidos.
LUGAR (CLASIFICADO) PELIGROSO: Aquella zona donde están o pueden estar presentes gases o vapores inflamables, polvos combustibles o partículas volátiles de fácil infiamación.
LUMINANCIA: Es el flujo refiejado por los cuerpos, o el flujo emitido si un objeto se considera fuente de luz. También llamado brillo fotométrico. Su unidad es la candela o lúmenes por metro cuadrado.
LUMINARIA: Componente mecánico principal de un sistema de alumbrado que proyecta, filtra y distribuye los rayos luminosos, además de alojar y proteger los elementos requeridos para la iluminación.
MANIOBRA: Conjunto de procedimientos tendientes a operar una red eléctrica en forma segura.
MANTENIMIENTO: Conjunto de acciones o procedimientos tendientes a preservar o restablecer un bien, a un estado tal que le permita garantizar la máxima confiabilidad.
MAQUINA: Conjunto de mecanismos accionados por una forma de energía, para transformarla en otra más apropiada a un efecto dado.
MASA: Conjunto de partes metálicas de un equipo, que en condiciones normales, están aisladas de las partes activas y se toma como referencia para las señales y tensiones de un circuito electrónico. Las masas pueden estar o no estar conectadas a tierra.
MATERIAL: Cualquier sustancia, insumo, parte o repuesto que se transforma con su primer uso o se incorpora a un bien como parte de él.
METODO: Modo de decir o hacer con orden una cosa. Procedimiento o técnica para realizar un análisis, un estudio o una actividad.
METODO ELECTROGEOMETRICO: Procedimiento que permite establecer cuál es el volumen de cubrimiento de protección contra rayos de una estructura para una corriente dada, según la posición y la altura de la estructura considerada como pararrayos.
METROLOGIA: Ciencia de la medición. Incluye aspectos teóricos y prácticos.
MODELO: Procedimiento matemático que permite simular la evolución de variables y propiedades de un sistema, durante el desarrollo de un fenómeno físico o químico. Representación abstracta de un sistema.
MONITOREO DEL CONDUCTOR DE TIERRA: Acción de verificar la continuidad del conductor de tierra de los cables de alimentación.
MUERTE APARENTE O MUERTE CLINICA: Estado que se presenta cuando una persona deja de respirar y/o su corazón no bombea sangre.
MUERTO: Ser sin vida. También se aplica a un dispositivo enterrado en el suelo, cuyo fin es servir de punto de anclaje fijo.
NECROSIS ELECTRICA: Tipo de quemadura producida por alta tensión.
NEUTRO: Conductor activo conectado intencionalmente a una puesta a tierra, bien sólidamente o a través de un impedancia limitadora.
NIVEL DE RIESGO: Valoración conjunta de la probabilidad de ocurrencia de los accidentes, de la gravedad de sus efectos y de la vulnerabilidad del medio.
NODO: Parte de un circuito en el cual dos o más elementos tienen una conexión común.
NOMINAL: Término aplicado a una característica de operación, indica los límites de diseño de esa característica para los cuales presenta las mejores condiciones de operación. Los límites siempre están asociados a una norma técnica.
NORMA: Documento aprobado por una institución reconocida, que prevé, para un uso común y repetido, reglas, directrices o características para los productos o los procesos y métodos de producción conexos, servicios o procesos, cuya observancia no es obligatoria.
NORMAARMONIZADA: Documento aprobado por organismos de normalización de diferentes países, que establece sobre un mismo objeto, la intercambiabilidad de productos, procesos y servicios, o el acuerdo mutuo sobre los resultados de ensayos, o sobre la información suministrada de acuerdo con estas normas.
NORMA DE SEGURIDAD: Toda acción encaminada a evitar un accidente.
NORMA INTERNACIONAL: Documento emitido por una organización internacional de normalización, que se pone a disposición del público.
NORMA EXTRANJERA: Norma que se toma en un país como referencia directa o indirecta, pero que fue emitida por otro país.
NORMA REGIONAL: Documento adoptado por una organización regional de normalización y que se pone a disposición del público.
NORMATECNICA: Documento establecido por consenso y aprobado por un organismo reconocido, que suministra, para uso común y repetido, reglas, directrices y características para las actividades o sus resultados, encaminados al logro del grado óptimo de orden en un contexto dado. Las normas técnicas se deben basar en los resultados consolidados de la ciencia, la tecnología y la experiencia y sus objetivos deben ser los beneficios óptimos para la comunidad.
NORMATECNICA COLOMBIANA (NTC): Norma técnica aprobada o adoptada como tal por el organismo nacional de normalización.
NORMALIZAR: Establecer un orden en una actividad específica.
OBJETIVOS LEGITIMOS: Entre otros, la garantía y la seguridad de la vida y la salud humana, animal y vegetal, de su medio ambiente y la prevención de las prácticas que puedan inducir a error a los consumidores, incluyendo asuntos relativos a la identificación de bienes o servicios, considerando entre otros aspectos, cuando corresponda a factores fundamentales de tipo climático, geográfico, tecnológico o de infraestructura o justificación científica.
OPERADOR DE RED: Empresa de Servicios Públicos encargada de la planeación, de la expansión y de las inversiones, operación y mantenimiento de todo o parte de un Sistema de Transmisión Regional o un Sistema de Distribución Local.
ORGANISMO DE ACREDITACION: Entidad gubernamental que acredita y supervisa los organismos de certificación, los laboratorios de pruebas y ensayo y de metrología que hagan parte del sistema nacional de normalización, certificación y metrología.
ORGANISMO DE CERTIFICACION: Entidad Imparcial, pública o privada, nacional, extranjera o internacional, que posee la competencia y la confiabilidad necesarias para administrar un sistema de certificación, consultando los intereses generales.
ORGANISMO DE INSPECCION: Entidad que ejecuta actividades de medición, ensayo o comparación con un patrón o documento de referencia de un proceso, un producto, una instalación o una organización y confrontar los resultados con unos requisitos especificados.
ORGANISMO NACIONAL DE NORMALIZACION: Entidad reconocida por el gobierno nacional, cuya función principal es la elaboración, adopción y publicación de las normas técnicas nacionales y la adopción como tales de las normas elaboradas por otros entes.
PARARRAYOS: Elemento metálico resistente a la corrosión, cuya función es interceptar los rayos que podrían impactar directamente sobre la instalación a proteger. Más técnicamente se denomina terminal de captación.
PATRON: Medida materializada, aparato de medición o sistema de medición destinado a definir, realizar, conservar o reproducir una unidad o uno o varios valores conocidos de una magnitud para trasmitirlos por comparación a otros instrumentos de medición.
PCB: Bifenilo policlorado, aquellos clorobifenilos que tienen la fórmula molecular Cl donde n es mayor que 1. Conocido comúnmente como Askarel. C12H10-nn
PELIGRO: Exposición incontrolada a un riesgo.
PERSONA: Individuo de la especie humana, cualquiera sea su edad, sexo, estirpe o condición.
PERSONA CALIFICADA: Persona natural que demuestre su formación profesional en electrotecnia y riesgos asociados a la electricidad y, además, cuente con matrícula profesional, certificado de inscripción profesional, o certificado de matricula profesional, de conformidad con la normatividad vigente y que lo acredite para el ejercicio de la profesión.
PERSONA JURIDICA: Se llama persona jurídica, una persona ficticia, capaz de ejercer derechos y contraer obligaciones civiles, y de ser representada judicial y extrajudicialmente. Las personas jurídicas son de dos especies: corporaciones y fundaciones de beneficencia pública. Hay personas jurídicas que participan de uno y otro carácter.
PERTURBACION ELECTROMAGNETICA: Cualquier fenómeno electromagnético que puede degradar las características de desempeño de un equipo o sistema.
PISO CONDUCTIVO: Arreglo de material conductivo de un lugar que sirve como medio de conexión eléctrica entre personas y objetos para prevenir la acumulación de cargas electrostáticas.
PLANO: Representación a escala en una superficie.
PRECAUCION: Actitud de cautela para evitar o prevenir los daños que puedan presentarse al ejecutar una acción.
PREVENCION: Evaluación predictiva de los riesgos y sus consecuencias. Conocimiento a priori para controlar los riesgos. Acciones para eliminar la probabilidad de un accidente.
PREVISION: Anticipación y adopción de medidas ante la posible ocurrencia de un suceso, en función de los indicios observados y de la experiencia.
PRIMEROS AUXILIOS: Todos los cuidados inmediatos y adecuados, pero provisionales, que se prestan a alguien accidentado o con enfermedad repentina, para conservarle la vida.
PRODUCTO: Cualquier bien, ya sea en estado natural o manufacturado, incluso si se ha incorporado en otro producto.
PROFESION: Empleo, facultad u oficio que tiene una persona y ejerce con derecho a retribución.
PUERTA CORTAFUEGO: Puerta que cumple los criterios de estabilidad, estanqueidad, no emisión de gases inflamables y aislamiento térmico durante un período de tiempo determinado.
PUERTO: Punto de interfaz entre un equipo y su ambiente electromagnético.
PUESTA A TIERRA: Grupo de elementos conductores equipotenciales, en contacto eléctrico con el suelo o una masa metálica de referencia común, que distribuye las corrientes eléctricas de falla en el suelo o en la masa. Comprende electrodos, conexiones y cables enterrados.
PUNTO CALIENTE: Punto de conexión que esté trabajando a una temperatura por encima de la normal, generando pérdidas de energía y a veces, riesgo de incendio.
PUNTO NEUTRO: Es el nodo o punto de un sistema eléctrico, que para las condiciones de funcionamiento previstas, presenta la misma diferencia de potencial con relación a cada una de las fases.
QUEMADURA: Conjunto de trastornos tisulares, producidos por el contacto prolongado con llamas o cuerpos de temperatura elevada.
RAYO: La descarga eléctrica atmosférica o más comúnmente conocida como rayo, es un fenómeno físico que se caracteriza por una transferencia de carga eléctrica de una nube hacia la tierra, de la tierra hacia la nube, entre dos nubes, al interior de una nube o de la nube hacia la ionosfera.
RECEPTOR: Todo equipo o máquina que utiliza la electricidad para un fin particular.
RED EQUIPOTENCIAL: Conjunto de conductores del SPT que no están en contacto con el suelo o terreno y que conectan sistemas eléctricos, equipos o instalaciones con la puesta a tierra.
RED INTERNA: Es el conjunto de redes, tuberías, accesorios y equipos que integran el sistema de suministro del servicio público al inmueble a partir del medidor. Para edificios de propiedad horizontal o condominios, es aquel sistema de suministro del servicio al inmueble a partir del registro de corte general cuando lo hubiere.
REGLAMENTO TECNICO: Documento en el que se establecen las características de un producto, servicio o los procesos y métodos de producción, con inclusión de las disposiciones administrativas aplicables y cuya observancia es obligatoria.
REQUISITO: Precepto, condición o prescripción que debe ser cumplida, es decir que su cumplimiento es obligatorio.
RESGUARDO: Medio de protección que impide o dificulta el acceso de las personas o sus extremidades, a una zona de peligro.
RETIE O Retie: Acrónimo del Reglamento Técnico de Instalaciones Eléctricas adoptado por Colombia.
RIESGO: Condición ambiental o humana cuya presencia o modificación puede producir un accidente o una enfermedad ocupacional. Posibilidad de consecuencias nocivas o perjudiciales vinculadas a exposiciones reales o potenciales.
RIESGO DE ELECTROCUCION: Posibilidad de circulación de una corriente eléctrica a través de un ser vivo.
RESISTENCIA DE PUESTA A TIERRA: Es la relación entre el potencial del sistema de puesta a tierra a medir, respecto a una tierra remota y la corriente que fiuye entre estos puntos.
SECCIONADOR: Dispositivo destinado a hacer un corte visible en un circuito eléctrico y está diseñado para que se manipule después de que el circuito se ha abierto por otros medios.
SEGURIDAD: Estado de riesgo aceptable o actitud mental de las personas.
SEÑALIZACION: Conjunto de actuaciones y medios dispuestos para refiejar las advertencias de seguridad en una instalación.
SERVICIO: Prestación realizada a título profesional o en forma pública, en forma onerosa o no, siempre que no tenga por objeto directo la fabricación de bienes.
SERVICIO PUBLICO: Actividad organizada que satisface una necesidad colectiva en forma regular y continua, de acuerdo con un régimen jurídico especial, bien sea que se realice por el Estado directamente o por entes privados.
SERVICIO PUBLICO DOMICILIARIO DE ENERGIA ELECTRICA: Es el transporte de energía eléctrica desde las redes regionales de transmisión hasta el domicilio del usuario final, incluida su conexión y medición.
SIMBOLO: Imagen o signo que describe una unidad, magnitud o situación determinada y que se utiliza como forma convencional de entendimiento colectivo.
SISTEMA: Conjunto de componentes interrelacionados e interactuantes para llevar a cabo una misión conjunta. Admite ciertos elementos de entrada y produce ciertos elementos de salida en un proceso organizado.
SISTEMA DE EMERGENCIA: Un sistema de potencia destinado a suministrar energía de respaldo a un número limitado de funciones vitales, dirigidas a la protección de la vida humana y la seguridad.
SISTEMA DE POTENCIA AISLADO (IT): Un sistema con el punto neutro aislado de tierra o conectado a ella a través de una impedancia. Cuenta con un transformador y un monitor de aislamiento. Se utiliza especialmente en hospitales, minas, embarcaciones, vehículos, ferrocarriles y plantas eléctricas.
SISTEMA DE PUESTA A TIERRA (SPT): Conjunto de elementos conductores de un sistema eléctrico específico, sin interrupciones ni fusibles, que conectan los equipos eléctricos con el terreno o una masa metálica. Comprende la puesta a tierra y la red equipotencial de cables que normalmente no conducen corriente.
SISTEMA DE PUESTA A TIERRA DE PROTECCION: Conjunto de conexión, encerramiento, canalización, cable y clavija que se acoplan a un equipo eléctrico, para prevenir electrocuciones por contactos con partes metálicas energizadas accidentalmente.
SISTEMA DE PUESTA A TIERRA DE SERVICIO: Es la que pertenece al circuito de corriente; sirve tanto para condiciones de funcionamiento normal como de falla.
SISTEMA DE PUESTAATIERRATEMPORAL: Dispositivo de puesta en cortocircuito y a tierra, para protección del personal que interviene en redes desenergizadas.
SISTEMA ININTERRUMPIDO DE POTENCIA (UPS): Sistema que provee energía a cargas críticas unos milisegundos después del corte de la alimentación normal. Durante ese tiempo, normalmente no debe salir de servicio ninguno de los equipos que alimenta.
SOBRECARGA: Funcionamiento de un elemento excediendo su capacidad nominal.
SOBRETENSION: Tensión anormal existente entre dos puntos de una instalación eléctrica, superior a la tensión máxima de operación normal de un dispositivo, equipo o sistema.
SUBESTACION: Conjunto único de instalaciones, equipos eléctricos y obras complementarias, destinado a la transferencia de energía eléctrica, mediante la transformación de potencia.
SUSCEPTIBILIDAD: La inhabilidad de un dispositivo, equipo o sistema para operar sin degradarse en presencia de una perturbación electromagnética.
TECNICA: Conjunto de procedimientos y recursos que se derivan de aplicaciones prácticas de una o varias ciencias.
TENSION: La diferencia de potencial eléctrico entre dos conductores, que hace que fiuyan electrones por una resistencia. Tensión es una magnitud, cuya unidad es el voltio; un error frecuente es hablar de "voltaje".
TENSION ATIERRA: Para circuitos puestos a tierra, la tensión entre un conductor dado y el conductor del circuito puesto a tierra o a la puesta a tierra; para circuitos no puestos a tierra, la mayor tensión entre un conductor dado y algún otro conductor del circuito.
TENSION DE CONTACTO: Diferencia de potencial que durante una falla se presenta entre una estructura metálica puesta a tierra y un punto de la superficie del terreno a una distancia de un metro. Esta distancia horizontal es equivalente a la máxima que se puede alcanzar al extender un brazo.
TENSION DE PASO: Diferencia de potencial que durante una falla se presenta entre dos puntos de la superficie del terreno, separados por una distancia de un paso (aproximadamente un metro).
TENSION DE SERVICIO: Valor de tensión, bajo condiciones normales, en un instante dado y en un nodo del sistema. Puede ser estimado, esperado o medido. TENSION MAXIMA PARA UN EQUIPO: Tensión máxima para la cual está especificado, sin rebasar el margen de seguridad, en lo que respecta a su aislamiento o a otras características propias del equipo. Debe especificarse para equipos que operen con tensión superior a 1.000 V.
TENSION MAXIMA DE UN SISTEMA: Valor de tensión máxima en un punto de un sistema eléctrico, durante un tiempo, bajo condiciones de operación normal.
TENSION NOMINAL: Valor convencional de la tensión con el cual se designa un sistema, instalación o equipo y para el que ha sido previsto su funcionamiento y aislamiento. Para el caso de sistemas trifásicos, se considera como tal la tensión entre fases.
TENSION TRANSFERIDA: Es un caso especial de tensión de contacto, donde un potencial es conducido hasta un punto remoto respecto a la subestación o a una puesta a tierra.
TETANIZACION: Rigidez muscular producida por el paso de una corriente eléctrica.
TIERRA (Ground o earth): Para sistemas eléctricos, es una expresión que generaliza todo lo referente a conexiones con tierra. En temas eléctricos se asocia a suelo, terreno, tierra, masa, chasis, carcasa, armazón, estructura o tubería de agua. El término "masa" sólo debe utilizarse para aquellos casos en que no es el suelo, como en los aviones, los barcos y los carros.
TIERRA REDUNDANTE: Conexión especial de conductores de puesta a tierra, para tomacorrientes y equipo eléctrico fijo en áreas de cuidado de pacientes, que interconecta tanto la tubería metálica como el conductor de tierra aislado, con el fin de asegurar la protección de los pacientes contra las corrientes de fuga.
TOMACORRIENTE: Dispositivo con contactos hembra, diseñado para instalación fija en una estructura o parte de un equipo, cuyo propósito es establecer una conexión eléctrica con una clavija.
TOXICIDAD: Efecto venenoso producido por un período de exposición a gases, humos o vapores y que puede dar lugar a un daño fisiológico o la muerte.
TRABAJADOR: Persona que ejecuta un ejercicio de sus habilidades, de manera retribuida y dentro de una organización.
TRABAJO: Actividad vital del hombre, social y racional, orientada a un fin y un medio de plena realización.
TRABAJOS EN TENSION: Métodos de trabajo, en los cuales un operario entra en contacto con elementos energizados o entra en la zona de infiuencia directa del campo electromagnético que este produce, bien sea con una parte de su cuerpo o con herramientas, equipos o los dispositivos que manipula.
TRANSFORMACION DE ENERGIA ELECTRICA: Transferencia de energía eléctrica a través de una transformación de potencia.
TRANSMISION DE ENERGIA ELECTRICA: Transferencia de grandes bloques de energía eléctrica, desde las centrales de generación hasta las áreas de consumo.
TRANSMISOR NACIONAL: Persona que opera y transporta energía eléctrica en el sistema de transmisión nacional o que ha constituido una empresa cuyo objeto es el desarrollo de dichas actividades.
UMBRAL: Nivel de una señal o concentración de un contaminante, comúnmente aceptado como de no daño al ser humano.
UMBRAL DE PERCEPCION: Valor mínimo de corriente a partir de la cual es percibida por el 99.5% de los seres humanos. Se estima en 1,1 miliamperios para los hombres en corriente alterna a 60 Hz.
UMBRAL DE REACCION: Valor mínimo de corriente que causa contracción muscular involuntaria.
UMBRAL DE SOLTAR O CORRIENTE LIMITE: Es el valor máximo de corriente que permite la separación voluntaria de un 99.5% de las personas, cuando sujetando un electrodo bajo tensión con las manos, conserva la posibilidad de soltarlo, mediante la utilización de los mismos músculos que están siendo estimulados por la corriente. Se considera como la máxima corriente segura y se estima en 10 mA para hombres, en corriente alterna.
URGENCIA: Necesidad de trabajo que se presenta fuera de la programación y que permite realizarse cuando se terminen las tareas en ejecución.
USUARIO: Persona natural o jurídica que se beneficia con la prestación de un servicio público, bien como propietario del inmueble en donde este se presta, o como receptor directo del servicio. A este último usuario se denomina también consumidor.
VANO: Distancia horizontal entre dos apoyos adyacentes de una línea o red.
VECINDAD DEL PACIENTE: Es el espacio destinado para el examen y tratamiento de pacientes, se define como la distancia horizontal de 1,8 metros desde la cama, silla, mesa u otro dispositivo que soporte al paciente y se extiende hasta una distancia vertical de 2,30 metros sobre el piso.
VIDA UTIL: Tiempo durante el cual un bien cumple la función para la que fue concebido.
ZONA DE SERVIDUMBRE: Es una franja de terreno que se deja sin obstáculos a lo largo de una línea de transporte de energía eléctrica, como margen de seguridad para la construcción, operación y mantenimiento de dicha línea, así como para tener una interrelación segura con el entorno.
ARTÍCULO 4o. ABREVIATURAS, ACRÓNIMOS Y SIGLAS. Para efectos del presente Reglamento y una mayor información, se presenta un listado de las abreviaturas, acrónimos y siglas más comúnmente utilizadas en el sector eléctrico; unas corresponden a los principales organismos de normalización, otras son de instituciones o asociaciones y algunas son de uso común y repetido.
< TABLA NO INCLUIDA. VER ORIGINAL EN D.O. No.46.598 - ABR.13-2007 EN LA CARPETA “ANEXOS” O EN LA PÁGINA WEB www.imprenta.gov.co >
Tabla 2. Organismos de Normalización
< TABLA NO INCLUIDA. VER ORIGINAL EN D.O. No.46.598 - ABR.13-2007 EN LA CARPETA “ANEXOS” O EN LA PÁGINA WEB www.imprenta.gov.co >
Tabla 3. Acrónimos, siglas y abreviaturas de común utilización
ARTÍCULO 5o. ANÁLISIS DE RIESGOS ELÉCTRICOS. En general la utilización y dependencia tanto industrial como doméstica de la energía eléctrica ha traído consigo la aparición de accidentes por contacto con elementos energizados o incendios, los cuales se han incrementado cada vez más. El número de accidentes sigue al avance de electrificación de un país. La mayor parte de los accidentes con origen eléctrico se presentan en los procesos de distribución y utilización.
A medida que el uso de la electricidad se extiende se requiere ser más exigentes en cuanto a la normalización y reglamentación. El resultado final del paso de una corriente eléctrica por el cuerpo humano puede predecirse con un gran porcentaje de certeza, si se toman ciertas condiciones de riesgo conocidas y se evalúa en qué medida infiuyen todos los factores que se conjugan en un accidente de tipo eléctrico.
Algunos estudios, principalmente los de Dalziel, han establecido niveles de corte de corriente de los dispositivos de protección que evitan la muerte por electrocución de cero al ciento por ciento. En la siguiente tabla aparece un resumen de estos niveles.
< TABLA NO INCLUIDA. VER ORIGINAL EN D.O. No.46.598 - ABR.13-2007 EN LA CARPETA “ANEXOS” O EN LA PÁGINA WEB www.imprenta.gov.co >
Tabla 4. Porcentaje de personas que se protegen según la corriente de disparo
En estudios recientes el Ing. Biegelmeier estableció la relación entre el I2.t y los efectos fisiológicos, tal como aparece en la siguiente tabla:
< TABLA NO INCLUIDA. VER ORIGINAL EN D.O. No.46.598 - ABR.13-2007 EN LA CARPETA “ANEXOS” O EN LA PÁGINA WEB www.imprenta.gov.co >
Tabla 5. Relación entre energía específica y efectos fisiológicos
Esta parte informativa del RETIE tiene como principal objetivo crear una conciencia sobre los riesgos existentes en todo lugar donde se haga uso de la electricidad. Se espera que el personal calificado la aplique en función de las características de una actividad, un proceso o una situación en donde se presente el riesgo.
5.1 Evaluación del nivel de riesgo Hoy en día, en las normas se han fijado criterios claros sobre soportabilidad de seres humanos y animales, como se ve en la siguiente gráfica tomada de la NTC 4120, con referente IEC 60479-2, que muestra las zonas de los efectos de las corrientes alternas de 15 Hz a 100 Hz.
El umbral de fibrilación ventricular depende de parámetros fisiológicos y eléctricos, por ello se ha tomado la curva C1 como límite para diseño de equipos de protección. Los valores umbrales de corriente de menos de 0,2 segundos, se aplican solamente durante el período vulnerable del ciclo cardíaco.

Figura 1. Zonas de tiempo/corriente de los efectos de las corrientes alternas de 15 Hz a 100 Hz.
Debido a que los umbrales de soportabilidad de los seres humanos, tales como el de paso de corriente (1,1 mA), de reacción a soltarse (10 mA) y de rigidez muscular o de fibrilación (25 mA) son valores de corriente muy bajos; la superación de dichos valores puede ocasionar accidentes como la muerte o la pérdida de algún miembro o función del cuerpo humano.
Adicionalmente, al considerar el uso masivo de instalaciones y que la continuidad en su utilización es casi permanente a nivel residencial, comercial, industrial y oficial, la frecuencia de exposición al riesgo podría alcanzar niveles altos, si no se adoptan las medidas adecuadas.
Con el fin de evaluar el grado de los riesgos de tipo eléctrico que el Reglamento busca minimizar o eliminar, se puede aplicar la siguiente matriz de análisis de riesgo.
MATRIZ DE ANÁLISIS DE RIESGOS


NIVELES DE RIESGO
Riesgo alto: Necesita alta protección o toma obligatoria de acciones.
Riesgo medio: Necesita protección básica, que se amplia según criterio del ingeniero.
Riesgo bajo: Se puede asumir el riesgo o instalar protección.
Figura 2. Matriz de riesgo
Para la elaboración del presente Reglamento se tuvo en cuenta que los elevados gastos en que frecuentemente incurren el Estado y las personas o entidades afectadas, cuando se presenta un accidente de origen eléctrico, superan significativamente las inversiones que se hubieran requerido para minimizar o eliminar el riesgo.
Se entenderá que una instalación eléctrica es de ALTO RIESGO, cuando carezca de protección frente a condiciones tales como ausencia de la electricidad en instalaciones hospitalarias, arco eléctrico, contacto directo e indirecto, cortocircuito, rayo o sobrecarga, que de no ser eliminadas pueden causar la muerte, graves efectos fisiológicos en el cuerpo humano o efectos sobre el entorno de la instalación eléctrica, como contaminación, incendio o explosión. Para determinar la existencia del alto riesgo, la situación debe ser evaluada por una persona calificada en electrotecnia teniendo en cuenta los siguientes criterios orientadores:
a) Que existan condiciones peligrosas, plenamente identificables, tales como instalaciones que carezcan de medidas preventivas específicas contra el riesgo eléctrico, condiciones ambientales de lluvia, tormentas eléctricas y contaminación; equipos, productos o conexiones defectuosas de la instalación eléctrica;
b) Que el peligro tenga un carácter inminente, es decir, que existan indicios racionales de que la exposición al riesgo conlleve a que se produzca el accidente. Esto significa que la muerte o una lesión física grave, un incendio o una explosión, puede ocurrir antes de que se haga un estudio a fondo del problema, para tomar las medidas preventivas;
c) Que la gravedad sea máxima, es decir, que haya gran probabilidad de muerte, lesión física grave, incendio o explosión, que conlleve a que una parte del cuerpo o todo, pueda ser lesionada de tal manera que se inutilice o quede limitado su uso en forma permanente o que se destruyan bienes importantes cercanos a la instalación;
d) Que existan antecedentes comparables, el evaluador del riesgo debe referenciar al menos un antecedente ocurrido con condiciones similares.
5.2 Riesgos eléctricos más comunes Un riesgo es una condición ambiental o humana cuya presencia o modificación puede producir un accidente o una enfermedad ocupacional. Por regla general, todas las instalaciones eléctricas tienen implícito un riesgo y ante la imposibilidad de controlarlos todos en forma permanente, se seleccionaron algunos de los más comunes, que al no tenerlos presentes ocasionan la mayor cantidad de accidentes.
El tratamiento preventivo de la problemática del riesgo eléctrico obliga a saber identificar y valorar las situaciones irregulares, antes de que suceda algún accidente. Por ello, es necesario conocer claramente el concepto de riesgo de contacto con la corriente eléctrica. A partir de ese conocimiento, del análisis de los factores que intervienen y de las circunstancias particulares, se tendrán criterios objetivos que permitan detectar la situación de riesgo y valorar su grado de peligrosidad. Identificado el riesgo, se han de seleccionar las medidas preventivas aplicables.
En la siguiente tabla se ilustran algunos de los riesgos eléctricos más comunes, sus posibles causas y medidas de protección.

RIESGO: ARCOS ELECTRICOS.
POSIBLES CAUSAS: Malos contactos, cortocircuitos, aperturas de interruptores con carga, apertura o cierre de seccionadores.
MEDIDAS DE PROTECCION: Utilizar materiales envolventes resistentes a los arcos, mantener una distancia de seguridad, usar gafas de protección contra rayos ultravioleta.
![]() | RIESGO: AUSENCIA DE ELECTRICIDAD. POSIBLES CAUSAS: Apagón, no disponer de un sistema ininterrumpido de potencia, no tener plantas de emergencia, no tener transferencia. MEDIDAS DE PROTECCION: Disponer de sistemas ininterrumpidos de potencia y de plantas de emergencia con transferencia automática. L1 L2 L3 |
![]() | RIESGO: CONTACTO DIRECTO POSIBLES CAUSAS: Negligencia de técnicos o impericia de no técnicos. MEDIDAS DE PROTECCION: Distancias de seguridad, interposición de obstáculos, aislamiento o recubrimiento de partes activas, utilización de interruptores diferenciales, elementos de protección personal, puesta a tierra, probar ausencia de tensión. |
![]() | RIESGO: CONTACTO INDIRECTO POSIBLES CAUSAS: Fallas de aislamiento, mal mantenimiento, falta de conductor de puesta a tierra. MEDIDAS DE PROTECCION: Separación de circuitos, uso de muy baja tensión, distancias de seguridad, conexiones equipotenciales, sistemas de puesta a tierra, interruptores diferenciales, mantenimiento preventivo y correctivo. |
![]() | RIESGO: CORTOCIRCUITO POSIBLES CAUSAS: Fallas de aislamiento, impericia de los técnicos, accidentes externos, vientos fuertes, humedades. MEDIDAS DE PROTECCION: Interruptores automáticos con dispositivos de disparo de máxima corriente o cortacircuitos fusibles. |
![]() | RIESGO: ELECTRICIDAD ESTATICA POSIBLES CAUSAS: Unión y separación constante de materiales como aislantes, conductores, sólidos o gases con la presencia de un aislante. MEDIDAS DE PROTECCION: Sistemas de puesta a tierra, conexiones equipotenciales, aumento de la humedad relativa, ionización del ambiente, eliminadores eléctricos y radiactivos, pisos conductivos. |
![]() | RIESGO: EQUIPO DEFECTUOSO POSIBLES CAUSAS: Mal mantenimiento, mala instalación, mala utilización, tiempo de uso, transporte inadecuado. MEDIDAS DE PROTECCION: Mantenimiento predictivo y preventivo, construcción de instalaciones siguiendo las normas técnicas, caracterización del entorno electromagnético. |
![]() | RIESGO: RAYOS POSIBLES CAUSAS: Fallas en el diseño, construcción, operación, mantenimiento del sistema de protección. MEDIDAS DE PROTECCION: Pararrayos, bajantes, puestas a tierra, equipotencialización, apantallamientos, topología de cableados. Además suspender actividades de alto riesgo, cuando se tenga personal al aire libre. |
![]() | RIESGO: SOBRECARGA POSIBLES CAUSAS: Superar los límites nominales de los equipos o de los conductores, instalaciones que no cumplen las normas técnicas, conexiones flojas, armónicos. MEDIDAS DE PROTECCION: Interruptores automáticos con relés de sobrecarga, interruptores automáticos asociados con cortacircuitos, cortacircuitos, fusibles, dimensionamiento adecuado de conductores y equipos. |
![]() | RIESGO: TENSION DE CONTACTO POSIBLES CAUSAS: Rayos, fallas a tierra, fallas de aislamiento, violación de distancias de seguridad. MEDIDAS DE PROTECCION: Puestas a tierra de baja resistencia, restricción de accesos, alta resistividad del piso, equipotencializar. |
![]() | RIESGO: TENSION DE PASO POSIBLES CAUSAS: Rayos, fallas a tierra, fallas de aislamiento, violación de áreas restringidas. MEDIDAS DE PROTECCION: Puestas a tierra de baja resistencia, restricción de accesos, alta resistividad del piso, equipotencializar. |
Tabla 6. Riesgos eléctricos comunes.
5.3 Situaciones de alto riesgo En los casos o circunstancias en que se observe inminente peligro para las personas, se deberán interrumpir el funcionamiento de la instalación eléctrica, excepto en aeropuertos y áreas críticas de hospitales, cuando dicha interrupción conllevaría un riesgo más alto. En una situación de inminente riesgo de accidente, personal calificado podrá solicitar a la autoridad civil o de policía, adoptar las medidas provisionales que eliminen el riesgo, dando cuenta inmediatamente al organismo de control, que fijará el plazo para restablecer las condiciones reglamentarias.
En los casos de accidente con o sin interrupción del servicio de energía se comunicará inmediatamente a la autoridad competente y a la empresa prestadora del servicio.
5.4 Notificación de accidentes Con el fin de verificar la efectividad del Reglamento en la reducción de la accidentalidad de origen eléctrico, las empresas responsables de la prestación del servicio público de energía eléctrica, deben reportar todo accidente de origen eléctrico que tenga como consecuencia la muerte o graves efectos fisiológicos en el cuerpo humano.
Dicha información deberá reportarse cada tres meses al Sistema Único de Información (SUI), siguiendo las condiciones establecidas por la Superintendencia de Servicios Públicos en su calidad de administrador del SUI; el reporte debe contener como mínimo el nombre del accidentado, tipo de lesión, causa del accidente, lugar y fecha del accidente y parte del cuerpo afectada.
ARTÍCULO 6o. ANÁLISIS DE COMPATIBILIDAD ELECTROMAGNÉTICA. Las técnicas de la compatibilidad electromagnética (CEM) se deben aplicar cuando los niveles de operación de los dispositivos, equipos o sistemas sean más exigentes que los requeridos para cumplir la seguridad de personas.
La CEM es la armonía que se presenta en un ambiente electromagnético, en el cual operan equipos receptores y se encuentran cumpliendo con sus funciones satisfactoriamente. El correcto desempeño se puede ver afectado por el nivel de las perturbaciones electromagnéticas existentes en el ambiente, por la susceptibilidad de los dispositivos y por la cantidad de energía de la perturbación que se pueda acoplar a los dispositivos. Cuando estos tres elementos propician la transferencia de energía nociva, se produce una interferencia electromagnética, que se puede manifestar como una mala operación, error, apagado y reencendido de equipos o su destrucción. Los componentes de la compatibilidad electromagnética son: Emisor, canal de acople y receptor.
En la siguiente figura se expone la estructura de la compatibilidad electromagnética, donde,
PE = Perturbación electromagnética.
C = Canal de acople.
IE = Interferencia electromagnética.

Figura 3. Estructura de la CEM
ARTÍCULO 7o. PROGRAMA DE SALUD OCUPACIONAL. Para efectos del presente Reglamento Técnico, toda empresa del sector eléctrico colombiano debe cumplir los siguientes preceptos de salud ocupacional, adoptados de la Resolución 001016 del 31 de marzo de 1989 expedida por los Ministerios de Trabajo y Seguridad Social y de Salud y las demás que la modifiquen, además de la legislación colombiana sobre la materia:
a) Todos los empleadores públicos, oficiales, privados, contratistas y subcontratistas, están obligados a organizar y garantizar el funcionamiento de un Programa de Salud Ocupacional;
b) El programa de Salud Ocupacional consiste en la planeación, organización, ejecución y evaluación de las actividades de Medicina Preventiva, Medicina del Trabajo, Higiene Industrial y Seguridad Industrial. Cada empresa debe tener su propio programa y sólo es permitido compartir recursos, pero nunca un programa puede comprender a dos empresas;
c) Elaborar un panorama de riesgos para obtener información sobre estos en los sitios de trabajo de la empresa, que permita su localización y evaluación;
d) Establecer y ejecutar las modificaciones en los procesos u operaciones, sustitución de materias primas peligrosas, encerramiento o aislamiento de procesos, operaciones u otras medidas, con el objeto de controlar en la fuente de origen y/o en el medio, los agentes de riesgo;
e) Estudiar e implantar los programas de mantenimiento preventivo de las máquinas, equipos, herramientas, instalaciones locativas, alumbrado y redes eléctricas;
f) Inspeccionar periódicamente las redes e instalaciones eléctricas locativas, de maquinaria, equipos y herramientas, para controlar los riesgos de electrocución y los peligros de incendio;
g) Delimitar o demarcar las áreas de trabajo, zonas de almacenamiento y vías de circulación y señalizar salidas de emergencia, resguardos y zonas peligrosas de las máquinas e instalaciones;
h) Organizar y desarrollar un plan de emergencia teniendo en cuenta las siguientes ramas:
1. Rama Preventiva.
2. Rama Pasiva o estructural.
3. Rama Activa o Control de las emergencias.
REQUISITOS TÉCNICOS ESENCIALES.
Para efectos del presente Reglamento, los requisitos contenidos en este capítulo, por ser de aplicación obligatoria en todos los niveles de tensión y en todos los procesos, deben ser cumplidos según la situación particular en las instalaciones eléctricas objeto del presente reglamento.
Toda instalación eléctrica cubierta por el presente Reglamento, deberá contar con un diseño, el cual como mínimo tendrá las memorias de cálculo de conductores y protecciones, los diagramas unifilares, cálculo de transformador (si se requiere), cálculo del sistema de puesta a tierra (si se requiere), distancias de seguridad, cálculo mecánico de estructuras (cuando se requiera) evaluación del nivel de riesgo por rayos y planos de construcción; tales documentos deben ser firmados por el profesional o profesionales competentes de acuerdo con sus matrículas profesionales que los faculten para el diseño.
Se exceptúan de la exigencia del diseño, las instalaciones de uso final de la electricidad destinados a vivienda unifamiliar, pequeños comercios o industrias, con capacidad o potencia instalable no superior a 10 kVA, siempre y cuando no tenga ambientes o equipos especiales y que no haga parte de edificaciones multifamiliares o construcciones consecutivas. Cuando se haga uso de la excepción, la persona calificada responsable de la construcción de la instalación eléctrica, deberá basarse en especificaciones predefinidas y deberá entregar al propietario de la instalación un esquema o plano del alcance de la construcción, donde se evidencie la localización de interruptores, tomacorrientes, número y calibres de conductores, diámetro de tuberías, capacidad de las protecciones de sobrecorriente (cuadro de carga), localización de puesta a tierra, tablero de circuitos, contador y diagrama unifilar de los circuitos. Estos documentos serán suscritos por el constructor de la instalación eléctrica con su nombre, apellidos, número de cedula de ciudadanía y número de la matrícula profesional, certificado de inscripción profesional o certificado de matrícula, según corresponda de conformidad con la ley.
Para toda instalación eléctrica cubierta por el presente Reglamento, será obligatorio que actividades tales como las de diseño, dirección, construcción, supervisión, recepción, operación, mantenimiento e inspección sean realizadas por personal calificado con matrícula profesional, certificado de inscripción profesional o certificado de matrícula, que lo faculte para ejercer dicha actividad. Tales personas responderán por los efectos resultantes de su participación en la instalación.
La competencia para realizar dichas actividades corresponderá a las personas calificadas, tales como ingenieros electricistas, electromecánicos, de distribución y redes eléctricas, tecnólogos en electricidad, tecnólogos en electromecánica o técnicos electricistas, con matrícula profesional, certificado de inscripción profesional o certificado de matrícula, vigentes, teniendo en cuenta lo dispuesto en las leyes y normas reglamentarias que regulan el ejercicio de estas profesiones.
Los organismos de certificación no deben expedir la certificación de conformidad con el RETIE a instalaciones eléctricas diseñadas, construidas o supervisadas por personas que según la legislación vigente no tengan la competencia legal para el ejercicio profesional de dichas actividades; en consecuencia, el Operador de Red no debe dar servicio a estas instalaciones.
ARTÍCULO 8o. CLASIFICACIÓN DE LOS NIVELES DE TENSIÓN EN CORRIENTE ALTERNA. Para efectos del presente Reglamento Técnico, se fijan los siguientes niveles de tensión, establecidos en la norma NTC 1340, así:
a) Extra alta tensión (EAT): corresponde a tensiones superiores a 230 kV;
b) Alta tensión (AT): corresponde a tensiones mayores o iguales a 57,5 kV y menores o iguales a 230 kV;
c) Media tensión (MT): Los de tensión nominal superior a 1.000 V e inferior a 57,5 kV;
d) Baja tensión (BT): Los de tensión nominal mayor o igual a 25 V y menor o igual a 1.000 V;
e) Muy baja tensión (MBT): Tensiones menores de 25 V.
Toda instalación eléctrica, objeto del presente Reglamento, debe asociarse a uno de los anteriores niveles. Si en la instalación existen circuitos o elementos en los que se utilicen distintas tensiones, el conjunto del sistema se clasificará para efectos prácticos, en el grupo correspondiente al valor de la tensión nominal más elevada.
ARTÍCULO 9o. SISTEMA DE UNIDADES. Para efectos del presente Reglamento, se debe aplicar en el sector eléctrico el Sistema Internacional de Unidades (SI), aprobado por Resolución número 1823 de 1991 de la Superintendencia de Industria y Comercio. Por tanto, los siguientes símbolos y nombres tanto de magnitudes como de unidades se declaran de obligatorio cumplimiento, en todas las actividades que se desarrollen en el sector eléctrico y deben expresarse en todos los documentos públicos y privados.
< TABLA NO INCLUIDA. VER ORIGINAL EN D.O. No.46.598 - ABR.13-2007 EN LA CARPETA “ANEXOS” O EN LA PÁGINA WEB www.imprenta.gov.co >
Tabla 7. Simbología de magnitudes y unidades utilizadas en electrotecnia
Reglas para el uso de símbolos y unidades:
1. No debe confundirse magnitud con unidad.
2. El símbolo de la unidad será el mismo para el singular que para el plural.
3. Cuando se va a escribir o pronunciar el plural del nombre de una unidad, se usarán las reglas de la gramática española.
4. Cada unidad y cada prefijo tiene un solo símbolo y este no debe ser cambiado. No se deben usar abreviaturas.
5. Los símbolos de las unidades se denotan con letras minúsculas, con la excepción del ohmio (fi) letra mayúscula omega del alfabeto griego. Aquellos que provienen del nombre de personas se escriben con mayúscula.
6. El nombre completo de las unidades se debe escribir con letra minúscula, con la única excepción del grado Celsius, salvo en el caso de comenzar la frase o luego de un punto.
7. Las unidades sólo podrán designarse por sus nombres completos o por sus símbolos correspondientes reconocidos internacionalmente.
8. Entre prefijo y símbolo no se deja espacio.
9. El producto de símbolos se indica por medio de un punto.
10. No se colocarán signos de puntuación luego de los símbolos de la unidades, sus múltiplos o submúltiplos, salvo por regla de puntuación gramatical, dejando un espacio de separación entre el símbolo y el signo de puntuación.
ARTÍCULO 10. SIMBOLOGÍA GENERAL. En un plazo no mayor a dos años, contados a partir de la publicación del presente Reglamento se deberán utilizar los símbolos gráficos contemplados en la Tabla 8, tomados de las normas unificadas IEC 60617, ANSI Y32, CSA Z99 e IEEE 315, los cuales guardan mayor relación con la seguridad eléctrica.
Cuando se requieran otros símbolos se pueden tomar de las normas precitadas.


Tabla 8. Principales símbolos gráficos
Cuando por razones técnicas, las instalaciones no puedan acogerse a estos símbolos, se deberá justificar mediante documento escrito avalado por un ingeniero electricista con matrícula profesional vigente; dicho documento deberá acompañar el dictamen de inspección que repose en la instalación
ARTÍCULO 11. SEÑALIZACIÓN DE SEGURIDAD.
11.1 Objetivo
El objetivo de las señales de seguridad es transmitir mensajes de prevención, prohibición o información en forma clara, precisa y de fácil entendimiento para todos, en una zona en la que se ejecutan trabajos eléctricos o en zonas de operación de máquinas, equipos o instalaciones que entrañen un peligro potencial. Las señales de seguridad no eliminan por sí mismas el peligro pero dan advertencias o directrices que permitan aplicar las medidas adecuadas para prevención de accidentes.
Para efectos del presente Reglamento los siguientes requisitos de señalización, tomados de la NTC 1461 y de la ISO 3461, son de obligatoria aplicación y la entidad propietaria de la instalación será responsable de su utilización. Su escritura debe ser en idioma castellano y deberán localizarse en los sitios visibles que permitan cumplir su objetivo.
El uso de las señales de riesgo será de obligatorio cumplimiento, a menos que alguna norma de mayor jerarquía legal determine otra cosa, en tal caso las empresas justificarán la razón del no uso.
11.2 Clasificación de las Señales de Seguridad
Las señales de seguridad se clasifican en informativas (rectangulares), de peligro (triangulares) y de obligación o prohibición (circulares) y siempre llevan pictogramas en su interior.

Tabla 9. Dimensiones típicas de las señales en milímetros.

Tabla 10. Colores de las señales y su significados

Tabla 11. Principales señales de seguridad.
11.3 Características específicas del símbolo de riesgo eléctrico.
Donde se precise el símbolo de riesgo eléctrico, se conservarán las siguientes dimensiones, adoptadas de la IEC 60417-1:
< TABLA NO INCLUIDA. VER ORIGINAL EN D.O. No.46.598 - ABR.13-2007 EN LA CARPETA “ANEXOS” O EN LA PÁGINA WEB www.imprenta.gov.co >

Tabla 12. Dimensiones del símbolo de riesgo eléctrico Figura 4 Símbolo de riesgo eléctrico
11.4 Código de colores para conductores aislados
Con el objeto de evitar accidentes por errónea interpretación de los niveles de tensión y unificar los criterios para instalaciones eléctricas, se debe cumplir el código de colores para conductores establecido en la Tabla 13. Se tomará como válido para determinar este requisito el color propio del acabado exterior del conductor o en su defecto, su marcación debe hacerse en las partes visibles con pintura, con cinta o rótulos adhesivos del color respectivo. Este requisito es también aplicable a conductores desnudos, como los barrajes.
El código de colores establecido en la Tabla 13, no aplica para los conductores utilizados en instalaciones externas o a la intemperie, diferentes a la acometida, tales como las redes, líneas y subestaciones tipo poste.
< TABLA NO INCLUIDA. VER ORIGINAL EN D.O. No.46.598 - ABR.13-2007 EN LA CARPETA “ANEXOS” O EN LA PÁGINA WEB www.imprenta.gov.co >
ARTÍCULO 12. COMUNICACIONES POR RADIO. Para efectos del presente Reglamento y en razón al uso masivo de comunicaciones por radio para todo tipo de maniobras y coordinación de trabajos, se adoptan las siguientes abreviaturas de servicio, tomadas del código telegráfico o Código Q, utilizado desde 1912.
< TABLA NO INCLUIDA. VER ORIGINAL EN D.O. No.46.598 - ABR.13-2007 EN LA CARPETA “ANEXOS” O EN LA PÁGINA WEB www.imprenta.gov.co >
Cada trabajador que reciba un mensaje oral concerniente a maniobras de conexión o desconexión de líneas o equipos, deberá repetirlo de inmediato al remitente y obtener la aprobación del mismo. Cada trabajador autorizado que envíe tal mensaje oral deberá repetirlo al destinatario y asegurarse de la identidad de este último.
El Código Q debe ser utilizado por las empresas que no tengan establecido un protocolo de comunicaciones. En caso de que la empresa cuente con un protocolo, este debe garantizar la seguridad y no generar confusiones en las maniobras.
ARTÍCULO 13. DISTANCIAS DE SEGURIDAD. Para efectos del presente Reglamento y teniendo en cuenta que frente al riesgo eléctrico la técnica más efectiva de prevención, siempre será guardar una distancia respecto a las partes energizadas, puesto que el aire es un excelente aislante, en este apartado se fijan las distancias mínimas que deben guardarse entre líneas eléctricas y elementos físicos existentes a lo largo de su trazado (carreteras, edificios, árboles, etc.) con el objeto de evitar contactos accidentales.
Las distancias verticales y horizontales que se presentan en las siguientes tablas, se adoptaron del National Electrical Safety Code, ANSI C2 versión 2002; todas las tensiones dadas en estas tablas son entre fases, para circuitos con neutro puesto a tierra sólidamente y otros circuitos en los que se tenga un tiempo despeje de falla a tierra acorde con el presente Reglamento.
Todas la distancias de seguridad deberán ser medidas de superficie a superficie y todos los espacios deberán ser medidos de centro a centro. Para la medición de distancias de seguridad, los accesorios metálicos normalmente energizados serán considerados como parte de los conductores de línea. Las bases metálicas de los terminales del cable y los dispositivos similares deberán ser considerados como parte de la estructura de soporte.
Los conductores denominados cubiertos o semiaislados y sin pantalla, es decir, con un recubrimiento que no esté certificado para ofrecer el aislamiento en media tensión, deben ser considerados conductores desnudos para efectos de distancias de seguridad, salvo en el espacio comprendido entre fases del mismo o diferente circuito, que puede ser reducido por debajo de los requerimientos para los conductores expuestos cuando la cubierta del conductor proporciona rigidez dieléctrica para limitar la posibilidad de la ocurrencia de un cortocircuito o de una falla a tierra. Cuando se reduzcan las distancias entre fases, se deben utilizar separadores para mantener el espacio entre ellos.
Nota 1: Las distancias de seguridad establecidas en las siguientes tablas, aplican a conductores desnudos.
Nota 2: En el caso de tensiones mayores a 57,5 kV entre fases, las distancias de aislamiento eléctrico especificadas en las tablas se incrementarán en un 3% por cada 300 m que sobrepasen los 1.000 metros sobre el nivel del mar.
Nota 3: Las distancias verticales se toman siempre desde el punto energizado más cercano al lugar de posible contacto.
Nota 4: Las distancias horizontales se toman desde la fase más cercana al sitio de posible contacto.
Nota 5: Si se tiene una instalación con una tensión diferente a las contempladas en el presente Reglamento, debe cumplirse el requisito exigido para la tensión inmediatamente superior.
Nota 6: Cuando los edificios, chimeneas, antenas o tanques u otras instalaciones elevadas no requieran algún tipo de mantenimiento, como pintura, limpieza, cambio de partes o trabajo de personas cerca de los conductores; la distancia horizontal "b", se podrá reducir en 0, 6 m.
Nota 7: Un techo, balcón o área es considerado fácilmente accesible para los peatones si este puede ser alcanzado de manera casual a través de una puerta, rampa, ventana, escalera o una escalera a mano permanentemente utilizada por una persona, a pie, alguien que no despliega ningún esfuerzo físico extraordinario ni emplea ningún instrumento o dispositivo especial para tener acceso a estos. No se considera un medio de acceso a una escalera permanentemente utilizada si es que su peldaño más bajo mide 2,45 m o más desde el nivel del piso u otra superficie accesible permanentemente instalada.
Nota 8: Si se tiene un tendido aéreo con cable aislado y con pantalla no se aplican estas distancias. No se aplica para conductores aislados para Baja Tensión.
Nota 9: Se puede hacer el cruce de una red de menor tensión por encima de una de mayor tensión de manera experimental, siempre y cuando se documente el caso y se efectúe bajo supervisión autorizada y calificada. No se aplica a líneas de alta y extra alta tensión.
Nota 10: En techos metálicos cercanos y en casos de redes de conducción que van paralelas o que cruzan las líneas de media, alta y extra alta tensión, se debe verificar que las tensiones inducidas no presenten peligro o no afecten su funcionamiento.
Nota 11: Donde el espacio disponible no permita cumplir las distancias horizontales de la Tabla 15, la separación se puede reducir en 0,6 m siempre que los conductores, empalmes y herrajes tengan una cubierta que proporcione suficiente rigidez dieléctrica para limitar la probabilidad de falla a tierra en caso de contacto momentáneo con una estructura o edificio. Para ello, el aislamiento del cable debe ser construido mínimo, con una primera capa de material semiconductor, una segunda de polietileno reticulado y otra capa de material resistente a la abrasión y a los rayos ultravioleta. Adicionalmente debe tener una configuración compacta con espaciadores y una señalización que indique que es cable no aislado.
< TABLA NO INCLUIDA. VER ORIGINAL EN D.O. No.46.598 - ABR.13-2007 EN LA CARPETA “ANEXOS” O EN LA PÁGINA WEB www.imprenta.gov.co >
Tabla 15. Distancias mínimas de seguridad en zonas con construcciones

Figura 5. Distancias de seguridad en zonas con construcciones
< TABLA NO INCLUIDA. VER ORIGINAL EN D.O. No.46.598 - ABR.13-2007 EN LA CARPETA “ANEXOS” O EN LA PÁGINA WEB www.imprenta.gov.co >
Tabla 16. Distancias mínimas de seguridad para diferentes lugares y situaciones.
Nota 1: Para redes públicas o de uso general no será permitida la construcción de edificaciones debajo de las redes, en caso de presentarse tal situación los OR informarán a las autoridades competentes para que se tomen las medidas pertinentes. Tampoco será permitida la construcción de redes para uso público por encima de las edificaciones.
Nota 2: Para tensiones línea - tierra que superen 98 kV, las distancias de la Tabla 16 se podrán aumentar o el campo eléctrico disminuir, considerando que el vehículo o equipo más grande esperado bajo la línea fuera conectado a tierra para limitar a 5 mA rms la corriente de estado estacionario debida a los efectos electrostáticos. Para calcular esta condición los conductores deben estar desenergizados y la fiecha a 50 ºC.

Figura 6. Distancias "d" y "d1" en cruce y recorridos de vías

Figura 7. Distancia "e" en cruces con ferrocarriles sin electrificar

Figura 8. Distancia "f" y "g" para cruces con ferrocarriles y ríos
13.1 Distancias mínimas de seguridad en cruces de líneas
< TABLA NO INCLUIDA. VER ORIGINAL EN D.O. No.46.598 - ABR.13-2007 EN LA CARPETA “ANEXOS” O EN LA PÁGINA WEB www.imprenta.gov.co >
Tabla 17. Distancias verticales mínimas en vanos con cruce de líneas.
Nota: La línea de menor nivel de tensión siempre debe estar a menor altura.
13.2 Distancias mínimas entre conductores en la misma estructura.
Los conductores sobre apoyos fijos, deben tener distancias horizontales y verticales entre cada uno, no menores que el valor requerido en las Tablas 18 (a) y 18 (b).
Todos los valores son válidos hasta 1.000 metros sobre el nivel del mar; para mayores alturas, debe aplicarse el factor de corrección por altura.
Cuando se tienen conductores de diferentes circuitos, la tensión considerada debe ser la de fase-tierra del circuito de más alta tensión o la diferencia fasorial entre los conductores considerados.
Cuando se utilicen aisladores de suspensión y su movimiento no esté limitado, la distancia horizontal de seguridad entre los conductores deberá incrementarse de tal forma que la cadena de aisladores pueda moverse transversalmente hasta su máximo ángulo de balanceo de diseño sin reducir los valores indicados en la Tabla 18 (a). El desplazamiento de los conductores deberá incluir la deflexión de estructuras flexibles y accesorios, cuando dicha deflexión pueda reducir la distancia horizontal de seguridad entre los conductores.
< TABLA NO INCLUIDA. VER ORIGINAL EN D.O. No.46.598 - ABR.13-2007 EN LA CARPETA “ANEXOS” O EN LA PÁGINA WEB www.imprenta.gov.co >
Tabla 18 (a). Distancia horizontal entre conductores soportados en la misma estructura de apoyo.
(1) No se aplica en los puntos de transposición de conductores.
(2) Permitido donde se ha usado regularmente espaciamiento entre pines, menor a 15 cm. No se aplica en los puntos de transposición de conductores.
(3) Para las tensiones que excedan los 57,5 kV, la distancia de seguridad deberá ser incrementada en un 3% por cada 300 m en exceso de 1.000 metros sobre el nivel del mar. Todas las distancias de seguridad para tensiones mayores de 50 kV se basarán en la máxima tensión de operación.
< TABLA NO INCLUIDA. VER ORIGINAL EN D.O. No.46.598 - ABR.13-2007 EN LA CARPETA “ANEXOS” O EN LA PÁGINA WEB www.imprenta.gov.co >
Nota 1: La línea de menor nivel de tensión siempre debe estar a menor altura.
Nota 2: Cuando se trate de circuitos de diferentes empresas las distancias de seguridad se deben aumentar en 0,6 m.
Nota 3: Estas distancias son para circuitos de una misma empresa operadora. Para circuitos de diferentes empresas la distancia se debe aumentar en 0,6 m.
Los constructores y en general quienes presenten proyectos a las curadurías, oficinas de planeación del orden territorial y demás entidades responsables de expedir las licencias o permisos de construcción, deberán manifestar por escrito que los proyectos que solicitan dicho trámite cumplen a cabalidad con las distancias mínimas de seguridad establecidas en el RETIE.
13.3 Distancias mínimas para prevención de riesgos por arco eléctrico
Dado que el arco eléctrico es un hecho frecuente en trabajos eléctricos, que genera radiación térmica hasta de 20.000oC, que presenta un aumento súbito de presión hasta de 30 t/m2, con niveles de ruido por encima de 120 dB y que expide vapores metálicos tóxicos por desintegración de productos, se establecen los siguientes requisitos frente a este riesgo:
Las distancias mínimas de aproximación a equipos que se deben cumplir para prevenir efectos de arcos eléctricos, que puedan ocasionarse durante trabajos en tensión, por una falla técnica o por un acto inseguro, son las mostradas en la Tabla 19 y en la Figura 9. Son barreras que buscan prevenir al trabajador y en general a todo el personal. Estos límites virtuales son básicos para la seguridad eléctrica, indican sobre los riesgos que presenta determinado equipo e informan sobre los elementos de protección personal que debe usar una persona calificada y el nivel de entrenamiento que se debe tener en el momento de realizar un trabajo con este tipo de riesgo eléctrico.
< TABLA NO INCLUIDA. VER ORIGINAL EN D.O. No.46.598 - ABR.13-2007 EN LA CARPETA “ANEXOS” O EN LA PÁGINA WEB www.imprenta.gov.co >
Tabla 19. Límites de aproximación a partes energizadas de equipos.

Figura 9. Límites de aproximación
Para trabajar en zonas con riesgo de arco eléctrico, es decir, en actividades tales como cambio de interruptores o partes de él, intervenciones sobre transformadores de corriente, mediciones de tensión y corriente, mantenimiento de barrajes, instalación y retiro de medidores, apertura de condensadores y macromediciones; deben cumplirse los siguientes requisitos adaptados de la norma NFPA 70E, previo análisis del riesgo para cada situación particular:
a) Realizar un análisis de riesgos donde se tenga en cuenta la tensión, la potencia de cortocircuito y el tiempo de despeje de la falla;
b) Realizar una correcta señalización del área de trabajo y de las zonas aledañas a esta;
c) Tener un entrenamiento apropiado para trabajar en tensión;
d) Tener un plano actualizado y aprobado;
e) Tener una orden de trabajo firmada por la persona que lo autoriza. Usar el equipo de protección personal certificado contra el riesgo por arco eléctrico para trabajar en tensión. Este equipo debe estar certificado para los niveles de tensión y energía incidente involucra-dos. Para prendas en algodón, este debe ser tratado y tener mínimo 300 g/m 2
ARTÍCULO 14. CAMPOS ELECTROMAGNÉTICOS. El presente Reglamento define requisitos para intensidad de campo eléctrico y densidad de flujo magnético para las zonas donde pueda permanecer público, independientemente del tiempo, basado en criterios de la institución internacional ICNIRP, la cual es una comisión perteneciente a la Internacional Radiation Protection Association (IRPA) para la protección de la población y el medio ambiente frente a las radiaciones no-ionizantes y, en particular, proporciona guías y recomendaciones para evitar la exposición a dichas radiaciones.
14.1 Campo eléctrico
Es una alteración del espacio, que hace que las partículas cargadas, experimenten una fuerza debido a su carga, es decir, si en una región determinada una carga eléctrica experimenta una fuerza, entonces en esa región hay un campo eléctrico. El campo eléctrico es producido por la presencia de cargas eléctricas estáticas o en movimiento. Su intensidad en un punto depende de la cantidad de cargas y de la distancia a estas. A este campo también se le conoce como campo electrostático debido a que su intensidad en un punto no depende del tiempo.
El campo eléctrico natural originado en la superficie de la tierra es de aproximadamente 100 V/m, mientras que en la formación del rayo se alcanzan valores de campo eléctrico hasta de 500 kV/m.
El campo eléctrico artificial es el producido por todas las instalaciones y equipos eléctricos construidos por el hombre, como: Líneas de transmisión y distribución, transformadores, electrodomésticos y máquinas eléctricas.
En este caso, la intensidad del campo eléctrico en un punto depende del nivel de tensión de la instalación y de la distancia a esta, así: A mayor tensión mayor intensidad de campo eléctrico, y a mayor distancia menor intensidad de campo eléctrico.
La intensidad del campo eléctrico se mide en voltios por metro (V/m) o kV/m. Esta medida representa el efecto eléctrico sobre una carga presente en algún punto del espacio.
14.2 Campo magnético
Es una alteración del espacio que hace que en las cargas eléctricas en movimiento se genere una fuerza proporcional a su velocidad y a su carga. Es producido por imanes o por corrientes eléctricas. Su intensidad en un punto depende de la magnitud de la corriente y de la distancia a esta o de las propiedades del imán y de la distancia. Este campo también se conoce como magnetostático debido a que su intensidad en un punto no depende del tiempo. En la superficie de la tierra la inducción del campo magnético natural es máxima en los polos magnéticos (cerca de 70 µT) y mínima en el ecuador magnético (cerca de 30 µT). El campo magnético es originado por la circulación de corriente eléctrica. Por tanto, todas las instalaciones y equipos que funcionen con electricidad producen a su alrededor un campo magnético que depende de la magnitud de la corriente y de la distancia a esta, así: a mayor corriente, mayor campo magnético y a mayor distancia menor densidad de campo magnético. En teoría, se debería hablar de intensidad de campo magnético, pero en la práctica se toma la densidad de flujo magnético, que se representa con la letra B y se mide en teslas (el gauss ya no se toma como unidad oficial), la cual tiene la siguiente equivalencia: 1 tesla = 1 N/(A.m) = 1 V.s/ m2 = 1 Wb/m2 = 10.000 gauss
14.3 Campo electromagnético
Es una modificación del espacio debida a la interacción de fuerzas eléctricas y magnéticas simultáneamente, producidas por un campo eléctrico y uno magnético que varían en el tiempo, por lo que se le conoce como campo electromagnético variable. El campo electromagnético es producido por cargas eléctricas en movimiento (corriente alterna) y tiene la misma frecuencia de la corriente eléctrica que lo produce. Por lo tanto, un campo electromagnético puede ser originado a bajas frecuencias (0 a 300 Hz) o a más altas frecuencias.
Los campos electromagnéticos de baja frecuencia son cuasiestacionarios (casi estacionarios) y pueden tratarse por separado como si fueran estáticos, tanto para medición como para modelamiento. Las instalaciones del sistema eléctrico de energía producen campos electromagnéticos a 60 Hz. Este comportamiento permite medir o calcular el campo eléctrico y el campo magnético en forma independiente mediante la teoría cuasiestática, es decir, que el campo magnético no se considera acoplado al campo eléctrico.
14.4 Valores máximos permitidos
Para efectos del presente Reglamento Técnico se establecen los siguientes valores límites máximos, como requisito de obligatorio cumplimiento, los cuales se adoptaron de los umbrales establecidos por ICNIRP, para exposición ocupacional de día de trabajo o exposición del público.
< TABLA NO INCLUIDA. VER ORIGINAL EN D.O. No.46.598 - ABR.13-2007 EN LA CARPETA “ANEXOS” O EN LA PÁGINA WEB www.imprenta.gov.co >
Tabla 20. Valores límites de campos electromagnéticos para baja frecuencia.
Debe entenderse que ningún sitio donde pueda estar expuesto el público o una persona durante varias horas, debe superar estos valores. Para líneas de transmisión estos valores no deben ser superados dentro de la zona de servidumbre y para circuitos de distribución, a partir de las distancias de seguridad.
14.5 Medición
Para mediciones bajo las líneas de transmisión y distribución, se utiliza un equipo destinado para ello (no se tiene un nombre genérico), a un metro de altura sobre el nivel del piso, en sentido transversal al eje de la línea hasta el límite de la zona de servidumbre, para otros sitios medirlo en el lugar de permanencia frecuente de las personas.
ARTÍCULO 15. PUESTAS A TIERRA. Toda instalación eléctrica cubierta por el presente Reglamento, excepto donde se indique expresamente lo contrario, debe disponer de un Sistema de Puesta a Tierra (SPT), de tal forma que cualquier punto del interior o exterior, normal-mente accesible a personas que puedan transitar o permanecer allí, no estén sometidos a tensiones de paso, de contacto o transferidas, que superen los umbrales de soportabilidad del ser humano cuando se presente una falla. La exigencia de puestas a tierra para instalaciones eléctricas cubre el sistema eléctrico como tal y los apoyos o estructuras que ante una sobretensión temporal, puedan desencadenar una falla permanente a frecuencia industrial, entre la estructura puesta a tierra y la red.
Los objetivos de un sistema de puesta a tierra (SPT) son: La seguridad de las personas, la protección de las instalaciones y la compatibilidad electromagnética.
Las funciones de un sistema de puesta a tierra son:
a) Garantizar condiciones de seguridad a los seres vivos;
b) Permitir a los equipos de protección despejar rápidamente las fallas;
c) Servir de referencia al sistema eléctrico;
d) Conducir y disipar las corrientes de falla con suficiente capacidad;
e) Transmitir señales de RF en onda media.
Se debe tener presente que el criterio fundamental para garantizar la seguridad de los seres humanos, es la máxima energía eléctrica que pueden soportar, debido a las tensiones de paso, de contacto o transferidas y no el valor de resistencia de puesta a tierra tomado aisladamente. Sin embargo, un bajo valor de la resistencia de puesta a tierra es siempre deseable para disminuir la máxima elevación de potencial (GPR por sus siglas en inglés).
La máxima tensión de contacto aplicada al ser humano que se acepta, está dada en función del tiempo de despeje de la falla a tierra, de la resistividad del suelo y de la corriente de falla. Para efectos del presente Reglamento, la tensión máxima de contacto o de toque no debe superar los valores dados en la Tabla 21, tomados de la Figura 44A de la IEC 60364-4-44.
< TABLA NO INCLUIDA. VER ORIGINAL EN D.O. No.46.598 - ABR.13-2007 EN LA CARPETA “ANEXOS” O EN LA PÁGINA WEB www.imprenta.gov.co >
Tabla 21. Valores máximos de tensión de contacto aplicada a un ser humano.
Los valores de la Tabla 21 se refieren a tensión de contacto aplicada a un ser humano en caso de falla a tierra, corresponden a valores máximos de soportabilidad del ser humano a la circulación de corriente y considera la resistencia promedio neta del cuerpo humano entre mano y pie, es decir, no considera el efecto de las resistencias externas adicionalmente involucradas entre la persona y la estructura puesta a tierra o entre la persona y la superficie del terreno natural.
Para determinar la tensión de contacto, se debe comprobar mediante el empleo de algún procedimiento de cálculo, tal como el análisis de circuitos siguiendo los lineamientos de IEC, o el método consignado en la norma IEEE 80, considerando las restricciones para cada caso.
Para cumplir el requerimiento de la Tabla 21, se acepta como válido calcular la tensión máxima de contacto de circuito abierto, en voltios, aplicando alguna de las siguientes ecuaciones:
Para determinar la tensión de contacto, se debe comprobar mediante el empleo de algún procedimiento de cálculo, tal como el análisis de circuitos siguiendo los lineamientos de IEC, o el método consignado en la norma IEEE 80, considerando las restricciones para cada caso.
Para cumplir el requerimiento de la Tabla 21, se acepta como válido calcular la tensión máxima de contacto de circuito abierto, en voltios, aplicando alguna de las siguientes ecuaciones:
La tomada del MIE RAT 13:
![]()
Donde K= 72 y n=1 si t < 0,9 segundos. K = 78,5 y n= 0,18 para 0,9 < t < 3 segundos
es la resistividad del terreno en ohmio.metro t es el tiempo de duración de la falla en segundos.

Donde Cs es el factor de disminución debido a la capa superficial sobre el terreno natural y
es la resistividad de la capa superficial del terreno en ohmio.metro t es el tiempo de duración de la falla en segundos.
15.1 Diseño del sistema de puesta a tierra
El diseñador de un sistema de puesta a tierra para subestaciones deberá comprobar mediante el empleo de un procedimiento de cálculo reconocido por la práctica de la ingeniería actual, que los valores máximos de las tensiones de paso, de contacto y transferidas a que puedan estar sometidos los seres humanos, no superen los umbrales de soportabilidad. Para efectos del diseño de una puesta a tierra de subestaciones se deben calcular las tensiones máximas admisibles de paso, de contacto y transferidas, las cuales deben tomar como base una resistencia del cuerpo de 1000O y cada pie como una placa de 200 cm2 aplicando una fuerza de 250 N.
El procedimiento básico sugerido es el siguiente:
a) Investigación de las características del suelo, especialmente la resistividad;
b) Determinación de la corriente máxima de falla a tierra, que debe ser entregada por el Operador de Red para cada caso particular; c) Determinación del tiempo máximo de despeje de la falla para efectos de simulación;
d) Investigación del tipo de carga; e) Cálculo preliminar de la resistencia de puesta a tierra;
f) Cálculo de las tensiones de paso, contacto y transferidas en la instalación;
g) Evaluar el valor de las tensiones de paso, contacto y transferidas calculadas con respecto a la soportabilidad del ser humano;
h) Investigar las posibles tensiones transferidas al exterior, debidas a tuberías, mallas, conductores de neutro, blindaje de cables, circuitos de señalización, además del estudio de las formas de mitigación;
i) Ajuste y corrección del diseño inicial hasta que se cumpla los requerimientos de seguridad;
j) Diseño definitivo.
15.2 Requisitos
Generales de las puestas a tierra Las puestas a tierra deben cumplir los siguientes requisitos:
a) Los elementos metálicos que no forman parte de las instalaciones eléctricas, no podrán ser incluidos como parte de los conductores de puesta a tierra. Este requisito no excluye el hecho de que se deben conectar a tierra, en algunos casos;
b) Los elementos metálicos principales que actúan como refuerzo estructural de una edificación deben tener una conexión eléctrica permanente con el sistema de puesta a tierra general;
c) Las conexiones que van bajo el nivel del suelo en puestas a tierra, deben ser realizadas mediante soldadura exotérmica o conector certificado para tal uso;
d) Para verificar que las características del electrodo de puesta a tierra y su unión con la red equipotencial cumplan con el presente Reglamento, se deben dejar puntos de conexión y medición accesibles e inspeccionables. Cuando para este efecto se construyan cajas de inspección, sus dimensiones deben ser mínimo de 30 cm x 30 cm, o de 30 cm de diámetro si es circular y su tapa debe ser removible;
e) No se permite el uso de aluminio en los electrodos de las puestas a tierra;
f) En sistemas trifásicos de instalaciones de uso final con cargas no lineales, el conductor de neutro, debe ser dimensionado con por lo menos el 173% de la capacidad de corriente de la carga de diseño de las fases, para evitar sobrecargarlo;
g) A partir de la entrada en vigencia del presente Reglamento queda expresamente prohibido utilizar en las instalaciones eléctricas, el suelo o terreno como camino de retorno de la corriente en condiciones normales de funcionamiento. No se permitirá el uso de sistemas monofilares, es decir, donde se tiende sólo el conductor de fase y donde el terreno es la única trayectoria tanto para las corrientes de retorno como de falla;
h) Cuando por requerimientos de un edificio existan varias puestas a tierra, todas ellas deben estar interconectadas eléctricamente, según criterio adoptado de IEC-61000-5-2, tal como aparece en la Figura 10;
Figura 10. Sistemas con puestas a tierra dedicadas e interconectadas
i) Igualmente, para un mismo edificio quedan expresamente prohibidos los sistemas de puesta a tierra que aparecen en las Figuras 11 y 12, según criterio adoptado de la IEC 61000-5-2.

Figura 11. Una sola puesta a tierra para todas las necesidades
Figura 12. Puestas a tierra separadas o independientes
Las anteriores figuras aclaran que se deben interconectar todas las puestas a tierra de un edificio, es decir, aquellas componentes del sistema de puesta a tierra que están bajo el nivel del terreno y diseñadas para cada aplicación particular, tales como fallas a tierra de baja frecuencia, evacuación de electrostática, protección contra rayos o protección catódica. Este criterio está establecido igualmente en la NTC 2050. Adicionalmente se debe cumplir que si una parte conductora que conforma el sistema de puesta a tierra está a menos de 1,8 m de una bajante de pararrayos, debe ser unida a ella. En el caso de los edificios altos, se requieren anillos equipotenciales para protección contra rayos.
15.3 Materiales de los sistemas de puesta a tierra
15.3.1 Electrodos de puesta a tierra Para efectos del presente Reglamento serán de obligatorio cumplimiento que los electrodos de puesta a tierra, cumplan los siguientes requisitos, adoptados de las normas IEC 60364-5-54, BS 7430, AS 1768, UL 467, UNESA 6501F y NTC 2050:
< TABLA NO INCLUIDA. VER ORIGINAL EN D.O. No.46.598 - ABR.13-2007 EN LA CARPETA “ANEXOS” O EN LA PÁGINA WEB www.imprenta.gov.co >
Tabla 22. Requisitos para electrodos de puesta a tierra.
a) La puesta a tierra debe estar constituida por uno o varios de los siguientes tipos de electrodos: Varillas, tubos, placas, fiejes o cables;
b) Se podrán utilizar electrodos de cable de acero galvanizado, siempre que se garanticen las condiciones de seguridad establecidas en este Reglamento;
c) Los fabricantes de electrodos de puesta a tierra deben garantizar que la resistencia a la corrosión de cada electrodo, sea de mínimo 15 años contados a partir de la fecha de instalación, e informar al usuario si existe algún procedimiento específico que debe ser tenido en cuenta para su instalación. Para certificar este requisito se podrá utilizar el método de la inmersión en cámara salina durante 1000 horas tomando como referente las normas ASTM B117 y ASTM G1 o el ensayo de corrosión por reproducción del perfil de electrolito del suelo, según criterio de las normas ASTM G162-99 y ASTM G8-90 u otro método técnicamente aceptado que asegure el cumplimiento del requisito;
d) El electrodo tipo varilla o tubo debe tener mínimo 2,4 m de longitud; además, debe estar identificado con la razón social o marca registrada del fabricante y sus dimensiones; esto debe hacerse dentro los primeros 30 cm desde la parte superior;
e) El espesor efectivo de los recubrimientos exigidos en la Tabla 22, en ningún punto debe ser inferior a los valores indicados;
f) Para la instalación de los electrodos se deben considerar los siguientes requisitos:
-- La unión entre el electrodo y el conductor de puesta a tierra, debe hacerse con soldadura exotérmica o un conector certificado para este uso.
-- Atender las recomendaciones del fabricante.
-- Cada electrodo debe quedar enterrado en su totalidad.
-- El punto de unión entre el conductor del electrodo de puesta a tierra y la puesta a tierra debe ser accesible y la parte superior del electrodo enterrado debe quedar a mínimo 15 cm de la superficie. Este ítem no aplica a electrodos enterrados en las bases de estructuras de líneas de transmisión ni a electrodos instalados horizontalmente.
15.3.2 Conductor del electrodo de puesta a tierra El conductor para baja tensión, se debe seleccionar con base en la Tabla 250-94 de la NTC 2050.
El conductor para media tensión, alta tensión y extra alta tensión, debe ser seleccionado con la siguiente fórmula, la cual fue adoptada de la norma ANSI/IEEE 80.
en donde:
| Amm2 | Sección del conductor en mm2. |
| I | Corriente de falla a tierra, suministrada por el OR (rms en kA). |
| Kf | Es la constante de la Tabla 23, para diferentes materiales y varios valores de Tm. |
| Tm | Es la temperatura de fusión o el límite de temperatura del conductor y una temperatura ambiente de 40oC. |
tc | Tiempo de despeje de la falla a tierra. |
< TABLA NO INCLUIDA. VER ORIGINAL EN D.O. No.46.598 - ABR.13-2007 EN LA CARPETA “ANEXOS” O EN LA PÁGINA WEB www.imprenta.gov.co >
Tabla 23. Constantes de materiales.
(1) De acuerdo con las disposiciones del presente Reglamento no se debe utilizar aluminio enterrado.
(2) Se permite el uso de cables de acero galvanizado en sistemas de puestas a tierra en líneas detransmisión y redes de distribución, e instalaciones de uso final siempre que en condiciones de una descarga no se superen los niveles de soportabilidad del ser humano, para su cálculo podráutilizar los parámetros de varilla de acero recubierta en cinc.
(3) El espesor del recubrimiento en cobre de la varilla de acero, no debe ser menor a 0,25 mm.
15.3.3 Conductor de puesta a tierra de equipos El conductor de puesta a tierra de equipos debe cumplir los siguientes requisitos: a) El conductor para baja tensión, debe cumplir con la Tabla 250-95 de la NTC 2050; b) El conductor para media tensión, alta tensión y extra alta tensión, debe seleccionarse
de igual manera que se selecciona el conductor del electrodo de puesta a tierra; c) Los conductores del sistema de puesta a tierra deben ser continuos, sin interruptores o medios de desconexión y cuando se empalmen, deben quedar mecánica y eléctricamente seguros por medio de soldadura o conectores certificados para tal uso; d) El conductor de puesta a tierra de equipos, debe acompañar los conductores activos durante todo su recorrido y por la misma canalización;
e) Los conductores de los cableados de puesta a tierra que por disposición de la instalación se requieran aislar, deben ser de aislamiento color verde, verde con rayas amarillas
-- o identificados con marcas verdes en los puntos de inspección y extremos;
f) Antes de efectuar trabajos de conexión o desconexión en los conductores del sistema de puesta a tierra, se debe verificar que el valor de la corriente sea cero.
15.4 Valores de resistencia de puesta a tierra
Un buen diseño de puesta a tierra debe refiejarse en el control de las tensiones de paso y de contacto; sin embargo, la limitación de las tensiones transferidas principalmente en subestaciones de media y alta tensión es igualmente importante. En razón a que la resistencia de puesta a tierra es un indicador que limita directamente la máxima elevación de potencial y controla las tensiones transferidas, pueden tomarse como referencia los siguientes valores máximos de resistencia de puesta a tierra adoptados de las normas técnicas IEC 60364-4442, ANSI/IEEE 80, NTC 2050 y NTC 4552.
< TABLA NO INCLUIDA. VER ORIGINAL EN D.O. No.46.598 - ABR.13-2007 EN LA CARPETA “ANEXOS” O EN LA PÁGINA WEB www.imprenta.gov.co >
Tabla 24. Valores de referencia para resistencia de puesta a tierra
Se debe buscar que las tensiones de paso, de contacto y transferidas en caso de una falla a tierra no superen las máximas permitidas. Cuando por valores altos de resistividad del terreno, de elevadas corrientes, de falla a tierra o tiempos de despeje de la misma, o que por un balance técnico-económico no resulte práctico obtener los valores de la Tabla 24, se debe garantizar que las tensiones de paso, contacto y transferidas aplicadas al ser humano en caso de una falla a tierra no superen las máximas permitidas, para lo cual se podrán tomar medidas tales como:
a) Buscar que las tensiones transferidas sean iguales o menores a las tensiones de contacto;
b) Hacer inaccesibles zonas donde se prevea la superación de los umbrales de soportabilidad para seres humanos;
c) Instalar pisos o pavimentos de gran aislamiento;
d) Aislar todos los dispositivos que puedan ser sujetados por una persona;
e) Establecer conexiones equipotenciales en las zonas críticas;
f) Aislar el conductor del electrodo de puesta a tierra a su entrada en el terreno;
g) Disponer de señalización en las zonas críticas;
h) Dar instrucciones al personal sobre el tipo de riesgo;
i) Dotar al personal de elementos de protección personal aislantes.
15.5 Mediciones
15.5.1 Medición de resistividad aparente
Las técnicas para medir la resistividad aparente del terreno, son esencialmente las mismas que para aplicaciones eléctricas. Para su medición se puede aplicar el método tetraelectródico de Wenner, que es el más utilizado para determinarla. En la Figura 13, se expone la disposición del montaje para la medición.

Figura 13. Esquema de medición de resistividad aparente.
La ecuación exacta para el cálculo es:

Resistividad aparente del suelo en ohmios metro | |
a | Distancia entre electrodos adyacentes en metros. |
b | Profundidad de enterramiento de los electrodos en metros. |
R | Resistencia eléctrica medida en ohmios, calculada como V/I |
Cuando b es muy pequeño comparado con a se tiene la siguiente expresión: ![]()
15.5.2 Medición de resistencia de puesta a tierra La resistencia de puesta a tierra debe ser medida antes de la puesta en funcionamiento de un sistema eléctrico, como parte de la rutina de mantenimiento o excepcionalmente como parte de la verificación de un sistema de puesta a tierra. Para su medición se puede
aplicar la técnica de Caída de Potencial, cuya disposición de montaje para medición se muestra en la Figura 14.

Figura 14. Esquema de medición de resistencia de puesta a tierra
En donde,
| D | Distancia de ubicación del electrodo auxiliar de corriente, la cual debe ser 6,5 veces la mayor dimensión de la puesta a tierra a medir, para lograr una precisión del 95%(según IEEE 81). |
X | Distancia del electrodo auxiliar de tensión. |
| RPT | Resistencia de puesta a tierra en ohmios, calculada como V/I. |
El valor de resistencia de puesta a tierra que se debe tomar al aplicar este método, es cuando la disposición del electrodo auxiliar de tensión se encuentra al 61,8% de la distancia del electrodo auxiliar de corriente.
15.5.3 Medición de tensiones de paso y contacto
Las tensiones de paso y contacto calculadas deben comprobarse antes de la puesta en servicio de subestaciones de alta tensión y extra alta tensión para verificar que estén dentro de los límites admitidos. Deben seguirse los siguientes criterios adoptados de la IEEE-81.2. Esta medición no se requiere para los apoyos o estructuras de las líneas de transmisión asociadas a las subestaciones, a excepción de las dos primeras estructuras de cada línea.
Las mediciones se harán preferiblemente en la periferia de la instalación de la puesta a tierra. Se emplearán fuentes de alimentación de potencia adecuada para simular la falla, de forma que la corriente inyectada sea suficientemente alta, a fin de evitar que las medidas queden falseadas como consecuencia de corrientes espurias o parásitas circulantes por el terreno.
Los electrodos de medida para simulación de los pies deberán tener una superficie de 200 cm2 cada uno y deberán ejercer sobre el suelo una fuerza de 250 N cada uno. Consecuentemente, y a menos que se emplee un método de ensayo que elimine el efecto de dichas corrientes, por ejemplo, método de inversión de la polaridad, se procurará que la corriente inyectada sea del 1% de la corriente para la cual ha sido dimensionada la instalación y preferiblemente no inferior a 50 amperios para centrales y subestaciones de alta tensión y 5 amperios para subestaciones de media tensión.
Los cálculos se harán suponiendo que existe proporcionalidad para determinar las tensiones máximas posibles.
Se podrán aceptar otros métodos de medición siempre y cuando estén avalados por normas técnicas internacionales, NTC, regionales o de reconocimiento internacional; en tales casos, quien utilice dicho método dejará constancia de la norma aplicada.
15.6 Puestas a tierra temporales
El objeto de un equipo de puesta a tierra temporal es limitar la corriente que puede pasar por el cuerpo humano. El montaje básico de las puestas a tierra temporales debe hacerse de tal manera que los pies del liniero queden al potencial de tierra, y que los conductores que se conectan a las líneas tengan la menor longitud e impedancia posible, tal como se muestra en la Figura 15 A, adoptada de la guía IEEE 1048. La secuencia de montaje debe ser desde la tierra hasta la última fase. Para desmontarlo debe hacerse desde las fases hasta la tierra.
En el evento de que la línea se pueda interrumpir en la estructura, se deberá conectar a tierra en ambos lados.

Figura 15. Montajes típicos de puestas a tierra temporales
El equipo de puesta a tierra temporal debe cumplir las siguientes especificaciones mínimas, adoptadas de la norma IEC 61230:
a) Grapas o pinzas: De aleación de aluminio o bronce, para conductores hasta de 40 mm de diámetro y de bronce con caras planas cuando se utilicen en una torre;
b) Cable en cobre de mínimo 16 mm2 o 4 AWG, extraflexible, cilíndrico y con cubierta transparente o translucida;
c) Capacidad mínima de corriente de falla: En A.T. 40 kA; en M.T. 8 kA y 3 kA eficaces en un segundo con temperatura final de 700 ºC;
d) Electrodo: Barreno de longitud mínima de 1,5 m;
e) El fabricante debe entregar una guía de instalación, inspección y mantenimiento.
ARTÍCULO 16. ILUMINACIÓN. Una buena iluminación, además de ser un factor de seguridad, productividad y de rendimiento en el trabajo, mejora el confort visual y hace más agradable y acogedora la vida. Si se tiene en cuenta que por lo menos una quinta parte de la vida del hombre transcurre bajo alumbrado artificial, se comprenderá el interés que hay en establecer los requisitos mínimos para realizar los proyectos de iluminación, los cuales se presentan a continuación.
Está comprobado que el color del medio ambiente produce en el observador reacciones psíquicas o emocionales. No se pueden observar reglas fijas para la elección del color apropiado con el fin de conseguir un efecto determinado, pues cada caso requiere ser tratado de una forma particular. Por tanto, un buen diseño luminotécnico es fundamental para cumplir con los factores deseados en la iluminación de cada área.
16.1 Diseño
En dependencia del área y la tarea que se realiza, un diseño de iluminación debe comprender las siguientes condiciones esenciales:
a) Suministrar una cantidad de luz suficiente y la uniformidad adecuada;
b) Eliminar todas las causas de deslumbramiento;
c) Prever el tipo y cantidad de luminarias apropiadas para cada caso particular teniendo en cuenta su eficiencia;
d) Utilizar fuentes luminosas del color adecuado y que aseguren una apropiada reproducción de los colores.
16.2 Instalación
Los sistemas de iluminación deben cumplir los siguientes requisitos:
a) Debe existir suministro ininterrumpido para iluminación en sitios y áreas donde la falta de esta pueda originar riesgos para la vida de las personas, como en áreas críticas y en los medios de egreso para evacuación;
b) No se permite la utilización de lámparas de descarga con encendido retardado en circuitos de iluminación de emergencia;
c) Los alumbrados de emergencia equipados con grupos de baterías deben permanecer en funcionamiento un mínimo de 60 minutos después de que se interrumpa el servicio eléctrico normal;
d) Los residuos de las lámparas deben ser manejados cumpliendo la regulación sobre manejo de desechos, debido a las sustancias tóxicas que puedan poseer;
e) En lugares accesibles a personas donde se operen máquinas rotativas, la iluminación instalada debe diseñarse para evitar el efecto estroboscópico;
f) Para efectos del presente Reglamento, en lugares de trabajo se debe asegurar el cumplimiento de los siguientes niveles de iluminancia, adoptados de la norma ISO 8995. El valor medio de iluminancia, relacionado en la Tabla 25 “Niveles de iluminancia aceptados para diferentes áreas y actividades”, debe considerarse como el objetivo de diseño, pero el requisito exigible es que el valor medido a la altura del sitio de trabajo se encuentre entre el rango del valor mínimo y el valor máximo.
< TABLA NO INCLUIDA. VER ORIGINAL EN D.O. No.46.598 - ABR.13-2007 EN LA CARPETA “ANEXOS” O EN LA PÁGINA WEB www.imprenta.gov.co >
Tabla 25. Niveles de iluminancia aceptados para diferentes áreas y actividades
ARTÍCULO 17. REQUISITOS DE PRODUCTOS. A continuación se establecen los requisitos esenciales para los productos de mayor utilización en instalaciones eléctricas los cuales deben presentar Certificado de Conformidad antes de su instalación, según lo establecido en el artículo 47 del Capítulo X, en especial lo contemplado en el numeral 47.1.
Toda información relativa al producto que haya sido establecida como requisito por el RETIE, incluyendo la relacionada con marcaciones, rotulados, información de catálogo e instructivos de instalación, debe ser verificada dentro del proceso de certificación del producto.
Las normas referenciadas pueden indicar métodos para probar los requisitos establecidos en el Reglamento; pero si dichas normas no contemplan tales pruebas, el Organismo de Certificación Acreditado podrá recurrir a otras normas técnicas internacionales, normas técnicas de reconocimiento internacional o NTC relacionadas con dicho producto. Si en estas normas tampoco existen los métodos para probar tal requisito, el certificador podrá utilizar otros referentes reconocidos por las buenas prácticas de la física.
Cuando un producto de los reglamentados en el RETIE sea parte integrante de una instalación, aparato, máquina o herramienta excluida de su alcance, no requerirá demostrar la conformidad con el RETIE, sin perjuicio de los requerimientos de otros Reglamentos Técnicos que lo cobijen.
Para efectos del Reglamento Técnico de Instalaciones Eléctricas, el Código Eléctrico Colombiano NTC 2050 (Primera Actualización), es una norma técnica aplicada a las instalaciones eléctricas, por lo tanto, los requisitos de productos contemplados en dicha norma, no serán de obligatorio cumplimiento ni exigible la certificación de conformidad, a menos que el presente Reglamento exija tales condiciones.
Cuando un producto se construya para una o más funciones propias de otros productos contemplados en este artículo, este producto deberá demostrar el cumplimiento de los requisitos individuales que le apliquen. Por ejemplo, para el caso de los denominados “benjamines” y adaptadores.
17.1 Alambres y Cables
En consideración a su utilización en cada instalación eléctrica, independiente del nivel de tensión, se establecen en esta sección los parámetros relacionados con los conductores de mayor uso.
A los cables y cordones flexibles usados en instalaciones eléctricas objeto de este Reglamento, se les aplicarán los requisitos establecidos en la Tabla 400-4 de la sección 400 de la NTC 2050 Primera actualización, siempre y cuando tales requisitos estén referidos a la seguridad.
Los tipos de alambres, cables o cordones flexibles no contemplados en las Tablas 26 a 33 del presente Reglamento, o en la Tabla 400-4 de la NTC 2050, deberán demostrar que cumplen o superan los requisitos allí establecidos, siempre que tengan aplicaciones similares a los conductores contemplados en dichas tablas.
Para efectos del presente Reglamento, se toman como requisitos esenciales y en consecuencia garantía de seguridad, el rotulado, la resistencia eléctrica a la corriente continua, el área mínima de la sección transversal, la denominación formal del conductor, la carga mínima de rotura para cables de líneas aéreas y el espesor y resistencia mínima de aislamiento.
Estos parámetros serán de obligatorio cumplimiento en todos los alambres y cables usados en las instalaciones eléctricas objeto del presente reglamento.
Queda entendido que quienes importen, fabriquen o comercialicen alambres, cables o cordones flexibles, aplicables a las instalaciones objeto del presente Reglamento y que no cumplan estas prescripciones, infringen el RETIE.
Por lo tanto, cuando se especifique un cable o alambre en AWG o kcmil debe cumplir con los requisitos que aparecen a continuación. La conformidad se verifica mediante inspección y ensayos con equipos de medida que garanticen la precisión dada en las tablas.
17.1.1 Requisitos generales de producto
a) La resistencia máxima en corriente continua referida a 20 ºC será 1,02 veces la resistencia nominal en corriente continua. Rmaxcc=1,02*RNcc Donde: Rmaxcc = Resistencia máxima en corriente continua
RNcc = Resistencia nominal en corriente continua
b) El área mínima de la sección transversal no debe ser menor al 98% del área nominal, resentada en las Tablas 26 a 33;
c) Para los cables de aluminio, ACSR y de aleaciones de aluminio, la carga de rotura o debe ser menor a la presentada en las Tablas 28, 29 y 30;
d) Los cables de aluminio, ACSR y de aleaciones de aluminio deben tener el número e hilos presentados en las Tablas 28, 29 y 30;
e) Los conductores aislados para baja tensión deben cumplir como mínimo con los alores presentados en la Tabla 31;
f) Los cables aislados para media y alta tensión, deberán demostrar que son aptos para sos usos, mediante un certificado de producto con la norma técnica internacional, de reconocimiento nternacional o NTC que les aplique;
g) Rotulado. Los cables o alambres aislados, deben ser rotulados en forma indeleble y legible, con la siguiente información:
-- Calibre del conductor en kcmil, AWG o mm2.
-- Material del conductor, únicamente cuando es diferente al cobre.
-- Razón social o marca registrada del fabricante o comercializador.
-- Tensión nominal.
-- Tipo de aislamiento.
Dicho rotulado deberá cumplir con las siguientes características:
-- El rótulo se debe repetir a intervalos no mayores de 63 cm.
-- El rotulado se acepta en alto relieve o impreso con tinta indeleble, también se acepta n bajo relieve siempre y cuando no se reduzca el espesor de aislamiento por debajo del mínimo establecido en este Reglamento.
17.1.2 Alambres de cobre suave
< TABLA NO INCLUIDA. VER ORIGINAL EN D.O. No.46.598 - ABR.13-2007 EN LA CARPETA “ANEXOS” O EN LA PÁGINA WEB www.imprenta.gov.co >
Tabla 26. Requisitos para alambre de cobre suave
17.1.3 Cables de cobre suave
< TABLA NO INCLUIDA. VER ORIGINAL EN D.O. No.46.598 - ABR.13-2007 EN LA CARPETA “ANEXOS” O EN LA PÁGINA WEB www.imprenta.gov.co >
Tabla 27. Requisitos para cables de cobre suave
Cableado Clases A, B, C y D
17.1.4 Cables de aluminio o aluminio recubierto en cobre
< TABLA NO INCLUIDA. VER ORIGINAL EN D.O. No.46.598 - ABR.13-2007 EN LA CARPETA “ANEXOS” O EN LA PÁGINA WEB www.imprenta.gov.co >
Tabla 28. Requisitos para cables de aluminio o aluminio recubierto en cobre – AAC
Nota: La resistencia nominal en corriente continua y el área nominal, también aplican para los tipos de cableado AA, A, B, C y D.
Para los propósitos de estas especificaciones, los cableados son clasificados como:
1. Clase AA: Utilizado para conductores desnudos normalmente usados en líneas aéreas.
2. Clase A: Utilizado para conductores a ser recubiertos con materiales impermeables, retardantes al calor y para conductores desnudos donde se requiere mayor flexibilidad que la proporcionada por la clase AA.
3. Clase B: Utilizado para conductores que van a ser aislados con materiales tales como cauchos, papel, telas barnizadas y para conductores como los indicados en la clase A pero que requieren mayor flexibilidad que la proporcionada por el cableado clase A.
4. Clases C y D: Para conductores donde se requiere mayor flexibilidad que la proporcionada por la clase B.
17.1.5 Cables de aluminio o aluminio recubierto en cobre, con refuerzo de acero
< TABLA NO INCLUIDA. VER ORIGINAL EN D.O. No.46.598 - ABR.13-2007 EN LA CARPETA “ANEXOS” O EN LA PÁGINA WEB www.imprenta.gov.co >
Tabla 29. Requisitos para cables de aluminio con refuerzo de acero – ACSR
Nota: 1. La carga mínima de rotura presentada en esta tabla aplica sólo para cables ACSR con núcleos de acero con recubrimiento tipo GA y MA
17.1.6 Cables de aleaciones de aluminio
< TABLA NO INCLUIDA. VER ORIGINAL EN D.O. No.46.598 - ABR.13-2007 EN LA CARPETA “ANEXOS” O EN LA PÁGINA WEB www.imprenta.gov.co >
Tabla 30. Requisitos para cables de aleaciones de aluminio Clase A y AA – AAAC
17.1.7 Requisitos para alambres y cables aislados
< TABLA NO INCLUIDA. VER ORIGINAL EN D.O. No.46.598 - ABR.13-2007 EN LA CARPETA “ANEXOS” O EN LA PÁGINA WEB www.imprenta.gov.co >
Tabla 31. Requisitos para alambres y cables aislados
Nota: En las instalaciones eléctricas de Baja tensión, objeto de este Reglamento, se aceptarán cables o alambres aislados con otras tecnologías, siempre que la resistencia de aislamiento y tensión de ensayo no sea menor a las contempladas en la tabla 31.
17.1.8 Requisitos para conductores especificados en mm2:
Cuando se especifique un cable o alambre en mm2, debe cumplir con los requisitos presentados en las tablas que se presentan a continuación:
< TABLA NO INCLUIDA. VER ORIGINAL EN D.O. No.46.598 - ABR.13-2007 EN LA CARPETA “ANEXOS” O EN LA PÁGINA WEB www.imprenta.gov.co >
Tabla 32. Requisitos Clase 1: Alambres
(Adoptada de IEC 228)
Nota 1. Sólo se admiten conductores circulares.
< TABLA NO INCLUIDA. VER ORIGINAL EN D.O. No.46.598 - ABR.13-2007 EN LA CARPETA “ANEXOS” O EN LA PÁGINA WEB www.imprenta.gov.co >
Tabla 33. Requisitos Clase 2: Cables
Nota: 1. Mínimo número de hilos no especificado.
2. Se aceptan alambres y cables de aluminio recubierto en cobre, siempre que el procedimiento de recubrimiento cumpla con la norma ASTM y efectos de cálculos, la resistencia y capacidad de corriente se tomará igual a la del conductor de aluminio.
17.2 Bombillas y portalámparas
En consideración al uso masivo, a los diferentes accidentes que se pueden ocasionar, la baja eficiencia de las bombillas incandescentes y para prevenir prácticas que pueden inducir a error al consumidor, esta sección del Reglamento Técnico aplica únicamente a las bombillas eléctricas incandescentes de filamento de tungsteno para uso doméstico y usos similares de iluminación, con bulbo de vidrio en cualquiera de sus formas y acabados (blanco, claro y esmerilado) con potencia nominal entre 25 W y 200 W y tensión nominal entre 100 V y 250 V, a los portalámparas para aplicaciones domiciliarias o similares y a las bombillas fluorescentes compactas de uso domiciliario o similar.
Para los efectos del presente Reglamento Técnico, las bombillas incandescentes y los portalámparas deben cumplir los siguientes requisitos, adoptados de las normas IEC-60064, de la IEC- 60432-1 y de la UL 496, comprobados a partir del examen comparativo del producto contra los requisitos específicos establecidos:
a) El casquillo de la bombilla y el portalámpara correspondiente para instalaciones domésticas o similares deben tener las dimensiones y tolerancias indicadas en las siguientes figuras:

Figura 16. Posición de la camisa roscada del portalámpara. Dimensiones en milimetros.


Figura 17. Dimensiones del casquillo de una bombilla en milímetros.
b) El casquillo y el contacto eléctrico del portalámpara y las demás partes conductoras de corriente, deben ser de un material no ferroso y resistente a la corrosión;
c) El casquillo no debe desprenderse del bulbo al aplicar un momento de torsión menor o igual a 3 N.m. Lo anterior se debe cumplir al inicio y al final del ensayo de su vida nominal. Se efectúa colocando la bombilla en un adaptador sujeto a una máquina o dispositivo medidor de torsión, de tal manera que se pueda sujetar el bulbo para hacerlo girar lentamente hasta alcanzar como mínimo el valor de 3 N.m para el casquillo E27;
) Los portalámparas deben tener una resistencia mecánica para soportar una torsión de por lo menos 2,26 N.m, debida a la inserción de la bombilla y el material no conducor autoextinguible;
e) Cada bombilla, según su potencia y tensión debe certificar un flujo luminoso mínimo, garantizar un flujo luminoso nominal normal, no menor al establecido en la siguiente tabla, adoptada de la NTC 189 y NTC 5103:
< TABLA NO INCLUIDA. VER ORIGINAL EN D.O. No.46.598 - ABR.13-2007 EN LA CARPETA “ANEXOS” O EN LA PÁGINA WEB www.imprenta.gov.co >
Tabla 34. Flujo luminoso nominal normal para bombillas incandescentes (lúmenes)
El requisito de la Tabla 34 será exigible a partir de los 36 meses siguientes a la fecha de publicación del presente Anexo General, o antes si un reglamento técnico de alumbrado público e iluminación o de uso racional de energía así lo determina.
Para verificar el flujo luminoso de una bombilla, se utiliza un fotómetro integrador el cual se debe calibrar con una bombilla patrón. Este ensayo debe realizarse a la tensión nominal de la bombilla con una tolerancia de + 1%. El valor del flujo luminoso inicial de cada bombilla, medido a su tensión nominal, no debe ser menor del 93% del valor del flujo luminoso nominal;
f) Sobre el bulbo de la bombilla deben aparecer marcadas, indelebles y perfectamente legibles, como mínimo las siguientes indicaciones:
Ð Marca registrada o razón social del fabricante.
Ð Tensión nominal en voltios (V).
Ð Potencia nominal en vatios (W);
g) En el empaque debe informarse, además de lo anterior, el valor del flujo luminoso en lúmenes, la vida útil nominal en horas y el nombre del organismo certificador.
PARÁGRAFO. Las bombillas o lámparas fluorescentes compactas deben cumplir los literales a), b), c), d), f) y g) de este numeral y deberán ser demostrados mediante certificado de producto.
17.3 Cercas Eléctricas
Los siguientes requisitos para cercas eléctricas, adaptados de la norma IEC-60335-2-76 deben cumplirse por parte de los fabricantes nacionales, por los importadores, los distribuidores y por los instaladores.
Los generadores de pulsos o controladores para cercas eléctricas son de los pocos equipos que se han diseñado y construido para producir una electrocución. Afortunadamente, hasta ahora tienen un excelente registro de seguridad comparados con otros productos eléctricos más convencionales de uso doméstico.
17.3.1 Controlador
Los controladores deben cumplir los siguientes requisitos:
a) La tensión máxima del circuito de alimentación no debe ser mayor a 250 V;
b) La frecuencia de los pulsos no debe exceder un ciclo por segundo;
c) La duración del pulso no debe exceder 10 ms para la carga nominal;
d) En controladores de energía limitada, la energía por pulso no debe exceder de 5 J para la resistencia estándar de 500 ú;
e) Se permite el uso de controladores de corriente limitada, siempre y cuando se verifique en el equipo que la duración del pulso es menor de 0,1 ms y la corriente máxima es menor de 15,7 A, para la resistencia estándar de 500 ú.
17.3.2 Rotulado
Los controladores deben ser marcados con:
a) Tensión nominal;
b) Aviso de prevención para no conectarse a la red eléctrica, en los que operan con baterías;
c) Duración de cada pulso;
d) Energía máxima;
e) Resistencia tomada como estándar;
f) Tiempo entre pulsos;
g) Razón social o marca registrada del fabricante.
17.3.3 Requisitos de Instalación
a) En condiciones normales de operación no debe generar riesgos a las personas o animales;
b) Evitar que junto a las cercas eléctricas haya almacenamiento o ubicación de materiales combustibles para evitar incendios;
c) Las cercas de púas o cortantes como la concertina, no deben ser energizadas por un controlador;
d) Todo controlador debe tener un sistema de puesta a tierra. Si la resistividad del terreno es muy alta, se admite un cable de tierra paralelo con la cerca;
e) Los controladores deben resistir las sobretensiones transitorias con origen en los rayos, que provengan desde la cerca o la red eléctrica;
f) Las partes metálicas deben protegerse contra la corrosión;
g) La cerca no debe energizarse desde dos controladores diferentes o desde circuitos diferentes de un mismo controlador;
h) El alambrado de toda cerca debe montarse sobre aisladores;
i) Debe haber un mínimo de 2 m entre dos cercas diferentes, alimentadas con fuentes independientes;
j) La cerca eléctrica debe estar mínimo a 2 m de distancia horizontal de la proyección en tierra del conductor exterior de una línea = 1 kV y a mínimo 15 m de una línea > 1 kV (tensiones nominales);
k) La altura de las cercas eléctricas en inmediaciones de líneas aéreas de energía no debe sobrepasar los 2 m sobre el suelo;
l) Toda cerca paralela a una vía pública deberá ser claramente identificada, mediante una placa de 10 cm x 20 cm con el anuncio “CUIDADO – CERCA ELECTRICA” con impresión indeleble, inscrita a ambos lados, las letras serán de al menos 2,5 cm, en color negro sobre fondo amarillo.
< TABLA NO INCLUIDA. VER ORIGINAL EN D.O. No.46.598 - ABR.13-2007 EN LA CARPETA “ANEXOS” O EN LA PÁGINA WEB www.imprenta.gov.co >
Tabla 35. Distancias mínimas de seguridad de cercas eléctricas a circuitos de distribución.
17.4 Cintas aislantes eléctricas
Para efectos del presente Reglamento, las cintas termoplásticas ya sean de PVC (policloruro de vinilo, copolimero de policloruro de vinilo y acetato de vinilo) o de polietileno, usadas como aislamiento eléctrico sobre empalmes de alambres y cables cuya temperatura no sea mayor de 80oC, para uso en instalaciones eléctricas hasta un nivel de tensión de 600 V, deben cumplir los siguientes requisitos adoptados de la norma NTC- 1023 y comprobados a partir del examen comparativo del producto contra los requisitos aplicables establecidos:
17.4.1 Condiciones generales
a) Cada uno de los rollos de cinta aislante debe estar exento de un efecto telescópico y de distorsión; los bordes de la cinta aislante deben ser rectos y continuos;
b) Cuando sean desenrolladas, la superficie de la cinta debe conservarse lisa, uniforme, estar exenta de pegotes y de lugares desprovistos de adhesivos;
c) Las cintas aislantes usadas en instalaciones eléctricas exteriores deben ser de color negro y las cintas aislantes usadas en instalaciones interiores, pueden ser de cualquier color;
d) La rigidez dieléctrica mínima debe ser de 7 kV para cintas de 0,18 mm de espesor y de 9 kV para cintas de 0,25 mm de espesor;
e) El ancho de la cinta debe ser de 12 mm, 18 mm, 24 mm con tolerancias de 1 mm por encima y 0,1 mm por debajo.
17.4.2 Rotulado
Cada uno de los rollos de la cinta aislante o su empaque deben ir marcados de una manera clara e indeleble con la siguiente información:
a) Razón social o la marca registrada del fabricante;
b) Clase de cinta. PVC o PE y la leyenda “Aislante eléctrico”;
c) Largo y ancho nominales;
d) La temperatura máxima de servicio (80oC);
e) Cada embalaje debe llevar impresa la identificación del lote de producción o la fecha de fabricación.
17.5 Clavijas y Tomacorrientes
Para efectos del presente Reglamento, las clavijas y tomacorrientes de uso general deben cumplir los siguientes requisitos adoptados de las normas NTC-1650, IEC-60884-1, IEC 60309 – parte 1 y parte 2, comprobados a partir del examen comparativo del producto contra los requisitos obligatorios. Estos requisitos no son aplicables a clavijas y tomacorrientes para usos especiales, las cuales deberán certificar que son aptas para tales usos, con la norma técnica internacional, de reconocimiento internacional o NTC de producto que les aplique.
17.5.1 Requisitos de instalación:
a) Los tomacorrientes instalados en lugares húmedos deben tener un grado de encerramiento IP (o su equivalente NEMA), adecuado para la aplicación y condiciones ambientales que se esperan;
b) Para uso en intemperie, las clavijas y tomacorrientes deben tener un grado de encerramiento IP (o su equivalente NEMA), adecuado para la aplicación y condiciones ambientales que se esperan. Los tomacorrientes instalados en lugares sujetos a la lluvia o salpicadura de agua deben tener una cubierta protectora o encerramiento a prueba de intemperie.
17.5.2 Requisitos de producto
a) Los contactos macho (clavija) y hembra (tomacorriente) deben ser diseñados y fabricados de tal forma que garanticen una correcta conexión eléctrica. La construcción debe ser tal que en condiciones de servicio no haya partes energizadas expuestas;
b) Los Tomacorrientes deben ser construidos de tal manera que no acepten una clavija con valores de tensión diferente o capacidad de corriente mayor a aquellas para las cuales fueron diseñados, pero a la vez puedan aceptar clavijas de capacidades de corriente menores;
c) Los tomacorrientes deben ser construidos con materiales que garanticen la permanencia de las características mecánicas, dieléctricas, térmicas y de flamabilidad del producto, sus componentes y accesorios, de modo que no exista la posibilidad de que afecte la seguridad;
d) Los tomacorrientes deben suministrarse e instalarse con su respectiva placa, tapa o cubierta destinada a evitar el contacto directo con partes energizadas; estos materiales deben ser de alta resistencia al impacto;
e) Los tomacorrientes polarizados con polo a tierra deben tener claramente identificados mediante letras, colores o símbolos los terminales de neutro y tierra y si son trifásicos los terminales donde se conectan las fases también se deben marcar con letras. En los tomacorrientes monofásicos el terminal plano más corto debe ser el de la fase;
f) Los tomacorrientes deben realizar un número adecuado de ciclos de acuerdo con lo establecido en la norma técnica que les aplique, de modo que resistan sin desgaste excesivo u otro efecto perjudicial, las tensiones mecánicas dieléctricas, térmicas y de flamabilidad que se presenten en su utilización normal;
g) Los tomacorrientes para uso general se deben especificar para capacidades nominales de 10, 15, 20, 30, 50, 60, 63 y 125 A, a tensiones de 125, 150 ó 250 V, con 2, 3 ó 4 polos y conexión de puesta a tierra;
h) Las partes destinadas a la conducción de corriente deben ser fabricadas en cobre o sus aleaciones, pero nunca en materiales ferrosos. Se exceptúan de este requisito los tornillos, remaches o similares destinados solamente a la fijación mecánica de componentes o apriete de cables;
i) La resistencia de aislamiento no debe ser menor de 5 MÐ tanto para el tomacorriente como para la clavija, valor medido entre puntos eléctricos de diferente polaridad y entre estos y cualquier punto en el cuerpo del dispositivo;
j) La conexión de los conductores eléctricos a los terminales de los tomacorrientes y clavijas debe ser lo suficientemente segura para evitar recalentamientos de los contactos;
k) Para el rotulado las clavijas y tomacorrientes deben marcarse con las siguientes características:
-- Razón social o marca registrada del fabricante.
-- Corriente nominal en amperios (A).
-- Tensión nominal.
-- Identificación de las polaridades respectivas si les aplica.
-- Los tomacorrientes deben identificar el uso mediante colores y marcaciones respectivas en el cuerpo del tomacorriente;
l) Los tomacorrientes con tierra aislada para conexión a equipo sensible no conectados a pacientes, deben identificarse con un triángulo de color naranja;
m) Los tomacorrientes “Grado Hospitalario” deben tener como identificación un punto verde en su exterior, y deben ser certificados para tal uso;
n) Los dispositivos diseñados para interrumpir un circuito eléctrico o parte del mismo, en un período de tiempo establecido, cuando una corriente de fuga a tierra excede un valor determinado, conocidos como interruptores de falla a tierra (GFCI, RCCB o RCBO), deben cumplir los siguientes requisitos, adaptados de las normas UL 943, IEC 61008 –1, IEC 61008 – 2-1, IEC 61008 – 2-2, IEC 61009 –1 e IEC 61009 –2:
-- Ser certificados para tal uso.
-- Poseer una señal que indique su funcionamiento y mecanismo que verifique su adecuada operación.
-- Prevención de disparos en falso en caso de ser expuesto a condiciones de radiofrecuencia.
-- Los dispositivos deben indicar claramente en su acabado exterior esta función y la de sus controles.
-- Indicar la corriente nominal de disparo o de fuga.
17.6 Dispositivos de Protección contra Sobretensiones (DPS)
17.6.1 Requisitos de instalación
Se establecen los siguientes requisitos para instalación de DPS, adaptados de las normas IEC 61643-12, IEC 60664, IEC 60664-1, IEC 60071, IEC 60099, IEC 60364-4-443, IEC 60364-5-534, IEC 61000-5-6, IEC 61312, IEEE 141, IEEE 142 y NTC 4552:
a) Toda subestación (transformador) y toda transición de línea aérea a cable aislado de media, alta o extra alta tensión, deben disponer de DPS. En los demás equipos de media, alta o extra alta tensión o en redes de baja tensión o uso final, la necesidad de DPS dependerá de una evaluación técnica objetiva del nivel de riesgo por sobretensiones transitorias a que pueda ser sometido dicho equipo o instalación. Tal evaluación técnica, deberá tener en cuenta entre otros factores:
-- El uso de la instalación.
-- La coordinación de aislamiento.
-- La densidad de rayos a tierra.
-- Las condiciones topográficas de la zona.
-- Las personas que podrían someterse a una sobretensión.
-- Los equipos a proteger;
b) Para la instalación de un DPS se debe tener en cuenta que la distancia entre los bornes del mismo y los del equipo a proteger debe ser lo más corta posible, de tal manera que la inductancia sea mínima. En baja tensión los conductores de conexión a la red y a tierra no deben ser de calibre inferior a 14 AWG en cobre. En media, alta y extra alta tensión los conductores de conexión a la red y a tierra no deben ser de calibre inferior a 6 AWG;
c) El DPS debe estar instalado como lo indica la Figura 18. Se debe tener como objetivo que la tensión residual del DPS sea casi igual a la aplicada al equipo;

Figura 18. Montaje de los DPS
d) La instalación de los DPS debe ser en modo común, es decir, entre conductores activos y tierra;
e) Cuando se requieran DPS, se debe dar preferencia a la instalación en el origen de la red interna. Se permite instalar DPS en interiores o exteriores, pero deben ser inaccesibles para personas no calificadas. Se permite que un bloque o juego de DPS proteja varios circuitos. Cuando se instalen varias etapas de DPS, debe aplicarse una metodología de zonificación y deben coordinarse por energía y no sólo por corriente;
f) No se deben instalar en redes eléctricas de potencia DPS construidos únicamente con tecnología de conmutación de la tensión;
g) La capacidad de cortocircuito del DPS debe estar coordinada con la capacidad de falla en el nodo donde va a quedar instalado;
h) En caso de explosión del DPS, el material aislante no debe lanzar fragmentos capaces de hacer daño a las personas o equipos adyacentes. En baja tensión, este requisito se puede reemplazar por un encerramiento a prueba de impacto, el cual será demostrado con la instalación ya construida.
17.6.2 Requisitos de producto
Los siguientes requisitos para DPS, que deben ser respaldados con una certificación, fueron adaptados de las normas IEC 61643-1, IEC 60099-1, IEC60099-4, UL 1449, IEEE C62.41-1, IEEE C62.41-2 e IEEE C62.45:
a) Los DPS utilizados en media, alta y extra alta tensión con envolvente en material de porcelana, deben contar con algún dispositivo de alivio de sobrepresión automático que ayude a prevenir la explosión del equipo;
b) Los DPS utilizados en media tensión con envolvente en material polimérico, deben contar con algún dispositivo externo de desconexión en caso de quedar en cortocircuito;
c) Bajo ninguna condición los materiales constitutivos de la envolvente del DPS deben entrar en ignición;
d) Los parámetros básicos que debe cumplir un DPS de baja tensión y que deben estar a disposición del usuario, en el equipo o en catálogo, son:
-- Corriente nominal de descarga, que en ningún caso será menor a 5 kA por módulo,para DPS instalados en el inicio de la red interna.
-- Tensión nominal, según la red eléctrica en que se instalará.
-- Máxima tensión de operación continua, que debe ser mayor o igual a 1,1 veces la
tensión máxima del sistema en régimen permanente.
-- El nivel de protección en tensión, que debe ser menor que el nivel básico de aislamiento.
PARÁGRAFO 1o. Para DPS de tensión nominal superior a 66 kV, el certificado de producto expedido por un organismo de certificación de producto, se podrá sustituir por la declaración escrita del fabricante, donde señale que cumple los requisitos señalados en el RETIE, acompañada de las pruebas tipo realizadas en un laboratorio reconocido.
PARÁGRAFO 2o. Las puntas o terminales de captación del rayo, las bayonetas y cuernos de arco, clasificadas como dispositivos de protección de sobretensiones, no requieren demostrar la conformidad con certificado de producto, el inspector de la instalación verificará que se cumplan los requisitos dimensionales y de materiales contemplados en el artículo 42 del presente Reglamento.
17.7 Interruptores de baja tensión
17.7.1 Interruptores manuales
Esta sección del Reglamento aplica únicamente a interruptores operados manualmente, destinados a instalaciones eléctricas fijas domésticas y similares, tanto interiores como exteriores. No aplica esta sección a interruptores destinados a usos en electrónica, o empleados en instalaciones domiciliarias distintas a las anteriormente citadas.
Para efectos del presente Reglamento Técnico, los interruptores deben cumplir las siguientes prescripciones, adaptadas de las normas NTC 1337, IEC.60669-1 e IEC 60947-5, demostrables a partir del examen comparativo del producto contra los requisitos aplicables establecidos en el presente Reglamento.
17.7.1.1 Requisitos de Instalación
a) Los interruptores para control de aparatos deben especificar la corriente y tensión nominales del equipo;
b) Los interruptores deben instalarse en serie con los conductores de fase;
c) No debe conectarse un interruptor de uso general en el conductor neutro;
d) En ambientes especiales (clasificados como peligrosos) deben utilizarse interruptores apropiados a la técnica de protección seleccionada;
e) La caja metálica que alberga al interruptor debe conectarse sólidamente a tierra.
17.7.1.2 Requisitos de producto
a) Las posiciones de encendido y apagado deben estar claramente indicadas en el cuerpo del interruptor. Este requisito no es exigible a interruptores para uso exclusivamente domiciliario (instalaciones residenciales);
b) Los interruptores deben estar diseñados en forma tal que al ser instalados y cableados en su uso normal, las partes energizadas no sean accesibles a las personas;
c) Las cubiertas o tapas metálicas se deben proteger mediante aislamiento adicional hecho por revestimientos o barreras aislantes;
d) Para uso a la intemperie, los interruptores deben estar protegidos mediante encerramiento a prueba de intemperie;
e) Los interruptores se deben diseñar y construir de manera que, en su utilización normal, su funcionamiento sea confiable y libre de peligro para el usuario y para su entorno;:
f) Los interruptores deben ser construidos con materiales que garanticen la permanencia de las características mecánicas, dieléctricas, térmicas y de flamabilidad del producto, sus componentes y accesorios, de modo que no exista la posibilidad que como resultado del envejecimiento natural o del uso normal se presenten alteraciones en su desempeño;
g) Las distancias de aislamiento en aire no deben ser menores que los valores mostrados en la siguiente tabla. El cumplimiento de este requisito debe además garantizarse en el tiempo como resultado del uso normal del producto.
< TABLA NO INCLUIDA. VER ORIGINAL EN D.O. No.46.598 - ABR.13-2007 EN LA CARPETA “ANEXOS” O EN LA PÁGINA WEB www.imprenta.gov.co >
Tabla 36. Distancias de aislamiento para interruptores manuales para tensión = 260 V.
h) Las partes aislantes de los interruptores, deben tener una resistencia de aislamiento mínima de 5 Mú entre los polos y la carcasa con el interruptor en posición de encendido.
No deben ser susceptibles de inflamarse y propagar el fuego, cuando las partes conductoras en condiciones de falla o sobrecarga alcancen temperaturas elevadas;
i) Los interruptores deben realizar un número adecuado de ciclos, a corriente y tensión nominales, de modo que resistan sin desgaste excesivo u otro efecto perjudicial los esfuerzos mecánicos, dieléctricos y térmicos que se presenten en su utilización;
j) Cada interruptor debe llevar en forma indeleble los siguientes datos:
-- Razón social o marca registrada del fabricante.
-- Tensión nominal de operación.
-- Corriente nominal a interrumpir.
PARÁGRAFO. Los reguladores de corriente o tensión conocidos como dimers y utilizados como interruptores manuales para usos domiciliarios o similares, deben cumplir los requisitos para interruptores y demostrarlo mediante certificado de producto.
17.7.2 Interruptores automáticos
Para efectos del presente Reglamento Técnico, los interruptores automáticos de baja tensión deben cumplir las siguientes prescripciones, adoptadas de las normas NTC 2116, NTC-IEC 947-2 y UL 489, demostrables a partir del examen comparativo del producto contra los requisitos aplicables en tales normas o sus equivalentes:
17.7.2.1 Requisitos de instalación
a) Un interruptor automático debe fijarse en una posición tal que al conectarse el circuito alimentador llegue al terminal de línea y la salida se conecte a los terminales de carga;
b) Un interruptor automático debe tener unas especificaciones de corriente y tensión, no menores a los valores nominales de los circuitos que controla;
c) Los dispositivos de interrupción de corriente por fuga a tierra para protección de las personas contra electrocución y contra incendio, pueden ir incorporados en los interruptores automáticos o ubicados al lado del mismo formando un conjunto dentro del panel o tablero que los contiene;
d) Debe instalarse protección contra falla a tierra de equipos, en acometidas eléctricas en estrella puestas a tierra sólidamente, con una tensión a tierra superior a 150 V, pero que no supere los 600 V entre fase. Para cada dispositivo de desconexión de la acometida de 1000 A nominales o más;
e) Cada circuito ramal de un panel de distribución debe estar provisto de protección contra sobrecorriente;
f) No se debe conectar permanentemente en el neutro de cualquier circuito, un dispositivo contra sobrecorriente, a menos que la apertura del dispositivo abra simultáneamente todos los conductores de ese circuito;
g) Las bombas contra incendio deben llevar protección contra cortocircuitos, pero no contra sobrecarga;
h) Los dispositivos de protección contra sobrecorriente deben estar fácilmente accesibles;
i) Los interruptores diferenciales contra riesgo de incendio, deberán tener una corriente nominal diferencial menor o igual a 300 mA, estos podrán ser de actuación instantánea o retardada.
17.7.2.2. Requisitos de producto
a) La distancia entre contactos debe ser mayor a 3 mm cuando está abierto el interruptor y debe tener alguna señalización que permita conocer el estado real de los contactos;
b) El interruptor general de una instalación debe tener tanto protección térmica con un elemento bimetálico o dispositivo electrónico equivalente para la verificación del nivel de corriente, como protección magnética mediante la apertura de un contacto al superar un límite de corriente;
c) El fabricante debe prever las curvas de disparo del interruptor para la selección del dispositivo y para la coordinación de protecciones con otros equipos automáticos de respaldo, ubicados estos siempre aguas arriba en la instalación;
d) Los dispositivos de interrupción de corriente por fuga a tierra para protección de las personas contra contacto directo, deberán tener una corriente nominal diferencial menor o igual a 30 mA y su tiempo de operación deberá estar en concordancia con la Figura 1 del presente Reglamento;
e) Los contactos móviles de todos los polos de los interruptores multipolares deben estar acoplados mecánicamente, de tal modo que abran y cierren conjuntamente, bien sea manual o automáticamente, incluso si la sobrecarga se presenta solamente en un polo protegido;
f) Los interruptores deben tener un mecanismo de disparo libre;
g) Los interruptores deben estar construidos de tal manera que las partes móviles sólo puedan descansar en la posición cerrada o en la posición abierta, incluso cuando el elemento de maniobra se libere en una posición intermedia;
h) Los interruptores deben estar provistos de elementos que indiquen la posición cerrada y la posición abierta; tales elementos deben ser fácilmente visibles desde el frente del interruptor cuando este último tenga su placa o tapa de recubrimiento, si la hubiese. Para los interruptores cuyo elemento de maniobra se libere en una posición intermedia, tal posición deberá marcarse claramente para indicar que el interruptor se ha disparado;
i) Las partes exteriores de los interruptores automáticos, hechas en material aislante, no deben ser susceptibles de inflamarse y propagar el fuego, cuando las partes conductoras en condiciones de falla o sobrecarga alcancen temperaturas elevadas;
j) Los interruptores automáticos deben realizar un número adecuado de ciclos a corriente y tensión nominales, de modo que resistan sin desgaste excesivo u otro efecto perjudicial, los esfuerzos mecánicos, dieléctricos y térmicos que se presenten en su utilización normal;
k) Los interruptores automáticos deben ser construidos con materiales que garanticen la permanencia de las características mecánicas, dieléctricas, térmicas y de flamabilidad del producto, sus componentes y accesorios, de modo que no exista la posibilidad de que como resultado del envejecimiento natural o del uso normal se altere su desempeño y se afecte la seguridad;
l) El interruptor automático debe ser marcado sobre el mismo dispositivo de manera permanente y legible con los siguientes datos:
-- Razón social o marca registrada del fabricante.
-- Corriente nominal.
-- Indicación de las posiciones de abierto y cerrado.
-- Tensión de operación nominal.
-- Capacidad de interrupción de cortocircuito, para cada valor de tensión nominal.
-- Terminales de línea y carga;
m) La información que debe estar disponible para el usuario en el catálogo debe ser:
-- Su uso como seccionador, si es aplicable.
-- Designación del tipo o número serial.
-- Frecuencia nominal, si el interruptor se ha diseñado para una sola frecuencia.
-- Especificar instrucciones para instalación, operación y mantenimiento.
-- Temperatura de referencia para dispositivos no compensados, si es diferente a 30 ºC.
-- Número de polos.
-- Tensión nominal del aislamiento.
-- Indicar la corriente de cortocircuito. Es expresada como la máxima corriente pico
esperada.
17.8 Motores y Generadores
En esta sección del Reglamento se especifican los requisitos que deben cumplir las máquinas rotativas, nuevas, reparadas o reconstruidas, de potencia mayor o igual a 375 W, con el objeto de evitar los accidentes que se pueden ocasionar y las prácticas que pueden inducir a error. Estos criterios fueron adoptados de la NTC 2805 e IEC 61557 -8. Se incluyen los motores que contengan elementos mecánicos adicionales tales como reductores o amplificadores de velocidad, bombas y embragues, así como, alternadores y generadores
acoplados a máquinas motrices.
17.8.1 Condiciones de instalación
a) En lugares clasificados como peligrosos se deben utilizar motores aprobados y certificados para uso en estos ambientes;
b) Se debe conservar la posición de trabajo de la máquina (horizontal o vertical) indicada por el fabricante;
c) En el caso de generadores, se debe contar con protección contra sobrevelocidad y protección contra sobrecorrientes;
d) Las carcasas de las máquinas eléctricas rotativas deben ser sólidamente conectadas a tierra. Para generadores móviles debe tenerse un sistema aislado de tierra, el cual debe ser monitoreado;
e) Queda totalmente prohibida la utilización de motores abiertos en puntos accesibles a personas o animales;
f) La capacidad de la máquina se debe calcular como una relación porcentual respecto a la altura sobre el nivel del mar.
17.8.2 Requisitos de producto
17.8.2.1 Rotulado
Todo motor o generador eléctrico deben estar provistos de una o varias placas de características. Las placas se deben elaborar en un material durable, legible, con letras indelebles e instalar en un sitio visible y de manera que no sea removible, además, contener como mínimo la siguiente información, la cual debe ser probada en el proceso de certificación:
a) Razón social o marca registrada del fabricante;
b) Tensión nominal o intervalo de tensiones nominales;
c) Corriente nominal;
d) Potencia nominal;
e) Velocidad nominal o intervalo de velocidades nominales;
f) Para las máquinas de corriente alterna, el número de fases.
PARÁGRAFO 1o. Si la máquina está incorporada a un equipo, que no permita la libre observación de la placa, el fabricante debe suministrar una segunda placa para ser fijada en un lugar visible.
PARÁGRAFO 2o. Si una persona distinta del fabricante repara o modifica parcial o totalmente el devanado de una máquina o cualquier otro de sus componentes, se debe suministrar una placa adicional para indicar el nombre del reparador, el año de reparación y las modificaciones efectuadas.
17.8.2.2 Información adicional
El fabricante debe dar al usuario las indicaciones y recomendaciones mínimas de montaje y mantenimiento de la máquina, además de la información del tipo de motor (estándar, de alto rendimiento, entre otros). Adicionalmente, el fabricante debe poner a disposición del usuario, la información que le sea aplicable de la siguiente lista:
a) Corriente de arranque;
b) Rendimiento de la máquina;
c) Número de serie del fabricante o marca de identificación;
d) Información que permita identificar el año de fabricación;
e) Código de la máquina dado por el fabricante;
f) Referencia numérica de las normas aplicadas y de características de funcionamiento que sean aplicables;
g) Grado o clase de protección de los encerramientos;
h) Sobrevelocidad admisible;
i) Temperatura ambiente máxima admisible;
j) Temperatura ambiente mínima admisible;
k) Altura sobre el nivel del mar para la cual está diseñada la máquina;
l) Masa total de la máquina en kg;
m) Sentido de rotación indicado por una fl echa;
n) Torque de operación y torque de arranque;
o) Posición de trabajo (Vertical u horizontal);
p) Clasificación térmica o calentamiento admisible (Temperatura exterior máxima nominal);
q) Clase de régimen nominal de tensión. Si es un intervalo entre tensión A y tensión B, debe marcarse A-B. Si es para doble tensión debe marcarse como A/B;
r) Para las máquinas enfriadas por hidrógeno, presión del hidrógeno a la potencia nominal;
s) Para las máquinas de corriente alterna, la frecuencia nominal o intervalo de frecuencias nominales;
t) Para las máquinas de corriente alterna trifásica con más de tres puntos de conexión, instrucciones de conexión por medio de un esquema;
u) Para las máquinas de corriente continua con excitación independiente o con excitación en derivación y para las máquinas sincrónicas, la tensión de excitación nominal y la corriente de excitación nominal;
v) Para las máquinas de corriente alterna, el factor de potencia nominal;
w) Para las máquinas de inducción con rotor bobinado, la tensión entre anillos de circuito abierto y corriente nominal del rotor;
x) Para los motores de corriente continua cuyo inducido esté previsto para tener suministro mediante convertidores estáticos de potencia, el código de identificación del convertidor estático de potencia;
y) Para motores que no sobrepasen los 5 kW, el factor de forma nominal y tensión alterna nominal en los bornes de entrada del convertidor estático de potencia, si esta es superior a la tensión directa nominal del circuito de inducido del motor.
17.8.3 Excepción en la certificación de producto
El certificado de conformidad con el RETIE, para motores o generadores eléctricos de potencias mayores a 1.000 kVA podrá sustituirse, por la declaración del fabricante donde se especifiquen las normas técnicas aplicadas, complementadas con los resultados de las pruebas tipo realizadas por un laboratorio reconocido.
17.9 Tableros eléctricos de baja tensión
17.9.1 Aspectos generales
Los tableros o armarios eléctricos de baja tensión, principales y de distribución, deben cumplir los siguientes requisitos, adoptados de las normas NTC 3475, NTC 3278, NTCIEC 60439-3 y NTC 2050, y su cumplimiento será comprobado mediante Certificado de Conformidad.
a) Tanto el cofre como la tapa de un tablero general de acometidas autosoportado (tipo armario), deben ser construidos en lámina de acero, cuyo espesor y acabado debe resistir los esfuerzos mecánicos, eléctricos y térmicos, así como los efectos de la humedad y la corrosión, verificados mediante pruebas bajo condiciones de rayado en ambiente salino, durante al menos 400 horas, sin que la progresión de la corrosión en la raya sea mayor a 2 mm.
El tablero puede tener instrumentos de medida de corriente para cada una de las fases, de tensión entre fases o entre fase y neutro (con o sin selector), así como lámparas de indicación de funcionamiento del sistema (normal o emergencia);
b) El tablero de distribución, es decir, el gabinete o panel de empotrar o sobreponer, accesible sólo desde el frente; debe construirse en lámina de acero de espesor mínimo 0,9 mm para tableros hasta de 12 circuitos y en lámina de acero de espesor mínimo 1,2 mm para tableros desde 13 hasta 42 circuitos. Los encerramientos de estos tableros deben resistir los efectos de la humedad y la corrosión, verificados mediante pruebas bajo condiciones de rayado en ambiente salino, durante al menos 400 horas, sin que la progresión de la corrosión
en la raya sea mayor a 2 mm;
c) Se admite la construcción de encerramientos plásticos o una combinación metalplástico para los tableros de distribución, siempre que sean autoextinguibles (soportar 650oC durante 30 segundos), resistentes al impacto contra choques mecánicos mínimo grado IK 05 y tengan un grado de protección contra sólidos, líquidos y contacto directo, mínimo IP 2XC;
d) Se permiten conexiones en tableros mediante el sistema de peine, tanto para la parte de potencia como para la de control, siempre y cuando los conductores y aislamientos cumplan con los requisitos establecidos en el numeral 17.9.2. del presente artículo;
e) Los compuestos químicos utilizados en la elaboración de las pinturas para aplicarse en los tableros, no deben contener TGIC (Isocianurato de Triglicidilo).
17.9.2 Partes conductoras de corriente
Las partes conductoras de los tableros deberán cumplir los siguientes requisitos:
a) Toda parte conductora de corriente debe ser rígida y construida en plata, una aleación de plata, cobre, aleación de cobre, aluminio, u otro metal que se haya comprobado útil para esta aplicación. No se debe utilizar el hierro o el acero en una parte que debe conducir corriente;
b) Para asegurar los conectores a presión y los barrajes se deben utilizar tornillos de acero, tuercas y clavijas de conexión. El cobre y el latón no son aceptables para recubrir tornillos de soporte, tuercas y terminales de clavija de conexión, pero se acepta un revestimiento de cadmio, cinc, estaño o plata. Todo terminal debe llevar tornillos de soporte de acero en conexión con una placa terminal no ferrosa;
c) La capacidad de corriente de los barrajes de fase no debe ser menor que la proyectada para los conductores del alimentador del tablero. Todos los barrajes, incluido el del neutro y el de tierra, se deben montar sobre aisladores;
d) La disposición de las fases de los barrajes en los tableros trifásicos, debe ser A, B, C, tomada desde el frente hasta la parte posterior; de la parte superior a la inferior, o de izquierda a derecha, vista desde el frente del tablero;
e) Todas las partes externas del panel deben ser puestas sólidamente a tierra mediante conductores de protección y sus terminales se deben identificar con el símbolo de puesta a tierra;
f) Todos los elementos internos que soportan equipos eléctricos deben estar en condiciones de resistir los esfuerzos electrodinámicos producidos por las corrientes de falla del sistema. Las dimensiones, encerramientos y barreras deben permitir espacio suficiente para alojamiento de los terminales y curvaturas de los cables;
g) Las partes fabricadas con materiales aislantes serán resistentes al calor, al fuego y a la aparición de caminos de fuga. La puerta o barrera que cubre los interruptores automáticos debe permitir su desmonte dejando puntos eléctricos al alcance (contacto directo) solamente mediante el uso de una herramienta.
17.9.3 Terminales de alambrado
Los terminales de alambrado de los tableros deben cumplir los siguientes requisitos:
a) Un terminal, tal como un conector de alambre a presión o un tornillo de sujeción, debe encargarse de la conexión de cada conductor diseñado para instalarse en el tablero en campo y debe ser del mismo tipo como el usado durante los ensayos de cortocircuito;
b) Cada circuito de derivación debe disponer de un terminal de salida para la conexión de los conductores de neutro o tierra requeridos;
c) El fabricante debe indicar las características físicas, eléctricas y mecánicas correspondientes del tablero de acuerdo con el uso recomendado;
d) Debe indicarse la tensión de trabajo del tablero y la capacidad de corriente de los barrajes de las fases, el neutro y la tierra;
e) Debe proveerse un barraje aislado para los conductores neutros del circuito alimentador y los circuitos derivados;
f) La capacidad de interrupción del totalizador del tablero, debe ser al menos del mismo valor que la sumatoria de las capacidades de los interruptores que protegen los circuitos derivados;
g) No se permite la unión de varios terminales eléctricos mediante cable o alambres para simular barrajes en aplicaciones tanto de fuerza como de control. Sin embargo, para el caso de circuitos de control estas conexiones equipotenciales se podrán lograr mediante barrajes del tipo “peine”;
h) El tablero debe tener un barraje para conexión a tierra del alimentador, con suficientes terminales de salida para los circuitos derivados.
17.9.4 Rotulado e Instructivos
Un tablero de distribución debe tener adherida de manera clara, permanente y visible, por lo menos la siguiente información:
a) Tensión(es) nominal(es) de operación;
b) Corriente nominal de operación;
c) Número de fases;
d) Número de hilos (incluyendo tierras y neutros);
e) Razón social o marca registrada del fabricante;
f) El símbolo de riesgo eléctrico;
g) Cuadro para identificar los circuitos.
17.9.5 Información adicional
El fabricante debe poner a disposición del usuario, mínimo la siguiente información:
a) Grado de protección o tipo de encerramiento;
b) Diagrama unifilar del tablero;
c) El tipo de ambiente para el que fue diseñado en caso de ser especial (corrosivo, intemperie o áreas explosivas);
d) Rotulado para la identificación de los circuitos individuales;
e) Instrucciones para instalación, operación y mantenimiento;
f) Todo tablero debe indicar, de forma visible, la posición que deben tener las palancas de accionamiento de los interruptores, al cerrar o abrir el circuito.
17.9.6 Excepción en la declaración de conformidad
Se podrán instalar tableros de producción única, sin Certificado de Conformidad de Producto, siempre y cuando el fabricante demuestre mediante documento suscrito por él y avalado por un ingeniero electricista o electromecánico, con matrícula profesional vigente, que el producto cumple los requisitos establecidos en el RETIE; el inspector de la instalación verificará el cumplimiento de este requisito y su incumplimiento será considerado una no conformidad con el Reglamento.
17.10 Transformadores de distribución y de potencia
Para los efectos del presente Reglamento Técnico, los transformadores eléctricos de distribución y de potencia de capacidad mayor o igual a 5 kVA, nuevos, reparados o reconstruidos, deben cumplir con los siguientes requisitos:
17.10.1 Requisitos de Instalación
a) En las subestaciones tipo pedestal, cuando en condiciones normales de operación se prevea que la temperatura exterior del cubículo supere en 45 ºC la temperatura ambiente, debe instalarse una barrera de protección para evitar quemaduras y colocar avisos que indiquen la existencia de una “superficie caliente”. Si el transformador posee una protección que garantice el corte o desenergización cuando exista una sobretemperatura, quedará eximido de dicha barrera;
b) En las subestaciones dentro de edificios, el local debe estar ubicado en un sitio de fácil acceso desde el exterior, localizado en áreas comunes, con el fin de permitir al personal calificado las labores de mantenimiento, revisión e inspección y el acceso de vehículos que transportan los equipos;
c) Las subestaciones a nivel de piso, deben tener una placa en la entrada con el símbolo de “Peligro Alta Tensión” y con puerta de acceso hacia la calle, preferiblemente;
d) En las subestaciones está prohibido que crucen canalizaciones de agua, gas natural, aire comprimido, gases industriales o combustibles, excepto las tuberías de extinción de incendios y de refrigeración de los equipos de la subestación;
e) Los locales ubicados en semisótanos y sótanos, con el techo debajo de antejardines y paredes que limiten con muros de contención, deben ser debidamente impermeabilizados para evitar humedad y oxidación;
f) En las zonas adyacentes a la subestación no deben almacenarse combustibles;
g) Los transformadores refrigerados en aceite no deben ser instalados en niveles o pisos que estén por encima o contiguos a sitios de habitación, oficinas y en general lugares destinados a ocupación permanente de personas;
h) Cuando un transformador aislado en aceite requiera instalación en bóveda (conforme a la sección 450 de la norma NTC 2050), esta debe construirse con materiales que ofrezcan una resistencia al fuego de mínimo tres horas. Para transformadores secos con potencia superior a 112,5 kVA la resistencia al fuego de la bóveda debe ser mínimo de una hora. Las puertas cortafuegos, deberán ser certificadas por un organismo de certificación de producto acreditado por la SIC.
17.10.2 Requisitos de producto
a) Los transformadores sumergidos en aceite deben tener un dispositivo de puesta a tierra para conectar sólidamente el tanque, el gabinete, el neutro y el núcleo, acorde con la Tabla 37. Para transformadores de mayor potencia, el fabricante debe proveer dicho dispositivo con las características que requiera la operación del transformador.
< TABLA NO INCLUIDA. VER ORIGINAL EN D.O. No.46.598 - ABR.13-2007 EN LA CARPETA “ANEXOS” O EN LA PÁGINA WEB www.imprenta.gov.co >
Tabla 37. Dispositivos de puesta a tierra para transformadores.
b) Todos los transformadores sumergidos en líquido refrigerante que tengan cambiador o conmutador de derivación de operación exterior sin tensión, deben tener un aviso: “manióbrese sin tensión” según criterio adoptado de la NTC 1490;
c) Todos los transformadores sumergidos en líquido refrigerante deben tener un dispositivo de alivio de sobrepresión automático fácilmente reemplazable, el cual debe operar a una presión inferior a la máxima soportada por el tanque según criterio adoptado de las NTC 1490, NTC 1656, NTC 3607, NTC 3997 y NTC 4907;
d) Los transformadores de distribución con bobinados sumergidos en líquido refrigerante, deben poseer un dispositivo para levantarlos o izarlos, el cual debe ser diseñado para proveer un factor de seguridad mínimo de 5, definido como la relación entre el esfuerzo de rotura y el esfuerzo de trabajo del material usado. El esfuerzo de trabajo es el máximo desarrollado en los dispositivos del levantamiento por la carga estática del transformador completamente ensamblado, según criterio tomado de la NTC 3609;
e) Los dispositivos de soporte para colgar en poste, deben ser diseñados para proveer un factor de seguridad de 5, cuando el transformador es soportado en un plano vertical únicamente desde el dispositivo superior, según criterio adoptado de la NTC 3609;
f) El fabricante debe entregar al usuario las indicaciones y recomendaciones mínimas de montaje y mantenimiento del transformador;
g) Rotulado. Todo transformador debe estar provisto de una placa de características que contenga la información de la siguiente lista en forma indeleble, debe ser fabricada en material resistente a la corrosión y fijada en un lugar visible; según criterio adoptado de la NTC 618.
-- Marca o razón social del fabricante.
-- Número de serie dado por el fabricante.
-- Año de fabricación.
-- Clase de transformador.
-- Número de fases.
-- Diagrama fasorial.
-- Frecuencia nominal.
-- Tensiones nominales, número de derivaciones.
-- Corrientes nominales.
-- Impedancia de cortocircuito.
-- Peso total en kilogramos.
-- Grupo de conexión.
-- Diagrama de conexiones;
h) La siguiente información deberá ser suministrada al usuario en catálogo para transformadores de potencia mayor o igual a 5 kVA.
-- Corriente de cortocircuito simétrica.
-- Duración del cortocircuito simétrico máximo permisible.
-- Métodos de refrigeración.
-- Potencia nominal para cada método de refrigeración.
-- Clase de aislamiento.
-- Líquido aislante.
-- Volumen del líquido aislante.
-- Nivel básico de asilamiento de cada devanado, BIL.
PARÁGRAFO. Si una persona distinta del fabricante repara o modifica parcial o totalmente el devanado de un transformador o cualquier otro de sus componentes, se debe suministrar una placa adicional para indicar el nombre del reparador, el año de reparación y las modificaciones efectuadas según criterio adoptado de la NTC 1954.
17.11 Bandejas portacables, canalizaciones, canaletas, tubos y tuberías
Las bandejas portacables, las canalizaciones, las canaletas, los tubos y las tuberías para instalaciones eléctricas objeto de este Reglamento, deben cumplir los requisitos correspondientes al Capítulo 3 de la NTC 2050 Primera Actualización, tratados en las siguientes Secciones:
-- Bandejas portacables (cable trays). Sección 318.
-- Canalizaciones superficiales (surface raceways). Sección 352.
-- Canalizaciones bajo piso (under fl oor raceways). Sección 354.
-- Canalizaciones en pisos metálicos celulares (cellular metal fl oor raceways). Sección 356.
-- Canalizaciones en piso celulares de concreto (cellular concrete fl oor raceways). Sección 358.
-- Canaletas metálicas y no metálicas (metal wireways – and nonmetallic wireways). Sección 362.
-- Canalizaciones o buses de barras (blindobarras) (busways). Sección 364.
-- Bus de cables (cable bus). Sección 365.
-- Canaletas auxiliares (auxiliary gutters). Sección 374.
-- Tuberías eléctricas plegables no metálicas. Sección 341.
-- Tubo Conduit subterráneo no metálico con conductores. Sección 333.
-- Tubo Conduit metálico intermedio tipo IMC. Sección 345.
-- Tubo Conduit metálico rígido (tipo rigid), Sección 346.
-- Tubo Conduit Rígido no metálico. Sección 347.
-- Tubería eléctrica metálica (tipo EMT). Sección 348.
-- Tubería metálica flexible. Sección 349.
-- Tubo Conduit de metal flexible. Sección 350.
-- Tubo Conduit metálico y no metálico flexible, hermético a los líquidos. Sección 351.
Igualmente, deberán cumplir con los siguientes requisitos que sean de su aplicación, los cuales están relacionados en normas tales como: NTC 2050, NEMA VE1, NEMA FG1, NEMA VE2, IEC601084, IEC60439-1, IEC60439-2, IEC60529, IEC61000-2-4, NTC171, NTC169 y NTC105:
a) En ambientes corrosivos, con humedad permanente o bajo tierra, no se aceptan bandejas portacables metálicas, tuberías, canaletas o canalizaciones metálicas que no estén apropiadamente protegidas contra la corrosión;
b) En edificaciones de más de tres pisos, las tuberías eléctricas no metálicas plegables, corrugadas, deben ir ocultas dentro de cielorrasos, pisos, muros o techos, siempre y cuando los materiales constructivos usados tengan una resistencia al fuego de mínimo 15 minutos, excepto si se tiene un sistema contra incendio de regaderas automáticas en toda la edificación;
c) No se permite el uso de tubería eléctrica no metálica plegable, como soporte de aparatos, enterrada directamente en el suelo, ni para tensiones mayores de 600 V, a no ser que esté certificada para ese uso;
d) No deben instalarse tubos, tuberías, canalizaciones o canaletas en lugares expuestos a daños físicos severos que las fracturen o a la luz solar directa si son no metálicas, si no están certificadas para ser utilizadas en tales condiciones y tipo de aplicación;
e) El fabricante de bandejas portacables, canaletas y canalizaciones especificará los máximos esfuerzos mecánicos permitidos que pueden soportar, en ningún caso se aceptarán canaletas o canalizaciones metálicas en lámina de acero de espesor inferior a 0,75 mm;
f) No se permite el uso de canaletas no metálicas en instalaciones ocultas (excepto cuando atraviesan muros o paredes), donde estén sujetas a severo daño físico, en los espacios vacíos de ascensores, en ambientes con temperaturas superiores a las certificadas para la canalización o para conductores cuyos límites de temperatura del aislamiento excedan aquellos para los cuales se certifica la canaleta;
g) Los accesorios de conexión de bandejas portacables, canaletas, canalizaciones, tubos y tuberías deberán ser diseñados para cumplir su función y no deben presentar elementos cortantes que pongan en riesgo el aislamiento de los conductores;
h) Los tubos y tuberías de uso eléctrico, deben ser de color naranja o marcarse en franjas de este color para distinguirlas de otros usos;
i) En un mismo ducto, canalización o bandeja portacables no deben instalarse conductores eléctricos con tuberías para otros usos.
17.12 Cajas y Conduletas
Las cajas, conduletas y demás accesorios usados para encerramientos, conexión de tuberías o instalación de tomacorrientes, interruptores y otros aparatos, deben cumplir los siguientes requisitos:
a) Ser resistentes a la corrosión. El galvanizado, esmalte o recubrimiento anticorrosivo debe aplicarse por dentro y por fuera después de realizado el maquinado y verificarse mediante pruebas bajo condiciones de rayado en ambiente salino, durante al menos 400 horas, sin que la progresión de la corrosión en la raya sea mayor a 2 mm;
b) Las cajas de acero de volumen inferior a 1640 cm3, deben estar fabricadas en lámina de no menos 0,9 mm de espesor;
c) Las paredes de cajas o conduletas de hierro maleable y de aluminio, latón, bronce o zinc fundido o estampado permanente, no deben tener menos de 2,4 mm de espesor;
d) Las cajas o conduletas de otros metales deben tener paredes de espesor igual o mayor a 3,2 mm;
e) Las cajas metálicas de volumen mayor de 1640 cm3, deben estar construidas de modo que sean resistentes y rígidas. Si son de lámina de acero el espesor de la lámina no debe ser inferior a 0,9 mm de espesor;
f) Las cajas no metálicas deberán ser de material autoextinguible (soportar un hilo metálico a 650 ºC durante 30 segundos) y sin generación de llama, en el ensayo del hilo incandescente;
g) Las cajas y conduletas deben instalarse de conformidad con los lineamientos del Capítulo 3 de la NTC 2050 Primera Actualización;
h) Las pestañas usadas para asegurar los aparatos tales como interruptores o tomacorrientes, deben ser perforadas y roscadas de tal forma que la rosca tenga una profundidad igual o mayor a 1,5 mm y el tipo de rosca debe ser el 6-32 o su equivalente (diámetro 6 y 32 hilos por pulgada). Las cajas para empotrar aparatos de mayor tamaño y peso deberán contar con los elementos de fijación de los aparatos, de tal forma que soporten los esfuerzos mecánicos y eléctricos durante la vida útil de la caja;
i) Las dimensiones internas mínimas de las cajas rectangulares para instalación de interruptores manuales, o tomacorrientes de uso general serán: para cajas metálicas 53,9 mm de ancho, 101 mm de largo y 47,6 mm de profundidad y para cajas no metálicas 53 mm de ancho, 97 mm de largo y 41 mm de profundidad;
j) Las cajas utilizadas en las salidas para artefactos de alumbrado (portalámparas), deben estar diseñadas para ese fin y no se permite la instalación de cajas rectangulares;
k) En paredes o cielorrasos de concreto, ladrillo o cualquier otro material no combustible, las cajas deberán ser instaladas de modo que el borde frontal de dicha caja no se encuentre a más de 10 mm de la superficie de acabado final. En paredes o cielorrasos construidos en madera u otro material combustible, las cajas deberán quedar a ras o sobresalir de la superficie de acabado.
17.13 Extensiones y Multitomas para Baja Tensión
Teniendo en cuenta que el uso de estos productos los convierte en parte integral de la instalación, se aceptará su utilización, siempre y cuando se cumplan los siguientes requisitos:
17.13.1 Requisitos para conectar una extensión o multitoma
a) La extensión o la multitoma sólo podrá ser conectada a un circuito ramal cuyos conductores y tomacorrientes tengan la suficiente capacidad de soportar la corriente de todas las cargas conectadas;
b) No se permitirá el uso de extensiones y multitomas con cables de sección menor a las de calibre 18 AWG.
17.13.2 Requisitos de Producto
La extensión y la multitoma deben cumplir los siguientes requisitos, comprobables mediante el Certificado de Conformidad de Producto:
a) Los contactos macho (clavija) y hembra (tomacorriente) deben ser diseñados y fabricados de tal forma que garanticen una correcta conexión eléctrica; la construcción debe ser tal que en condiciones de servicio no haya partes expuestas al contacto con cualquier parte del cuerpo;
b) La resistencia del aislamiento no debe ser menor de 5 Mú, tanto para el tomacorriente como para la clavija, valor medido entre puntos eléctricos de diferente polaridad y entre estos y cualquier punto en el cuerpo del dispositivo;
c) Los accesorios (clavija y tomacorriente) deben ser a prueba de la humedad;
d) Las partes conductoras de la clavija, el cable y el tomacorriente, deben tener la capacidad de transportar la corriente especificada y estar conectadas de tal manera que en la clavija no se produzca sobrecalentamiento por encima de 30 ºC, cuando la extensión se usa continuamente a su máxima capacidad de corriente;
e) Todos los tomacorrientes de una multitoma deben tener el mismo rango de corriente y un terminal de polo a tierra. La capacidad de corriente de cada tomacorriente no debe ser inferior a 15 A;
f) Las extensiones polarizadas deben indicar esta característica, no se deben usar en tomacorrientes no polarizados y deben ser conectadas de una sola manera (encajando el contacto ancho en la ranura ancha);
g) Los dispositivos de corte y protección de la multitoma, si los tiene, deben ser dimensionados como los de un circuito ramal;
h) El tipo de conductor (cable o cordón flexible) debe ser el adecuado para el uso, pero en ningún caso el área de la sección transversal podrá ser inferior a la del calibre 18 AWG. El fabricante indicará los usos permitidos;
i) El cable o cordón flexible usado en la extensión o multitoma debe estar marcado en sobrerrelieve, bajorrelieve o tinta indeleble permanente, como mínimo con la siguiente información: número de conductores, calibre del conductor y tipo de aislamiento;
j) La marcación de la multitoma debe ser permanente, claramente visible, legible e impresa en el exterior del cuerpo de la multitoma. Debe contener como mínimo la siguiente información: Razón social o marca registrada del fabricante y valores nominales en voltios (V) y amperios (A);
k) Marcación de las extensiones: Además de la marcación permanente en el cable debe llevar un brazalete o etiqueta con la siguiente información: Razón social o marca registrada del fabricante, valores nominales en voltios (V), amperios (A) y vatios (W);
l) El fabricante o comercializador de la extensión deberá suministrar información que permita al usuario conocer la longitud, los usos permitidos y sus prohibiciones o limitaciones.
PARÁGRAFO. Los accesorios que se comercialicen por separado e incorporan cable, clavija y tomacorriente, usados como cables alimentadores de aparatos y equipos, se deberán considerar como extensiones eléctricas y por ende deben cumplir los requisitos establecidos para estas.
17.14 Aisladores
Aplica únicamente a aisladores usados en líneas de transmisión, redes de distribución, subestaciones y barrajes de conexión, de tensión superior a 100 V y deben cumplir los siguientes requisitos:
a) Podrán ser de porcelana, vidrio, resina epóxica, esteatita y otros materiales aislantes equivalentes que resistan las acciones de la intemperie, especialmente las variaciones de temperatura y la corrosión;
b) Deben ofrecer una resistencia suficiente a los esfuerzos mecánicos a que estén sometidos, demostrables a partir del examen comparativo del producto contra los requisitos aplicables establecidos en las normas técnicas;
c) Someterlo a tensión nominal y esfuerzo mecánico, para determinar la pérdida de su función aislante, en casos de rotura, fisuras o flameo;
d) El aislador debe estar marcado con:
-- La razón social o marca registrada del fabricante.
-- Tensión de rotura máxima permisible.
-- Nivel o clase de aislamiento;
e) El fabricante deberá demostrar y poner a disposición del usuario la siguiente información:
-- Dimensiones (diámetro y altura efectiva).
-- Distancia de fuga.
-- Tensión disruptiva a 60Hz en seco y bajo lluvia.
-- Tensión disruptiva para onda tipo rayo (1,2 x 50 microsegundos).
-- Resistencia al esfuerzo electromecánico (kgf).
-- Peso neto.
-- Rigidez dieléctrica.
-- Año de fabricación.
17.15 Estructuras o postes para redes de distribución
Las estructuras de soporte de las redes de distribución para tensión inferior a 57,5 kV pueden ser postes de madera, concreto, hierro, acero u otros materiales; así como torres o torrecillas metálicas, siempre y cuando cumplan con los siguientes requisitos que le apliquen, adaptados de la NTC 1329.
a) Se deben usar postes de dimensiones estandarizadas de 8, 9, 10, 12, 14, 15, 16, 18, 20 o 22 metros, con tolerancias de más o menos 50 mm, de tal forma que se garanticen las distancias mínimas de seguridad establecidas en el artículo 13 del presente Reglamento;
b) Los postes deben ser especificados y probados para cargas de rotura mínimas de 5001 N, 7355 N, 10300N, 13240 N, 17640 N, 19600 N o sus equivalentes 510, 750, 1050 o 1350, 1800 o 2000 kgf. Si las condiciones específicas de la instalación exigen cargas de rotura o longitudes mayores a las establecidas en el presente Reglamento, el usuario justificará su uso y precisará las especificaciones técnicas requeridas;
c) Los postes de concreto de sección circular o poligonal deben presentar una conicidad de 1,5 cm/m de longitud;
d) El poste debe tener en la parte superior perforaciones diametrales, sobre un mismo plano a distancias uniformes con las dimensiones y tolerancias para ser atravesadas por pernos hasta de 19 mm de diámetro, estas no deben dejar expuesta las partes metálicas de la armazón, el número y distancias de las perforaciones dependerá de las dimensiones de los herrajes utilizados en la estructura. Algunas de estas perforaciones deben tener un ángulo que permitan el paso al interior del poste de los conductores de puesta a tierra;
e) Los postes con núcleo hueco deberán suministrarse con dos perforaciones de diámetro no menor a 2 cm, localizadas a una distancia entre 20 y 50 cm por debajo de la marcación de enterramiento, con el fin de permitir el paso de conductor de puesta a tierra por dentro del poste y facilitar su conexión al electrodo de puesta a tierra;
f) Los postes de concreto deben ser construidos con las técnicas de mezclas y materiales reconocidos por el Código Sismorresistente o las normas técnicas para este tipo de requerimientos, no deben presentar partes de su armadura expuestas a la corrosión, la profundidad del hierro no debe ser menor a 25 mm para uso en ambientes salinos y 20 mm para uso en ambientes normales, para postes armados vibrados la profundidad para ambientes salinos o corrosivos se aumentará en 5 mm o el valor determinado en una norma técnica internacional, de reconocimiento internacional o NTC aplicable a poste de concreto. Igualmente,
no deben presentar fisuras o grietas que comprometan la vida útil y la seguridad mecánica. El fabricante deberá tener en cuenta las condiciones ambientales del lugar donde se vaya a instalar el poste y tomará las medidas constructivas para contrarrestar la corrosión;
g) El factor de seguridad de los postes, calculado como la relación entre la carga mínima de rotura y la tensión máxima aplicada (carga máxima de trabajo), no puede ser inferior a 2,5;
h) El poste, bajo la acción de una carga aplicada a 20 cm de la cima, con intensidad igual al 40% de la carga mínima de rotura, no debe producir una fl echa superior al 3% de la longitud libre;
i) Longitud de empotramiento o enterramiento: el poste debe ser empotrado a una profundidad igual a 60 cm más el 10% de la longitud del poste y en todo caso se debe verificar que no presente peligro de volcamiento. El fabricante debe marcar con pintura permanente la sección transversal donde se localice esta distancia;
j) Centro de Gravedad del poste: El fabricante debe marcar con pintura permanente la sección trasversal donde se encuentre el centro de gravedad del poste, esto con el fin de permitir su manipulación e izaje con el menor riesgo para el operario;
k) Los postes de madera deben ser tratados contra hongos y demás agentes que les puedan reducir su vida útil, la cual no debe ser inferior a 15 años;
l) Los postes de madera, concreto u otro material no deben presentar fisuras u otras anomalías que con el tiempo puedan comprometer sus condiciones mecánicas;
m) Los postes o torrecillas metálicas deberán ser protegidos contra la corrosión, garantizar una vida útil no menor a 25 años e instalarle una puesta a tierra;
n) Rotulado: Los postes deben llevar en bajo relieve o en una placa visible, embebida al concreto, localizada a dos metros de la señal de empotramiento, la siguiente información:
-- Nombre o razón social del fabricante.
-- Longitud del poste en metros.
-- Carga mínima de rotura en N o kgf.
-- Peso del poste.
-- Fecha de fabricación.
PARÁGRAFO 1o. Los postes de concreto se deben aceptar en cualquiera de sus formas (tales como tronco de cono, tronco de pirámide o sección en I) y técnicas constructivas (armado o pretensado, vibrado o centrifugado); siempre y cuando cumplan los anteriores requisitos que les aplique.
PARÁGRAFO 2o. Cuando el poste quede instalado en lugares aledaños a vías de alta velocidad vehicular, susceptibles de ser impactados por vehículos, los usuarios deberán determinar y utilizar la tecnología constructiva que presente el menor riesgo para pasajeros y vehículos.
17.16 Puertas Cortafuego
Los requisitos de la puerta cortafuegos adoptados de las normas NFPA 251, NFPA 252, NFPA 257, NFPA 80, ANSI A156.3, UL 10 B, ASTM A 653 M, ASTM E152 y EN 1634 -1, serán los siguientes y deben demostrarse mediante certificado de conformidad:
a) La puerta debe resistir el fuego mínimo durante tres horas cuando la bóveda aloja transformadores refrigerados en aceite o transformadores secos de tensión mayor o igual a 35 kV;
b) Debe ser construida en materiales que mantengan su integridad física, mecánica y dimensiones constructivas para minimizar y retardar el paso a través de ella de fuego o gases calientes, capaces de provocar la ignición de los materiales combustibles que estén a distancia cercana, del lado de la cara no expuesta al fuego;
c) Las puertas no deben emitir gases inflamables ni tóxicos;
d) La temperatura medida en la pared no expuesta al fuego no debe ser mayor a 200 ºC en cualquiera de los termopares situados a distancias mayores de 100 mm de los marcos o uniones y la temperatura media de estos termopares no debe superar los 150 ºC; la temperatura medida en los marcos no debe superar los 360 ºC cuando en la cara expuesta al fuego se han alcanzado temperaturas no menores a 1.000 ºC en un tiempo de tres horas de prueba;
e) La puerta cortafuego debe ser dotada de una cerradura antipánico que garantice que la chapa de la puerta no afecte las características y buen funcionamiento de la misma, la cerradura debe permitir abrir la puerta desde adentro de la bóveda de forma manual con una simple presión aun cuando externamente esté asegurada con llave. Se podrán aceptar cerraduras antipánico probadas a dos horas, cuando la temperatura de la cara expuesta alcance los 1.000 ºC;
f) La puerta debe garantizar un cierre hermético con el fin de minimizar el paso de gases o humos durante tres horas;
g) Las puertas cortafuego no deben tener elementos cortantes o punzantes que sean peligrosos para los operadores;
h) Las puertas se deben probar en un horno apropiado, que permita elevar la temperatura en un corto tiempo, a los siguientes valores mínimos de temperatura: a 5 minutos 535 ºC, a 10 minutos 700 ºC, a 30 minutos 840 ºC, a 60 minutos 925 ºC, a 120 minutos 1.000 ºC y a 180 minutos 1050 ºC;
i) Rotulado: La puerta cortafuego debe tener adherida en lugar visible una placa permanente con la siguiente información.
-- Nombre o razón social del fabricante.
-- Dimensiones.
-- Peso de la puerta.
-- Fecha de fabricación;
j) Adicionalmente, la puerta cortafuego debe tener en lugar visible una placa permanente con el símbolo de riesgo eléctrico de acuerdo con las características establecidas en el presente Reglamento;
k) En la instalación de la puerta se debe garantizar que las paredes de la bóveda soporten como mínimo tres horas al fuego, sin permitir que la cara no expuesta al fuego que contenga la puerta supere los 150 ºC, cuando se tenga en el interior de la bóveda una temperatura de 1.000 ºC, igualmente se debe sellar apropiadamente las juntas de la puerta que impidan el paso de gases entre la pared y el marco de la puerta;
l) Las bóvedas para alojar transformadores refrigerados con aceite mineral o transformadores tipo seco con tensión mayor a 35 kV o capacidad mayor a 112,5 kVA instalados en interiores de edificios, requieren que las entradas desde el interior del edificio, estén dotadas de puertas cortafuego, capaces de evitar que el incendio o explosión del transformador se propague a otros sitios de la edificación;
m) Para transformadores secos de potencia mayor de 112,5 kVA y tensión inferior a 35 KV, se aceptarán cuartos de transformadores y su puerta resistentes al fuego durante una hora.
REQUISITOS ESPECÍFICOS PARA EL PROCESO DE GENERACIÓN.
Central o planta de generación es el conjunto de instalaciones que contienen máquinas, generadores, motores, aparatos de control, maniobra, protección y medida, que sirven para la producción de energía eléctrica, distintas a las consideradas como plantas de emergencia.
Para efectos del presente Reglamento, una central de generación por tener implícitos los procesos de transmisión, transformación, distribución y uso final, debe cumplir con los requisitos de cada proceso que le sean aplicables; por tal razón, las edificaciones de las centrales de generación deberán cumplir los requisitos establecidos en la NTC 2050 primera actualización.
Los requisitos de este Capítulo son de obligatorio cumplimiento y deben ser tomados como complementarios de los contenidos en los demás Capítulos del Reglamento Técnico.
Las disposiciones contenidas en este Reglamento, son de obligatoria aplicación en todo el territorio colombiano y deben ser cumplidas por las empresas generadoras que operen en el país.
ARTÍCULO 18. EDIFICACIONES. Las edificaciones de las centrales de generación deben cumplir los siguientes requisitos que le apliquen:
a) El edificio de la central de generación eléctrica deberá ser independiente de toda construcción no relacionada con el proceso de generación. Se exceptúan las instalaciones en industrias que tengan procesos de cogeneración;
b) Queda terminantemente prohibido el empleo de materiales combustibles en las proximidades de las canalizaciones y de las máquinas o equipos bajo tensión, permitiéndose su utilización siempre y cuando estén alejados de la parte en tensión o debidamente protegidos (por ejemplo en instalaciones con plantas diésel);
c) En el centro de control de la planta debe disponerse de un mímico que represente el diagrama unifilar de la central que cubra los sistemas de media y alta tensión y de sus líneas de transmisión asociadas con conexión física directa a la central, el cual debe ir sobre paneles o en pantallas de computador y cerca de los centros de mando;
d) Los puente grúas que se tengan para maniobrar los elementos en las centrales deberán estar provistos de limitadores de recorrido, tanto en el sentido de traslación como de elevación y deberá señalizarse la altura disponible de elevación y el peso máximo. Además, deberán disponer de un indicador sonoro con el fin de avisar al personal de operación cuando este se encuentre en movimiento de translación;
e) Las compuertas de captación de la central hidráulica deberán tener un sistema de control automático y además un control manual mecánico para la apertura o cierre según sea el caso;
f) En las plantas térmicas que poseen chimeneas de alturas mayores de 25 m, estas deben pintarse con los requerimientos de la señalización aeronáutica;
g) En las proximidades de partes bajo tensión o de máquinas en movimiento, se prohíbe el uso de pavimentos excesivamente pulidos y el montaje de escaleras estrechas;
h) Se debe evitar la construcción de depósitos de agua sin confinar en el interior de las centrales en las zonas próximas a las instalaciones de alta tensión, que puedan poner en riesgo la seguridad de las personas o la instalación;
i) En los cuartos de baterías no deben existir vapores de alcohol, amoniaco, ácido acético, clorhídrico, nítrico o residuos volátiles y dichos cuartos no deben tener comunicación directa con el centro de control. Estos cuartos deben ser secos, bien ventilados y sin estar sujetos a vibraciones perjudiciales que puedan originar desprendimientos de gases y desgastes prematuros. Se debe disponer además de un dispositivo para lavado de ojos y manos en caso de emergencia;
j) Para edificaciones en caverna se deben utilizar transformadores tipo seco para los sistemas de servicios auxiliares y en general sistemas de baja tensión;
k) Los pasillos de gran longitud y en general donde exista la posibilidad de producirse arcos eléctricos, deben tener dos accesos como mínimo. Los cables y pasa tapas deben ser de materiales retardantes a la llama;
l) Los sistemas de protección contra incendios deben operar mínimo a las señales de temperatura y humo;
m) Todos los circuitos de baja tensión situados en las proximidades de máquinas, aparatos u otros circuitos de alta tensión que no estén protegidos en forma que sea prácticamente imposible un contacto entre ellos, serán considerados como pertenecientes a instalaciones de alta tensión;
n) Las canalizaciones eléctricas no se deben instalar en las proximidades de tuberías de calefacción, de conducciones de vapor y en general de lugares de temperatura elevada y de ventilación defectuosa. El cableado deberá estar ordenado, amarrado y con sus circuitos debidamente identificados en todas las canaletas. Los cables deben tener un aislamiento en material auto extinguible o con retardante de llama;
o) La iluminación en la central y en las subestaciones debe ser uniforme, evitando en especial el deslumbramiento en las zonas de lectura de tableros, los valores de iluminancia deben ser tomados de la Tabla 25, artículo 16, Capítulo II. No deberán usarse luminarias de sodio de alta presión en zonas donde sea necesario realizar trabajos en los cuales se requiera identificar colores de cables;
p) En las centrales que exijan personal operando permanentemente, debe disponerse de un alumbrado de emergencia que provenga de una fuente diferente al alumbrado normal. Cada lámpara de este sistema debe tener una autonomía mínima de 60 minutos;
q) Todos los lugares de circulación de personas, tales como accesos, salas, pasillos, etc., deben estar libres de objetos que puedan dar lugar a accidentes o interrumpan visiblemente la salida en casos de emergencia. Las rutas de evacuación deberán estar demarcadas con avisos y señales de salida que sean luminosas, con pintura fotoluminicente y con luces conectadas al circuito de emergencia de la central;
r) La central de generación debe tener un sistema automático de extinción de incendios y un plan de emergencias;
s) Para evitar los peligros que pudieran originar el incendio del aceite de un transformador de más de 100 kVA o un interruptor de alto volumen de aceite, se debe construir un foso o sumidero en el que se colocarán varias capas de gravilla que servirán como filtro y para ahogar la combustión del aceite;
t) Los transformadores con potencia igual o mayor 100 kVA, ubicados al interior de la casa de máquinas deberán ser instalados en celdas diseñadas con muros y puertas antiexplosión. Cada celda deberá tener un sistema automático de extinción de incendio y además un sistema de renovación de aire por medio de una unidad manejadora;
u) Los transformadores con potencia igual o mayor 100 kVA, ubicados en la subestaciones deberán ser instalados en espacios protegidos por muros y puertas cortafuego;
v) Las conducciones de gas deben ir siempre alejadas de las canalizaciones eléctricas. Queda prohibida la colocación de ambas conducciones en un mismo ducto o banco de
ductos. En áreas que se comuniquen con tuberías donde se presente acumulación de gas
metano es obligatorio el uso de equipos a prueba de explosión;
w) Las centrales de generación deben cumplir con los límites de emisiones establecidos por las autoridades ambientales.
PARÁGRAFO. Las pequeñas centrales o microcentrales eléctricas, se podrán apartar de algunos de estos requisitos, siempre que su no aplicación, no comprometa la seguridad de las personas, animales y el medio ambiente.
ARTÍCULO 19. DISTANCIAS DE SEGURIDAD. Para los efectos del presente Reglamento Técnico las centrales de generación deben cumplir las distancias de seguridad establecidas en el Capítulo II, artículo 13.
ARTÍCULO 20. PUESTAS A TIERRA. Para los efectos del presente Reglamento Técnico y con el fin de garantizar la seguridad del personal en las centrales de generación, se deben cumplir los criterios establecidos en el Capítulo II, artículo 15.
REQUISITOS ESPECÍFICOS PARA EL PROCESO DE TRANSMISIÓN.
Para los efectos de seguridad que se buscan con el presente Reglamento, se considera transmisión a la transferencia (transporte) de energía eléctrica en tensiones iguales o mayores a 57,5 kV y no se debe relacionar con aspectos de tipo comercial o de calidad del servicio.
Las disposiciones contenidas en el presente capítulo se refieren a las prescripciones técnicas que deben cumplir las líneas eléctricas aéreas de alta tensión de corriente alterna trifásica a 60 Hz de frecuencia nominal.
Los sistemas de transmisión entregan la energía desde las plantas generadoras a las subestaciones y a grandes instalaciones industriales desde las cuales los sistemas de distribución proporcionan el servicio a las zonas residenciales y comerciales. Los sistemas de transmisión también sirven para interconectar plantas de generación, permitiendo el intercambio de energía, cuando las plantas generadoras están fuera de servicio por haber sufrido un daño o por reparaciones de rutina.
Los requisitos de este capítulo son de obligatorio cumplimiento y deben ser tomados como complementarios de los contenidos en los otros capítulos del presente Reglamento Técnico.
Las disposiciones contenidas en este Reglamento son de aplicación en todo el territorio colombiano y deben ser cumplidas por las empresas que construyan y operen líneas de transmisión de energía con tensiones superiores a 57,5 kV.
Las disposiciones contenidas en el presente Reglamento se refieren a las prescripciones técnicas mínimas que deben cumplir las líneas eléctricas aéreas de alta y extra alta tensión.
Toda línea de transmisión debe contar con los diseños eléctricos y de las obras civiles, con memorias de cálculo y planos, con el nombre acompañado del número de la matrícula profesional y la firma de los profesionales responsables de los diseños.
Aquellas líneas en las que se prevea utilizar otros sistemas de transmisión de energía (corriente continua o cables subterráneos o corriente alterna monofásica o polifásica) deben ser objeto de una justificación especial ante el Ministerio de Minas y Energía o la entidad que este determine y se deben adaptar a las prescripciones y principios básicos del presente Reglamento y a las particulares para cada caso.
ARTÍCULO 21. DISTANCIAS DE SEGURIDAD. Para los efectos del presente Reglamento Técnico las líneas aéreas de transmisión deben cumplir las distancias de seguridad establecidas en el Capítulo II, artículo 13.
ARTÍCULO 22. ZONAS DE SERVIDUMBRE. Para efectos del presente Reglamento, se tendrán en cuenta los siguientes requisitos:
a) Toda línea de transmisión con tensión nominal igual o mayor a 57,5 kV, debe tener una zona de servidumbre, también conocida como zona de seguridad o derecho de vía;
b) Dentro de la zona de servidumbre se debe impedir la siembra de árboles o arbustos que con el transcurrir del tiempo alcancen a las líneas y se constituyan en un peligro para ellas;
c) No se deben construir edificaciones o estructuras en la zona de servidumbre, debido al riesgo que genera para personas, animales y la misma estructura;
d) En los planes de ordenamiento territorial se deben tener en cuenta las limitaciones por infraestructura eléctrica, en el uso del suelo. Las autoridades encargadas de su vigilancia o las personas que se puedan ver afectadas, deben denunciar las violaciones a estas prescripciones;
e) La empresa operadora de red debe negar la conexión a la red de distribución local a una instalación que invada la zona de servidumbre, por el riesgo que a la salud o la vida de las personas ocasionaría dicha construcción;
f) Para efectos del presente Reglamento y de acuerdo con las tensiones normalizadas en el país, en la Tabla 38 se fijan los valores mínimos requeridos en el ancho de la zona de servidumbre, cuyo centro es el eje de la línea.
< TABLA NO INCLUIDA. VER ORIGINAL EN D.O. No.46.598 - ABR.13-2007 EN LA CARPETA “ANEXOS” O EN LA PÁGINA WEB www.imprenta.gov.co >
Tabla 38. Ancho de la zona de servidumbre.

Figura 19. Ancho de la zona de servidumbre.
Para líneas de transmisión con tensión nominal menor o igual a 230 kV, que crucen zonas urbanas o áreas industriales y para las cuales no es posible dejar la zona de servidumbre, se acepta construir la línea, siempre que se efectúe un estudio de aislamiento del caso en particular, que demuestre que no hay daños a las personas o bienes que se encuentran en la edificación, por efectos de campo eléctrico o radio interferencia y se cumplan distancias de seguridad horizontales de por lo menos 4 m para 115 kV y 6 m para 230 kV, teniendo en cuenta los máximos movimientos de acercamiento a la edificación que pueda tener
el conductor. En ningún caso la línea podrá ser construida sobre edificaciones o campos deportivos.
ARTÍCULO 23. AISLAMIENTO. Para el aislamiento, se deben cumplir los siguientes criterios, adoptados de la Resolución 098/2000 de la CREG:
a) El dimensionamiento eléctrico de las estructuras se debe definir mediante combinación de las distancias mínimas correspondientes a las sobretensiones debidas a descargas atmosféricas, a las sobretensiones de maniobra y a las de frecuencia industrial. Adicionalmente, debe tener en cuenta los niveles de contaminación, la altura sobre el nivel del mar y las distancias mínimas para mantenimiento en tensión;
b) Para evaluar el comportamiento ante descargas eléctricas atmosféricas, se debe considerar como parámetro de diseño un total de tres salidas por cada 100 km de línea por año;
c) El comportamiento de la línea ante sobretensiones de maniobra se debe realizar evaluando el riesgo de falla de aislamiento, permitiéndose una falla por cada 100 operaciones de maniobra de la línea.
ARTÍCULO 24. SEÑALES DE AERONAVEGACIÓN. En las superficies limitadoras de obstáculos y conos de aproximación a aeropuertos reguladas por Aerocivil, deben instalarse balizas sobre los conductores de las fases o sobre los cables de guarda.
Para efectos del presente Reglamento, las balizas de señalización diurna a instalar, deben cumplir con los requisitos mínimos presentados a continuación:
a) Deben ser fabricadas de algún material aislante, resistente a la intemperie y en general que aporte las características mecánicas para que permanezca durante largo tiempo;
b) Los diámetros exteriores mínimos son los presentados en la siguiente tabla.
< TABLA NO INCLUIDA. VER ORIGINAL EN D.O. No.46.598 - ABR.13-2007 EN LA CARPETA “ANEXOS” O EN LA PÁGINA WEB www.imprenta.gov.co >
Tabla 39. Diámetro mínimo de las balizas según nivel de tensión.
c) Para la fijación de las balizas se deben utilizar mordazas en material galvánicamente compatible con el material del cable donde se instale y ajustable a diferentes calibres;
d) El color de las balizas debe ser “Rojo Aviación” o “Naranja Aeronáutica Internacional”; e) Si se requieren balizas de señalización nocturna, pueden ser lámparas estroboscópicas o de encendido por inducción de la línea.
ARTÍCULO 25. PUESTAS A TIERRA. Para los efectos del presente Reglamento Técnico y con el fin de garantizar la seguridad tanto del personal que trabaja en las líneas como de los usuarios, se deben cumplir los criterios establecidos en el Capítulo II, artículo 15.
ARTÍCULO 26. HERRAJES. Se consideran bajo esta denominación todos los elementos utilizados para la fijación de los aisladores a la estructura y al conductor, los de fijación de cable de guarda a la estructura, los de fijación de las retenidas (templetes), los elementos de protección eléctrica de los aisladores y los accesorios del conductor, como separadores y amortiguadores; deben cumplir los siguientes requisitos, demostrados mediante certificado de producto:
a) Los herrajes deben ser de diseño adecuado a su función mecánica y eléctrica y apropiadamente protegidos contra la acción corrosiva y elementos contaminantes; para estos efectos se tendrán en cuenta las características predominantes del ambiente en la zona donde se requiera instalar;
b) Los herrajes para líneas de 220 kV o más, deben estar protegidos contra el efecto corona y no deben propiciar dicho efecto, para lo cual no deben presentar cambios bruscos de curvaturas, ni puntos de concentración de esfuerzos mecánicos o de gradiente eléctrico, deben tener superficies lisas y estar libres de bordes agudos, protuberancias, rebabas, escorias o escamas, de tal manera que el acople sea fácil. Los herrajes deberán suministrarse completos e instalarse con todas sus partes;
c) Los herrajes sometidos a tensión mecánica por los conductores y cables de guarda o por los aisladores deben tener un coeficiente de seguridad mecánica no inferior a tres respecto a su carga de trabajo nominal;
d) Las grapas de retención del conductor deben soportar una tensión mecánica en el cable del 90% de la carga de rotura del mismo, sin que se produzca deslizamiento.
ARTÍCULO 27. AISLADORES. Para la determinación de la carga de rotura en los aisladores usados en líneas de transmisión se deben diferenciar las estructuras en suspensión y retención, con base en las cargas mecánicas a condición normal, aplicando los factores de seguridad calculados con base en el numeral 7.3.6 “Insulator String Design Criteria” de la norma IEC 60826 “Design Criteria of Overhead Transmission Lines”, así:
27.1 Para estructuras en suspensión
La carga de rotura mínima es igual a la sumatoria vectorial de las cargas verticales y transversales (máximo absoluto en la cadena) por el factor de seguridad.
27.2 Para estructuras en retención
La carga de rotura mínima es igual a la máxima carga longitudinal por el factor de seguridad.
La resistencia mecánica correspondiente a una cadena múltiple puede tomarse igual al producto del número de cadenas que la forman por la resistencia de cada cadena simple, siempre que en estado normal como con alguna cadena rota, la carga se reparta por igual entre todas las cadenas intactas.
Los aisladores deben someterse a mantenimiento para conservar sus características aislantes. El criterio para determinar la pérdida de la función de un aislador será la rotura o pérdida de sus propiedades aislantes, al ser sometidos simultáneamente a tensión eléctrica y esfuerzo mecánico.
ARTÍCULO 28. APOYOS O ESTRUCTURAS. La empresa propietaria de una estructura o apoyo de línea de transmisión debe asegurarse que las mismas cumplan los siguientes requisitos:
a) Los materiales empleados en la fabricación de las estructuras deben garantizar los requisitos mecánicos apropiados para la aplicación y presentar una resistencia elevada a la corrosión, y en el caso de no presentarla por sí mismos, deben recibir los tratamientos protectores para tal fin, estos requisitos deben ser demostrados mediante certificado de producto;
b) Deberán considerarse las condiciones sísmicas de la zona donde se instalarán las estructuras o apoyos;
c) Quien diseñe la estructura deberá demostrar mediante cálculos, que esta cumple los requerimientos para la aplicación prevista, basados en las características técnicas de los elementos componentes, previamente certificados;
d) En su diseño constructivo siempre se debe tener en cuenta la accesibilidad a todas sus partes por el personal calificado, de modo que pueda ser realizada fácilmente la inspección y conservación de la misma;
e) Siempre deben cumplir las condiciones de resistencia y estabilidad necesarias al empleo a que se destinen;
f) Las estructuras pueden ser de diversos tipos de acuerdo con su función y se deben considerar los siguientes criterios adoptados de las Resoluciones CREG 025/95 y 098/2000, para definir condiciones normales y anormales.
28.1 Estructuras de Suspensión
28.1.1 Condición normal
Todos los conductores y cable(s) de guarda sanos. Viento máximo de diseño y temperatura coincidente.
28.1.2 Condición anormal
a) Para líneas con conductores en haz, se consideran las siguientes condiciones:
-- El 50% de los subconductores rotos en cualquier fase; los demás subconductores, fases y cables de guarda sanos. Viento máximo promedio y temperatura coincidente.
-- Un cable de guarda roto y las fases y el cable de guarda restante (si existe) sanos. Viento máximo promedio y temperatura coincidente;
b) Para líneas con un solo conductor por fase, se consideran dos condiciones:
-- Un conductor roto en cualquier fase. Las demás fases y el (los) cable (s) de guarda sanos. Viento máximo promedio y temperatura coincidente.
-- Un cable de guarda roto y las fases y el cable de guarda restante (si existe) sanos. Viento máximo promedio y temperatura coincidente.
28.2 Estructuras de Retención
28.2.1Condición normal
Todos los conductores y cables de guarda sanos. Viento máximo de diseño y temperatura coincidente.
28.2.2 Condición anormal
Para líneas con conductores en haz, se considera la siguiente condición: Todos los subconductores en cualquier fase y un cable de guarda rotos simultáneamente. Las demás fases y el cable de guarda restante (si existen), sanos. Viento máximo promedio y temperatura coincidente.
Para líneas con un solo conductor por haz, se consideran las siguientes condiciones:
a) Cualquier fase y un cable de guarda rotos simultáneamente. Las demás fases y el cable de guarda restante (si existe), sanos. Viento máximo promedio y temperatura coincidente;
b) Dos fases diferentes rotas. La fase restante y el (los) cable (s) de guarda, sanos. Viento máximo promedio y temperatura coincidente.
28.3 Estructuras Terminales
28.3.1 Condición normal
Todos los conductores y cables de guarda sanos. Viento máximo de diseño y temperatura coincidente.
28.3.2 Condición anormal
a) Para las líneas con conductores en haz, se consideran las siguientes condiciones:
-- Todos los subconductores en cualquier fase y un cable de guarda rotos simultáneamente.
Las demás fases y el cable de guarda restante (si existe), sanos. Viento máximo promedio y temperatura coincidente.
-- Todos los subconductores rotos en dos fases diferentes. La fase restante y el (los) cable(s) de guarda, sano(s). Viento máximo promedio y temperatura coincidente;
b) Para línea con un solo conductor por haz, se consideran las siguientes condiciones:
-- Cualquier fase y un cable de guarda rotos simultáneamente. Las demás fases y el cable de guarda restante (si existe), sanos. Viento máximo promedio y temperatura coincidente.
-- Dos fases diferentes rotas. La fase restante y el (los) cable (s) de guarda, sanos. Viento máximo promedio y temperatura coincidente.
ARTÍCULO 29. MÉTODOS DE TRABAJO EN TENSIÓN. Los métodos de trabajo en tensión más comunes en líneas de transmisión, según los medios utilizados para proteger al operario y evitar los cortocircuitos son:
a) Trabajo a distancia: En este método, el operario ejecuta el trabajo con la ayuda de herramientas montadas en el extremo de pértigas aislantes;
b) Trabajo a potencial: En este método, el operario queda al potencial de la línea en la cual trabaja, mediante vestuario conductivo.
Por ser una técnica de trabajo muy especializada y muy exigente en cuanto a seguridad, para efectos del presente Reglamento, los trabajos en tensión, en línea viva o línea energizada, deben cumplir los siguientes requerimientos:
29.1 Verificación en el lugar de trabajo
Antes de todo trabajo el jefe de grupo debe realizar una inspección visual de acuerdo con los protocolos establecidos por la empresa para verificar el estado de las instalaciones, los materiales y herramientas colectivas destinadas a la ejecución del mismo. Además, debe vigilar que los operarios bajo sus órdenes verifiquen el buen estado de su dotación individual: Cinturón o arnés de seguridad, guantes, casco de protección, herramientas y otros.
Los defectos comprobados supondrán la indisponibilidad o reparación del elemento, retirándolo y poniendo sobre él una marca visible que prohíba su uso hasta que sea reparado. Todo material debe disponer de una ficha técnica particular que indique las siguientes precauciones que deben observarse, entre otras:
a) Límite de utilización eléctrico y mecánico;
b) Condiciones de conservación y mantenimiento;
c) Controles periódicos y ensayos.
29.2 Procedimientos de ejecución
La ejecución de todo trabajo en tensión está subordinada a la aplicación de su procedimiento de ejecución, previamente estudiado. Todo procedimiento de ejecución debe comprender:
a) Un título que indique:
-- La naturaleza de la instalación intervenida.
-- La descripción precisa del trabajo.
-- El método de trabajo;
b) Medios físicos (materiales y equipos de protección personal y colectiva) y recurso humano;
c) Descripción ordenada de las diferentes fases del trabajo, a nivel de operaciones elementales;
d) Croquis, dibujos o esquemas necesarios;
e) Toda persona que deba intervenir en trabajos en tensión, debe poseer una certificación que lo habilite para la ejecución de dichos trabajos, además, debe estar afiliado a una empresa de seguridad social y riesgos profesionales. No se admite la posibilidad de actuación de personal que no haya recibido formación especial y no esté habilitado para la realización de trabajos en tensión;
f) El jefe del trabajo, una vez recibida la confirmación de haberse tomado las medidas precisas y antes de comenzar o reanudar el trabajo, debe reunir y exponer a los linieros el procedimiento de ejecución que se va a realizar, cerciorándose que ha sido perfectamente comprendido, que cada trabajador conoce su cometido y que cada uno se hace cargo de cómo se integra en la operación conjunta;
g) El jefe del trabajo dirigirá y vigilará los trabajos, siendo responsable de las medidas de cualquier orden que afecten a la seguridad y al terminar los trabajos, se asegurará de su buena ejecución y comunicará al centro de control el fin de los mismos;
h) Todo liniero de línea viva, es decir, capacitado para trabajos en tensión, debe practicarse exámenes para calificar su estructura ósea, ya que algunas lesiones lo pueden inhabilitar definitivamente para este trabajo, igualmente, se deben detectar deficiencias pulmonares, cardíacas o sicológicas. Enfermedades como la epilepsia, consumo de drogas y alcoholismo también deben ser detectadas por el médico;
i) Ningún operario podrá participar en un trabajo en tensión si no dispone en la zona de trabajo de su dotación personal, que comprende los siguientes elementos:
-- En todos los casos: Casco aislante de protección y guantes de protección.
-- En cada caso particular, los equipos previstos en los procedimientos de ejecución a utilizar serán, entre otros: Botas dieléctricas o calzado especial con suela conductora para los trabajos a potencial, dos pares de guantes aislantes del modelo apropiado a los trabajos a realizar, gafas de protección contra rayos ultravioleta, manguitos aislantes, herramientas aislantes;
j) Cada operario debe cuidar de la conservación de su dotación personal, de acuerdo con las fichas técnicas. Estos materiales y herramientas deben conservarse en seco, al abrigo de la intemperie y transportarse en fundas, estuches o compartimientos previstos para este uso. No deben sacarse de los mismos hasta el momento de su empleo:
k) Toda persona que pueda hacer contacto con un operario que trabaje en tensión, bien directamente o por medio de herramientas u otros objetos, deberá llevar botas y guantes aislantes;
l) Todo equipo de trabajo en tensión debe ser sometido a ensayos periódicos de acuerdo con las normas técnicas o recomendaciones del fabricante. A cada elemento de trabajo debe abrírsele y llenar una hoja de vida;
m) Los guantes aislantes deben ser sometidos a una prueba de porosidad por inyección de aire, antes de cada jornada de trabajo y debe hacérseles un ensayo de rigidez dieléctrica en laboratorio, por lo menos dos veces al año;
n) Para las mangas, cubridores, protectores, mantas, pértigas, tensores, escaleras y demás equipo, se debe hacer por lo menos un ensayo de aislamiento al año;
o) En el caso de presentarse lluvia o niebla, se pueden realizar los trabajos cuando la corriente de fuga por los elementos aislantes esté controlada y se mantenga por debajo de 1ÐA por cada kV nominal de la instalación;
p) En caso de tormentas eléctricas, los trabajos no deben comenzarse y de haberse iniciado se interrumpirán. Cuando las condiciones atmosféricas impliquen la interrupción del trabajo, se debe retirar al personal y se podrán dejar los dispositivos aislantes colocados hasta que las condiciones vuelvan a ser favorables;
q) Antes de trabajar en un conductor bajo tensión, el operario debe unirse eléctricamente al mismo para asegurar su equipotencialidad con el conductor;
r) Todo operario que trabaje a potencial debe llevar una protección tipo jaula de Faraday completa;
s) En trabajos a distancia, cuando no se coloquen dispositivos de protección que impidan todo riesgo de contacto o arco eléctrico con un conductor desnudo en tensión, la distancia mínima de aproximación que deben mantener los operarios se fijará de acuerdo con lo indicado en la siguiente tabla.
< TABLA NO INCLUIDA. VER ORIGINAL EN D.O. No.46.598 - ABR.13-2007 EN LA CARPETA “ANEXOS” O EN LA PÁGINA WEB www.imprenta.gov.co >
Tabla 40.Distancias de aproximación en trabajos a distancia.
REQUISITOS ESPECÍFICOS PARA EL PROCESO DE TRANSFORMACIÓN.
Una subestación eléctrica es un conjunto de equipos utilizados para transferir el flujo de energía en un sistema de potencia, garantizar la seguridad del sistema por medio de dispositivos automáticos de protección y para redistribuir el flujo de energía a través de rutas alternas durante contingencias. Una subestación puede estar asociada con una central de generación, controlando directamente el flujo de potencia al sistema, con transformadores de potencia convirtiendo la tensión de suministro a niveles más altos o más bajos, o puede
conectar diferentes rutas de flujo al mismo nivel de tensión. Los requisitos de este capítulo son de obligatorio cumplimiento y deben ser tomados como complementarios de los contenidos en los otros capítulos del presente Reglamento Técnico.
Las disposiciones contenidas en este Reglamento son de aplicación en todo el territorio colombiano y deben ser cumplidas por las empresas que involucren el proceso de transformación de energía y que operen en el país; aplican a las subestaciones con tensiones nominales mayores a 1 kV y hasta 500 kV. No se incluyen requisitos para celdas aisladas con SF6.
ARTÍCULO 30. DISPOSICIONES GENERALES.
a) Toda subestación debe contar con un diseño eléctrico;
b) El tiempo máximo de despeje de falla de la protección principal en el sistema eléctrico de los distribuidores, grandes consumidores y transportador, desde el inicio de la falla hasta la extinción del arco en el interruptor de potencia, no debe ser mayor que 150 milisegundos;
c) En los espacios en los cuales se encuentran instalados los equipos de transformación, deben colocarse cercas, pantallas, tabiques o paredes, de tal modo que se forme un recinto que litmite la posibilidad de acceso a personal no autorizado;
d) En cada entrada de una subestación de transformación, debe exhibirse una señal de riesgo eléctrico y en las estaciones con malla eslabonada se deben instalar señales de seguridad en el perímetro que sea accesible a personas;
e) Los muros metálicos que son utilizados para encerrar las subestaciones, deben tener una altura mínima de 2,50 metros y deben estar debidamente conectados a tierra;
f) Con el fin de garantizar la seguridad tanto del personal que trabaja en las subestaciones como del público en general, se deben cumplir los requisitos de puesta a tierra que le apliquen, establecidos en el Capítulo II, artículo 15.
ARTÍCULO 31. SALAS DE OPERACIONES, MANDO Y CONTROL. Todas las salas y espacios en donde haya instalado equipo eléctrico, deben cumplir con los siguientes requerimientos:
a) Construcción: Debe ser en materiales con alto punto de ignición;
b) Uso: Las instalaciones deben estar libres de materiales combustibles, polvo y humo, y no serán utilizadas para reparación, fabricación o almacenamiento, excepto para partes menores esenciales en el mantenimiento del equipo instalado;
c) Ventilación: Deben estar suficientemente ventilados con el fin de mantener las temperaturas de operación dentro de los rangos debidos, regulados para minimizar la acumulación de contaminantes transportados por el aire, bajo cualquier condición de operación;
d) Humedad e intemperie: Las instalaciones deben estar secas. En las estaciones externas o ubicadas en túneles mojados, pasos subterráneos u otros lugares húmedos o de alto grado de humedad, el equipo eléctrico debe ser diseñado para soportar las condiciones atmosféricas imperantes;
e) Equipo eléctrico: Todo el equipo fijo debe ser soportado y asegurado de una manera consistente con las condiciones de servicio. Se debe prestar consideración al hecho de que algunos equipos pesados, tal como transformadores, puedan ser asegurados en el lugar; sin embargo, el equipo que genere fuerzas dinámicas durante su operación, podrá requerir medidas adicionales.
ARTÍCULO 32. DISTANCIAS DE SEGURIDAD. Las distancias de seguridad aplicadas en subestaciones deben cumplir los lineamientos expresados en las siguientes figuras y tablas, los cuales son adaptados de la norma IEC 60071-2 y del comité 23 del. (CIGRE).

Convenciones:
Zona de riesgo - valor básico
Zona de seguridad
Figura 20. Zona de seguridad circulación de personal

Figura 20 A. Zonas de seguridad
< TABLA NO INCLUIDA. VER ORIGINAL EN D.O. No.46.598 - ABR.13-2007 EN LA CARPETA “ANEXOS” O EN LA PÁGINA WEB www.imprenta.gov.co >
Tabla 41. Distancias de seguridad en el aire, para las figuras 20 y 20 A
Notas:
(*) El valor mínimo recomendado es 3 m, pero puede ser menor según las condiciones locales,
procedimientos estandarizados de trabajo.
(**) Se determina en cada caso
Para tensiones menores a 60 kV use como valor básico 0,1 m Los cercos o paredes que son instalados como barreras para el personal no autorizado deben colocarse de tal manera que las partes expuestas energizadas queden por fuera de la zona de distancia de seguridad, tal como se ilustra en la Figura 21 y en la Tabla 41A.
< TABLA NO INCLUIDA. VER ORIGINAL EN D.O. No.46.598 - ABR.13-2007 EN LA CARPETA “ANEXOS” O EN LA PÁGINA WEB www.imprenta.gov.co >
Tabla 41A. Distancias de seguridad para la Figura 21.

Figura 21. Distancias de seguridad contra contactos directos.
ARTÍCULO 33. SUBESTACIONES TIPO POSTE. Las subestaciones que tengan el transformador montado sobre postes deberán cumplir los siguientes requisitos de montaje:
a) Se podrán aceptar subestaciones con transformador en poste, sin ningún tipo de encerramiento, siempre que no supere 225 kVA ni 800 kgf de peso. Los transformadores menores a 150 kVA y con un peso inferior o igual a 600 kgf, se podrán instalar en un solo poste siempre que este tenga una resistencia de rotura no menor a 1050 kgf;
b) Toda subestación tipo poste debe tener en el lado primario del transformador protección contra sobrecorrientes y contra sobretensiones (DPS);
c) No se permite el uso de fusibles de capacidad mayor a la corriente nominal del transformador;
d) El DPS debe instalarse en el camino de la corriente de impulso y lo más cerca posible de los bujes del transformador;
e) El transformador deberá tener el punto neutro y la carcasa sólidamente conectados a tierra;
f) En la instalación se debe garantizar que se cumplan las distancias de seguridad que le apliquen, establecidas en el artículo 15 de este Anexo General;
g) Los elementos de fijación del transformador deben soportar por lo menos 2,5 veces el peso de este;
h) Las conexiones en media tensión deberán tener una forma y rigidez mecánica que no les permita moverse con el viento o vibraciones, de tal forma que las ponga en contacto con partes que no se deben energizar;
i) Con el fin de garantizar la seguridad tanto del personal del OR, como del público en general, se deben cumplir los requisitos de puesta a tierra que le apliquen, establecidos en el artículo 15 de este Anexo.
REQUISITOS ESPECÍFICOS PARA EL PROCESO DE DISTRIBUCIÓN.
Para los efectos del presente Reglamento se calificará como instalación eléctrica de distribución todo conjunto de aparatos y de circuitos asociados para transporte y transformación de la energía eléctrica, cuyas tensiones nominales sean iguales o superiores a 110 V y menores a 57,5 kV.
Los requisitos de este Capítulo son de obligatorio cumplimiento y deben ser tomados como complementarios de los contenidos en los demás Capítulos del presente Reglamento Técnico.
Las disposiciones contenidas en este Reglamento son de aplicación en todo el territorio colombiano y deben ser cumplidas por las empresas de distribución de energía que operen en el país y demás propietarios de redes eléctricas comprendidas dentro de esta categoría.
Un sistema típico de distribución consta de:
-- Subestaciones de distribución, que deben cumplir los requisitos que le apliquen, del Capítulo V del presente Reglamento.
-- Circuitos primarios o “alimentadores”, que suelen operar en el rango de 7,6 kV a 44 kV y que alimentan a la carga en una zona geográfica bien definida.
-- Transformadores de distribución, en las capacidades nominales superiores a 5 kVA los cuales pueden instalarse en postes, sobre emplazamientos a nivel del suelo o en bóvedas, en la cercanía de los consumidores y que llevan la media tensión hasta el consumidor.
-- Celdas de maniobra, medida y protección para los transformadores de distribución secundaria en el caso de subestaciones de potencia.
-- Circuitos de baja tensión, que llevan la energía desde el transformador de distribución, a lo largo de las vías, espacios públicos o terrenos de particulares.
-- Ramales de acometida que entregan la energía al equipo de entrada de servicio del usuario.
Adicional a lo establecido en la Resolución CREG 070 de 1998 o las que la modifiquen o sustituyan en lo referente a operación y mantenimiento de las redes de distribución el operador de red o propietario de la instalación de distribución eléctrica, deberá cumplir los siguientes requisitos:
a) Todo proyecto de distribución debe contar con un diseño, con memorias de cálculos y planos de construcción, con el nombre firma y matrícula profesional del responsable del diseño;
b) La empresa debe dejar un registro de las pruebas técnicas y rutinas de mantenimiento, tanto de la instalación como de los equipos que permitan hacer la trazabilidad del mantenimiento;
c) La empresa que opere las redes debe proporcionar capacitación a cada uno de los profesionales que laboren en las instalaciones energizadas o en las proximidades de estas. La capacitación incluirá información sobre los riesgos eléctricos, y debe asegurarse que cada uno de los profesionales que trabajan en dichas instalaciones estén calificados y autorizados para atender las exigencias de rutina del trabajo;
d) Toda persona calificada debe estar capacitada sobre los procedimientos que deben seguirse en caso de que ocurra alguna emergencia de tipo eléctrico, así como de las reglas de primeros auxilios, incluyendo los métodos probados de reanimación. Copias de dichas reglas y procedimientos deben mantenerse en sitios visibles tanto en vehículos como en lugares donde el número de trabajadores o la naturaleza del trabajo
lo justifiquen;
e) El responsable de la construcción, operación y mantenimiento debe proveer los elementos de protección, en cantidad suficiente para que los profesionales puedan cumplir con los requerimientos de la labor que se va a emprender, deben estar disponibles en lugares fácilmente accesibles y visibles;
f) Las personas calificadas deben conocer perfectamente las normas de seguridad y pueden ser evaluadas en cualquier momento –por la autoridad o la empresa– para demostrar sus conocimientos sobre las mismas. Así mismo, si sus deberes requieren el desempeño de su labor en las proximidades de equipos o líneas energizadas, deben ejecutar sólo aquellas tareas para las cuales han sido capacitados, equipados y autorizados. Aquellos que no tengan la suficiente experiencia, deben trabajar bajo la dirección de personal experimentado y calificado en el lugar de la obra y ejecutar solo tareas dirigidas.
ARTÍCULO 34. DISTANCIAS DE SEGURIDAD. Para los efectos del presente Reglamento Técnico los conductores de los circuitos de distribución deben cumplir las distancias de seguridad establecidas en el Capítulo II, artículo 13 y las establecidas para subestaciones en el Capítulo V, artículo 32, que le apliquen.
Los proyectos de construcción o ampliación de edificaciones que se presenten a las oficinas de planeación municipal, curadurías o demás autoridades que expidan las licencias o permiso de construcción deberán dar estricto cumplimiento al RETIE en lo referente a distancias mínimas de seguridad y servidumbres.
En los planes de ordenamiento territorial se tendrá en cuenta lo dispuesto en la Ley 388 de 1997 o en las normas que la modifiquen o sustituyan en lo que respecta a limitaciones en el uso del suelo.
ARTÍCULO 35. PUESTAS A TIERRA. Para los efectos del presente Reglamento Técnico y con el fin de garantizar la seguridad tanto del personal que trabaja en los conductores de los circuitos de distribución como del público en general, se deben atender los siguientes requisitos:
a) En los sistemas de puesta a tierra se deben cumplir los criterios establecidos en el Capítulo II, artículo 15;
b) El operador de red debe entregar a los diseñadores de un proyecto, el valor de la máxima corriente de falla a tierra esperada en el nodo respectivo;
c) Los trabajadores deben considerar todas las partes metálicas no puestas a tierra, como energizadas con la tensión más alta a la cual están expuestos, a menos que se verifique mediante pruebas que estas partes están sin dicha tensión.
ARTÍCULO 36. ESTRUCTURAS DE SOPORTE Y HERRAJES.
36.1 Estructuras de Soporte
Las redes de distribución se soportarán sobe estructuras tales como torres, torrecillas, postes de concreto en cualquiera de sus técnicas de construcción (armado o pretensado); postes de hierro, postes de madera u otros materiales; siempre que cumplan con los siguientes requisitos y los establecidos en el numeral 17.15 del presente anexo, que les aplique:
a) Los postes, torres o torrecillas usados como soportes de redes de distribución deberán tener una tensión de rotura de al menos 2,5 veces la suma de las tensiones mecánicas resultantes de la interacción de los diferentes esfuerzos a que esté sometida la estructura, para lo cual se debe tener en cuenta los esfuerzos de los cables de la red eléctrica y los demás cables y elementos que actúen sobre la estructura;
b) Deben utilizarse postes o estructuras con tensión mínima de rotura estandarizadas;
c) Los postes de madera deberán estar debidamente tratados para la protección contra hongos y demás agentes que aceleran su deterioro;
d) Las torrecillas o postes metálicos deberán estar protegidas contra la corrosión, para soportar una vida útil no menor a 25 años y estar sólidamente puestos a tierra;
e) Los postes que presenten fisuras u otros deterioros que comprometan las condiciones mecánicas y la seguridad de la estructura deberán ser cambiados;
f) Los postes o estructuras de distribución deberán demostrar el cumplimiento del RETIE mediante certificado de producto expedido por un organismo de certificación de producto acreditado por la SIC.
36.2 Herrajes
Se consideran bajo esta denominación todos los elementos utilizados para la fijación de los aisladores a la estructura y al conductor, los de fijación de cable de tierra a la estructura, los elementos de protección eléctrica de los aisladores y los accesorios del conductor, como separadores y amortiguadores, deberán cumplir los siguientes requisitos:
a) Los herrajes empleados en los circuitos de media tensión serán de diseño adecuado a su función mecánica y eléctrica y deben resistir la acción corrosiva durante su vida útil, para estos efectos se tendrán en cuenta las características predominantes del ambiente en la zona donde se requieran instalar;
b) Los herrajes sometidos a tensión mecánica por los conductores y cables de guarda o por los aisladores, deben tener un coeficiente de seguridad mecánica no inferior a tres respecto a su carga de trabajo. Cuando la carga mínima de rotura se compruebe mediante ensayos, el coeficiente de seguridad podrá reducirse a 2,5;
c) Las grapas de retención del conductor deben soportar un esfuerzo mecánico en el cable del 80% de la carga de rotura del mismo, sin que se produzca deslizamiento;
d) Los herrajes, usados en distribución deberán demostrar la conformidad con el presente Reglamento mediante un certificado de producto, expedido por un organismo de certificación acreditado por la SIC.
ARTÍCULO 37. AISLADORES. Los aisladores de suspensión tipo disco usados en redes de distribución deben tener una carga de rotura de por lo menos el 80% de la tensión de rotura del conductor utilizado. Los aisladores tipo carrete deben tener una carga de rotura mínima equivalente al 50% de la carga de rotura del conductor utilizado. Los aisladores tipo espigo (o los equivalentes a Line Post) deben tener una carga de rotura mínima equivalente al 10% de la carga de rotura del conductor utilizado. En los aisladores tipo tensor deberá verificarse que la carga de rotura sea superior a los esfuerzos mecánicos a que será sometido por parte
de la estructura y del templete en las condiciones ambientales más desfavorables.
Los aisladores deben someterse a mantenimiento. El criterio para determinar la pérdida de su función será la rotura o pérdida de sus cualidades aislantes, al ser sometidos simultáneamente a tensión eléctrica y esfuerzo mecánico del tipo al que vaya a encontrarse sometido.
Los aisladores, usados en distribución, deberán demostrar la conformidad con el presente Reglamento mediante un certificado de producto, expedido por un organismo de certificación acreditado por la SIC.
ARTÍCULO 38. REGLAS BÁSICAS DE TRABAJO. Los siguientes preceptos o reglas de trabajo, deben cumplirse dependiendo del tipo de labor:
a) Un operario solo no debe trabajar en un sistema energizado por encima de 1.000 voltios;
b) Antes de entrar a una cámara subterránea, la atmósfera deberá ser sometida a prueba de gases empleando la técnica y equipos o instrumentos requeridos para ver si existen gases tóxicos, combustibles o inflamables, con niveles por encima de los límites permisibles;
c) Una vez destapada la caja de inspección o subestación de sótano, el personal debe permanecer por fuera de ella, por lo menos durante 10 minutos, mientras las condiciones de ventilación son las adecuadas para iniciar el trabajo.
Para quienes trabajan en tensión, se deben acatar las siguientes distancias mínimas de acercamiento. Se consideran distancias mínimas de seguridad para los trabajos en tensión a efectuar en la proximidad de las instalaciones no protegidas de AT y MT, medidas entre el punto más próximo en tensión y cualquier parte externa del operario, herramientas o elementos que pueda manipular en movimientos voluntarios o accidentales, las siguientes:
< TABLA NO INCLUIDA. VER ORIGINAL EN D.O. No.46.598 - ABR.13-2007 EN LA CARPETA “ANEXOS” O EN LA PÁGINA WEB www.imprenta.gov.co >
Tabla 42. Distancias mínimas de seguridad para trabajar con líneas energizadas.
Para personal no calificado o que desconozca los riesgos de las instalaciones eléctricas, las distancias mínimas de acercamiento serán:
< TABLA NO INCLUIDA. VER ORIGINAL EN D.O. No.46.598 - ABR.13-2007 EN LA CARPETA “ANEXOS” O EN LA PÁGINA WEB www.imprenta.gov.co >
Tabla 43. Distancias mínimas de seguridad para personal no especialista.
Nota 1. Esta tabla indica el máximo acercamiento permitido a una red sin que la persona esté realizando labores sobre ella u otra red energizada cercana.
Nota 2. No se deben interpolar distancias para tensiones intermedias a las citadas.
Nota 3. Las distancias mínimas de seguridad indicadas pueden reducirse si se protegen adecuadamente las instalaciones eléctricas y la zona de trabajo, con aislantes o barreras.
38.1 Maniobras
Por la seguridad de los trabajadores y del sistema, se debe disponer de un procedimiento que sea lógico, claro y preciso para la adecuada programación, ejecución, reporte y control de maniobras, esto con el fin de asegurar que las líneas y los equipos no sean energizados o desenergizados ya sea por error o de manera inadvertida, ocasionando situaciones de riesgo o accidentes.
Se prohíbe la apertura de cortacircuitos con carga, salvo que se emplee un equipo que extinga el arco.
38.2 Verificación en el lugar de trabajo
El jefe de grupo debe realizar una inspección detenida de lo siguiente:
a) Que el equipo sea de la clase de tensión de la red;
b) Que los operarios tengan puesto su equipo de protección;
c) Que los operarios se despojen de todos los objetos metálicos;
d) Que se verifique el correcto funcionamiento tanto de los controles en la canasta como los inferiores de operación;
e) Que se efectúe una detenida inspección de los guantes;
f) Que los operarios se encuentren en perfectas condiciones técnicas, físicas y síquicas para el desempeño de la labor encomendada.
38.3 Señalización del área de trabajo
El área de trabajo debe ser delimitada por vallas, manilas o bandas reflectivas. En los trabajos nocturnos se utilizarán conos o vallas fluorescentes y además señales luminosas a ambos lados del sitio de trabajo.
Cuando se trabaje sobre vías que no permitan el bloqueo del tránsito, se deberá parquear el vehículo de la cuadrilla antes del área de trabajo.
38.4 Escalamiento de postes y protección contra caídas
Todos los postes y estructuras deben ser inspeccionados cuidadosamente antes de subir a ellos, para comprobar que están en condiciones seguras para desarrollar el trabajo y que puedan sostener pesos y esfuerzos adicionales. También deben revisarse los postes contiguos que se vayan a someter a esfuerzos.
Todo trabajador que se halle ubicado a una altura igual o superior a 1,80 m, bien sea en los apoyos, escaleras, cables aéreos, helicópteros, carros portabobinas o en la canastilla del camión debe estar sujetado permanentemente al equipo o estructuras, mediante un sistema de protección personal contra caídas.
38.5 Reglas de oro de la seguridad
Al trabajar en línea muerta, es decir, sobre circuitos desenergizados se deben cumplir los siguientes requisitos:
a) Probar la ausencia de tensión;
b) Siempre se debe conectar a tierra y en cortocircuito como requisito previo a la iniciación del trabajo;
c) En tanto no estén efectivamente puestos a tierra, todos los conductores o partes del circuito se consideran como si estuvieran energizados a su tensión nominal;
d) Los equipos de puesta a tierra se deben manejar con pértigas aisladas, conservando las distancias de seguridad respecto a los conductores, en tanto no se complete la instalación;
e) Para su instalación, el equipo se conecta primero a tierra y después a los conductores que van a ser puestos a tierra, para su desconexión se procede a la inversa;
f) Los conectores se deben colocar firmemente, evitando que puedan desprenderse o aflojarse durante el desarrollo del trabajo;
g) Los equipos de puesta a tierra se conectarán a todos los conductores, equipos o puntos que puedan adquirir potencial durante el trabajo;
h) Cuando la estructura o apoyo tenga su propia puesta a tierra, se conecta a esta. Cuando vaya a “abrirse” un conductor o circuito, se colocarán tierras en ambos lados;
i) Cuando dos o más trabajadores o cuadrillas laboren en lugares distintos de las mismas líneas o equipo, serán responsables de la colocación y retiro de los equipos de puesta a tierra en sus lugares de trabajo correspondientes;
j) En general, siempre que se trabaje en líneas desenergizadas o líneas sin tensión, se deben cumplir las siguientes “reglas de oro”:
-- Efectuar el corte visible de todas las fuentes de tensión, mediante interruptores y seccionadores, de forma que se asegure la imposibilidad de su cierre intempestivo. En aquellos aparatos en que el corte no pueda ser visible, debe existir un dispositivo que garantice que el corte sea efectivo.
-- Condenación o bloqueo, si es posible, de los aparatos de corte. Señalización en el mando de los aparatos indicando “No energizar” o “prohibido maniobrar” y retirar los portafusibles de los cortacircuitos.
-- Se llama “condenación o bloqueo” de un aparato de maniobra al conjunto de operaciones destinadas a impedir la maniobra de dicho aparato, manteniéndolo en una posición determinada.
-- Verificar ausencia de tensión en cada una de las fases, con el detector de tensión, el cual debe probarse antes y después de cada utilización.
-- Puesta a tierra y en cortocircuito de todas las posibles fuentes de tensión que incidan en la zona de trabajo. Es la operación de unir entre sí todas las fases de una instalación, mediante un puente equipotencial de sección adecuada, que previamente ha sido conectado a tierra.
-- Señalizar y delimitar la zona de trabajo. Es la operación de indicar mediante carteles con frases o símbolos el mensaje que debe cumplirse para prevenir el riesgo de accidente.
38.6 Trabajos en tensión
Los métodos de trabajo más comunes en media y baja tensión, según los medios utilizados para proteger al operario y evitar los cortocircuitos son:
a) Trabajo a distancia: En este método, el operario ejecuta el trabajo con la ayuda de herramientas montadas en el extremo de pértigas aislantes;
b) Trabajo a contacto: En este método, el operario se aísla del conductor en el que trabaja y de los elementos tomados como masa por medio de elementos de protección personal, dispositivos y equipos aislantes.
Por ser una técnica de trabajo muy especializada y muy exigente en cuanto a seguridad, para efectos del presente Reglamento, los trabajos en tensión, en línea viva o línea energizada, deben cumplir los siguientes requerimientos.
38.6.1 Verificación en el lugar de trabajo
Antes de todo trabajo, el jefe de grupo debe realizar una observación visual de acuerdo con los protocolos establecidos por la empresa para verificar el estado de las instalaciones, los materiales y herramientas colectivas destinadas a la ejecución del mismo. Además, debe vigilar que los operarios bajo sus órdenes verifiquen el buen estado de su dotación personal: Cinturón o arnés de seguridad, guantes, casco de protección, herramientas y los demás. Los defectos comprobados supondrán la indisponibilidad o reparación del elemento, retirándolo y poniendo sobre él una marca visible que prohíba su uso hasta que sea reparado.
Todo material debe disponer de una ficha técnica particular que indique las siguientes precauciones, entre otras, que con él deben observarse:
a) Límite de utilización eléctrico y mecánico;
b) Condiciones de conservación y mantenimiento;
c) Controles periódicos y ensayos.
38.6.2 Organización del trabajo
La ejecución de todo trabajo en tensión está subordinada a la aplicación de su procedimiento de ejecución, previamente estudiado. Todo procedimiento de ejecución debe comprender:
a) Un título que indique:
-- La naturaleza de la instalación intervenida.
-- La descripción precisa del trabajo.
-- El método de trabajo;
b) Medios físicos (materiales y equipos de protección personal y colectiva) y recurso humano;
c) Descripción ordenada de las diferentes fases del trabajo, a nivel de operaciones
elementales;
d) Croquis, dibujos o esquemas necesarios.
38.6.3 Procedimientos de ejecución
a) Toda persona que deba intervenir en trabajos en tensión, debe poseer una certificación que lo habilite para la ejecución de dichos trabajos, además debe estar afiliado a una empresa de seguridad social y riesgos profesionales. No se admite la posibilidad de actuación de personal que no haya recibido formación especial y no esté habilitado para la realización de trabajos en tensión;
b) El jefe del trabajo, una vez recibida la confirmación de haberse tomado las medidas precisas y antes de comenzar o reanudar el trabajo, debe reunir y exponer a los linieros el procedimiento de ejecución que se va a realizar, cerciorándose que ha sido perfectamente comprendido, que cada trabajador conoce su cometido y que cada uno se hace cargo de cómo se integra en la operación conjunta;
c) El jefe del trabajo dirigirá y vigilará los trabajos, siendo responsable de las medidas de cualquier orden que afecten a la seguridad y al terminar los trabajos, se asegurará de su buena ejecución y comunicará al centro de control el fin de los mismos;
d) Todo liniero de línea viva, es decir, capacitado para trabajos en tensión, debe practicarse exámenes para calificar su estructura ósea, ya que algunas lesiones lo pueden inhabilitar definitivamente para este trabajo; igualmente, se deben detectar deficiencias pulmonares, cardíacas o sicológicas. Enfermedades como la epilepsia, consumo de drogas y alcoholismo también deben ser detectadas por el médico;
e) Ningún operario podrá participar en un trabajo en tensión si no dispone en la zona de trabajo de su dotación personal, que comprende, los siguientes elementos:
-- En todos los casos: Casco aislante de protección y guantes de protección.
-- En cada caso particular, los equipos previstos en los procedimientos de ejecución;
f) Cada operario debe cuidar de la conservación de su dotación personal, de acuerdo con las fichas técnicas. Estos materiales y herramientas deben conservarse en seco, al abrigo de la intemperie y transportarse en fundas, estuches o compartimientos previstos para este uso. No deben sacarse de los mismos hasta el momento de su empleo;
g) Cuando se emplee el método de trabajo a contacto, los operarios llevarán guantes aislantes revestidos con guantes de protección mecánica y guantes de algodón en su interior;
h) En trabajos a distancia se deben cumplir las distancias de la Tabla 40, del presente Reglamento;
i) Toda persona que pueda tocar a un operario, bien directamente o por medio de herramientas u otros objetos, deberá llevar botas y guantes aislantes;
j) Todo equipo de trabajo en tensión debe ser sometido a ensayos periódicos de acuerdo con las normas técnicas o recomendaciones del fabricante. A cada elemento de trabajo debe abrírsele y llenar una ficha técnica;
k) Los guantes aislantes deben ser sometidos a una prueba de porosidad por inyección de aire, antes de cada jornada de trabajo y debe hacérseles un ensayo de rigidez dieléctrica en laboratorio, por lo menos dos veces al año;
l) Para las mangas, cubridores, protectores, mantas, pértigas, tensores, escaleras y demás equipo, se debe hacer por lo menos un ensayo de aislamiento al año;
m) Los vehículos deben ser sometidos a una inspección general y ensayos de aislamiento a las partes no conductoras, por lo menos una vez al año;
n) En el caso de presentarse lluvia o niebla, se pueden realizar los trabajos cuando la corriente de fuga por los elementos aislantes esté controlada y se mantenga por debajo de 1ÐA por cada kV nominal de la instalación;
o) En instalaciones de tensión inferior o igual a 34,5 kV, cuando se presenten lluvias fuertes o niebla, no se comenzará el trabajo, pero los que estén en curso de realización pueden terminarse. En caso de no realizar control de la corriente de fuga y si la tensión es superior a 36 kV, estos trabajos deben ser interrumpidos inmediatamente;
p) En caso de tormentas eléctricas, los trabajos no deben comenzarse y de haberse iniciado se interrumpirán.
Cuando las condiciones atmosféricas impliquen la interrupción del trabajo, se debe retirar al personal y se podrán dejar los dispositivos aislantes colocados hasta que las condiciones vuelvan a ser favorables.
38.7 Trabajos cerca de circuitos aéreos energizados
Cuando se instalen, trasladen o retiren postes en o cerca de líneas energizadas, se deben tomar precauciones a fin de evitar el contacto directo de los postes con los conductores energizados. Los trabajadores que ejecuten dicha labor deben evitar poner en contacto partes no aisladas de su cuerpo con el poste.
Los trabajadores ubicados en tierra o que estén en contacto con objetos puestos a tierra, deben evitar el contacto con camiones u otro equipo que no esté puesto a tierra de manera efectiva, y que estén siendo utilizados para colocar, mover o retirar postes en o cerca de líneas energizadas, a no ser que estén utilizando equipo de protección aprobado.
38.8 Seguridad en subestaciones de media tensión tipo interior
Para la seguridad de las personas y de los animales, se establecen los siguientes requisitos, adoptados de la norma IEC 62271-200. Adicionalmente, en este tipo de subestaciones, ya sea propiedad de OR, o usuarios finales y se debe tener en cuenta lo establecido en la sección 450 de la norma NTC 2050.
a) En todo proyecto de subestación para un edificio, debe apropiarse el espacio disponible para dicha subestación;
b) La continuidad e integridad del sistema de puesta a tierra deberán ser aseguradas teniendo en cuenta el esfuerzo térmico y mecánico causado por la corriente que este va a transportar en caso de falla;
c) El encerramiento de cada unidad funcional deberá ser conectado al conductor de tierra de protección. Todas las partes metálicas puestas a tierra y que no pertenezcan a los circuitos principales o auxiliares, también deberán ser conectadas al conductor de tierra directamente o a través de la estructura metálica;
d) Con el fin de realizar las labores de mantenimiento en las subestaciones con plena seguridad para el personal encargado, es imprescindible que el sistema permita poner a tierra las partes vivas con el fin de ejecutar una maniobra plenamente confiable;
e) Al realizar labores de mantenimiento y con el fin de que el operario de la subestación tenga plena seguridad de la maniobra que se está ejecutando, la posición de los elementos que realicen la puesta a tierra de la celda deben estar claramente identificados a través de un elemento que indique visualmente la maniobra de puesta a tierra de equipo;
f) Las subestaciones de distribución secundaria deben asegurar que una persona no pueda acceder a las partes vivas del sistema evitando que sobrepasen las distancias de seguridad propias de los niveles de tensión de cada aplicación en particular. La persona no puede acceder al contacto de la zona energizada ni tocándola de manera directa ni introduciendo objetos que lo puedan colocar en contacto con la línea;
g) Para prevenir accidentes por arcos internos, se deben cumplir los siguientes criterios:
-- Las celdas deben permitir controlar los efectos de un arco (sobrepresión, esfuerzos mecánicos y térmicos), evacuando los gases hacia arriba, hacia los costados, hacia atrás o dos metros por encima del frente.
-- Las puertas y tapas deben tener un seguro para permanecer cerradas.
-- Las piezas susceptibles de desprenderse, tales como chapas o materiales aislantes, deben estar firmemente aseguradas.
-- Cuando se presente un arco, no debe perforar partes externas accesibles, ni debe presentarse quemadura de los indicadores por gases calientes.
-- Conexiones efectivas en el sistema de puesta a tierra;
h) Los encerramientos utilizados por los equipos que conforman las subestaciones deben alojar en su interior los equipos de corte y seccionamiento; por esta razón, deben ser metálicos y los límites del encerramiento no deben incluir las paredes del cuarto dedicado al alojamiento de la subestación. Las ventanas de inspección deben garantizar el mismo grado de protección del encerramiento y el mismo nivel de aislamiento;
i) Las cubiertas y puertas no deben permitir el acceso a personal no calificado, al lugar donde se alojan los barrajes energizados; en el caso en el que sean removibles se debe garantizar que no se puedan retirar mientras el sistema opere en condiciones normales mediante la implementación de cerraduras o enclavamientos, en el caso en que sean fijas, no se puedan retirar sin la ayuda de herramientas manejadas por personal calificado que conoce el funcionamiento de las subestaciones;
j) Los enclavamientos entre los diferentes elementos de corte y seccionamiento en una subestación son indispensables por razones de seguridad de las personas y conveniencia operativa de la instalación para no permitir que se realicen accionamientos indebidos por errores humanos;
k) Para el caso de equipos del tipo extraíble, los enclavamientos deben asegurar que las siguientes operaciones no sean posibles de realizar:
-- Extracción del interruptor de protección a menos que esté en posición abierto.
-- Operación del interruptor, a menos que este se encuentre en servicio, desconectado, extraído o puesto a tierra.
-- Cerrar el interruptor, a menos que esté conectado al circuito auxiliar o diseñado para abrir automáticamente sin el uso de un circuito auxiliar;
l) Para el caso de equipos fijos estos deben poseer los enclavamientos necesarios para evitar maniobras erróneas;
m) Debe haber una indicación ligada directamente a la posición de los contactos de los elementos de interrupción y seccionamiento. Pueden ser mímicos que muestren el estado real de la operación que se está ejecutando con el fin de entender la operación y garantizar el estado del sistema por alguna persona ajena a la subestación.
38.9 Cables subterráneos
Los siguientes requisitos que se aplicarán para el tendido de cables subterráneos fueron adaptados de la Reglamentación para la Ejecución de Instalaciones Eléctricas en Inmuebles de la Asociación Electrotécnica Argentina:
a) Las canalizaciones o ductos deben ser de material sintético, metálico u otros, que reúnan las siguientes condiciones:
-- No higroscópicos.
-- Un grado de protección adecuado al uso;
b) Se acepta el uso de tubos corrugados de PVC de doble pared (tipo TDP) o de polietileno alta densidad para la protección mecánica térmica de cables de redes de media y baja tensión;
c) Deberá mantenerse una distancia útil mínima de 0,20 m entre el borde externo del conductor y cualquier otro servicio (gas, agua, calefacción, vapor, aire comprimido, entre otros). Si esta distancia no puede ser mantenida se deben separar en forma efectiva las instalaciones a través de una hilera cerrada de ladrillos u otros materiales dieléctricos, resistentes al fuego y al arco eléctrico y malos conductores de calor de por lo menos 5 cm de espesor;
d) La disposición de los conductores dentro del ducto debe conservar su posición y adecuación a lo largo de su recorrido, asegurando que se mantenga la separación de los circuitos;
e) Los empalmes y derivaciones de los conductores deben ser accesibles;
f) No se admite la instalación de cables sobre el nivel del suelo terminado, se entiende por “suelo terminado” el que habitualmente es pisado por las personas;
g) Para cables de enterramiento directo, el fondo de la zanja será una superficie firme, lisa, libre de discontinuidades y sin obstáculos. El cable se dispondrá a una profundidad mínima de 0,7 m respecto de la superficie del terreno. Como protección contra el deterioro mecánico, se utilizarán ladrillos o cubiertas y a una distancia entre 20 y 30 cm por encima del cable deben instalarse cintas de identificación o señalización no degradables en un tiempo menor a la vida útil del cable enterrado;
h) Los ductos se colocarán con pendiente mínima del 1% hacia las cámaras de inspección, en una zanja de profundidad suficiente que permita un recubrimiento mínimo de 0,7 m de relleno sobre el ducto;
i) Las uniones entre conductores deben asegurar la máxima hermeticidad posible, y no deben alterar su sección transversal interna. Cuando se utilicen ductos metálicos, estos deben ser galvanizados en caliente y estar conectados eléctricamente a tierra. Se instalarán dentro de ellos líneas completas, monofásicas o polifásicas con su conductor de puesta a tierra de protección. No se admitirá el tendido de los conductores de fase, neutro o de tierra separados del resto del circuito o formando grupos incompletos de fases, fase y neutro o fase y tierra por ductos metálicos;
j) Los cables subterráneos instalados debajo de construcciones deberán estar alojados en un ducto que salga como mínimo 0,30 m del perímetro de la construcción;
k) Todas las transiciones entre tipos de cables, las conexiones a las cargas, o las derivaciones, deben realizarse en cámaras o cajas de inspección que permitan mantener las condiciones y grados de protección aplicables. Las dimensiones internas útiles de las cajas o cámaras de paso, derivación, conexión o salida serán adecuadas a las funciones específicas y permitirán el tendido en función de la sección de los conductores;
l) Las canalizaciones subterráneas en ductos deben tener cámaras de inspección que cumplan los requerimientos antes dichos, debiéndose instalar, en tramos rectos, a distancias no mayores a 40 metros, salvo cuando existan causas debidamente justificadas que exijan una distancia mayor (por ejemplo, cruce de grandes avenidas), en cuyo caso deberá quedar asentado en la memoria o especificación técnica del proyecto.
38.10 Trabajos en condiciones de alto riesgo
La siguiente lista de verificación es un requisito que debe ser diligenciado por un vigía de salud ocupacional, por el jefe del grupo de trabajo, por un funcionario del área de salud ocupacional o un delegado del comité paritario de la empresa dueña de la obra y procesada en todos los casos donde se deba trabajar en condiciones de alto riesgo.
< TABLA NO INCLUIDA. VER ORIGINAL EN D.O. No.46.598 - ABR.13-2007 EN LA CARPETA “ANEXOS” O EN LA PÁGINA WEB www.imprenta.gov.co >
Tabla 44. Lista de verificación, trabajos en condiciones de alto riesgo.
NOTA: Si falta algún SI, el trabajo NO debe realizarse, hasta efectuarse la correspondiente corrección.
38.11 Apertura de transformadores de corriente
El secundario de un transformador de corriente no debe ser abierto mientras se encuentre energizado. En caso de que todo el circuito no pueda desenergizarse adecuadamente, antes de empezar a trabajar con un instrumento, un relé, u otra sección de un circuito secundario de un transformador de corriente, el trabajador deberá conectar el circuito secundario en derivación con puentes, para que bajo ninguna condición se abra el secundario del transformador de corriente.
ARTÍCULO 39. INFORMACIÓN DE SEGURIDAD PARA EL USUARIO.
39.1 Cartilla de Seguridad
El OR debe producir una cartilla dirigida a los usuarios residenciales, comerciales e industriales, en la cual se difundirán las condiciones de seguridad y correcta utilización de la energía eléctrica, teniendo en cuenta por lo menos las siguientes consideraciones:
a) Estar escrita de manera práctica, sencilla y concisa, en lo posible con ilustraciones al texto de referencia;
b) Estar dirigida al usuario final y al potencial, ser entregada a todos y cada uno de ellos el día en que se certifica y se pone en servicio una instalación eléctrica y podrá ser consultada por cualquier persona o entidad que tenga interés en conectarse a la red de distribución de energía eléctrica;
c) Indicar los procedimientos a seguir para adquirir información e ilustración relativa al servicio de energía eléctrica, incluidos los procedimientos relativos a las solicitudes de ampliación del servicio, identificación y comunicación con la empresa prestadora del servicio;
d) Informar de una manera resaltada, cómo y dónde reportar emergencias que se presenten en el interior o en el exterior del domicilio;
e) Resumir las principales acciones de primeros auxilios en caso de electrocución;
f) Contener recomendaciones prácticas relacionadas con el manejo de los artefactos eléctricos.
39.2 Información adicional de seguridad
Los operadores de red y comercializadores, periódicamente, por lo menos una vez por semestre, instruirán a sus usuarios, con información escrita al respaldo de la factura o con volantes adicionales, sobre prácticas de seguridad en las instalaciones eléctricas.
REQUISITOS ESPECÍFICOS PARA INSTALACIONES DE USO FINAL.
Este capítulo del Reglamento Técnico es aplicable a las instalaciones eléctricas destinadas a la conexión de equipos o aparatos para el uso final de la electricidad y en todo tipo de construcciones, ya sean de carácter público o privado. Como en los otros apartes del Reglamento, los requisitos establecidos se aplican a condiciones normales y nominales de la instalación.
En general, comprende los sistemas eléctricos que van desde la acometida de servicio hacia el interior de la edificación o al punto de conexión de los equipos o elementos de consumo. En los casos de instalaciones de propiedad distinta al OR, que contemplen subestación, la acometida y la subestación se considerarán como parte de la instalación de uso final, sin perjuicio del cumplimiento de los requisitos para el proceso de transformación que le apliquen.
ARTÍCULO 40. ASPECTOS GENERALES DE LAS INSTALACIONES PARA USO FINAL DE LA ELECTRICIDAD. Las instalaciones para uso final de la electricidad, denominadas comúnmente como instalaciones interiores, o instalaciones domiciliarias o receptoras, son las que están alimentadas por una red de distribución o por una fuente de energía propia y tienen como objeto permitir la entrega de la energía eléctrica para su uso final. Dentro de este concepto hay que incluir cualquier instalación receptora aunque toda ella o alguna de sus partes esté situada a la intemperie.
Si en una instalación eléctrica de baja tensión están integrados circuitos o elementos en los que las tensiones empleadas son superiores al límite establecido para la baja tensión y para los cuales este Capítulo no señala un requisito específico, se deben cumplir en ella las prescripciones técnicas y de seguridad de los apartes de media o alta tensión.
Para efectos del presente Reglamento los requisitos contenidos en este Capítulo, deben ser tomados como complementarios de los requisitos de los demás Capítulos.
40.1 Aplicación de normas técnicas
Debido a que el contenido de la NTC 2050 Primera Actualización (Código Eléctrico Colombiano), del 25 de noviembre de 1998, que está basada en la norma técnica NFPA 70, encaja dentro del enfoque que debe tener un reglamento técnico y considerando que tiene plena aplicación en el proceso de utilización de la energía eléctrica, se declaran de obligatorio cumplimiento los primeros siete capítulos (publicados en el Diario Oficial No. 45.592 del 27 de junio de 2004) que en forma resumida comprenden:
Cap. 1. Definiciones y requisitos generales para instalaciones eléctricas.
Cap. 2. Los requisitos de alambrado y protecciones
Cap. 3. Los métodos y materiales de las instalaciones
Cap. 4. Los requisitos de instalación para equipos y elementos de uso general.
Cap. 5. Los requisitos para ambientes especiales.
Cap. 6. Los requisitos para equipos especiales.
Cap. 7. Las condiciones especiales de las instalaciones.
Para la adecuada aplicación de estos Capítulos deberán tenerse en cuenta las consideraciones establecidas en la Sección 90 (Introducción); el personal calificado que utilice la norma deberá tener en cuenta todas las consideraciones y excepciones aplicables a cada caso.
En el evento en que se presenten diferencias entre el Anexo General y la NTC 2050 Primera Actualización, primará lo establecido en el Anexo General del RETIE y la autoridad para dirimirlas es el Ministerio de Minas y Energía.
Se aceptarán instalaciones para uso final de la electricidad que cumplan normas técnicas internacionales, siempre que se dé estricto cumplimiento a la norma o normas aplicables a ese tipo de instalación. Normas tales como la serie IEC 60364, tendrán plena aceptación, siempre que la totalidad de la instalación cumpla con la norma específica que le aplique y no se generen combinaciones de normas que hagan peligrosa la instalación.
40.2 Clasificación de las instalaciones
Para efecto del presente Reglamento las instalaciones para uso final de la electricidad se clasificarán en instalaciones especiales, básicas y provisionales.
40.2.1 Instalaciones eléctricas especiales
Aquellas instalaciones que por estar localizadas en ambientes clasificados como peligrosos o alimentar equipos o sistemas complejos, presentan mayor probabilidad de riesgo que una instalación básica y por tanto requieren de medidas especiales, para mitigar o eliminar tales riesgos. Para efectos del RETIE se consideran instalaciones especiales las siguientes:
a) Instalaciones hospitalarias o de asistencia médica a que hace referencia la sección 517 del Código Eléctrico Colombiano (NTC 2050, Primera Actualización);
b) Sistemas de emergencia y sistemas de alarma contra incendio;
c) Instalaciones de ambientes especiales, contempladas en el Capítulo 5 del Código Eléctrico Colombiano (NTC 2050, Primera Actualización) clasificadas como peligrosas por el alto riesgo de explosión debida a la presencia de gases, vapores o líquidos inflamables; polvos, fibras o partículas combustibles;
d) Instalaciones eléctricas para sistemas de transporte de personal como ascensores, grúas, escaleras eléctricas, montacargas o teleféricos;
e) Instalaciones eléctricas en lugares con alta concentración de personas, tales como: sitios de reuniones, entidades públicas, teatros, áreas de audiencias, grandes supermercados, ferias y espectáculos a que hacen referencia las secciones 518, 520, 525 del Código Eléctrico Colombiano (NTC 2050, Primera Actualización).
En general aquellas que requieran construirse y mantenerse en circunstancias distintas a las que pueden estimarse como de riesgo normal, tales como las de la sección 530, 540, 547, 555, 645, 660,680, 690 y 695 del Código Eléctrico Colombiano (NTC 2050, Primera Actualización).
40.2.2 Instalaciones eléctricas básicas
Las instalaciones que se ciñen a los cuatro primeros capítulos de la NTC 2050 Primera Actualización y redes de baja tensión para uso particular o destinadas a la prestación del servicio público de electricidad.
40.2.3 Instalaciones provisionales
Para efectos del RETIE, se entenderá como instalación provisional aquella que se hace para suministrar el servicio de energía a un proyecto en construcción, o que tendrá una utilización no mayor a seis meses (prorrogables según el criterio del OR que preste el servicio), la cual deberá cumplir con lo especificado en la sección 305 del Código Eléctrico Colombiano (NTC 2050 Primera Actualización).
El servicio de energía a instalaciones provisionales, quedará condicionado a que una persona calificada establezca y cumpla un procedimiento escrito de control de los riesgos eléctricos de esta instalación, el cual debe estar a disposición de la autoridad competente.
40.3 Lineamientos generales aplicables a instalaciones eléctricas para uso final
Los sistemas de protección de las instalaciones para uso final de la electricidad, deben impedir los efectos de las sobrecorrientes y sobretensiones, resguardar a los usuarios de los contactos directos y anular los efectos de los indirectos. En las instalaciones de uso final de la electricidad se adoptarán las medidas de seguridad,
tanto para la protección de los usuarios como para la protección de las redes, las cuales deben ser especificadas según las características y potencia de los aparatos receptores.
El propietario o poseedor de una instalación eléctrica, donde se presente un accidente de origen eléctrico que genere una lesión grave o la muerte de una persona, deberá reportarlo a la autoridad competente y al operador de red correspondiente, informando el nombre del accidentado, tipo de accidente, lugar y fecha del acontecimiento.
Con las excepciones establecidas en la NTC 2050 Primera Actualización, en las demás instalaciones eléctricas, solo se aceptan como regímenes de conexión a tierra en baja tensión los de conexión sólida (TN-C-S o TN-S) o de impedancia limitadora. Queda expresamente prohibido el régimen en el cual las funciones de neutro y de protección las cumple el mismo conductor (TN-C).
Las primeras medidas que se deben tener en cuenta en las instalaciones de uso final de la electricidad son:
40.3.1 Protección contra contacto directo o indirecto
a) Para prevenir y proteger contra contactos directos e indirectos deben implementarse al menos dos de las siguientes medidas:
-- Alejamiento de las partes bajo tensión.
-- Colocación de obstáculos que impidan el acceso a las zonas energizadas.
-- Equipos de protección contra corrientes de fuga.
-- Empleo de Muy Baja Tensión. (= 50 V en locales secos, = 24 V en locales húmedos).
-- Dispositivos de corte automático de la alimentación.
-- Empleo de circuitos aislados galvánicamente, con transformadores de seguridad.
-- Conexiones equipotenciales.
-- Sistemas de puesta a tierra.
-- Regímenes de conexión a tierra, que protejan a las personas frente a las corrientes de fuga;
b) En unidades de vivienda menor o igual a 3,5 kVA instalados, se permite que los tomacorrientes con interruptor de circuito por falla a tierra, puedan hacer parte de un circuito para pequeños artefactos de cocina, iluminación y fuerza de baños, siempre y cuando, tanto en el mesón de la cocina como en el baño, no se tengan más de dos salidas sencillas o una salida doble. Esta consideración no es aplicable al circuito destinado a las duchas eléctricas;
c) Los circuitos pueden estar protegidos por un interruptor diferencial de fuga con una curva de sensibilidad que supere la exigencia de la curva C1 de la Figura 1 del Capítulo I del RETIE. La utilización de estos dispositivos no está reconocida como una medida de protección completa contra los contactos directos, sino que está destinada a aumentar o complementar otras medidas de protección contra contactos directos o indirectos en servicio normal; por lo tanto, no exime en modo alguno el empleo del algunas de las medidas de
seguridad enunciadas;
d) En los cuartos de baño que contienen bañeras, duchas o lavamanos y las zonas circundantes, el riesgo de shock aumenta en razón de la reducción de la resistencia eléctrica del cuerpo humano y de la del contacto del cuerpo con el potencial de tierra, por ello debe cumplirse lo siguiente:
-- Para locales con bañeras o duchas para tratamiento médico se deben aplicar los requisitos especiales, referidos en el artículo 517 de la NTC 2050 del 25 de noviembre de 1998. dentro de la zona donde está ubicada la bañera o ducha, se admite como protección, el uso de muy baja tensión de seguridad con tensiones nominales no superiores a 12 V C.a., siempre y cuando la fuente de tensión de seguridad esté ubicada fuera de la zona.
-- Ningún aparato eléctrico, como interruptores o tomacorrientes debe estar ubicado a menos de 60 cm de la puerta abierta de una cabina para ducha;
e) En toda instalación de uso final, el conductor neutro y el conductor de puesta a tierra de un circuito deben ir aislados entre sí, solo deben unirse con un puente equipotencial en el origen de la instalación y antes de los dispositivos de corte, dicho puente equipotencial principal debe ubicarse lo más cerca posible de la acometida o del transformador;
f) Los sistemas accionados por motores eléctricos que impliquen riesgos mecánicos para las personas, deben tener un sistema de parada de emergencia.
40.3.2 Protecciones contra sobrecorrientes
Instalaciones eléctricas de las unidades de vivienda deberán ser construidas para contener por lo menos los siguientes circuitos:
a) Un circuito para pequeños artefactos de cocina, despensa y comedor;
b) Un circuito para conexión de plancha y lavadora de ropa;
c) Un circuito para iluminación y fuerza.
Cada circuito debe ser provisto de un interruptor automático, que lo proteja de sobrecorrientes. No se debe cambiar el interruptor automático por uno de mayor capacidad, cuando se supera la cargabilidad de los conductores del circuito a proteger.
40.4 Requisitos particulares para instalaciones especiales
En virtud del mayor riesgo que implica el funcionamiento defectuoso de una instalación eléctrica especial, de condiciones especiales o para equipos especiales y en general las instalaciones eléctricas comprendidas en los Capítulos 5, 6 y 7 de la NTC 2050 Primera Actualización, además de cumplir los preceptos que en virtud de este Reglamento sean de aplicación, deben cumplir las medidas y previsiones dadas a continuación, siempre que les sea aplicable.
40.4.1 Productos para instalaciones especiales
Los productos eléctricos usados en instalaciones especiales, para los cuales la NTC 2050 Primera Actualización exija certificación, deben ser certificados para ese uso y sus dimensiones y características de seguridad cumplir las especificaciones señaladas en las normas técnicas internacionales, de reconocimiento internacional o NTC que les aplique a cada uno de ellos.
40.4.2 Instalaciones en lugares de alta concentración de personas
En todos los edificios de atención o prestación de algún servicio al público, con alta concentración de personas, es decir, que pueda concentrar más de 100 personas por piso o nivel, debe proveerse de un sistema de potencia de emergencia. Estos sistemas están destinados a suministrar energía eléctrica automáticamente dentro de los 10 segundos siguientes al corte, a los sistemas de alumbrado y fuerza para áreas y equipos previamente definidos, y en caso de falla del sistema destinado a alimentar circuitos esenciales para la seguridad y la vida humana.
Los sistemas de emergencia deben suministrar energía a las señales de salida, sistemas de ventilación, detección y alarma de sistemas contra incendio, bombas contraincendio, ascensores, sistemas de comunicación, procesos industriales y demás sistemas en los que la interrupción del suministro eléctrico puede producir serios peligros para la seguridad de la vida humana.
Los grupos de baterías de acumuladores deben proveerse con un cargador automático en los sitios donde se requiera respaldo adicional de energía. Este sistema debe proveer autonomía por 60 minutos a plena carga sin que la tensión baje del 87,5% de su valor nominal.
Adicionalmente, cuando aplique, en el cuarto de la planta de emergencia debe disponerse de tomacorrientes para el precalentado y para cualquier otro uso necesario.
Las subestaciones para el servicio de lugares con alta concentración de personas no deben contener transformadores con aislamiento en aceite a menos que estén confinados en una bóveda con resistencia al fuego mínimo de tres horas.
40.4.3 Instalaciones para Bombas contra Incendio
Debido a la importancia de las bombas contra incendio como medio efectivo de seguridad de la vida en las edificaciones, se deben cumplir los siguientes requerimientos:
a) Cuando requieran alimentación eléctrica externa esta debe proveerse independiente de la acometida eléctrica general, es decir, desde otra acometida o desde un grupo electrógeno de emergencia, evitándose que un incendio producido en la acometida o en la subestación afecte las instalaciones de la bomba contra incendio. Para ello pueden instalarse barreras cortafuego en el cableado;
b) El control de la bomba debe efectuarse mediante un controlador certificado para bombas contra incendio;
c) La fuente de energía debe ser confiable y tener la capacidad adecuada para transportar las corrientes de rotor bloqueado de la motobomba y de los equipos accesorios;
d) Donde no se exijan o no se puedan montar bombas contra incendio, se pueden instalar sistemas automáticos de extinción por regaderas (instalaciones pequeñas);
e) Para evitar quemaduras y lograr una protección contra incendios, los materiales conectados de manera estable, susceptibles de producir arcos o chispas en servicio normal, deben de cumplir por lo menos una de las siguientes condiciones:
-- Estar completamente encerrados en materiales resistentes a los arcos. Los materiales de las carcasas dispuestas alrededor de los materiales eléctricos, deben soportar las temperaturas más altas susceptibles de ser producidas por el material eléctrico.
-- Estar separados de los elementos de la construcción por pantallas resistentes a los arcos.
-- Estar instalados a una distancia suficiente de los elementos de la construcción, sobre los cuales los arcos y chispas podrían tener efectos perjudiciales, permitiendo una extinción segura de los mismos.
-- Las partes accesibles de los equipos eléctricos no deben alcanzar temperaturas susceptibles de provocar quemaduras a las personas y deben satisfacer los límites recogidos en la siguiente tabla
< TABLA NO INCLUIDA. VER ORIGINAL EN D.O. No.46.598 - ABR.13-2007 EN LA CARPETA “ANEXOS” O EN LA PÁGINA WEB www.imprenta.gov.co >
Tabla 45. Límites de temperatura – Equipo eléctrico.
40.4.4 Instalaciones para Piscinas
Las instalaciones eléctricas para piscinas pueden alimentarse desde un transformador de aislamiento de 12 V de salida no puesto a tierra y con pantalla electrostática entre los devanados, el cual debe estar certificado para este uso particular y su primario deberá trabajar a una tensión menor o igual a 150 V, o directamente desde un ramal protegido por un interruptor diferencial de falla a tierra para luminarias que operan a más de 15 V pero no más de 150 V.
40.5 Mantenimiento y conservación de las instalaciones para uso final
Corresponde al propietario o poseedor de la instalación eléctrica de uso final, mantenerla y conservarla en buen estado, de tal forma que no presente alto riesgo para la salud o la vida de las personas, el medio ambiente o la misma instalación y su entorno.
Los trabajos de mantenimiento y conservación deben ser realizados por personal calificado, quien será solidariamente responsable con el propietario o tenedor de la instalación, de los efectos que se causen por cualquier deficiencia.
En el evento que una instalación eléctrica para el uso final de la electricidad, presente alto riesgo para la salud o la vida de las personas, cualquier persona comunicará al operador de red de tal situación y este tomará las medidas pertinentes, de acuerdo con el contrato uniforme para la prestación del servicio.
ARTÍCULO 41. REQUISITOS PARA INSTALACIONES HOSPITALARIAS. Aunque las instalaciones hospitalarias se clasifican como instalaciones especiales, la mayor importancia de este tipo de instalación radica en que los pacientes en áreas críticas pueden experimentar electrocución con corrientes del orden de microamperios, que pueden no ser detectadas ni medidas, especialmente cuando se conecta un conductor eléctrico directamente al músculo cardíaco del paciente, por lo que es necesario extremar las medidas de seguridad.
El objetivo primordial de este apartado es la protección de los pacientes y demás personas que laboren o visiten dichos inmuebles, reduciendo al mínimo los riesgos eléctricos que puedan producir electrocución o quemaduras en las personas e incendios y explosiones en las áreas médicas.
Las siguientes disposiciones se aplicarán tanto a los inmuebles dedicados exclusivamente a la asistencia médica de pacientes como a los inmuebles dedicados a otros propósitos pero en cuyo interior funcione al menos un área para el diagnóstico y cuidado de la salud, sea de manera permanente o ambulatoria.
Adicionalmente, las instalaciones hospitalarias, clínicas odontológicas, clínicas veterinarias, centros de salud y en general aquellos lugares en donde se haga inserción de equipos electromédicos en pacientes, deben cumplir los requisitos siguientes:
a) Para efectos del presente Reglamento, en las instalaciones hospitalarias se debe cumplir lo establecido en la norma NTC 2050 del 25 de noviembre de 1998 y particularmente su sección 517. Igualmente, se aceptarán instalaciones hospitalarias que cumplan la norma IEC 60364-7-710. No se aceptará la combinación de normas que haga peligrosa la instalación;
b) El adecuado diseño, construcción, pruebas de puesta en servicio, funcionamiento y mantenimiento, debe encargarse a profesionales especializados y deben seguirse las normas exclusivas para dichas instalaciones;
c) Debe haber suficiente ventilación en los laboratorios para la extracción de los gases y mezclas gaseosas para análisis químicos, producción de llamas y otros usos. Igualmente, para los sistemas de esterilización por óxido de etileno ya que por ser inflamable y tóxico, debe tener sistema de extracción de gases;
d) Se debe efectuar una adecuada coordinación de las protecciones eléctricas para garantizar la selectividad necesaria, conservando así al máximo la continuidad del servicio;
e) Las clínicas y hospitales que cuenten con acometida eléctrica de media tensión, preferiblemente deben disponer de una transferencia automática en media tensión que se conecte a dos alimentadores;
f) En todo centro de atención hospitalaria de niveles I, II y III debe instalarse una fuente alterna de suministro de energía eléctrica (una o más plantas de emergencia) que entren en operación dentro de los 10 segundos siguientes al corte de energía del sistema normal. Además, debe proveerse un sistema de transferencia automática con interruptor de conmutador de red (by pass) que permita, en caso de falla, la conmutación de la carga eléctrica al sistema normal;
g) En las áreas médicas críticas, donde la continuidad del servicio de energía es esencial para la seguridad de la vida, debe instalarse un sistema ininterrumpido de potencia (UPS) para los equipos eléctricos de asistencia vital, de control de gases medicinales y de comunicaciones;
h) Debe proveerse un sistema de potencia aislado o no puesto a tierra (denominado IT) en áreas médicas críticas, donde una falla en la alimentación pone en riesgo la vida del paciente; es decir, en salas de cirugía, de neonatología, unidades de cuidados intensivos, de procedimientos intracardíacos y salas de cateterismo, así como en áreas donde se manejen anestésicos inflamables (áreas peligrosas) o donde el paciente esté conectado a equipos que puedan introducir corrientes de fuga en su cuerpo y en otras áreas críticas donde se estime conveniente. Este sistema, que debe quedar cerca de las áreas críticas, comprende un transformador, un monitor de la resistencia de aislamiento y un indicador de alarma audible, además de los conductores respectivos; todas estas partes deben ser perfectamente compatibles, máxime si no son ensambladas por un mismo fabricante. Dicho sistema de potencia aislado debe conectarse a los circuitos derivados exclusivos del área crítica, los cuales deben ser construidos con conductores eléctricos de muy bajas fugas de corriente;
i) El transformador de aislamiento del sistema de potencia aislado no debe tener una potencia nominal inferior a 0,5 kVA ni superior a 10 kVA, la tensión en el secundario no debe exceder 250 V, debe tener un control de temperatura y no debe tener interruptor automático en el secundario, pues con una primera falla de aislamiento no debe interrumpirse el suministro de energía. El monitor de aislamiento debe dar alarma si la resistencia de aislamiento entre fase y tierra es menor de 50 kú;
j) En las áreas húmedas donde la interrupción de corriente eléctrica bajo condiciones de falla pueda ser admitida, como en piscinas, baños y tinas terapéuticas, debe instalarse un interruptor diferencial de falla a tierra para la protección de las personas contra electrocución, así como junto a los lavamanos, independientemente de que estos se encuentren o no dentro de un baño;
k) Con el fin de prevenir que la electricidad estática produzca chispas que generen explosión, en las áreas médicas donde se utilicen anestésicos inflamables y en las cámaras hiperbáricas, donde aplique, debe instalarse un piso conductivo. Los equipos eléctricos no podrán fijarse a menos de 1,53 m sobre el piso terminado (a no ser que sean a prueba de explosión) y el personal médico debe usar zapatos conductivos;
l) Igualmente se debe instalar piso conductivo en los lugares donde se almacenen anestésicos inflamables o desinfectantes inflamables. En estos lugares, cualquier equipo eléctrico a usarse a cualquier altura debe ser a prueba de explosión;
m) Para eliminar la electricidad estática en los hospitales, debe cumplirse lo siguiente:
-- Regular la humedad tal que no descienda del 50%.
-- Mantener un potencial eléctrico constante en el piso de los quirófanos y adyacentes por medio de pisos conductivos.
-- El personal médico que usa el quirófano debe llevar calzado conductor. -- El equipo a usarse en ambientes con anestésicos inflamables debe tener las carcasas y ruedas de material conductor.
-- Los camisones de los pacientes deben ser de material antiestático; n) En todas las áreas de cuidado de pacientes, para dar protección contra electrocución, los tomacorrientes y equipos eléctricos fijos deben estar conectados a un sistema de puesta a tierra redundante, conformado por:
-- Un conductor de cobre aislado debidamente calculado, instalado junto con los conductores de suministro del circuito derivado correspondiente y conectado tanto al terminal de tierra del tomacorriente como al punto de tierra del panel de distribución.
-- Una canalización metálica que aloje en su interior al circuito derivado mencionado y conectada en ambos extremos al terminal de tierra;
o) Los tableros o paneles de distribución de los sistemas normal y emergencia que alimenten la misma cama de paciente deben conectarse equipotencialmente entre sí mediante un conductor de cobre aislado de calibre no menor al 10 AWG;
p) Los tomacorrientes que alimenten áreas de pacientes generales o críticos deben diseñarse para alimentar el máximo número de equipos que necesiten operar simultáneamente y deben derivarse desde al menos dos diferentes fuentes de energía o desde la fuente de energía de suplencia (planta de emergencia) mediante dos transferencias automáticas.
Dichos tomacorrientes deben ser dobles con polo a tierra del tipo grado hospitalario. En áreas de pacientes generales debe instalarse un mínimo de cuatro tomacorrientes y en áreas de pacientes críticos un mínimo de seis tomacorrientes, todos conectados a tierra mediante un conductor de cobre aislado;
q) En áreas siquiátricas no debe haber tomacorrientes. Para protección contra electrocución en áreas pediátricas, los tomacorrientes de 125 V y 15 ó 20 A deben ser del tipo a prueba de abuso, o estar protegidos por una cubierta de este tipo. (No se aceptarán otros tomacorrientes o cubiertas en estas áreas);
r) Todos los tomacorrientes del sistema de emergencia deben ser de color rojo y estar plenamente identificados con el número del circuito derivado y el nombre del tablero de distribución correspondiente. Todos los circuitos de la red de emergencia deben ser protegidos mecánicamente mediante canalización metálica no flexible;
s) No se deben utilizar los interruptores automáticos, como control de encendido y apagado de la iluminación en un centro de atención hospitalaria;
t) En áreas donde se utilicen duchas eléctricas, estas deben alimentarse mediante un circuito exclusivo, protegerse mediante interruptores de protección del circuito de falla a tierra y su conexión deberá ser a prueba de agua;
u) Los conductores de los sistemas normal, de emergencia y aislado no puesto a tierra, no podrán compartir las mismas canalizaciones;
v) Deberá proveerse el necesario número de salidas eléctricas de iluminación que garanticen el acceso seguro tanto a los pacientes, equipos y suministros como a las salidas correspondientes de cada área. Deben proveerse unidades de iluminación de emergencia por baterías donde sea conveniente para la seguridad de las personas y donde su instalación no cause riesgos.
ARTÍCULO 42. REQUISITOS DE PROTECCIÓN CONTRA RAYOS. El rayo es un fenómeno meteorológico de origen natural, cuyos parámetros son variables espacial y temporalmente.
La mayor incidencia de rayos en el mundo se da en las tres zonas de mayor convección profunda: América tropical, Africa central y norte de Australia. Colombia, por estar situada en la Zona de Confluencia Intertropical, presenta una de las mayores actividades de rayos del planeta; de allí la importancia de la protección contra dicho fenómeno, pues si bien los métodos desarrollados a nivel mundial se pueden aplicar, algunos parámetros del rayo son particulares para esta zona.
42.1 Evaluación del nivel de riesgo frente a rayos
A partir de la entrada en vigencia del presente Reglamento Técnico, en instalaciones donde se tenga concentración de personas, tales como, viviendas multifamiliares, oficinas, hoteles, hospitales, centros educativos, centros comerciales, supermercados, parques de diversión, industrias, prisiones o aeropuertos, debe hacerse una evaluación del nivel de riesgo de exposición al rayo y de acuerdo con su resultado, cumplir los siguientes requisitos, adoptados de la NTC 4552.
42.2 Diseño del sistema de protección contra rayos
La protección se debe basar en la aplicación de un Sistema Integral de Protección, conducente a mitigar los riesgos asociados con la exposición directa e indirecta a los rayos. En general, una protección contra rayos totalmente efectiva no es técnica ni económicamente viable.
El diseño debe realizarse aplicando el método electrogeométrico. La persona calificada, encargada de un proyecto debe incluir unas buenas prácticas de ingeniería de protección contra rayos, con el fin de disminuir sus efectos, que pueden ser de tipo electromagnético, mecánico o térmico.
42.3 Componentes del sistema de protección contra rayos
a) Terminales de captación o pararrayos. En la Tabla 46, adaptada de la IEC 62305, se presentan las características que deben cumplir los pararrayos o terminales de captación construidos especialmente para este fin. Cualquier elemento metálico de la estructura que se encuentre expuesto al impacto del rayo, como antenas de televisión, chimeneas, techos, torres de comunicación y cualquier tubería que sobresalga, debe ser tratado como un terminal de captación siempre que se garantice su capacidad de conducción y continuidad eléctrica.
Para efectos de este Reglamento, se considera que el comportamiento de todo terminal de captación debe tomarse como el de un terminal tipo Franklin.
< TABLA NO INCLUIDA. VER ORIGINAL EN D.O. No.46.598 - ABR.13-2007 EN LA CARPETA “ANEXOS” O EN LA PÁGINA WEB www.imprenta.gov.co >
Tabla 46. Características de los terminales de captación y bajantes.
b) Bajantes. Con el fin de reducir la probabilidad de daño debido a corrientes de rayo fluyendo por el sistema de protección externo de una edificación, los conductores que cumplen la función de bajantes, deben ser al menos dos y con la mínima longitud para los caminos de corriente. Cada una de las bajantes debe terminar en un electrodo de puesta a tierra, estar separadas un mínimo de 10 m y siempre buscando que se localicen en las partes externas de la edificación. Las bajantes del sistema de protección contra rayos debe cumplir los requisitos de la Tabla 46.
42.4 Puesta a tierra para protección contra rayos
La puesta a tierra de protección contra rayos, debe cumplir con los requisitos del artículo 15, Capítulo II del presente Reglamento que le apliquen, especialmente en cuanto a materiales e interconexión.
ARTÍCULO 43. REQUISITOS PARA INSTALACIONES EN MINAS. Para efectos del presente Reglamento y con el fin de garantizar la seguridad del personal en las minas, se deben cumplir los siguientes requisitos adoptados de las normas IEC 61557-8, DIN VDE 0118-1, NEMA WC-58 y la norma técnica peruana sobre uso de electricidad en minas.
43.1 Requisitos generales
a) En toda mina superficial o bajo tierra, donde se use electricidad debe haber planos o diagramas que muestren información actualizada del sistema eléctrico, la cual debe estar siempre disponible para la autoridad competente;
b) Las reparaciones, ampliaciones y cambios en las instalaciones eléctricas deben ser efectuadas solamente por personal calificado en electricidad con matrícula o certificado de matrícula profesional, certificado de inscripción profesional, que determina la ley;
c) Se deben instalar interruptores en el punto de suministro de toda instalación temporal. Se consideran instalaciones eléctricas temporales aquellas destinadas al mantenimiento y reparación de equipos o estructuras o al traslado de equipos exclusivamente mientas dura la actividad;
d) Toda red aérea debe cumplir las distancias de seguridad establecidas en el artículo 13, aumentadas con las alturas máximas alcanzables por equipos de transporte y extracción. Las redes que estén fuera de servicio deben ser desconectadas de su fuente de alimentación, aisladas y puestas a tierra;
e) Los medios de desconexión de un circuito deben estar bloqueados y etiquetados en la posición abierta, mientras se realicen trabajos en una máquina o equipo;
f) Toda área con equipo eléctrico debe contar con por lo menos un extintor;
g) Los cables portátiles de potencia que no excedan los 750 V deben ser certificados para uso en minería como el tipo SHC-GC o similares, aislados por lo menos para 2000 V;
h) Todos los cables instalados en el interior de una mina o sus vías de escape, no deben ser propagadores de llama y tener una baja emisión de humos. Los cables portátiles de potencia que operen a tensiones que excedan los 750 V deben ser conductores de potencia apantallados individualmente y conductor de tierra, tal como el tipo SHD o conductores de potencia apantallados individualmente, conductores de tierra y un conductor de monitoreo de tierra, tal como el SHD-GC o similares, aislados por lo menos para 25000 V. Estos cables deben incluir en su rotulado, que son a prueba de llama;
i) Cuando una mina es abandonada o deja de ser operada, deben desenergizarse todos los circuitos para evitar condiciones de riesgo para las personas;
j) Todo equipo eléctrico instalado en lugares de almacenamiento de explosivos o detonadores o en general se presenten ambientes con gases o vapores explosivos, debe cumplir con los requerimientos correspondientes a la clasificación Clase II, División 2, según NTC 2050 o su equivalente IEC;
k) Los polvorines en superficie deben estar ubicados, como mínimo a 60 m de redes aéreas y como mínimo a 100 m de subestaciones eléctricas;
l) En todos los circuitos que operen a tensiones que excedan los 300 V se deben instalar medios de desconexión del tipo apertura visible u otros que indiquen que los contactos estén abiertos y localizarse tan cerca como sea posible al punto de suministro. Se permite el uso de interruptores automáticos de caja moldeada sin apertura visible, siempre y cuando, se tomen medidas para asegurar que todas las fases queden abiertas;
m) Se debe contar con un sistema de alumbrado de emergencia cuando exista la posibilidad de peligro al personal por causa de una falla en el sistema de alumbrado;
n) Toda sección accesible de una banda transportadora accionada eléctricamente debe tener un cordón de seguridad que se extienda a lo largo de ella y que esté dispuesto de tal manera que pare la banda en caso de emergencia. El interruptor operado por el cordón de seguridad debe ser de reposición manual. Una banda transportadora usada en mina subterránea o una banda transportadora de más de 15 m de longitud instalada en un edificio u otra estructura cerrada debe tener un dispositivo de detección para parar el motor en el caso de que la banda se obstruya o se desvíe;
o) Cuando se hagan empalmes permanentes en cables de arrastre, deben ser mecánicamente fuertes y con una adecuada conductividad eléctrica; aislados y sellados en forma efectiva para evitar el ingreso de humedad, y probada su continuidad y aislamiento por personal calificado antes de ser puestos en servicio;
p) Los acopladores que se usen para unir cables portátiles de potencia que operen a tensiones que excedan los 300 V, deben tener un dispositivo de sujeción mecánico, para unir el acoplador de cable, con una resistencia a la tracción mayor que el de los cables portátiles de potencia; dispositivos liberadores de esfuerzo adecuados para el cable portátil de potencia y medios para prevenir el ingreso de humedad.
43.2 Requisitos de conexión a tierra
a) Para el propósito de mayor protección y reducción del arco en caso de falla a tierra, se requiere que los circuitos de suministro sean puestos a tierra a través de una impedancia limitadora (sistema IT), el cual requiere un sistema de vigilancia o monitoreo del aislamiento de la red que permita indicar permanentemente la continuidad del circuito de tierra y proteja la instalación mediante desconexión la cual debe hacerse como máximo en 1,5 segundos o que active un sistema de alarma. El monitoreo debe estar instalado en un circuito a prueba de fallas;
b) En redes con tensiones nominales de hasta 1.000 V, debe instalarse una lámpara de luz intermitente en zonas de permanencia de personas, la cual debe prenderse si la resistencia de aislamiento de la red desciende por debajo de 50 ohmios por cada voltio de tensión nominal fase tierra. Cuando se use una alarma visible para indicar una falla a tierra, tal alarma será continua hasta que se elimine la falla. En caso de que se use alarmas audibles y visibles, la alarma audible podrá ser cancelada y reemplazada por la alarma visible hasta que se elimine la falla;
c) La impedancia limitadora debe ser dimensionada para funcionamiento continuo, excepto cuando se provea un dispositivo de disparo de falla a tierra; monitoreada de tal manera que desenergice la fuente si la impedancia se abre y conectada tan cerca como sea práctico al punto neutro de la fuente;
d) En casos que existan sistemas no puestos a tierra se debe instalar un dispositivo indicador de falla a tierra acoplado con la protección del circuito. En estos casos, una falla a tierra debe ser investigada y eliminada tan pronto como sea posible.
43.3 Requisitos para equipos
Los Equipos movibles que operen a tensiones por encima de los 300 V y estén conectados a una fuente de tensión con un cable portátil de potencia deben:
a) Usar cables portátiles de potencia tipos SHC-GC o similares. SHC-GC es un multiconductor con conductores de tierra, un conductor de chequeo de tierra y un apantallado total para 2.000 V o menos;
b) Tener una protección de falla a tierra y un monitoreo del conductor de tierra en el lado de la fuente; o el equipo movible estar conectado a la red equipotencial del sistema de puesta a tierra usando un conductor adicional, de capacidad equivalente a los conductores de tierra del cable portátil de potencia.
Las subestaciones que consistan de un conjunto de equipos eléctricos montados sobre una estructura autoportante movible deberán cumplir con lo siguiente:
a) La estructura autoportante debe ser apta para el movimiento a través de terreno irregular o estar provista de medios de izaje para permitir el levantamiento sobre un medio de transporte;
b) El transformador de potencia y los demás componentes de la subestación deben estar dentro de una cubierta totalmente cerrada o encerrada con una malla eslabonada o equivalente con una altura mínima de dos metros;
c) La conexión de la impedancia limitadora debe hacerse tan cerca como sea posible del punto neutro del transformador. Si el cable que conecta el neutro del transformador y el dispositivo de puesta a tierra excede los dos metros de longitud debe ser protegido contra daños físicos;
d) La resistencia del sistema de puesta a tierra de la subestación movible con electrodos debe ser medida y probada la protección de falla a tierra después de cada instalación o cambio de ubicación de la subestación. Se deben hacer los cambios necesarios, hasta asegurar que la máxima elevación del potencial de tierra sea menor o igual a 100 V.
Los Equipos móviles que operen a tensiones por encima de los 300 V, deben cumplir los siguientes requisitos:
a) El transformador que alimente de energía a un equipo eléctrico móvil con más de 300 V c.a., debe tener una potencia nominal al menos del 125% de la potencia nominal del equipo eléctrico móvil que alimenta;
b) Los cables portátiles de potencia usados para alimentar a los equipos eléctricos móviles deben ser del tipo SHC-GC, SHD-GC o similar y certificados para uso en minería; tener conectores de entrada del cable que eviten el ingreso de agua, polvo y otras condiciones ambientales a las cajas de empalme y caja de interruptores;
c) Toda locomotora o vehículo eléctrico sobre rieles, debe ser equipado con lámparas que permanecerán energizadas si el interruptor está en la posición de encendido. Toda locomotora en movimiento debe emitir una luz en la dirección del viaje la cual otorgue una iluminación para hacer claramente visible a las personas y objetos a una distancia mínima de 30 metros;
d) Toda locomotora o vehículo eléctrico sobre rieles debe ser equipado con algún tipo de control del tipo “hombre muerto” el que deberá quitar la energía automáticamente cuando el operador abandona su compartimiento.
43.4 Requisitos específicos para minas subterráneas
Además de los requisitos generales que le apliquen, las minas subterráneas deben cumplir lo siguiente:
a) Los conductores, cables, o cables portátiles de potencia que alimenten a equipos fijos con tensiones a tierra que excedan los 150 V deben ser protegidos por armaduras, tubos rígidos u otros medios mecánicos similares; o por una adecuada ubicación;
b) Cuando se hagan empalmes en cables o conductores que excedan los 750 V, deben tener características mecánicas y eléctricas equivalentes a las del cable, deben ser realizados bajo la supervisión directa de una persona competente, tener un aislamiento igual o superior que el cable original y estar sellado contra la humedad;
c) Un transformador instalado en una mina subterránea debe ser protegido contra daño físico; resguardado de tal manera que se impida el acceso a personal no calificado y no autorizado, tener espaciamientos alrededor del mismo para permitir un acceso seguro para inspección, mantenimiento y reparación, ser montado sobre una base a prueba de fuego y en una ubicación que minimice la propagación del fuego, no ser usado donde haya riesgo de inundación y estar provisto con una cubierta que cumpla con los requerimientos de la
NTC 2050;
d) Cuando un transformador del tipo seco o de relleno con nitrógeno sea instalado en una mina subterránea, debe tener materiales aislantes iguales o superiores que la clase H de acuerdo con la IEC 85 y estar a una distancia mínima de tres metros de puntos de trabajo, o de circulación de personas.
PROHIBICIONES.
ARTÍCULO 44. RESIDUOS NUCLEARES Y DESECHOS TÓXICOS. En consideración a que el artículo 81 de la Constitución Nacional prohíbe la introducción al territorio nacional de residuos nucleares y de desechos tóxicos y que según la resolución No. 189 del 15 de julio de 1994 del Ministerio de Medio Ambiente, se dictaron regulaciones para impedir la introducción al territorio nacional de residuos peligrosos, como los compuestos halogenados, incluyendo los Bifenilos y Terfenilos Policlorados y Polibromados (PCB y PCT), además de los Asbestos en todas sus formas, incluyendo el Amianto; por ser materiales que se han empleado en equipos eléctricos, el presente Reglamento Técnico avala expresamente estas prohibiciones. Para mayor claridad, en la siguiente tabla se presentan los nombres comerciales más comunes para las mezclas de PCB (*Askarel es el término más conocido):
< TABLA NO INCLUIDA. VER ORIGINAL EN D.O. No.46.598 - ABR.13-2007 EN LA CARPETA “ANEXOS” O EN LA PÁGINA WEB www.imprenta.gov.co >
Tabla 47. Nombres comerciales de PCB
A partir de la entrada en vigencia del presente Reglamento Técnico, queda prohibida la instalación, fabricación e importación de pararrayos o terminales de captación con material radiactivo.
DISPOSICIONES TRANSITORIAS.
ARTÍCULO 45. DISPOSICIONES TRANSITORIAS.
45.1 El certificado de conformidad de producto
El certificado de conformidad de producto con el RETIE, de bombillas fluorescentes compactas, bandejas portacables, canaletas, canalizaciones, cajas no metálicas, postes y estructuras para redes de distribución, puertas cortafuego*, de que tratan los numerales 17.11, 17.12, 17.15 y 17.16 del presente Reglamento, se exigirá seis (6) meses después de la publicación de este Acto Administrativo en el Diario Oficial. El requisito establecido en el literal g del numeral 17.2 de este Anexo General se hará exigible seis meses después de la publicación del presente Acto Administrativo en el Diario Oficial. En la transitoriedad se podrán aceptar cajas no metálicas siempre que demuestren el cumplimiento de la prueba de no flamabilidad al hilo incandescente, realizada por un laboratorio reconocido.
45.2 El certificado de conformidad de instalaciones eléctricas
El Certificado de Conformidad de instalaciones eléctricas de los procesos de generación, transmisión, transformación y distribución, se hará exigibles cuando existan por lo menos cinco (5) Organismos de Inspección de instalaciones eléctricas acreditados ante la Superintendencia de Industria y Comercio, para el proceso al que pertenezca la instalación.
No obstante lo anterior, durante este período de transitoriedad la conformidad con el Reglamento se demostrará mediante la declaración escrita y suscrita por la persona calificada responsable de la construcción y la persona calificada responsable de la interventoría de la obra eléctrica, en la cual conste que se cumplió el RETIE.
Cuando se trate de Instalaciones básicas para uso final de la electricidad, de capacidad instalada menores a 10 kVA y que no se encuentren en edificaciones multifamiliares o construcciones físicamente unidas con cinco o más suscriptores potenciales o en edificaciones con cinco o más sistemas de medida individual, el período de transitoriedad para la exigencia del dictamen de inspección será de (36) meses contados a partir del 1ode mayo de 2005, fecha de la entrada en vigencia de la Resolución 180398 de abril 7 de 2004; sin embargo, durante este período la conformidad con el Reglamento se demostrará con la declaración escrita y suscrita, tanto por la persona calificada responsable de la construcción de la instalación eléctrica, como por el propietario de la misma, en el formato establecido en el numeral 47.8.1 del presente Reglamento; esta declaración se entenderá hecha bajo la gravedad del juramento. Así mismo, se requerirá para la conexión, que el Operador de Red cumpla con lo dispuesto en la Resolución CREG 070 de 1998 o en las normas que la aclaren, modifiquen o sustituyan en lo relacionado con la puesta en servicio de la conexión.
Dependiendo de los resultados de este mecanismo transitorio de autocertificación, se determinará la necesidad de exigir el dictamen del organismo de inspección en forma obligatoria para estas instalaciones; en tal caso dicha exigencia se hará en forma gradual. Los dictámenes expedidos por organismos de inspección acreditados ante la SIC para instalaciones eléctricas, tendrán plena validez, así sea en el período de transición.
VIGILANCIA Y CONTROL.
ARTÍCULO 46. ENTIDADES DE VIGILANCIA. La vigilancia y control del cumplimiento del presente Reglamento Técnico corresponde a las Superintendencias de Servicios Públicos Domiciliarios y de Industria y Comercio, de conformidad con las competencias otorgadas a cada una de estas entidades por la normatividad vigente.
De conformidad con lo dispuesto en la Ley 142 de 1994, a la Superintendencia de Servicios Públicos le corresponde entre otras funciones, vigilar y controlar el cumplimiento de las leyes y actos administrativos a los que estén sujetos quienes presten servicios públicos, en cuanto el cumplimiento afecte en forma directa e inmediata a usuarios determinados y sancionar sus violaciones, siempre y cuando esta función no sea competencia de otra autoridad.
De conformidad con lo dispuesto en los Decretos 2153 de 1992 y 2269 de 1993 y demás normas aplicables, a la Superintendencia de Industria y Comercio le corresponde entre otras funciones, velar por el cumplimiento de las disposiciones sobre protección al consumidor, realizar las actividades de verificación de cumplimiento de Reglamentos Técnicos sometidos a su control, supervisar a los organismos de certificación, inspección, laboratorios de pruebas y ensayos y de metrología.
Los fabricantes e importadores de bienes y servicios sujetos al cumplimiento de reglamentos técnicos cuyo control corresponde a la Superintendencia de Industria y Comercio, deben estar inscritos en el registro obligatorio de dicha entidad, a que hace referencia el capítulo primero del título cuarto de la Circular Unica de la SIC.
La vigilancia del ejercicio profesional de las personas que intervienen en las instalaciones eléctricas es competencia de los Consejos Profesionales correspondientes.
ARTÍCULO 47. EVALUACIÓN DE CONFORMIDAD. El esquema de demostración de la conformidad estará basado en el Sistema Nacional de Normalización, Certificación y Metrología.
47.1 Certificación de conformidad de productos
Los productos de que trata el presente reglamento deben cumplir los requisitos aquí establecidos y demostrarlo previo a su comercialización, a través del certificado de conformidad de que trata el presente Capítulo. No se podrá prohibir, limitar, ni obstaculizar la comercialización, ni la puesta en funcionamiento de los productos que cumplan con las disposiciones del presente Reglamento Técnico.
Sólo requieren de certificación de la conformidad con el RETIE, aquellos productos con requisitos establecidos en el presente reglamento que estén destinados a las instalaciones comprendidas en su alcance. Productos que aún teniendo la misma partida arancelaria pero que no tengan requisitos en el RETIE o estén destinados a instalaciones excluidas de este reglamento, no requieren de certificación de conformidad con RETIE.
Los productos usados en líneas de transmisión de tensión superior o igual a 220 kV, subestaciones de tensión superior o igual a 115 kV y centrales de generación que hagan parte del Plan de Expansión, los motores y generadores de potencia superior a 1.000 kVA, los transformadores de potencia superior a 10.000 VA, los dispositivos de protección contra sobretensión y los aisladores para tensión nominal superior a 66 kV, no requerirán Certificado de Conformidad con RETIE, expedido por un Organismo de Certificación.
Sin embargo, se requerirá que el fabricante declare que el producto cumple con una norma internacional, de reconocimiento internacional o NTC aplicable al mismo para esa aplicación; así mismo, será necesario que el propietario del proyecto o el comercializador del producto, manifieste por escrito que dichos productos cumplen los requisitos de seguridad establecidos en el presente Reglamento Técnico.
La elección de los materiales eléctricos y su instalación estará en función de la seguridad, su uso, empleo e influencia del entorno electromagnético, por lo que se deberán tener en cuenta los siguientes criterios básicos de selección:
a) Tensión: La nominal de la instalación;
b) Corriente: Que trabaje con la corriente de operación normal;
c) Frecuencia: Se debe tomar en cuenta la frecuencia de servicio cuando influya en las características de los materiales;
d) Potencia: Que no supere la potencia de servicio;
e) Corriente de cortocircuito: Los equipos deben soportar las corrientes de cortocircuito previstas;
f) Compatibilidad de materiales: No deben causar deterioro en otros materiales, en el medio ambiente ni en las instalaciones eléctricas adyacentes;
g) Tensión de ensayo dieléctrico: Tensión asignada mayor o igual a las sobretensiones previstas;
h) Otras características: Otros posibles parámetros eléctricos a tener en cuenta (por ejemplo el factor de potencia, tipo de servicio, etc.);
i) Características de los materiales en función de las influencias externas (medio ambiente, condiciones climáticas, corrosión, altitud, etc.).
El certificador tendrá en cuenta el tipo de aplicación del producto para determinar la conformidad.
Previamente a su comercialización, los fabricantes, importadores o comercializadores de los productos sometidos a este Reglamento Técnico, deben demostrar su cumplimiento a través de un Certificado de Conformidad expedido por un Organismo de Certificación de Producto acreditado por la Superintendencia de Industria y Comercio, de acuerdo con los procedimientos establecidos en los artículos 7o y 8o del Decreto 2269 de noviembre 16 de 1993, o por los sistemas, métodos y procedimientos establecidos o que establezca la autoridad competente para probar la conformidad de productos incluidos en el alcance de los reglamentos técnicos.
Sin perjuicio de las disposiciones transitorias del presente Reglamento, la certificación de conformidad con el RETIE debe ser expedida por organismos de certificación de productos acreditados por la Superintendencia de Industria y Comercio.
De conformidad con los tratados sobre obstáculos técnicos al Comercio y demás tratados comerciales, se podrá aceptar equivalencia de normas técnicas o reglamentos técnicos de otros países. Las equivalencias de reglamentos o normas técnicas con el RETIE serán otorgadas únicamente por el Ministerio de Minas y Energía. Para tal efecto, el interesado deberá suministrar una matriz que identifique cada uno de los requisitos del RETIE comparándolos con el aparte de la norma o reglamento técnico con el que se pretenda establecer la equivalencia. Adicionalmente deberá suministrar copia de la totalidad de la norma o reglamento, para revisar su contexto de aplicación.
47.2 Certificación de productos de uso directo y exclusivo del importador
Los certificados de conformidad se emiten de acuerdo con la Resolución 6050 de 1999 y sus modificaciones descritas en la Circular Unica de la Superintendencia de Industria y Comercio, a personas naturales o jurídicas para que puedan importar productos sujetos a reglamentos técnicos, cuyo control y vigilancia corresponde a la Superintendencia de Industria y Comercio, los cuales serán única y exclusivamente para uso directo del solicitante.
El usuario solicita por escrito la certificación dando los datos exactos sobre el bien que importa y cuyo control está a cargo de la Superintendencia de Industria y Comercio. La entidad evalúa, verifica y emite el certificado correspondiente.
47.3 Principales regulaciones para el trámite
Para efectos del presente Reglamento, se deben cumplir, entre otras, las siguientes disposiciones legales, emitidas por las autoridades colombianas, en lo que se relaciona con el certificado de conformidad de productos:
a) Circular Unica de la Superintendencia de Industria y Comercio, publicada en el Diario Oficial 44511 del 6 de agosto de 2001, que es un solo cuerpo normativo de la SIC;
b) Decreto 2269 de 1993, por el cual se organiza el Sistema Nacional de Normalización, Certificación y Metrología;
c) Decreto 300 de 1995, por el cual se establece el procedimiento para verificar el cumplimiento de las normas técnicas colombianas oficiales obligatorias y los reglamentos técnicos en los productos importados;
d) Decisión 506 de 2001, de la Comunidad Andina de Naciones, sobre certificados de conformidad de producto;
e) Decisión 562 de 2003, de la Comunidad Andina de Naciones.
47.4 Acreditación
Los organismos de certificación e inspección acreditados, los laboratorios de pruebas y ensayos acreditados y la calibración para productos e instalaciones eléctricas de que trata el presente Reglamento, deben cumplir las normas de la Superintendencia de Industria y Comercio y demás normatividad aplicable sobre la materia.
Los anteriores organismos sólo podrán hacer referencia a esta condición para las certificaciones, inspecciones, ensayos o mediciones para las cuales hayan sido acreditados, de conformidad con el acto administrativo que les concede tal condición.
La certificación de conformidad de las instalaciones eléctricas con este Reglamento, deberá ser validada por una tercera parte acreditada por la Superintendencia de Industria y Comercio. Los Organismos de inspección acreditados para instalaciones eléctricas deberán ser Tipo A.
47.5 Organismos de certificación
La Superintendencia de Industria y Comercio, en el título cuarto de la Circular Unica, establece las entidades facultadas para expedir certificados de conformidad con reglamentos técnicos.
El reconocimiento de certificados de productos expedidos en el exterior, corresponde a la SIC o a la entidad que la autoridad competente determine, de acuerdo con la normatividad que sobre el particular tenga establecido el país. En especial los Decretos 300 de 1995 y 2153 de 1992.
47.6 Laboratorios de pruebas y ensayos
Atendiendo a lo dispuesto en la Resolución 6050 de 1999 de la SIC en su artículo 4o y demás normas que aclaren, complementen o modifiquen, cuando los ensayos requeridos para la expedición de los certificados de conformidad se efectúen en Colombia, deben ser realizados en laboratorios acreditados por la SIC. En caso de no existir laboratorio acreditado para la realización de estos ensayos, se podrán efectuar en laboratorios evaluados previamente por los organismos de certificación; dicho laboratorio deberá iniciar su proceso de acreditación dentro del año siguiente a la prestación del primer servicio bajo esta condición. Si vencido el plazo de dos años contados a partir del primer servicio prestado en este supuesto, este laboratorio no ha obtenido su acreditación respectiva, el Organismo de Certificación no podrá seguir utilizando sus servicios.
“Resolución 15657 de 1999 de la SIC en su artículo 2o. Para los efectos previstos en el artículo 2o de la Resolución 6050 de 1999 de la SIC, cuando no exista en Colombia laboratorio de pruebas acreditado para la realización de un ensayo específico, serán válidos los certificados de conformidad, emitidos por organismos de certificación acreditados por entidades respecto de los cuales se haya demostrado previamente ante esta Superintendencia, que son parte de acuerdos multilaterales de reconocimiento mutuo de la acreditación”.
47.7 Rotulado
Los materiales y elementos objeto de este Reglamento, utilizados en las instalaciones eléctricas, deben estar rotulados con la información establecida en los requisitos de producto del presente Reglamento. Dicha información deberá ser demostrada en el proceso de certificación.
47.8 Certificación de conformidad de Instalaciones Eléctricas
Una vez transcurrido el período de transitoriedad establecido en el artículo 45 “DISPOSICIONES TRANSITORIAS”, toda instalación eléctrica nueva, ampliación o remodelación según lo dispuesto en el artículo 2o “CAMPO DE APLICACION”, debe tener su “Certificado de Conformidad” con el presente Reglamento, el cual según la Decisión 506 de 2001 de la Comunidad Andina de Naciones, será la declaración del fabricante (es decir la persona calificada responsable de la construcción de la instalación eléctrica), avalada por el dictamen expedido por un organismo de inspección acreditado ante la SIC.
Se exceptúan del anterior requisito, las siguientes instalaciones:
a) Instalaciones eléctricas de guarniciones militares o de policía y en general aquellas que demanden reserva por aspectos de Seguridad Nacional; sin embargo, se exigirá una declaración suscrita por el comandante o director de la guarnición y por la persona calificada responsable de la interventoría o supervisión de la construcción de la instalación eléctrica, en la cual conste que se cumplió el RETIE;
b) Instalaciones provisionales cuya permanencia sea menor a un año, las cuales deben ser ejecutadas por personal calificado.
47.8.1 Auto declaración de cumplimiento
Para efectos de la declaración de conformidad, la persona calificada responsable de la construcción de la Instalación eléctrica, deberá declarar el cumplimiento del RETIE, diligenciando el formato “Declaración de Cumplimiento del Reglamento Técnico de Instalaciones Eléctricas”. Esta declaración se considera emitida bajo la gravedad de juramento.
MINISTERIO DE MINAS Y ENERGIA
DECLARACION DE CUMPLIMIENTO DEL
REGLAMENTO TECNICO DE INSTALACIONES ELECTRICAS
Yo_____________________________mayor de edad y domiciliado en ______________,
identificado con la CC. No. ______________Expedida en __________________ en
mi condición de __________________ (ingeniero, tecnólogo, técnico), portador de la
matrícula profesional, certificado de inscripción profesional o certificado de matrícula
(según el caso) nro. _______________, expedida por el Consejo Profesional __________
_____________, declaro bajo la gravedad del juramento, que la instalación eléctrica cuya
construcción estuvo a mi cargo, la cual es de propiedad de ______________________,
CC. Noo NIT _________________, ubicada en la ________________________ del
municipio o Distrito de ___________________, cumple con todos y cada uno de los
requisitos establecidos en el Reglamento Técnico de Instalaciones Eléctricas RETIE
que le aplican, incluyendo los productos utilizados en ella, para lo cual anexo copia de
los respectivos certificados. Así mismo declaro que atendí los lineamientos del diseño
(cuando se requiera) efectuado por el ingeniero _________________________, con
matrícula profesional No. _____________________ y que el alcance de la instalación
eléctrica es el expresado en el plano eléctrico anexo.
En constancia se firma en ______________________ a los ____________ días del mes
de _______de______
Firma _______________________________
Dirección domicilio _______________________________ Teléfono _____________
Formato 1. Declaración del constructor
47.8.2 Inspección con fines de certificación
En la inspección con fines de certificación se tendrán en cuenta los siguientes aspectos:
a) Se buscará la trazabilidad de las diferentes etapas de la instalación eléctrica, para lo cual se debe tener en cuenta lo actuado y documentado por las personas calificadas que participaron en el diseño si se requiere, dirección de la construcción e interventoría; en todos los casos se dejará consignado en el formato de inspección, la matrícula profesional del responsable de cada etapa;
b) Se verificarán las certificaciones de la conformidad de los productos utilizados en la instalación eléctrica, que según el RETIE requieran cumplir tal requisito;
c) Para garantizar que la instalación eléctrica es segura y apta para el uso previsto, se deberá realizar el examen visual y ejecutar las pruebas pertinentes;
d) En todos los casos se consignará en los formatos de dictamen y declaración el tipo de instalación, la identidad del propietario, los nombres y matrículas profesionales de las personas calificadas que actuaron en las diferentes etapas de la instalación (diseñador si se requiere, director de la construcción e interventor);
e) Igualmente se consignará en el formato el nombre y matrícula profesional del inspector y el nombre, dirección y teléfono del organismo acreditado responsable de la inspección;
f) El inspector deberá dejar constancia del alcance y estado real de la instalación al momento de la inspección, con mecanismos tales como registros fotográficos, diagrama unifilar y planos o esquemas eléctricos.
47.8.3 Dictamen del organismo de inspección para instalaciones de uso final
MINISTERIO DE MINAS Y ENERGIA
DICTAMEN DE INSPECCION PARA DEFINIR LA CONFORMIDAD
CON EL REGLAMENTO TECNICO DE INSTALCIONES ELECTRICAS
Lugar y fecha ______________________________Dictamen No. _____________
Nombre o razón social del propietario de la instalación ______________________
_____________________________________________
Dirección de la Instalación _____________________________________________
____________
Tipo de uso de la instalación: Residencial ____ Industrial _____ Comercial _____
Hospitalaria ______ Oficial ______
Capacidad instalada ________________(KVA), Tensión _______(V), Año terminación
Construcción ______________
Personas Calificadas responsables de la instalación:
Diseño si lo hay ________________________________________________________
Mat. Prof. _______________________
Responsablede la Construcción ___________________________________________
Mat, Reg, Prof. ___________________
Interventoría si la hay ____________________________________________________
Mat. Prof. ________________________
< TABLA NO INCLUIDA. VER ORIGINAL EN D.O. No.46.598 - ABR.13-2007 EN LA CARPETA “ANEXOS” O EN LA PÁGINA WEB www.imprenta.gov.co >
Formato 2. Dictamen de inspección
Nota 1: Para instalaciones que no es obligatorio el diseño, se debe tener en cuenta lo expuesto en el Capítulo II Requisitos Técnicos Esenciales.
Nota 2: El propietario o administrador de una instalación eléctrica de una edificación de uso comercial, industrial, oficial o residencial multifamiliar o la destinada a la prestación del servicio público de energía, deben mantener disponible una copia del dictamen de Inspección de Instalaciones Eléctricas, a fin de facilitar su consulta cuando se requiera.
El dictamen de resultado de la inspección y pruebas de la instalación eléctrica, deberá determinar el cumplimiento de los requisitos que apliquen, relacionados en el formato denominado “Dictamen de Inspección para definir la conformidad con el Reglamento Técnico de Instalaciones Eléctricas”.
47.8.4 Dictamen de inspección para los procesos de Generación, Transmisión, Transformación y Distribución
Para el dictamen de inspección de aquellas instalaciones de procesos diferentes al de uso final de la energía eléctrica que no les aplique el formato anterior, el organismo de inspección deberá diseñar los formatos de dictamen pertinentes los cuales deben contener los parámetros fundamentales donde se compruebe el cumplimiento de los requisitos establecidos en el RETIE. Los formatos de verificación deben refl ejar y cumplir estrictamente los procedimientos, métodos y equipos de medición presentados y aprobados por la SIC
en el trámite de acreditación.
47.9 Revisión de las Instalaciones
a) Se verificará el cumplimiento del presente Reglamento durante la vida útil de la instalación, mediante inspecciones técnicas periódicas adelantadas por Organismos de Inspección Acreditados por la Superintendencia de Industria y Comercio para instalaciones eléctricas. La periodicidad de la revisión de las instalaciones de uso final, será de máximo 10 años. Este período se reducirá a cinco años para instalaciones hospitalarias y para las de zonas clasificadas como peligrosas;
b) En caso de que por deficiencias de la instalación eléctrica se presente alto riesgo para la salud o la vida, se deberá dar aviso inmediato al Operador de Red con el propósito de que se desenergice la instalación comprometida, salvo en el caso en que esta desconexión pueda producir una situación de mayor riesgo para las personas, que la quese quiere corregir o evitar. Antes y durante la desenergización se deben tomar las medidas necesarias para evitar un accidente. Si el propietario de una instalación eléctrica no
corrige la condición de alto riesgo, quienes se consideren afectados podrán adelantar las acciones judiciales que sean del caso o notificar del hecho a las autoridades judiciales y administrativas competentes;
c) Cuando se realicen modificaciones a las instalaciones eléctricas destinadas al uso final de la electricidad, el propietario o administrador de las mismas debe velar por que los trabajos sean realizados por personas calificadas. De las modificaciones se debe dejar constancia documentada disponible, a fin de facilitar su consulta cuando sea necesario;
d) Las modificaciones a la red ejecutadas directamente por personal del Operador de Red o por personal calificado de terceros bajo la supervisión de personal del OR, deben ser adaptadas a las condiciones de seguridad establecidas en el presente Reglamento. Tales modificaciones deben documentarse y estar disponibles en una dependencia del Operador de Red de manera que sea fácil su consulta en el evento que sea necesario.
PARÁGRAFO. Para efectos de la conformidad, el presente Anexo General no presenta cambios de fondo en los requisitos exigidos, tanto a productos como a instalaciones, respecto de los contemplados en el Reglamento adoptado mediante Resolución 180398 de 2004 y sus modificaciones y aclaraciones efectuadas en las Resoluciones 180498 y 181419 de 2005.
REVISIÓN Y ACTUALIZACIÓN.
ARTÍCULO 48. REVISIÓN Y ACTUALIZACIÓN DEL REGLAMENTO. El contenido del presente Reglamento Técnico, expedido por el Ministerio de Minas y Energía siguió los procedimientos y metodologías aceptados por el acuerdo sobre Obstáculos Técnicos al Comercio. La revisión y actualización del Reglamento se efectuará por el Ministerio de Minas y Energía. En este sentido será el Ministerio de Minas y Energía, el órgano competente, para su interpretación y modificación. Lo podrá hacer de oficio o por solicitud de terceros. No obstante, en aquellos casos relacionados con procedimientos de certificación, donde se trate de productos utilizados en el sector eléctrico, la Superintendencia de Industria y Comercio podrá convocar un Comité Técnico Sectorial constituido por autoridades públicas y expertos, para analizar, interpretar y revisar asuntos relacionados con el presente Reglamento, de acuerdo con la Resolución 8728 de 2001 de la Superintendencia de Industria y Comercio las normas que la modifiquen o sustituyan.
Es entendido que los generadores, transmisores, distribuidores, instaladores y usuarios de las instalaciones, así como los fabricantes, distribuidores o importadores de productos; se deben regir por lo establecido en el presente Reglamento, sin perjuicio de lo establecido por otras autoridades colombianas.
En atención al desarrollo técnico y en casos excepcionales o situaciones objetivas suficientemente justificadas, el Ministerio de Minas y Energía, autorizará requisitos técnicos diferentes de los incluidos en el Reglamento Técnico de Instalaciones Eléctricas. Por su carácter menos permanente y de evolución constante, el Ministerio de Minas y Energía podrá revisarlas discrecionalmente a fin de que los citados requisitos estén perfectamente adaptados al nivel de desarrollo tecnológico, en cada circunstancia.
Aplicación de nuevas técnicas. Cuando el diseñador de una instalación prevea la utilización o aplicación de nuevas técnicas o se planteen circunstancias no previstas en el presente Reglamento, podrá justificar la introducción de innovaciones técnicas señalando los objetivos, así como las normas internacionales y prescripciones que aplica. El Ministerio de Minas y Energía podrá aceptar o rechazar el proyecto en razón a que resulten o no justificadas las innovaciones que contenga, de acuerdo con los objetivos legítimos.
Las empresas del sector eléctrico, podrán proponer preceptos complementarios, señalando las condiciones técnicas de carácter concreto que sean esenciales para conseguir mayor seguridad en las instalaciones eléctricas. Estas normas deben ajustarse a los preceptos de este Reglamento y serán planteadas ante la Dirección de Energía del Ministerio de Minas y Energía.
RÉGIMEN SANCIONATORIO.
ARTÍCULO 49. SANCIONES. Sin perjuicio de la responsabilidad civil o penal a que haya lugar, el incumplimiento de los requisitos establecidos en el presente Reglamento Técnico se sancionará según lo establecido en la Legislación Colombiana vigente, así:
a) Las Empresas de Servicios Públicos por el Régimen establecido en la Ley 142 de 1994, demás normas que la modifiquen, aclaren, o sustituyan y demás disposiciones legales aplicables;
b) Las personas calificadas, por las leyes que reglamentan el ejercicio de las profesiones relacionadas con la electrotecnia y demás disposiciones legales aplicables;
c) Los usuarios de conformidad con lo establecido en el Decreto 1842 de 1992 “Estatuto Nacional de Usuarios de los servicios públicos domiciliarios”, Ley 142 de 1994, Resolución CREG 108 de 1997 y demás normatividad aplicable;
d) Los productores, comercializadores, proveedores e importadores, por el Decreto 3466 de 1982, Ley 446 de 1998 y demás disposiciones legales aplicables;
e) Los Organismos Acreditados por lo dispuesto en los Decretos 2152 de 1992 y 2269 de 1993 y demás disposiciones legales aplicables y normas que lo modifiquen, adicionen o sustituyan”.
Publíquese y cúmplase.
Dada en Bogotá, D. C., a 2 de abril de 2007.
El Ministro de Minas y Energía,
HERNÁN MARTÍNEZ TORRES.









